合金结构钢版16MnCr5性能成分详解.docx

上传人:p** 文档编号:697055 上传时间:2024-01-16 格式:DOCX 页数:2 大小:17.62KB
下载 相关 举报
合金结构钢版16MnCr5性能成分详解.docx_第1页
第1页 / 共2页
合金结构钢版16MnCr5性能成分详解.docx_第2页
第2页 / 共2页
亲,该文档总共2页,全部预览完了,如果喜欢就下载吧!
资源描述

《合金结构钢版16MnCr5性能成分详解.docx》由会员分享,可在线阅读,更多相关《合金结构钢版16MnCr5性能成分详解.docx(2页珍藏版)》请在第壹文秘上搜索。

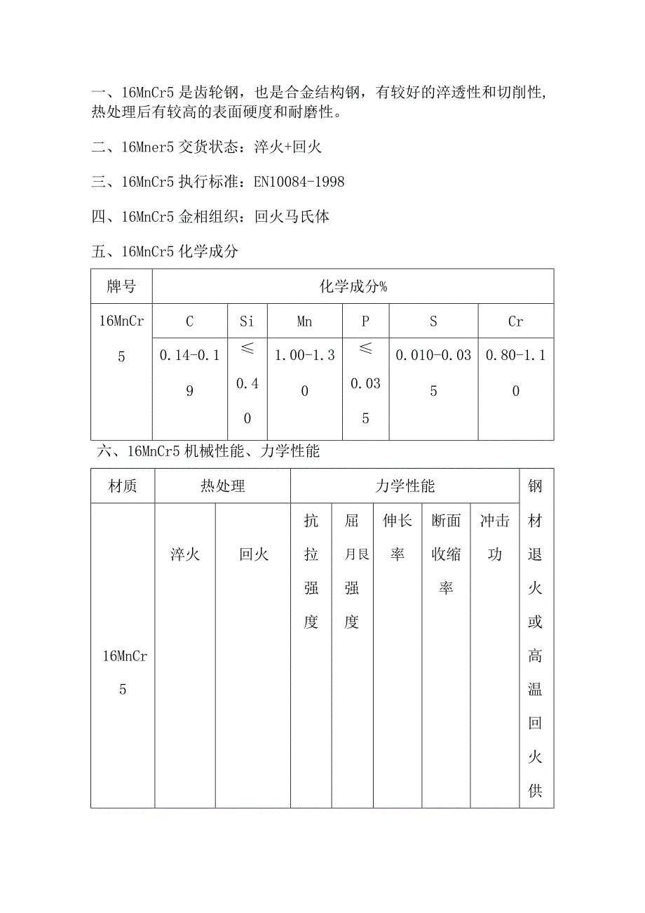
一、16MnCr5是齿轮钢,也是合金结构钢,有较好的淬透性和切削性,热处理后有较高的表面硬度和耐磨性。二、16Mner5交货状态:淬火+回火三、16MnCr5执行标准:EN10084-1998四、16MnCr5金相组织:回火马氏体五、16MnCr5化学成分牌号化学成分%16MnCr5CSiMnPSCr0.14-0.190.401.00-1.300.0350.010-0.0350.80-1.10六、16MnCr5机械性能、力学性能材质热处理力学性能钢抗屈伸长断面冲击材淬火回火拉月艮率收缩功退强强率火度度或16MnCr高5温回火供应状态硬度温冷温冷MpaMpaA5(%(%)Akv/HB度却度却)J/剂/剂90油20水、2132577200空13711829377七、16MnCr5应用16MnCr5齿轮钢经渗碳淬火后使用,主要用于制造齿轮、蜗杆、密封轴套等零部件。

展开阅读全文
相关资源
猜你喜欢
相关搜索

当前位置:首页 > 建筑/环境 > 建筑规范

copyright@ 2008-2023 1wenmi网站版权所有

经营许可证编号:宁ICP备2022001189号-1

本站为文档C2C交易模式,即用户上传的文档直接被用户下载,本站只是中间服务平台,本站所有文档下载所得的收益归上传人(含作者)所有。第壹文秘仅提供信息存储空间,仅对用户上传内容的表现方式做保护处理,对上载内容本身不做任何修改或编辑。若文档所含内容侵犯了您的版权或隐私,请立即通知第壹文秘网,我们立即给予删除!