20MnCr5淬透性和焊接性能20MnCr5机械性能.docx

上传人:p** 文档编号:704359 上传时间:2024-01-18 格式:DOCX 页数:2 大小:17.78KB
下载 相关 举报
20MnCr5淬透性和焊接性能20MnCr5机械性能.docx_第1页
第1页 / 共2页
20MnCr5淬透性和焊接性能20MnCr5机械性能.docx_第2页
第2页 / 共2页
亲,该文档总共2页,全部预览完了,如果喜欢就下载吧!
资源描述

《20MnCr5淬透性和焊接性能20MnCr5机械性能.docx》由会员分享,可在线阅读,更多相关《20MnCr5淬透性和焊接性能20MnCr5机械性能.docx(2页珍藏版)》请在第壹文秘上搜索。

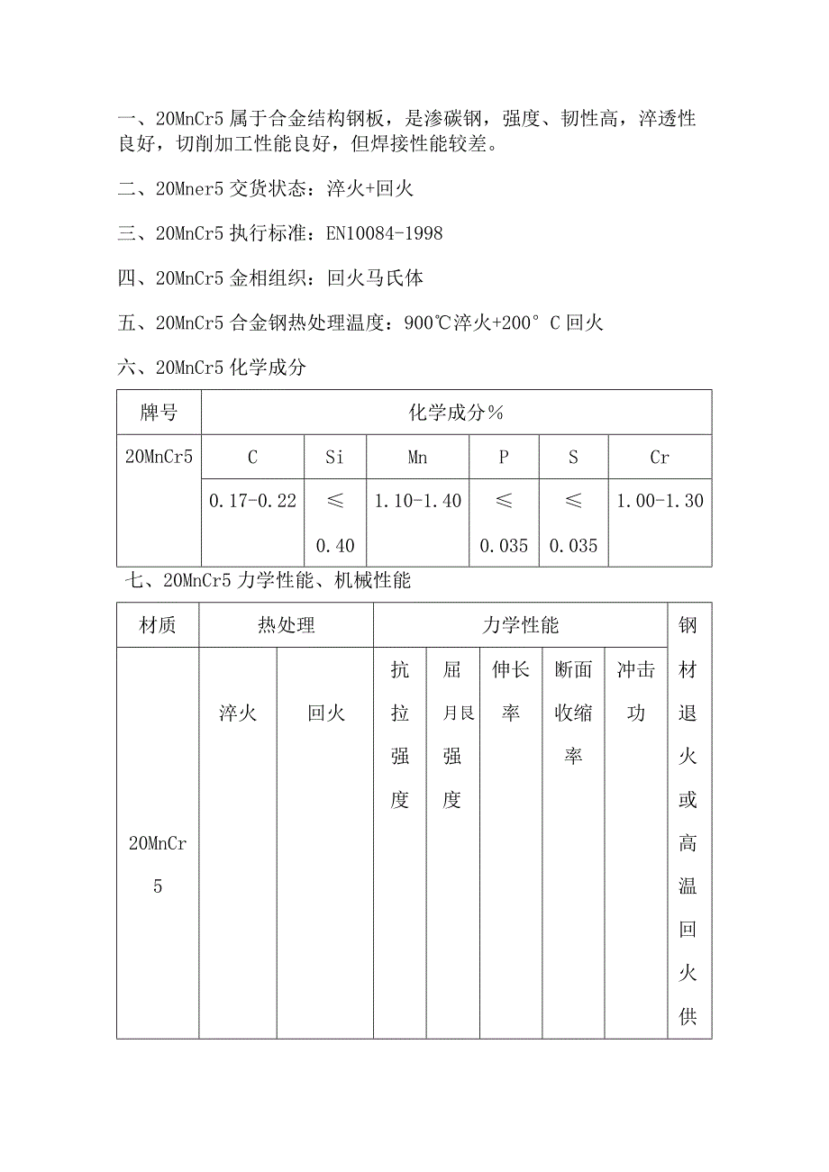
一、20MnCr5属于合金结构钢板,是渗碳钢,强度、韧性高,淬透性良好,切削加工性能良好,但焊接性能较差。二、20Mner5交货状态:淬火+回火三、20MnCr5执行标准:EN10084-1998四、20MnCr5金相组织:回火马氏体五、20MnCr5合金钢热处理温度:900淬火+200C回火六、20MnCr5化学成分牌号化学成分20MnCr5CSiMnPSCr0.17-0.220.401.10-1.400.0350.0351.00-1.30七、20MnCr5力学性能、机械性能材质热处理力学性能钢抗屈伸长断面冲击材淬火回火拉月艮率收缩功退强强率火度度或20MnCr高5温回火供应状态硬度温冷温冷MpaMpaA5(%(%)Akv/HB度却度却)J/剂/剂90油20水、2132577300空14812335227八、20MnCr5应用用于制造和重载大截面的调质零件及小截面的渗碳零件,还可用于制造中等负载、冲击较小的中小零件,代替20CrNi使用,如齿轮、轴、主轴、变速装备的摩擦轮、蜗杆、调速器的套筒等。

展开阅读全文
相关资源
猜你喜欢
相关搜索

当前位置:首页 > 论文 > 毕业论文

copyright@ 2008-2023 1wenmi网站版权所有

经营许可证编号:宁ICP备2022001189号-1

本站为文档C2C交易模式,即用户上传的文档直接被用户下载,本站只是中间服务平台,本站所有文档下载所得的收益归上传人(含作者)所有。第壹文秘仅提供信息存储空间,仅对用户上传内容的表现方式做保护处理,对上载内容本身不做任何修改或编辑。若文档所含内容侵犯了您的版权或隐私,请立即通知第壹文秘网,我们立即给予删除!