中低温容器板A515Gr70炼钢工艺.docx

上传人:p** 文档编号:708053 上传时间:2024-01-18 格式:DOCX 页数:2 大小:17.94KB
下载 相关 举报
中低温容器板A515Gr70炼钢工艺.docx_第1页
第1页 / 共2页
中低温容器板A515Gr70炼钢工艺.docx_第2页
第2页 / 共2页
亲,该文档总共2页,全部预览完了,如果喜欢就下载吧!
资源描述

《中低温容器板A515Gr70炼钢工艺.docx》由会员分享,可在线阅读,更多相关《中低温容器板A515Gr70炼钢工艺.docx(2页珍藏版)》请在第壹文秘上搜索。

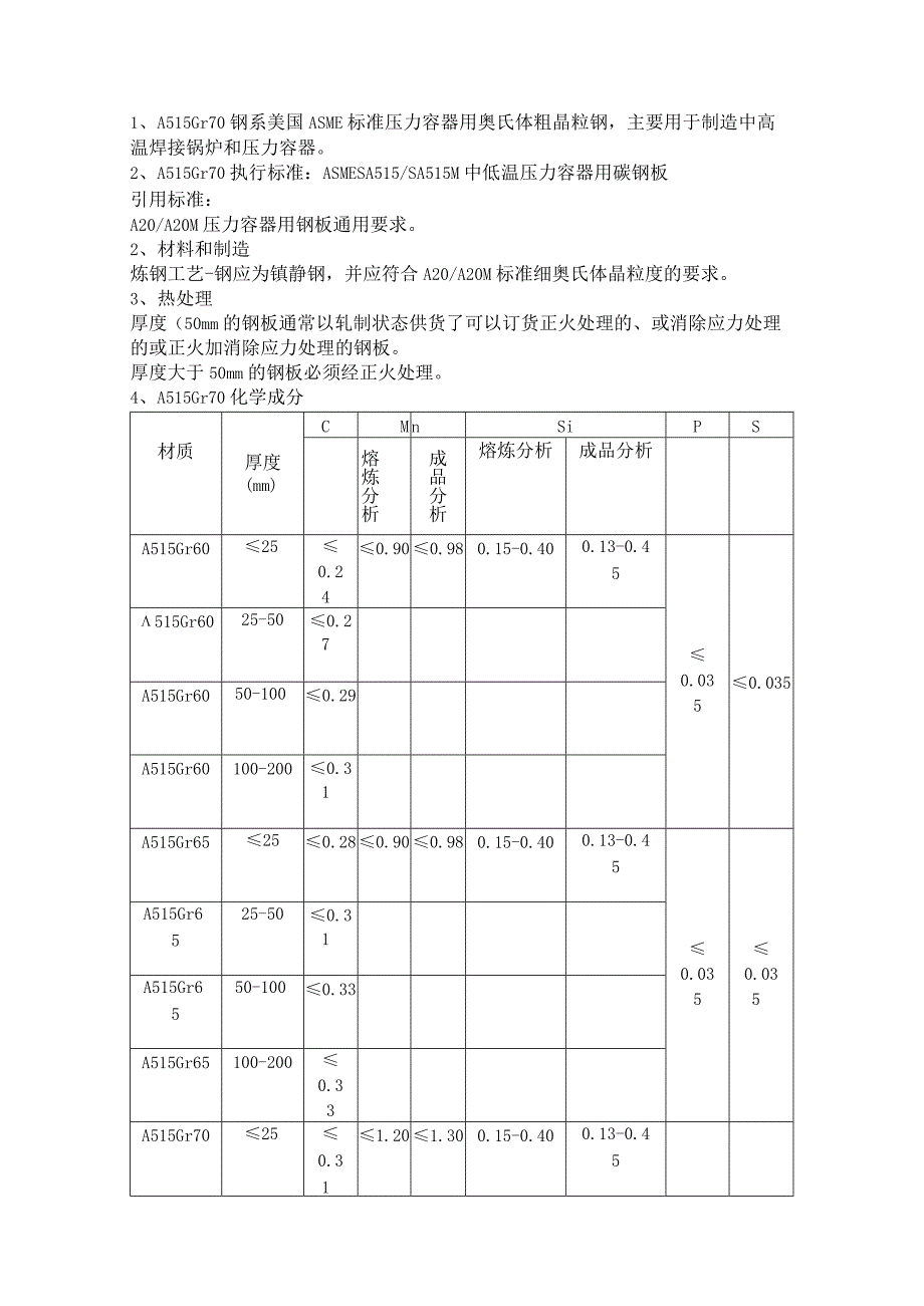
1、1、A515Gr70钢系美国ASME标准压力容器用奥氏体粗晶粒钢,主要用于制造中高温焊接锅炉和压力容器。2、A515Gr70执行标准:ASMESA515/SA515M中低温压力容器用碳钢板引用标准:A20/A20M压力容器用钢板通用要求。2、材料和制造炼钢工艺-钢应为镇静钢,并应符合A20/A20M标准细奥氏体晶粒度的要求。3、热处理厚度(50mm的钢板通常以轧制状态供货了可以订货正火处理的、或消除应力处理的或正火加消除应力处理的钢板。厚度大于50mm的钢板必须经正火处理。4、A515Gr70化学成分材质厚度(mm)CMnSiPS熔炼分析成品分析熔炼分析成品分析A515Gr60250.240.

2、900.980.15-0.400.13-0.450.0350.035515Gr6025-500.27A515Gr6050-1000.29A515Gr60100-2000.31A515Gr65250.280.900.980.15-0.400.13-0.450.0350.035A515Gr6525-500.31A515Gr6550-1000.33A515Gr65100-2000.33A515Gr70250.311.201.300.15-0.400.13-0.45A515Gr7O25-50O.33O.035O.035515Gr7O50-100O.35515Gr7O100-20OO.355、515Gr70J学性能材质抗拉强度ksi(MPa)屈服强度ksi(MPa)伸长率(标距8in或200mm)伸长率(标距2in或50mm)A515Gr6060-80(415-550)232(220)221225A515Gr6565-85(450-585)235(240)219223A515Gr7070-90(485-620)33(260)217221

展开阅读全文
相关资源
猜你喜欢
相关搜索

当前位置:首页 > 汽车/机械/制造 > 工程材料

copyright@ 2008-2023 1wenmi网站版权所有

经营许可证编号:宁ICP备2022001189号-1

本站为文档C2C交易模式,即用户上传的文档直接被用户下载,本站只是中间服务平台,本站所有文档下载所得的收益归上传人(含作者)所有。第壹文秘仅提供信息存储空间,仅对用户上传内容的表现方式做保护处理,对上载内容本身不做任何修改或编辑。若文档所含内容侵犯了您的版权或隐私,请立即通知第壹文秘网,我们立即给予删除!