甲醛溶液的安全技术说明书.docx

上传人:p** 文档编号:709965 上传时间:2024-01-20 格式:DOCX 页数:5 大小:29.46KB
下载 相关 举报
甲醛溶液的安全技术说明书.docx_第1页
第1页 / 共5页
甲醛溶液的安全技术说明书.docx_第2页
第2页 / 共5页
甲醛溶液的安全技术说明书.docx_第3页
第3页 / 共5页
甲醛溶液的安全技术说明书.docx_第4页
第4页 / 共5页
甲醛溶液的安全技术说明书.docx_第5页
第5页 / 共5页
亲,该文档总共5页,全部预览完了,如果喜欢就下载吧!
资源描述

《甲醛溶液的安全技术说明书.docx》由会员分享,可在线阅读,更多相关《甲醛溶液的安全技术说明书.docx(5页珍藏版)》请在第壹文秘上搜索。

1、甲醛溶液的安全技术说明书化学品标识中文名:甲醛溶液英文名:formaldehydesolution;methanalsolution分子式:CH2O相对分子质量:30.03结构式:化学品的推荐及限制用途:是一种重要的有机原料,也是炸药、染料、医药、农药的原料,也作杀菌剂、消毒剂等危险性概述紧急情况概述:吞咽会中毒,皮肤接触会中毒,吸入会中毒,造成严重的皮肤灼伤和眼损伤,可能导致皮肤过敏反应,可能致癌GHS危险性类别:急性毒性经口,类别3;急性毒性.经皮,类别3;急性毒性.吸入,类别3;皮肤腐蚀/刺激,类别1B:严重眼损伤/眼刺激,类别1;皮肤致敏物,类别1;生殖细胞致突变性,类别2;致癌性,类

2、别1A:特异性靶器官毒性一次接触,类别3(呼吸道刺激);危害水生环境急性危害,类别2标签要素:象形图警示词:危险危险性说明:吞咽会中毒,皮肤接触会中毒,吸入会中毒,造成严重的皮肤灼伤和眼损伤,可能导致皮肤过敏反应,怀疑可造成遗传性缺陷,可能致癌,可能引起呼吸道刺激,对水生生物有毒防范说明:预防措施:避免接触眼睛、皮肤,操作后彻底清洗。作业场所不得进食、饮水或吸烟。避免吸入蒸气、雾。仅在室外或通风良好处操作。戴防护手套,穿防护服,戴防护眼镜、防护面罩。污染的工作服不得带出工作场所。得到专门指导后操作。在阅读并了解所有安全预防措施之前,切勿操作。按要求使用个体防护装备。禁止排入环境事故响应:食入:

3、立即呼叫中毒控制中心或就医。如吸入:将患者转移到空气新鲜处,休息,保持利于呼吸的体位。皮肤接触:用大量肥皂水和水清洗。如出现皮肤刺激或皮疹:就医。立即脱去所有被污染的衣服。被污染的衣服须经洗净后方可重新使用。接触眼睛:用水细心冲洗数分钟。如戴隐形眼镜并可方便地取出,取出隐形眼镜继续冲洗。食入:漱口。不要催吐。如果接触或有担心,就医安全储存:在通风良好处储存。保持容器密闭。上锁保管废弃处置:本品及内装物、容器依据国家和地方法规处置物理和化学危险:易燃,其蒸气与空气混合,能形成爆炸性混合物健康危害:本品对黏膜、上呼吸道、眼睛和皮肤有强烈刺激性。接触其蒸气,引起结膜炎、角膜炎、鼻炎、支气管炎;重者发

4、生喉痉挛、声门水肿和肺炎等。肺水肿较少见。对皮肤有原发性刺激和致敏作用,可致皮炎;浓溶液可引起皮肤凝固性坏死。口服灼伤口腔和消化道,可发生胃肠道穿孔,休克,肾和肝脏损害慢性影响长期接触低浓度甲醛可有轻度眼、鼻、咽喉刺激症状,皮肤干燥、皱裂、甲软化等。甲醛对人有致癌性环境危害:对水生生物有毒成分/组成信息物质:/混合物:危险化学品序号:1173组分:甲醛浓度:/CASNo.:50-00-0急救措施吸入:迅速脱离现场至空气新鲜处。保持呼吸道通畅。如呼吸困难,给输氧。如呼吸、心跳停止,立即进行心肺复苏术。就医皮肤接触:立即脱去污染的衣着,用大量流动清水彻底冲洗至少15mino就医眼睛接触:眼睛接触立

5、即分开眼睑,用流动清水或生理盐水彻底冲洗5IOmin0就医食入:用水漱口,禁止催吐。给饮牛奶或蛋清。就医对保护施救者的忠告:根据需要使用个人防护设备对医生的特别提示:对症处理消防措施灭火剂:用雾状水、抗溶性泡沫、干粉、二氧化碳、砂土灭火特别危险性:其蒸气与空气可形成爆炸性混合物,遇明火、高热能引起燃烧爆炸。与氧化剂接触发生猛烈反应。燃烧生成有害的一氧化碳灭火注意事项及防护措施:灭火注意事项及防护措施消防人员须佩戴防毒面具、穿全身消防服,在上风向灭火。尽可能将容器从火场移至空旷处。喷水保持火场容器冷却,直至灭火结束。容器突然发出异常声音或出现异常现象,应立即撤离泄漏应急处理作业人员防护措施、防护

6、装备和应急处置程序:根据液体流动和蒸气扩散的影响区域划定警戒区,无关人员从侧风、上风向撤离至安全区。消除所有点火源。建议应急处理人员戴正压自给式呼吸器,穿防腐蚀、防毒服,戴橡胶手套。作业时使用的所有设备应接地。尽可能切断泄漏源环境保护措施:防止泄漏物进入水体、下水道、地下室或有限空间泄漏化学品的收容、清除方法及所使用的处置材料:小量泄漏:用砂土或其他不燃材料吸收,使用洁净的无火花工具收集吸收材料。大量泄漏:构筑围堤或挖坑收容。用抗溶性泡沫覆盖,减少蒸发。喷水雾能减少蒸发,但不能降低泄漏物在有限空间内的易燃性。用砂土、惰性物质或蛭石吸收大量液体。用亚硫酸氢(NaHSO3)中和。用耐腐蚀泵转移至槽

7、车或专用收集器内。喷雾状水驱散蒸气、稀释液体泄漏物操作处置与储存操作注意事项:密闭操作,提供充分的局部排风。操作人员必须经过专门培训,严格遵守操作规程。建议操作人员佩戴自吸过滤式防毒面具(全面罩),穿橡胶耐酸碱服,戴橡胶手套。远离火种、热源。工作场所严禁吸烟。使用防爆型的通风系统和设备。防止蒸气泄漏到工作场所空气中。避免与氧化剂、酸类、碱类接触。搬运时要轻装轻卸,防止包装及容器损坏。配备相应品种和数量的消防器材及泄漏应急处理设备。倒空的容器可能残留有害物储存注意事项:储存于阴凉、通风的库房。远离火种、热源。包装要求密封,不可与空气接触。应与氧化剂、酸类、碱类分开存放,切忌混储。采用防爆型照明、

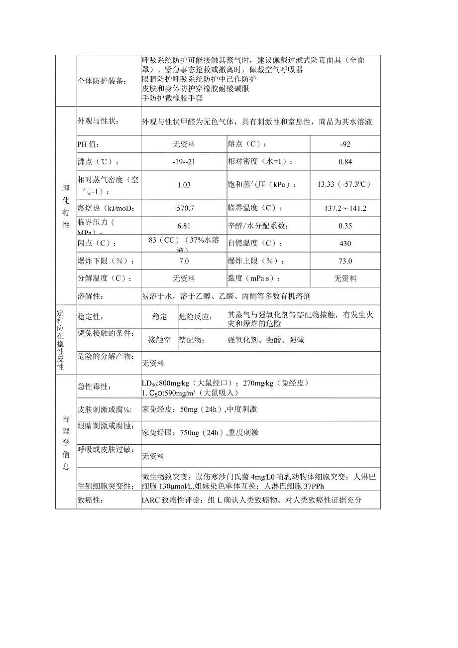
8、通风设施。禁止使用易产生火花的机械设备和工具。储区应备有泄漏应急处理设备和合适的收容材料接触控制/个体防护职业接触限值:中国MAC:0.5mgn敏G1美国(ACGlH)TLV-C:0.3ppm敏生物接触限值:未制定标准监测方法:空气中有毒物质测定方法:酚试剂分光光度法生物监测检验方法:未制定标准工程控制:严加密闭,提供充分的局部排风。提供安全的淋浴和洗眼设备个体防护装备:呼吸系统防护可能接触其蒸气时,建议佩戴过滤式防毒面具(全面罩)。紧急事态抢救或撤离时,佩戴空气呼吸器眼睛防护呼吸系统防护中已作防护皮肤和身体防护穿橡胶耐酸碱服手防护戴橡胶手套理化特性外观与性状:外观与性状甲醛为无色气体,具有刺

9、激性和窒息性,商品为其水溶液PH值:无资料熔点(C):-92沸点():-19-21相对密度(水=1):0.84相对蒸气密度(空气=1):1.03饱和蒸气压(kPa):13.33(-57.30C)燃烧热(kJmoD:-570.7临界温度(C):137.2141.2临界压力(MPa):6.81辛醉/水分配系数:0.35闪点(C):83(CC)(37%水溶液)自燃温度(C):430爆炸下限():7.0爆炸上限():73.0分解温度(C):无资料黏度(mPas):无资料溶解性:易溶于水,溶于乙醇、乙醛、丙酮等多数有机溶剂定和应在稳性反性稳定性:稳定危险反应:其蒸气与强氧化剂等禁配物接触,有发生火灾和爆

10、炸的危险避免接触的条件:接触空禁配物:强氧化剂、强酸、强碱危险的分解产物:无资料毒理学信息急性毒性:LD50:800mgkg(大鼠经口);270mgkg(兔经皮)1.C5o:590mgm3(大鼠吸入)皮肤刺激或腐:家兔经皮:50mg(24h),中度刺激眼睛刺激或腐蚀:家兔经眼:750ug(24h),重度刺激呼吸或皮肤过敏:无资料生殖细胞突变性:微生物致突变:鼠伤寒沙门氏菌4mgL0哺乳动物体细胞突变:人淋巴细胞130molL.姐妹染色单体互换:人淋巴细胞37PPh致癌性:IARC致癌性评论:组L确认人类致癌物。对人类致癌性证据充分生殖毒性大鼠孕后l21d经口给予最低中毒剂量(TDLo)168m

11、gkg,致肝胆管系统发育畸形。小鼠孕后714d腹腔内给予最低中毒剂量(TDLo)240mgkg,致颅面部(包括鼻、舌)、肌肉骨骼系统发育畸形。大鼠孕后l21d腹腔内给予最低中毒剂量(TDLO)IO.5mgkg,致肝胆管系统、泌尿生殖系统、呼吸系统发育畸形。大鼠经口最低中毒剂量(TDLo):200mgkg(Id,雄性),对精子生存有影响。大鼠吸入最低中毒浓度(TCLo):12gm3(24h)(孕l22d),引起新生鼠生化和代谢改变特异性靶器官系统毒性一次接触:无资料吸入危害:无资料特异性靶器官系统毒性-反复接触:大鼠吸入5070mgm3,每天Ih,每周3d,35周,发现气管及支气管基底细胞增生及

12、生化改变生态学信息生态毒性:LC50:967200mgL(96h)(鱼)EC50:2mgL(48h)(水蚤)IC5o:039-14mgL(72h)(藻类)持久性和降解性:生物降解性好氧生物降解(h):4168;厌氧生物降解(h):96672非生物降解性水相光解半衰期(h):L256;水中光氧化半衰期(h):48131.9105;空气中光氧化半衰期(h):7.1371.3潜在的生物累积性:根据KOW值预测,该物质的生物累积性可能较弱土壤中的迁移性:根据KoC值预测,该物质可能易发生迁移废弃处置废弃化学品:用焚烧法处置污染包装物:将容器返还生产商或按照国家和地方法规处置废弃注意事项:处置前应参阅国

13、家和地方有关法规运输信息联合国危险货物编号(UN号):1198(易燃);2209(不易燃,甲醛含量不低于25%)联合国运输名称:甲醛溶液联合国危险性类别:3/8(易燃),8(不易燃,甲醛含量不低于25%)包装类别:HI类包装包装标志:海洋污染物:fl运输注意事项:本品铁路运输时限使用铝制企业自备罐车装运,装运前需报有关部门批准。起运时包装要完整,装载应稳妥。运输过程中要确保容器不泄漏、不倒塌、不坠落、不损坏。运输时所用的槽(罐)车应有接地链,槽内可设孔隔板以减少震荡产生静电。严禁与氧化剂、酸类、碱类、食用化学品等混装混运。运输车辆应配备相应品种和数量的消防器材及泄漏应急处理设备。公路运输时要按规定路线行驶,勿在居民区和人口稠密区停留下列法律、法规、规章和标准,对该化学品的管理作了相应的规定。中华人民共和国职业病防治法职业病分类和目录:未列入法规信息危险化学品安全管理条例危险化学品目录:列入。易制爆危险化学品名录:未列入。重点监管的危险化学品名录:未列入。GB18218-2018危险化学品重大危险源辨识(表1):未列入使用有毒物品作业场所劳动保护条例高毒物品目录:列入易制毒化学品管理条例易制毒化学品的分类和品种目录:未列入国际公约斯德哥尔摩公约:未列入。鹿特丹公约:未列入。蒙特利尔议定书:未列入

展开阅读全文
相关资源
猜你喜欢
相关搜索

当前位置:首页 > 办公文档 > 说明文书

copyright@ 2008-2023 1wenmi网站版权所有

经营许可证编号:宁ICP备2022001189号-1

本站为文档C2C交易模式,即用户上传的文档直接被用户下载,本站只是中间服务平台,本站所有文档下载所得的收益归上传人(含作者)所有。第壹文秘仅提供信息存储空间,仅对用户上传内容的表现方式做保护处理,对上载内容本身不做任何修改或编辑。若文档所含内容侵犯了您的版权或隐私,请立即通知第壹文秘网,我们立即给予删除!