电缆允许载流量一览表.docx

上传人:p** 文档编号:710103 上传时间:2024-01-20 格式:DOCX 页数:1 大小:16.02KB
下载 相关 举报
电缆允许载流量一览表.docx_第1页
第1页 / 共1页
亲,该文档总共1页,全部预览完了,如果喜欢就下载吧!
资源描述

《电缆允许载流量一览表.docx》由会员分享,可在线阅读,更多相关《电缆允许载流量一览表.docx(1页珍藏版)》请在第壹文秘上搜索。

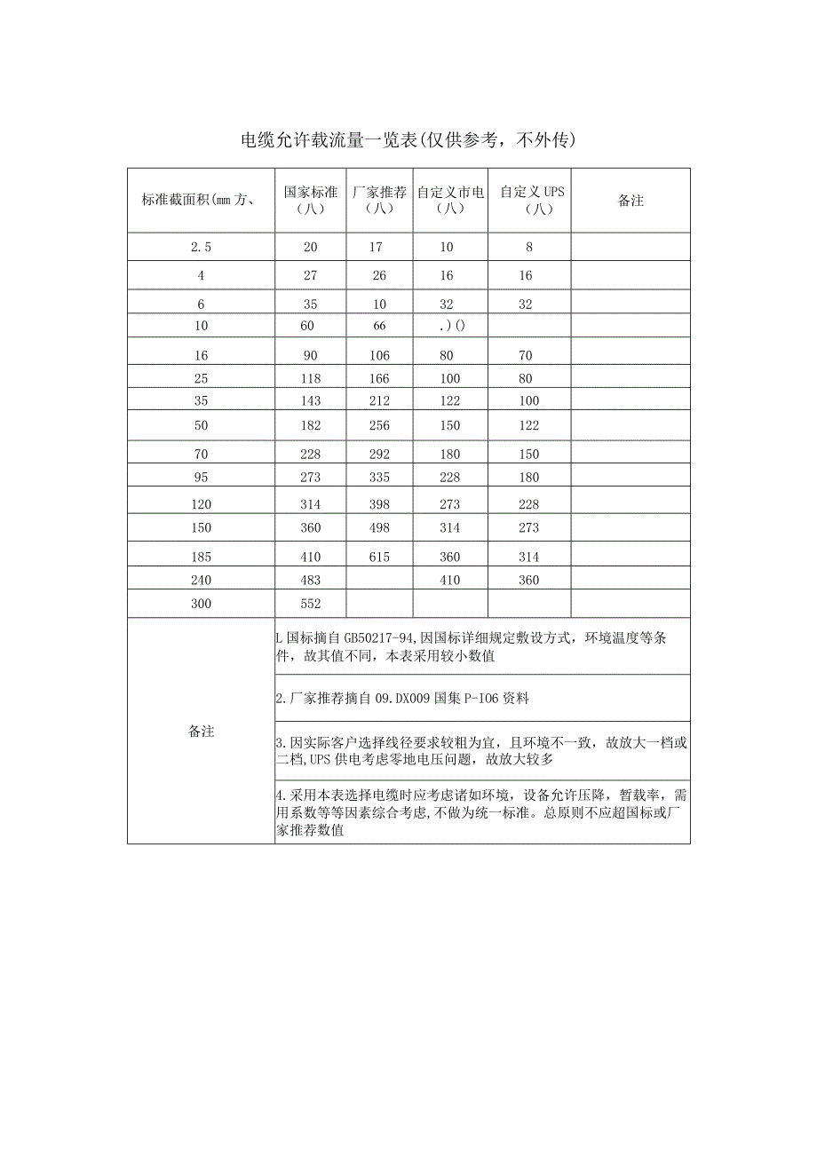
电缆允许载流量一览表(仅供参考,不外传)标准截面积(mm方、国家标准(八)厂家推荐(八)自定义市电(八)自定义UPS(八)备注2.52017108427261616635103232106066.)()16901068070251181661008035143212122100501822561501227022829218015095273335228180120314398273228150360498314273185410615360314240483410360300552备注L国标摘自GB50217-94,因国标详细规定敷设方式,环境温度等条件,故其值不同,本表采用较小数值2.厂家推荐摘自09.DX009国集P-IO6资料3.因实际客户选择线径要求较粗为宜,且环境不一致,故放大一档或二档,UPS供电考虑零地电压问题,故放大较多4.采用本表选择电缆时应考虑诸如环境,设备允许压降,暂载率,需用系数等等因素综合考虑,不做为统一标准。总原则不应超国标或厂家推荐数值

展开阅读全文
相关资源
猜你喜欢
相关搜索

当前位置:首页 > 通信/电子 > 数据通信与网络

copyright@ 2008-2023 1wenmi网站版权所有

经营许可证编号:宁ICP备2022001189号-1

本站为文档C2C交易模式,即用户上传的文档直接被用户下载,本站只是中间服务平台,本站所有文档下载所得的收益归上传人(含作者)所有。第壹文秘仅提供信息存储空间,仅对用户上传内容的表现方式做保护处理,对上载内容本身不做任何修改或编辑。若文档所含内容侵犯了您的版权或隐私,请立即通知第壹文秘网,我们立即给予删除!