高层建筑用钢355EMZ韧性和焊接性.docx

上传人:p** 文档编号:714234 上传时间:2024-01-20 格式:DOCX 页数:1 大小:15.45KB
下载 相关 举报
高层建筑用钢355EMZ韧性和焊接性.docx_第1页
第1页 / 共1页
亲,该文档总共1页,全部预览完了,如果喜欢就下载吧!
资源描述

《高层建筑用钢355EMZ韧性和焊接性.docx》由会员分享,可在线阅读,更多相关《高层建筑用钢355EMZ韧性和焊接性.docx(1页珍藏版)》请在第壹文秘上搜索。

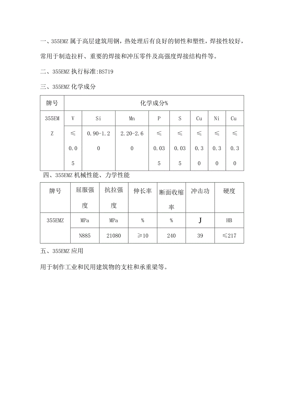
一、355EMZ属于高层建筑用钢,热处理后有良好的韧性和塑性,焊接性较好,常用于制造拉杆、重要的焊接和冲压零件及高强度焊接结构件等。二、355EMZ执行标准:BS719三、355EMZ化学成分牌号化学成分%355EMVSiMnPSCuNiCuZ0.90-1.22.20-2.60.0000.030.030.30.30.3555000四、355EMZ机械性能、力学性能牌号屈服强度抗拉强度伸长率断面收缩率冲击功硬度355EMZMPaMPa%JHBN885210801024039217五、355EMZ应用用于制作工业和民用建筑物的支柱和承重梁等。

展开阅读全文
相关资源
猜你喜欢
相关搜索

当前位置:首页 > 高等教育 > 工学

copyright@ 2008-2023 1wenmi网站版权所有

经营许可证编号:宁ICP备2022001189号-1

本站为文档C2C交易模式,即用户上传的文档直接被用户下载,本站只是中间服务平台,本站所有文档下载所得的收益归上传人(含作者)所有。第壹文秘仅提供信息存储空间,仅对用户上传内容的表现方式做保护处理,对上载内容本身不做任何修改或编辑。若文档所含内容侵犯了您的版权或隐私,请立即通知第壹文秘网,我们立即给予删除!