建筑塔吊附墙、顶升加节方案.docx

上传人:p** 文档编号:721203 上传时间:2024-01-23 格式:DOCX 页数:13 大小:169.15KB
下载 相关 举报
建筑塔吊附墙、顶升加节方案.docx_第1页
第1页 / 共13页
建筑塔吊附墙、顶升加节方案.docx_第2页
第2页 / 共13页
建筑塔吊附墙、顶升加节方案.docx_第3页
第3页 / 共13页
建筑塔吊附墙、顶升加节方案.docx_第4页
第4页 / 共13页
建筑塔吊附墙、顶升加节方案.docx_第5页
第5页 / 共13页
建筑塔吊附墙、顶升加节方案.docx_第6页
第6页 / 共13页
建筑塔吊附墙、顶升加节方案.docx_第7页
第7页 / 共13页
建筑塔吊附墙、顶升加节方案.docx_第8页
第8页 / 共13页
建筑塔吊附墙、顶升加节方案.docx_第9页
第9页 / 共13页
建筑塔吊附墙、顶升加节方案.docx_第10页
第10页 / 共13页
亲,该文档总共13页,到这儿已超出免费预览范围,如果喜欢就下载吧!
资源描述

《建筑塔吊附墙、顶升加节方案.docx》由会员分享,可在线阅读,更多相关《建筑塔吊附墙、顶升加节方案.docx(13页珍藏版)》请在第壹文秘上搜索。

1、理想城市花园十期限17#、18#房工程QTZ63型塔吊安装附墙(顶升)施工专项方案工程概况:工程名称:理想城市花园十期限17#、18#房工程工程地址:惠山大道东首,南汇路以北建筑面积:49600平方建设单位:无锡融创城市建设施工单位:江苏建业建设集团监理单位:无锡五洲工程建设监理工程简况:“华盛苑69#安置房位于无锡市锡南路和立信路交叉口。华盛苑6-9#建筑面积约7391911由4幢住宅楼组成。地下一层,车库组成面积约26507.8411地上有33层26层,8#、9#房是一个单元,6#房有二个单元组成,7#房有三个单元组成,每个单元均设楼梯及电梯。建筑层高为2.9m。因6、7、8、9#房负责垂

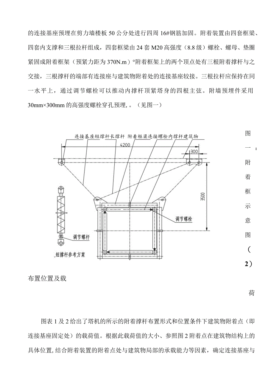
2、直运输的塔吊,使用高度超过了自由高度,必须进行附墙顶升。为了顺利顶升附着塔吊,保证设备及人身平安,特制定本附着顶升方案。二:编制依据: QTZ40塔吊使用说明书(上海市吴淞建筑机械厂编制) 塔吊平安技术操作规程 施工现场平面布置塔式起重机的安装位置及平面布置三:塔吊附着位置确定(1)附着组成:6、8#房建筑最大高度为83.20米,根据使用说明书,设五道附墙,附墙的连接基座预埋在剪力墙楼板50公分处进行四周16#钢筋加固。附着装置由四套框梁、四套内支撑和三根拉杆组成,四套框梁由24套M20高强度(8.8级)螺栓、螺母、垫圈紧固成附着框架(预紧力距为370N.m)附着框架上的两个顶点处有三根附着撑

3、杆与之交接,三根撑杆的端部有连接座与建筑物附着处的连接基座较接。三根拉杆应保持在同一水平上,通过调节螺栓可以推动内撑杆顶紧塔身的四根主弦。附墙预埋件采用30mm300mm的高强度螺栓穿孔预埋,。(见图一)连接基座短撑杆长撑杆 附着框梁连接螺栓内撑杆建筑物图一:附着框示意图(2)布置位置及载荷图表1及2给出了塔机的所示的附着撑杆布置形式和位置条件下建筑物附着点(即连接基座固定处)的载荷值。根据此载荷值的大小、参照图2附着点在建筑物结构上的具体位置,结合附着装置的附着点处与建筑物局部的承载能力等因素,确定连接基座与建筑物的连接固定方式和局部混凝土钢筋结构处理方式。图二:附着的工况、力矩(3)附着位

4、置确定:第一道附着在标高为20米的7层底板剪力墙50Cm内预埋钢管框架,剪力墙周边用中16钢筋焊接加固,附着框上塔身悬出段3.5米,共用17个标准节,塔机的最大工作高度为42.5米;第二道附着在标高为35米的10.11层底板剪力墙50Cm内预埋钢管框架,剪力墙周边用16钢筋焊接加固,附着框上塔身悬出段3.5米,共用23个标准节,塔机的最大工作高度为57.5米;第三道附着在标高为50米的17、18层底板剪力墙50Cm内预埋钢管框架,剪力墙周边用16钢筋焊接加固,附着框上塔身悬出段3.5米,共用29个标准节;塔机的最大工作高度为72.5米。第四道附着在标高为65米的21层底板剪力墙50Cm内预埋钢

5、管框架,剪力墙周边用中16钢筋焊接加固,附着框上塔身悬出段3.5米,共用32个标准节;塔机的最大工作高度为80米。第五道附着在标高为77.4米的25层底板剪力墙50Cm内预埋钢管框架,剪力墙周边用16钢筋焊接加固,附着框上塔身悬出段3.5米,共用35个标准节;塔机的最大工作高度为87.5米。图三:附着位置示意图四、安装拉杆及技术要求:1)先将附着框架套在塔身上,并通过四根内撑杆将塔身的四根主弦杆顶紧;通过销轴将附着撑杆的一端与附着框架连接,另一端与固定在建筑物上的连接基座连接。2)每道附着架的三根附着撑杆应尽量处于同一水平上。但在安装附着框架和内撑杆时,如假设与标准节的某些部位干预,可适当升高

6、或降低内撑杆的安装高度;3)安装时应当用经纬仪检查塔身轴线的垂直度,悬出段以上其偏差不得大于塔身全高的3/1000,悬出段以下其偏差不得大于塔身全高的1/1000,允许用调节附着撑杆的长度来到达;4)附着撑杆与附着框架,连接基座,以及附墙框架与塔身、内撑杆的连接必须可靠。内撑杆应可靠的将塔身主弦杆顶紧,各连接螺栓应紧固调整好后,开口销必须按规定充分张开,运行后应经常检查有否松动并及时进行调整。五、顶升加节步骤1)顶升前的准备:a.按液压泵站要求给其油箱加油;b.清理各个标准节,在塔身节连接套内涂上黄油,将待顶升加高用的标准节在顶升位置时的起重臂下排成一排,这样能使塔机在整个顶升加节过程中不用回

7、转机构,能使在整个顶升过程中所用的时间最短;c.放松电缆线的长度略大于总的顶升高度,并紧固好电缆;d.将起重臂旋转至爬升架前方,平衡臂处于爬升架的前方(顶升油缸正好位于平衡臂下);e.在引进平台上准备好引进轮及标准节。2)、顶升前塔机配平:a.塔机配平前,必须先将载重小车运行到图4所示的配平参考位置,并吊起标准节或其他重物(表中载重小车的位置是个近似值,顶升时还必须根据实际情况的需要调整)。然后撤除下支座四个支腿与标准节的连接螺栓;b.将液压顶升系统操作杆推向顶升方向,使爬升架顶升至下支座支腿刚刚脱离塔身的主弦杆的位置;图四:顶升配平示意图C.通过检查下支座支腿与塔身标准节主弦杆是否在同一垂直

8、线上,并观察爬升架8个导轮与塔身主弦杆间隙是否根本相同来检查塔机是否平衡脸。略微调整小车的配平位置直至平衡。使得塔机上部重心落在顶升油缸梁上;d.记录小车的位置。但要注意该位置随着起重臂的长度不同而改变;已操作液压系统使爬升架下降,连接好下支座和塔身节间的连接螺栓。3)顶升作业:a.将一节标准节吊至顶升爬升架引进横梁的正上方,在标准节下端安装上四只引进轮,缓慢落下吊钩,使装在标准节上的引进轮比拟适宜的落在引进横梁上,然后摘下吊钩;b.再吊一节标准节,将载重小车开至顶升平衡位置。c.使用回转机构上的回转制动,将塔机上部机构处于制动状态;d.卸下塔身顶部与下支座连接的8个螺栓。e.开动液压顶升系统

9、,使油缸活塞杆伸出,将顶升横梁两端的销轴放入距顶升横梁最近的塔身节踏步的圆弧槽内并顶紧?(要设专人负责观察)确认无误后继续顶升,将爬升架及其他以上局部顶起1050mm时停止,检查顶升横梁等爬升架传动部件是否有异响、变形、油缸活塞杆是否自动回缩等异常现象,确认正确后,继续顶升;顶起略超过半个塔身节高度并使爬升架上的活动爬爪滑过一对踏步并自动复位后,停止顶升,并回收油缸,使活动爬爪搁在顶升横梁所顶踏步的上一对踏步上。确认两个活动爬爪全部准确的压在踏步顶端并承受住爬升架及其他上局部的重量,且无局部变形、异常情况后,将油缸活塞全部缩回,提起顶升横梁,重新使顶升横梁顶在爬爪所搁的踏步的圆弧槽内,在次伸出

10、油缸,将塔机上部结构,再顶起略超过半个塔身节高度,此时塔身上方恰好有能装入一个标准节的空间,将爬升架引进平台上的标准节拉进至塔身正上方,稍微缩回油缸,将新引进的标准节落在塔身顶部并对正,卸下引进轮,用8颗M30的高强度螺栓将上下标准节连接牢靠(预紧力矩1400N.m)of再次缩回油缸,将下支座落在新的塔身顶部上,并对正,用8件高强度螺栓将下支座与塔身连接牢靠,完成一节标准节的加节后可按照以上步骤重复操作,即可完成所要顶升的标准节。图五:顶升过程示意图六、顶升过程的考前须知:1)、塔机最高风速大于34级时,不得顶升作业。2)、顶升过程中必须保证起重臂与引入标准节的方向一致,并利用回转制动将起升臂

11、制动住,载重小车停在顶升配平位置。3)、假设要连续加高几节标准节,那么每加完一节后,用塔机自身吊下一节标准节前,塔身各主弦杆和下支座必须有8个高强度螺栓连接,唯有在这种情况下允许每根螺栓只上一个螺母。4)、所加标准节上的踏步,必须与已有的标准节对正。5)、在下支座与塔身没有用M30螺栓连接好之前,严禁起重臂回转、载重小车变幅和吊装作业。6)、在顶升过程中,假设油压系统出现异常时,应立即停止顶升,回缩油缸,将下支座落在塔身顶部,并用8件M30高强度螺栓将下支座与塔身连接牢靠后,再排除液压系统的故障。7)顶升加节到所需高度(不超过相关标准)后,应旋转起重臂至不同的角度,检查塔身各个连接处、根底支脚

12、和附着拉杆各个部件的紧固情况。七、附着式塔式起重机附墙之间的距离及悬出段相关参数1、 第一道附着:附着架以下的塔身高度hl(固定式含根底节高度)18(m)=hl=31m即第一道附着架以下的塔身节数nl为:6.4Fl=IL1。附着架以上塔身悬高h(kh=35(m),即附着架以上塔身节数:n=l2.5。2、 第二道或第二道以上附着:(1)、两道附着架之间的距离h2:15(m)=h2=26(m),即两道附着架之间的塔身节数n2为:5.4=n2=9.3(2)、附着架以上塔身的高度hO:工作高度h=100m时,与图五中的一致,工作高度h100m时,需少加一节:即附着架以上塔身节数:n0=11.5o图六:

13、塔机参数图八、组织机构(人员及职责):塔吊工:罗素清电工:黄海关键部位操作人员分工:机上指挥:邹进:负责机上安装指挥顶升油泵司机:邹进负责塔吊在顶升时,正确操作油泵塔吊司机文付刚负责顶升过程中,塔吊的操作陈国林、文付国、文武负责顶升过程中四个角的作业。总包单位工程部负责人:王应强负责施工现场协调等总包单位工程部平安员:王忠孝负责拆卸现场警戒、标识,防止非作业人员进入作业区域;九:塔吊附着计算塔机安装位置至建筑物距离超过使用说明规定,需要增长附着杆或附着杆与建筑物连接的两支座间距改变时,需要进行附着的计算。主要包括附着杆计算、附着支座计算和锚固(一):支座力计算塔机按照说明书与建筑物附着时,最上

14、面一道附着装置的负荷最大,因此以此道附着杆的负荷作为设计或校核附着杆截面的依据。附着式塔机的塔身可以视为一个带悬臂的刚性支撑连续梁,其内力及支座反力计算如下:WK=WoXRXsXBz其中W0根本风压(Knm2),安装建筑结构荷载标准(GBJ9)的规定采用:W0=O.75kNm2;p风荷载高度变化系数,按照建筑结构荷载标准(GBJ9)的规定采用:z=l.170;风荷载体型系数:IIS=0.065:z-高度Z处的风振系数,z=0.70风荷载的水平作用力N尸WKXBXKs其中Wk风荷载水平压力,W=0.04kNm2B塔吊作用宽度,B=0.OOmKs迎风面积折减系数,Ks=O.20经计算得到风荷载的水

15、平作用力q=0.00kNm风荷载实际取值q=0.03kNm塔吊的最大倾覆力矩M=2358kN.m风荷载取值q=0.10kNm塔吊的最大倾覆力矩M=1335kN.m计算结果:Nw=75.35IkN(二):附着杆内力计算计算简图:计算单元的平衡方程为:其中:本工程塔吊计算参数为:C=I.60米,bl=8.50米,a2=910米(三):第一种工况的计算塔机满载工作,风向垂直于起重臂,考虑塔身在最上层截面的回转惯性力产生的扭矩和风荷载扭矩。将上面的方程组求解,其中e从0-360循环,分别取正负两种情况,分别求得各附着最大的轴压力和轴拉力:杆1的最大轴向压力为:259.23kN杆2的最大轴向压力为:204.32kN杆3的最大轴向压力为:132.65kN杆1的最大轴向拉力为:259.23kN杆2的最大轴向拉力为:204.32kN杆3的最大轴向拉力为:132.65kN(四):第二种工况的计算塔机非工作状态,风向顺着起重臂,不考虑扭矩的影响。将上面的方程组求解,其中6=45,135,225,315,Mw=O,分别求得各附着最大的轴压力和轴拉力。杆1的最大轴向压力为:62.33kN杆2的最大

展开阅读全文
相关资源
猜你喜欢
相关搜索

当前位置:首页 > 建筑/环境 > 设计及方案

copyright@ 2008-2023 1wenmi网站版权所有

经营许可证编号:宁ICP备2022001189号-1

本站为文档C2C交易模式,即用户上传的文档直接被用户下载,本站只是中间服务平台,本站所有文档下载所得的收益归上传人(含作者)所有。第壹文秘仅提供信息存储空间,仅对用户上传内容的表现方式做保护处理,对上载内容本身不做任何修改或编辑。若文档所含内容侵犯了您的版权或隐私,请立即通知第壹文秘网,我们立即给予删除!