校园消防安全月排查记录表学年度.docx

上传人:p** 文档编号:722702 上传时间:2024-01-23 格式:DOCX 页数:3 大小:24.38KB
下载 相关 举报
校园消防安全月排查记录表学年度.docx_第1页
第1页 / 共3页
校园消防安全月排查记录表学年度.docx_第2页
第2页 / 共3页
校园消防安全月排查记录表学年度.docx_第3页
第3页 / 共3页
亲,该文档总共3页,全部预览完了,如果喜欢就下载吧!
资源描述

《校园消防安全月排查记录表学年度.docx》由会员分享,可在线阅读,更多相关《校园消防安全月排查记录表学年度.docx(3页珍藏版)》请在第壹文秘上搜索。

1、校园消防安全月排查记录表(学年度)部门(单位):排查日期:序号项目检查内容检查结果备注1楼栋基础设施建设(各部门、各单位适用)L走廊、楼梯(1)是否保持走廊、楼梯通畅无杂物堆积;是否(2)是否有学生趴在走廊栏杆上;是口否(3)是否有人从楼上高空抛物扔东西。.是口否2.楼顶(1)楼顶是否存在堆积物、有杂草杂物,有可能坠落的物体;是口否(2)是否有开裂、塌陷、漏水、下水口阻塞等现象,是口否(3)通往楼顶的通道是否设有防止学生进入的管理措施和安全警示。.口是口否3.亮砖、地面(1)楼梯地面有无裂殴、踏步有无损失;口是口否(2)防滑砖、防滑条有无脱落;口是口否(3)费砖是否脱落、松动、开裂破损有棱角等

2、情况。是口否4.门窗(1)门窗是否牢固,玻璃是否存在松动、掉落、摇晃、开裂、开启不畅等现象;.是口否(2)下课后是否关灯关门窗。是口否5.用电、用水(1)教室、楼梯、走廊、过道、通道口、卫生间等水电设备是否正常运作;.是口否(2)架空层是否有电动自行车违规充电。.口是口否(3)是否违章使用明火、用电、用气和大功率电器是否(4)是否存在堆放易燃易爆物品口是口否(5)是否私拉乱接电线是口否(6)是否占用消防通道、遮挡消防设施是口否6.张贴提醒标志(1)是否张贴楼栋楼层疏散示意图、室外疏散区示意图;两层以上楼层应张贴楼栋、本层示意图;.口是口否(2)通道口、楼门口处的“安全出口”标志是否完好无损;口

3、是口否(3)在较滑的地方是否设立防滑标志;是口否(4)开水房、电热水、空调、灭火器、消防栓等设施是口否设备是否张贴醒目的用电用水安全提示O.7.消防安全L应急照明设施、应急疏散指示灯、安全出口、消防栓、灭火器等应急、消防、通讯、报警、设施是否齐全、可以正常使用;.是口否2.灭火器是否足量配备、在明显和便于取用的地点放置灭火器、张贴灭火器操作示意图;.口是否3.灭火器、消防栓是否按期月、年检,灭火器压力表指示在绿区(合格);灭火器合格证应是否在有效期内;是口否4.楼梯口和走廊过道等消防与安全逃生通道是否通畅,无堆积杂物等影响消防疏散的通畅。.口是口否8.电气安全电路设施是否完好是否场所照明是否正

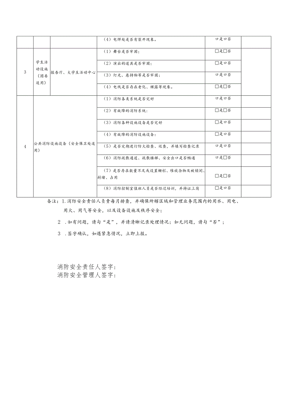
4、常是口否道路路灯是否照亮口是口否线路是否短路是否线头是否裸露是口否是否存在隙患是口否2体育设施(体育与健康学院适用)L篮球架、排球架、足球门架、单双杠等器材(1)篮球架、排球架、足球门架、单杠、双杠、肋木、计时台、爬杆等器材的支柱、臂柱、立柱等是否较严重生锈腐蚀、损坏、开裂、断裂等现象;.是口否(2)螺丝是否有松动现象;是否(3)底座或植埋处是否牢固扎实;是口否(4)电焊处是否有裂开现象:口是口否(5)器材是否有明显晃动现象;口是口否(6)篮球架篮图是否存在较严重的塌落及松动现象;是口否(7)篮球架篮板是否有较严重裂开或晃动现象。是口否2.室外好乓球台,定期排查及处置台账(1)室外乒乓球台台面

5、是否有严重晃动;口是口否(2)底座处是否牢固扎实。是口否3.运动场地围护网(1)运动场地围护网支柱、臂柱、立柱等是否有较严重生锈腐蚀、损坏、开裂、断裂等现象;是口否(2)螺丝是否有松动现象;是口否(3)底座或植埋处是否牢固扎实;是口否(4)电焊处是否有裂开现象。口是口否3学生活动设施(团委适用)报告厅、大学生活动中心(1)舞台是否牢固;是否(2)演出的道具是否牢固;是口否(3)灯光、悬持物等是否牢固;口是口否(4)电线是否存在老化、裸露等现象。是否4公共消防设施设备(安全保卫处适用)(1)消防各类系统是否完好口是口否(2)有故障的消防系统:是否(3)消防各种设施设备是否完好是口否(4)有故障的消防设施设备:是口否(5)是否定期进行防火检查、巡查,并填写检查记录口是口否(6)消防疏散通道、疏散楼梯、安全出口是否畅通口是否(7)是否存在数量不足或设置栅栏、堆放杂物及被锁闭、封堵、占用是否(8)消防控制室值班人员是否经过培训,并持证上岗是口否备注:1.消防安全责任人负责每月排查,并确保所辖区域和管理业务范围内的用水、用电、用火、用气等安全,以及设备设施及秩序安全;2 .如有问题,请勾“是”,并请清晰记录处理情况;如无问题,请勾“否”;3 .签字确认,如遇紧急情况,立即上报。消防安全责任人签字:消防安全管理人签字:

展开阅读全文
相关资源
猜你喜欢
相关搜索

当前位置:首页 > 办公文档 > 统计图表

copyright@ 2008-2023 1wenmi网站版权所有

经营许可证编号:宁ICP备2022001189号-1

本站为文档C2C交易模式,即用户上传的文档直接被用户下载,本站只是中间服务平台,本站所有文档下载所得的收益归上传人(含作者)所有。第壹文秘仅提供信息存储空间,仅对用户上传内容的表现方式做保护处理,对上载内容本身不做任何修改或编辑。若文档所含内容侵犯了您的版权或隐私,请立即通知第壹文秘网,我们立即给予删除!