长春市2022年烟花爆竹产品质量监督抽查实施细则.docx

上传人:p** 文档编号:73854 上传时间:2022-12-15 格式:DOCX 页数:3 大小:20.33KB
下载 相关 举报
长春市2022年烟花爆竹产品质量监督抽查实施细则.docx_第1页
第1页 / 共3页
长春市2022年烟花爆竹产品质量监督抽查实施细则.docx_第2页
第2页 / 共3页
长春市2022年烟花爆竹产品质量监督抽查实施细则.docx_第3页
第3页 / 共3页
亲,该文档总共3页,全部预览完了,如果喜欢就下载吧!
资源描述

《长春市2022年烟花爆竹产品质量监督抽查实施细则.docx》由会员分享,可在线阅读,更多相关《长春市2022年烟花爆竹产品质量监督抽查实施细则.docx(3页珍藏版)》请在第壹文秘上搜索。

1、长春市2022年烟花爆竹产品质量监督抽查实施细则1抽样方法以随机抽样的方式在被抽样生产者、销售者的待销产品中抽取。随机数一般可使用随机数表等方法产生。成箱产品,按表1中规定的样本量数的50%以上确定开箱检查数,再在所开箱中随机抽取样本;散装产品按分群随机方法抽样;抽取样本应尽最大可能分散抽取。检验样品数量按GB/T10632-2014烟花爆竹抽样检查规则的规定执行,同时抽取同等数量的备用样品。抽取样品后,由抽样人员签封。封样时,应当有防拆封措施,以保证样品的真实性,检验样品及备份样品应分别封样。表1一般产品抽取样品数量批量范围N500501-10001001-20002000样本量n58101

2、3表2爆竹类产品抽取样品数量批量范围Y(挂、卷)样本量n(挂、卷)W50响/(挂、卷)51-500响/(挂、卷)501-2000响/(挂、卷)2000响/(挂、卷)5008654501-1000108641000-200013108520001312106表3组合烟花类产品抽取样品数量批量范围N(个)样本量n/个组合发数(发/个)2021-5050单筒内径(mm)3030303030W3050056454450100067564510017867562检验依据表4组合烟花序号检验项目检验方法1标志、包装运输包装标志GB10631-2013GB19593-20152销售包装标志GB10631-2

3、013GB19593-20153包装GB10631-20134外观GB10631-2013GB19593-20155部件引燃装置引火线GB10631-20136引火线牢固性GB10631-20137引燃时间GB19593-2015GB10631-20138结构与材质GB10631-2013GB19593-20159主体稳定性GB10631-2013GB19593-201510药种、药量药种GB10631-201311药量GB10631-2013GB19593-201512燃放性能燃放缺陷GB10631-2013GB19593-201513漂浮物和雷弹检验GB10631-2013GB19593-

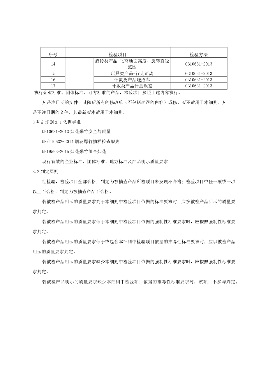
4、2015表5烟花爆竹产品(除组合烟花外)序号检验项目检验方法1标志GB10631-20132包装GB10631-20133外观GB10631-20134部件部件牢固性GB10631-20135引燃装置引火线GB10631-20136引火线牢固性GB10631-20137引燃时间GB10631-20138手持部位GB10631-20139结构与材质材质GB10631-201310固引剂碎片GB10631-201311药种GB10631-201312药量GB10631-201313燃放性能燃放缺陷GB10631-2013序号检验项目检验方法14旋转类产品-飞离地面高度、旋转直径范围GB10631-

5、201315玩具类产品-行走距离GB10631-201316计数类产品烧成率GB10631-201317计数类产品计量误差GB10631-2013执行企业标准、团体标准、地方标准的产品,检验项目参照上述内容执行。凡是注日期的文件,其随后所有的修改单(不包括勘误的内容)或修订版不适用于本细则。凡是不注日期的文件,其最新版本适用于本细则。3判定规则3.1依据标准GB10631-2013烟花爆竹安全与质量GB/T10632-2014烟花爆竹抽样检查规则GB19593-2015烟花爆竹组合烟花现行有效的企业标准、团体标准、地方标准及产品明示质量要求3.2判定原则经检验,检验项目全部合格,判定为被抽查产品所检项目未发现不合格;检验项目中任一项或一项以上不合格,判定为被抽查产品不合格。若被检产品明示的质量要求高于本细则中检验项目依据的标准要求时,应按被检产品明示的质量要求判定。若被检产品明示的质量要求低于本细则中检验项目依据的强制性标准要求时,应按照强制性标准要求判定。若被检产品明示的质量要求低于或包含本细则中检验项目依据的推荐性标准要求时,应以被检产品明示的质量要求判定。若被检产品明示的质量要求缺少本细则中检验项目依据的强制性标准要求时,应按照强制性标准要求判定。若被检产品明示的质量要求缺少本细则中检验项目依据的推荐性标准要求时,该项目不参与判定。

展开阅读全文
相关资源
猜你喜欢
相关搜索

当前位置:首页 > 行业资料 > 公共安全/安全评价

copyright@ 2008-2023 1wenmi网站版权所有

经营许可证编号:宁ICP备2022001189号-1

本站为文档C2C交易模式,即用户上传的文档直接被用户下载,本站只是中间服务平台,本站所有文档下载所得的收益归上传人(含作者)所有。第壹文秘仅提供信息存储空间,仅对用户上传内容的表现方式做保护处理,对上载内容本身不做任何修改或编辑。若文档所含内容侵犯了您的版权或隐私,请立即通知第壹文秘网,我们立即给予删除!