控制价编制说明.docx

上传人:p** 文档编号:745022 上传时间:2024-02-26 格式:DOCX 页数:7 大小:31.29KB
下载 相关 举报
控制价编制说明.docx_第1页
第1页 / 共7页
控制价编制说明.docx_第2页
第2页 / 共7页
控制价编制说明.docx_第3页
第3页 / 共7页
控制价编制说明.docx_第4页
第4页 / 共7页
控制价编制说明.docx_第5页
第5页 / 共7页
控制价编制说明.docx_第6页
第6页 / 共7页
控制价编制说明.docx_第7页
第7页 / 共7页
亲,该文档总共7页,全部预览完了,如果喜欢就下载吧!
资源描述

《控制价编制说明.docx》由会员分享,可在线阅读,更多相关《控制价编制说明.docx(7页珍藏版)》请在第壹文秘上搜索。

1、控制价编制说明工程名称:北海职工公寓改造提升项目一、工程概况工程地点:黄山风景区内北海员工宿舍二、招标范围业主指定范围内的内容。(黄山风景区北海员工宿舍内部装修改造以及部分未拆除部位的装饰面拆除;中庭雨棚基础及钢构部分的新建,其中不包含中庭室外景观内容;另本项目还包含了北海员工宿舍外立面、屋面、钢楼梯、阳光房等内容,具体详见招标文件、工程量清单)。三、编制依据1、北海职工公寓改造提升项目招标文件。2、设计图纸结合现场踏勘。3、建设工程工程量清单计价规范(GB5O5OO2O13)、2018版安徽省建设工程计价依据及安徽省建设工程工程量清单计价办法;4、主要材料价格参照2022年第4期黄山工程造价

2、黄山区税前单价;黄山区没有的参考屯溪区税前单价,信息价上没有的按市场价询价及业主定价折算成税前价计入。5、人工工日单价按定额人工单价执行,人工调整费用按当期黄山市信息价刊登人工价格信息内容执行;6、工程税金费率按安徽省造价20197号文件执行及按9%计算;7、措施费、规费、管理费和利润按清单计价规范安徽省建设工程费用定额执行,不可竞争费用按照建标202142号文内容执行。四、其它说明:1、为确保工程质量,主要材料进场前均必须报送样品,经业主和现场监理同意确定后方可进场,钢材采用马钢等国家特大型钢铁企.业品牌产品;水泥须采用海螺、精强、金童等大厂产品;其余材料参考品牌详见材料询价定价单;工程所采

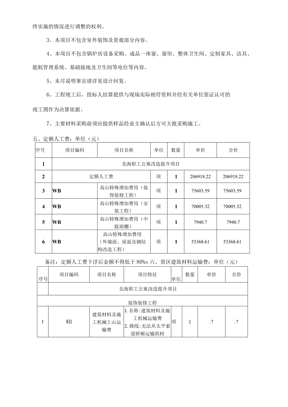
3、用的中粗砂、砌块材料考虑为甲供且运至施工现场(与屋面相关的中粗砂按照山下采购方案执行)。碎石考虑由山下采购。2、工程量实际施工中若发生变动,施工时应按有关规定据实签证,建设单位有按工程最终实施的情况进行调整的权利。3、本项目不包含室外装饰及景观部分内容。4、本项目不包含锅炉房设备采购、成品一体窗、窗帘、整体卫生间、定制家具、洁具、能耗管理系统、基础接地及卫生间等电位等内容。5、未尽说明事宜请详见设计回复。6、工程竣工后,投标人结算提供与现场实际相符资料并经有关单位签证认可的竣工图作为决算依据。7、主要材料采购前须应提供样品经业主确认后方可大批采购施工。五、定额人工费:单位(元)序号项目编码项目

4、名称单位数量单价合价1北海职工公寓改造提升项目2定额人工费项1206918.22206918.223WB高山特殊增加费用(装饰装修工程)项175603.5975603.594WB高山特殊增加费用(安装工程)项170005.3270005.325WB高山特殊增加费用(中庭雨棚)项17940.77940.76WB高山特殊增加费用(外墙面、屋面及钢结构改造工程)项153368.6153368.61备注:定额人工费下浮后金额不得低于80%o六、景区建筑材料运输费:单位(元)序号项目编码项目名称项目特征单位数量单价合价北海职工公寓改造提升项目装饰装修工程IWB建筑材料及施工机械上山运输费I.名称:建筑材

5、料及施工机械运输费2.路线:无法从太平索道轿厢运输的材项1.7.7料,按照南线全程人力运至北海公寓;可以从太平索道轿厢运输的,全部按北线的索道+人力运输。3.备注:含建筑材料山上肩运费、索道运输费、汽车运输费等4.单价包含建筑材料狮林大酒店至施工场地二次搬运费,约300米2WB拆除垃圾及施工机械下山运输费1 .名称:拆除垃圾及施工机械下山运输费2 .路线:索道+人力运输:北海公寓施工地点至山下3 .备注:含建筑材料山上肩运费、索道运输费等4 .单价包含拆除垃圾施工场地至狮林大酒店二次搬运费,约300米项1105535.6105535.6安装工程3WB建筑材料上山运输费1.名称:材料运输费2.路

6、线:无法从太平索道轿厢运输的材料,按照南线全程人力运至北海公寓;可以从太平索道轿厢运输的,全部按北线的索道+人力运输。3.备注:含建筑材料山上肩运费、索道运输费、汽车运输费等4.单价包含建筑材料狮林大酒店至施工场地二次搬运费,约300米项1630225.96630225.96中庭雨棚4WB建筑材料上山运输费1 .名称:材料运输费2 .路线:无法从太平索道轿厢运输的材料,按照南线全程人力运至北海公寓;可以从太平索道轿厢项1325226.91325226.91运输的,全部按北线的索道+人力运输。3 .备注:含建筑材料山上肩运费、索道运输费、汽车运输费等4 .单价包含建筑材料狮林大酒店至施工场地二次

7、搬运费,约300米外墙面、屋面及钢结构改造工程1 .名称:材料运输费2 .路线:无法从太平索道轿厢运输的材料,按照南线全程人力运至北海公寓;可以从太平索道轿厢5WB建筑材料上山运输费运输的,全部按北线的索道+人力运输。3 .备注:含建筑材料山上肩运费、索道运输费、汽车运输费等4 .单价包含建筑材料狮林大酒店至施工场地二次搬运费,约300米项1.62.6223小计项1.79.7924税金项1534540.58534540.5825合计项1.37.37七、暂定价:单位(元)序号项目编码项目名称项目特征单位数量单价合价北海职工公寓改造提升项目装饰装修工程I设备间地面改造1.备注:根据设备后期底板做法

8、深化,留定2万元/项项i2000020000安装工程1机柜、机架1、名称:弱电系统始端设备项150000500002、配置:根据专业公司二次深化设计而定3、说明:此项为暂定价2机柜、机架1、名称:监控系统始端设备2、配置:根据专业公司二次深化设计而定3、说明:此项为暂定价项150000500003出入口目标识别设备1、名称:门禁主机及联动2、配置:根据专业公司二次深化设计而定3、说明:此项为暂定价项1100001000()4WB智能识别系统调试1、名称:一K通系统2、说明:此项为暂定价,中标方需提供业主认可的二次深化设计方案后施工项1300000300000中庭雨棚1金属窗1、窗材质:金属电动

9、窗(含电动装置)2、玻璃品种、厚度:8+1.52pvb+8夹胶钢化玻璃3、说明:含五金材料,施工及材料符合图纸及相关规范要求4、其他:此项为暂定价,需二次深化设计经业主同意后方可施工m215.81250039525外墙面、屋面及钢结构改造二匚程1阳光房1、部位:阳光房2、规格:具体样式详二次深化设计3、说明:含运吊装、辅材等费用、输费用另计4、备注:此项暂定m2210.431400294602价,需由专业设计公司二次深化设计且经业主同意后施工。23小计项I76412724税金项168771.4325合计项1832898.43八、专业工程暂估价序号项目编码项目名称项目特征单位数量单价合价北海职工

10、公寓改造提升项目装饰装修工程1结构修复及提升根据现场实际需求对存在结构隐患的部位进行修复及提升项1610000610000安装工程1智能家居根据业主需求对室内智能家居系统深化设计经业主同意后方可施工项1140000140000中庭雨棚1红色文化长廊中庭走道设置党文化宣传栏或文化墙,需由专业广告设计公司二次深化设计经业主认可后方可施工项13900039000外墙面、屋面及钢结构改造.匚程1亮化安装项目根据业主需求由专业公司二次深化设计经业主认可后方可施工项135000035000023小计项124税金项110251025合计项1九、本工程控制价为贰仟贰佰玖拾陆万叁仟捌佰陆拾玖元肆角贰分(小写:.42元)其中暂定价832898.43元,专业工程暂估价.OO元,景区建筑材料运输费.37元,投标时不参与下浮,详见下表(单位:元):序号项目名称单位数量合价(含税)1暂定价项1832898.432专业工程暂估价项I.003景区建筑材料运输费项1.374合计项1.8

展开阅读全文
相关资源
猜你喜欢
相关搜索

当前位置:首页 > 建筑/环境 > 工程造价

copyright@ 2008-2023 1wenmi网站版权所有

经营许可证编号:宁ICP备2022001189号-1

本站为文档C2C交易模式,即用户上传的文档直接被用户下载,本站只是中间服务平台,本站所有文档下载所得的收益归上传人(含作者)所有。第壹文秘仅提供信息存储空间,仅对用户上传内容的表现方式做保护处理,对上载内容本身不做任何修改或编辑。若文档所含内容侵犯了您的版权或隐私,请立即通知第壹文秘网,我们立即给予删除!