基础施工方案或方法及质量保证措施.docx

上传人:p** 文档编号:749427 上传时间:2024-02-26 格式:DOCX 页数:43 大小:656.59KB
下载 相关 举报
基础施工方案或方法及质量保证措施.docx_第1页
第1页 / 共43页
基础施工方案或方法及质量保证措施.docx_第2页
第2页 / 共43页
基础施工方案或方法及质量保证措施.docx_第3页
第3页 / 共43页
基础施工方案或方法及质量保证措施.docx_第4页
第4页 / 共43页
基础施工方案或方法及质量保证措施.docx_第5页
第5页 / 共43页
基础施工方案或方法及质量保证措施.docx_第6页
第6页 / 共43页
基础施工方案或方法及质量保证措施.docx_第7页
第7页 / 共43页
基础施工方案或方法及质量保证措施.docx_第8页
第8页 / 共43页
基础施工方案或方法及质量保证措施.docx_第9页
第9页 / 共43页
基础施工方案或方法及质量保证措施.docx_第10页
第10页 / 共43页
亲,该文档总共43页,到这儿已超出免费预览范围,如果喜欢就下载吧!
资源描述

《基础施工方案或方法及质量保证措施.docx》由会员分享,可在线阅读,更多相关《基础施工方案或方法及质量保证措施.docx(43页珍藏版)》请在第壹文秘上搜索。

1、第一节基础施工方案或方法及质量保证措施一、施工测量(一)施工测量准备1、测量设备选择:序号仪器设备名称规格型号单位数量备注1南方全站仪NTS352台1校验合格2ET-02电子经纬仪2台2校验合格3S3水准仪2mm台4校验合格4对讲机对10校验合格5自动安平垂准仪TOPCON,VS-Al台2校验合格650米尺把6校验合格7钢卷尺5m3m盒40校验合格8塔尺5m,3m把6校验合格9天平称量2000g架3校验合格10磅秤台1校验合格11湿度计支12校验合格12普通混凝土试模立方体边长:15Omm组36标准13抗渗混凝土试模圆柱体:D=150,h=150组18标准14砂浆试模立方体边长:70.7mm组

2、27标准15贯入式砂浆强度检测仪SJY-800台3校验合格16环刀个6标准17混凝土坍落度桶套6标准18钢筋保护层厚度检测仪THICK套3校验合格19焊条烘干箱台3合格20焊条保温筒个3合格21靠尺把9校验合格22塞尺把15校验合格23角尺把15校验合格24小锤子个IO合格25螺纹规个12校验合格26游标卡尺精度1/1Omm把3校验合格27水平尺镶有水平珠直尺,长度15-lmm把10校验合格28回弹仪HJ-225套2校验合格29焊缝量规把3校验合格2、校对测量仪器:为了保证测量结果的准确性,本工程所用测量工具必须经过校准,并确保使用时在有效检测周期内。3、复核水准点及坐标点:熟悉和了解业主在施

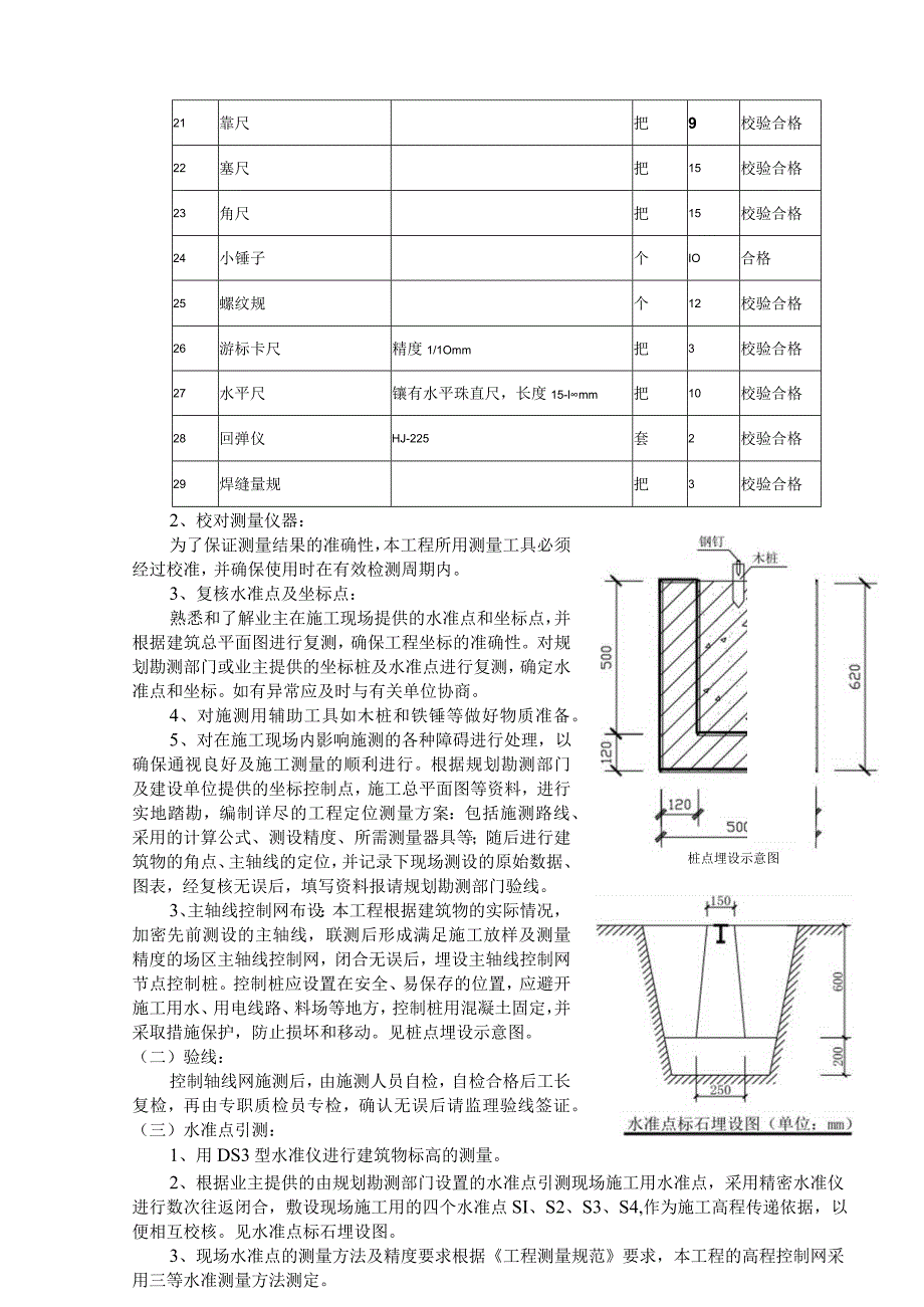
3、工现场提供的水准点和坐标点,并根据建筑总平面图进行复测,确保工程坐标的准确性。对规划勘测部门或业主提供的坐标桩及水准点进行复测,确定水准点和坐标。如有异常应及时与有关单位协商。4、对施测用辅助工具如木桩和铁锤等做好物质准备。5、对在施工现场内影响施测的各种障碍进行处理,以确保通视良好及施工测量的顺利进行。根据规划勘测部门及建设单位提供的坐标控制点,施工总平面图等资料,进行实地踏勘,编制详尽的工程定位测量方案:包括施测路线、采用的计算公式、测设精度、所需测量器具等;随后进行建筑物的角点、主轴线的定位,并记录下现场测设的原始数据、图表,经复核无误后,填写资料报请规划勘测部门验线。桩点埋设示意图3、

4、主轴线控制网布设:本工程根据建筑物的实际情况,加密先前测设的主轴线,联测后形成满足施工放样及测量精度的场区主轴线控制网,闭合无误后,埋设主轴线控制网节点控制桩。控制桩应设置在安全、易保存的位置,应避开施工用水、用电线路、料场等地方,控制桩用混凝土固定,并采取措施保护,防止损坏和移动。见桩点埋设示意图。(二)验线:控制轴线网施测后,由施测人员自检,自检合格后工长复检,再由专职质检员专检,确认无误后请监理验线签证。(三)水准点引测:1、用DS3型水准仪进行建筑物标高的测量。2、根据业主提供的由规划勘测部门设置的水准点引测现场施工用水准点,采用精密水准仪进行数次往返闭合,敷设现场施工用的四个水准点S

5、I、S2、S3、S4,作为施工高程传递依据,以便相互校核。见水准点标石埋设图。3、现场水准点的测量方法及精度要求根据工程测量规范要求,本工程的高程控制网采用三等水准测量方法测定。(五)基坑开挖测量:1、基坑开挖定位测量:(1)依据本工程建筑总平面图,确定基坑开挖的横、竖轴控制线。其控制桩应尽量远离基坑边并作好保护,以免基坑上部发生位移产生偏差,这样也为后续结构施工提供准确的轴线控制桩。(2)基坑支护桩内边缘为基坑土方开挖边界线。(3)验线:采用本工程的结构轴线作为基坑开挖的控制轴线,定出基坑开挖边线,并做好控制桩。先由施测人员进行自检合格后,再由施工员(工长)复检,专职质检员专检。在确认无误后

6、申报监理公司验线,并申请规划勘测部门验线。合格后方可进行基坑土方开挖。2、基坑施工高程测量:(1)根据已布设的标准现场水准网控制点,采用高精度的水准仪在基坑四周布置标高传递基准点,以此点控制基坑的开挖标高。(2)基底标高的控制:为了保证不超挖,在距基底设计标高0.3m处测设一标高,并抄出标高水平线,以此标高线来控制基坑挖土深度。(四)地下工程施工测量:1、地下结构的平面控制:先在基础垫层上引测建筑物轴线交点,然后根据基础平面弹出所有轴线及建筑物外边线。将轴线控制点移至基坑边,并设置木桩作为地下结构的平面控制点,该平面控制点与控制轴线网进行轴线位置的复核。在基础施工过程中,对轴线控桩四周3m内不

7、准行驶车辆和堆放重物,并每半月复测一次,以防桩位移,影响精度。每一施工段的轴线测设完后,须进行自检,合格后及时填写报验单,并附报验内容的测量成果表,以便能及时验证各轴线的正确性。2、地下结构的标高控制:对于基础施工时,所需标高可以从现场内水准点逐步引至槽底,并在槽边适当位置设置水准点。基础施工时,可从槽底水准点向上传递,也可从现场内水准点直接引测,无论采取哪种方式,都应往返闭合,误差控制在规范要求之内。(五)主体结构的平面控制1、用现场内设置的控制轴线对基础所使用的定位控制桩进行复测,校核无误后,作为工程首层施工的依据。2、在首层楼板上放置4个控制点,做为上部结构轴线传递的基准点。设置基点采用

8、预埋钢板(IooXlo0),并在钢板上刻戈十”字做为标记,上部结构的轴线传递采用激光铅直仪。在每层结构的相应部位留置150X150孔洞,以便激光通过,为确保轴线传递的准确性,每层的轴线均从首层基点向上传递。3、为满足控制网的精度要求,本工程采用J2经纬仪,一测回测角,二测回测边。测量时严格按工程测量规范中水平角观测和光电测距的技术要求进行,并做测量记录。(六)主体结构的高程测量:根据业主提供高程控制点,各引测2个标高控制点SM1、SM2作为高程传递的依据,SMkSM2标高均设置为0.00,两个控制点应相互校核。其相互较差应小于3mm,并依两点的平均点抄测水平线。抄平时,尽量将水准仪安置在测点的

9、中心位置,并进行一次精密定平。施工层抄平之前,应先校核自首层传递上来的两个标高点,其相互较差应小于3mm,并依两点的平均点抄测水平线。抄平时,尽量将水准仪安置在测点的中心位置,并进行一次精密定平。模板拆除后,应在每层弹出0.5m控制线(50控制线标高为每层板的建筑标高+500),作为装修、安装的依据。在每层混凝土浇筑完后,在柱子甩出的纵向钢筋上弹出Im线,用红三角标注,并以此做为结构高程测量的起始点。(七)建筑沉降观测:委托有资质的第三方测量单位进行变形观测,同时我公司将做好相应的变形观测及记录。1、沉降观测点的准备工作:采用精密水准仪及与之配套使用的水准尺。2、水准点的设置:沉降观测应依据稳

10、定良好的水准点进行,水准点应考虑永人使用,为相互检查核对,埋设地点必须稳定,不受施工机械碰压,防止水准点IwJ程变动。建筑物外檐3、将水准点组成闭合水准路线进行往返测量,其闭合差必f。g1135of32R叫I100M沉降观测点图示须符合规范要求,本工程采用S3型水准仪,按国家二等水准测量技术要求施测。4沉降观测终止时间:一般第一次观测点安设稳固后及时进行。基础完工后再按规定埋设永久性观测点。然后每施工一层,复测一次,直至竣工。以后视沉降量大小及沉降速度确定。5、在观测过程中,当建筑物发生较大沉降、不均匀沉降或出现裂缝时应及时与建设单位及设计单位取得联系,采取相应的措施保证工程质量。6、沉降观测

11、是一项长期性、系统性观测工作。为保证观测结果的正确性,如实反映建筑物沉降情况,应做到四个固定:固定人员观测并整理成果;固定仪器、使用固定的水准点,按规定的日期、方法及路线进行。二、基础底板施工(一)底板防水卷材粘贴彩热熔粘结,距底板保护墙内侧Im范围内要求满粘。卷材铺贴分两步施工,先施工保护墙以下部位(包括底板卷材)。采用上反内贴法。卷材搭接宽度长边不小于100mm、短边不小于150mm。相邻两幅卷材的接缝要错开300mm以上。卷材搭接缝应单独收边,做法是用喷枪烘烤外露边缘,再用专用专书子专*出平滑的450斜角底板防水卷材施工时,首先粘贴柱坑、电梯井坑、阴阳角等处附加层,然后根据铺贴顺序、搭接

12、宽度、卷材尺寸等弹好卷材铺贴线,再进行大面铺贴。待底板卷材(包括保护墙处卷材)施工完毕,然后浇筑50厚C20细石混凝土保护层;在保护墙处卷材上抹20mm厚1:2水泥砂浆保护层。(二)底板模板1、240mm砖胎模就本工程而言,由于设计为反梁结构,底板下部平齐,故砖模砌筑量很少,只有底板周边及局部变标高处需要砌筑砖模。1、砖胎模砌筑前,先在垫层面上将砌砖线放出,比基础底板外轮廓大40mm,砌筑时要求拉直线,采用一顺一丁“三一”砌筑方法,转角处或接口处留出接搓口,墙体要求垂直。砖模内侧、墙顶面抹15mm厚的水泥砂浆并压光,同时阴阳角做成圆弧形。2、底板外墙侧模采用240mm厚砖胎模,高度同底板厚度,

13、砖胎模采用MU7.5砖,M5.0水泥砂浆砌筑,内侧及顶面采用1:2.5水泥砂浆抹面。3、考虑混凝土浇筑时侧压力较大,砖胎模外侧面必须采用木方及钢管进行支撑加固,支撑间距不大于1.5m。2、集水坑模板1、根据模板板面由12mm厚竹胶板拼装成筒状,内衬两道木方(IOoX100mrn),并钉成一个整体,配模的板面保证表面平整、尺寸准确、接缝严密。2、模板组装好后进行编号。安装时用塔吊将模板初步就位,然后根据位置线加水平和斜向支撑进行加固,并调整模板位置,使模板的垂直度、刚度、截面尺寸符合要求。3、外墙高出底扳30Omm部分1、墙体高出部分模板采用12mm厚竹胶板事先拼装而成,外绑两道水平向木方(5O

14、mmX100mm)。2、在防水保护层上弹好墙边线,在墙两边焊钢筋预埋竖向和斜向筋用612钢筋剩余短料),以便进行加固。3、用小线拉外墙通长水平线,保证截面尺寸为297mm(300mm厚外墙),将配好的模板就位,然后用架子管和铅丝与预埋铁进行加固。4、模板固定完毕后拉通线检查板面顺直。(三)底板钢筋1、绑扎底板下层网片钢筋1、根据在防水保护层弹好的钢筋位置线,先铺下层网片的长向钢筋,钢筋接头尽量采用焊接或机械连接。2、后铺下层网片上面的短向钢筋,钢筋接头尽量采用焊接或机械连接。3、防止出现质量通病:由于底板钢筋施工要求较复杂,一定要注意钢筋绑扎接头和焊接接头按要求错开问题。4、绑扎加强筋:依次绑扎局部加强筋。2、绑扎地梁钢筋1、在放平的梁下层水平主钢筋上,用粉笔画出箍筋间距。箍筋与主筋要垂直,箍筋转角与主筋交点均要绑扎,主筋与箍筋非转角部分的相交点成梅花交错绑扎。箍筋的接头,即弯钩叠合处沿梁水平筋交错布置绑扎。2、地梁在槽上预先绑扎好后,根据已划好的梁位置线用塔吊直接吊装到位。与底板钢筋绑扎牢固。3、绑扎底板上层网片钢筋1、铺设上层铁马凳:马凳用剩余短料焊制成,马凳短向放置,间距1.21.5m。2、绑扎上层网片下铁:先在马凳上绑架立筋,在架立筋上划好钢筋位置线,按图纸要求,

展开阅读全文
相关资源
猜你喜欢
相关搜索

当前位置:首页 > 建筑/环境 > 设计及方案

copyright@ 2008-2023 1wenmi网站版权所有

经营许可证编号:宁ICP备2022001189号-1

本站为文档C2C交易模式,即用户上传的文档直接被用户下载,本站只是中间服务平台,本站所有文档下载所得的收益归上传人(含作者)所有。第壹文秘仅提供信息存储空间,仅对用户上传内容的表现方式做保护处理,对上载内容本身不做任何修改或编辑。若文档所含内容侵犯了您的版权或隐私,请立即通知第壹文秘网,我们立即给予删除!