路网工程—6号上山路桥涵工程说明.docx

上传人:p** 文档编号:750022 上传时间:2024-02-26 格式:DOCX 页数:19 大小:58.34KB
下载 相关 举报
路网工程—6号上山路桥涵工程说明.docx_第1页
第1页 / 共19页
路网工程—6号上山路桥涵工程说明.docx_第2页
第2页 / 共19页
路网工程—6号上山路桥涵工程说明.docx_第3页
第3页 / 共19页
路网工程—6号上山路桥涵工程说明.docx_第4页
第4页 / 共19页
路网工程—6号上山路桥涵工程说明.docx_第5页
第5页 / 共19页
路网工程—6号上山路桥涵工程说明.docx_第6页
第6页 / 共19页
路网工程—6号上山路桥涵工程说明.docx_第7页
第7页 / 共19页
路网工程—6号上山路桥涵工程说明.docx_第8页
第8页 / 共19页
路网工程—6号上山路桥涵工程说明.docx_第9页
第9页 / 共19页
路网工程—6号上山路桥涵工程说明.docx_第10页
第10页 / 共19页
亲,该文档总共19页,到这儿已超出免费预览范围,如果喜欢就下载吧!
资源描述

《路网工程—6号上山路桥涵工程说明.docx》由会员分享,可在线阅读,更多相关《路网工程—6号上山路桥涵工程说明.docx(19页珍藏版)》请在第壹文秘上搜索。

1、第四篇桥涵工程说明1设计依据1.1 设计合同依据本公司与项目业主签订的合同。1.2 设计规范、标准(1)公路工程技术标准(JTGB01-2014)(2)公路勘测规范(JTGC10-2007);(3)公路桥涵设计通用规范(JTGD60-2015);(5)公路钢筋混凝土及预应力混凝土桥涵设计规范(JTG3362-2018);(6)公路桥涵地基及基础设计规范(JTG3363-2019);(7)公路桥涵施工技术规范(JTGTE50-2011);(9)公路沥青路面设计规范(JTGD50-2017);(11)公路涵洞设计规范(JTG/T3365022020);(12)室外排水设计标准(GB50014-20

2、21)(13)城市防洪工程设计规范(GB/T50805-2012)(14)给水排水管道工程施工及验收规范(GB50268-2008)(15)暴雨强度计算标准(DB33/T1191-2020)(16)公路排水设计规范(JTG/TD33-2012)1.3 设计基础资料、工程资料(1) 1:500矢量地形图1.4 设计原则应根据沿线地形、地质、水文等条件,结合路线排水系统,适应农田排灌,经济合理地布设涵洞。在跨越排水沟槽处、通过农田排灌渠道处、平原区路线通过较长的低洼或泥沼地带、傍山或沿溪路线暴雨时径流易集中地带以及边沟排水需要时,均应设置涵洞。当地形条件许可,经过技术、经济比较,可并沟设涵。涵洞位

3、置和方向的布设,宜与水流方向一致,避免因涵洞布设不当,引起上游水位堡高,淹没农田、村庄和路基,引起下游流速过大,加剧冲蚀沟岸及路基。涵洞的设置应综合考虑施工和养护维修的要求,降低建设和养护费用。2排水系统2.1设计范围本次设计,为寨山坪南部路网工程一6号上山路涵洞设计。涵洞主要解决排除道路边沟积水和山洪水流。道路全线共新建涵洞11座。其余汇水皆经道路截排水沟散排至现状沟渠。新建涵洞情况具体如下:序号桩号服务面积设计流后管径坡度流速(ha)(LZs)(mm)()(ms)1K0+4074.24535.05800102.442K0+62233.7()2848.781800104.193K0+8881

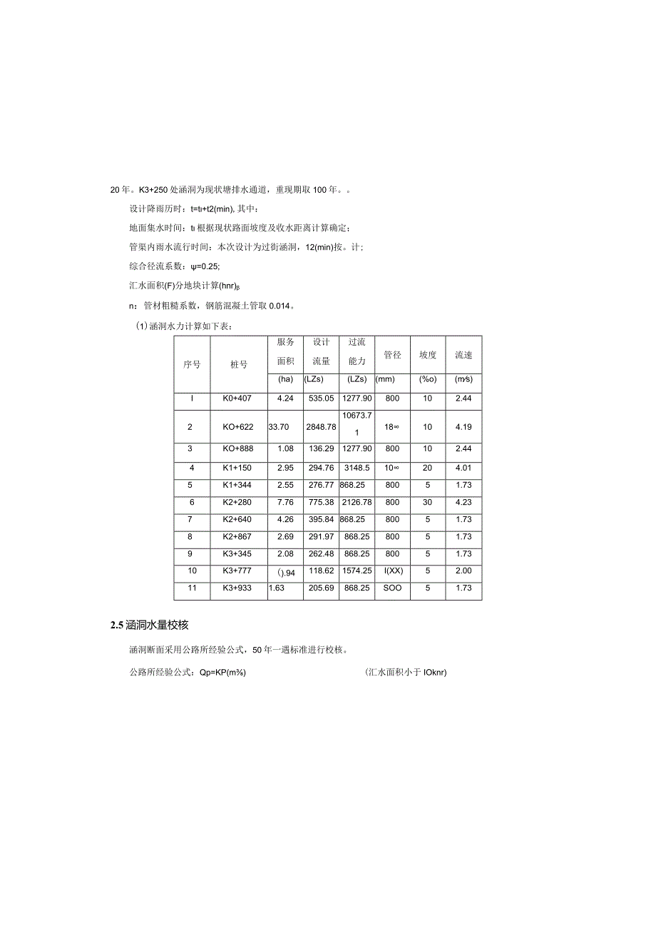
4、.08136.29800102.444K1+1502.95294.7610204.015K1+3442.55276.7780051.736K2+2807.76775.388(X)304.237K2+64O4.26395.84SOO51.738K2+8672.69291.9780051.739K3+3452.08262.4880051.73IOK3+7770.94118.621(X)052.11K3+9331.63205.6980051.7320年。K3+250处涵洞为现状塘排水通道,重现期取100年。设计降雨历时:t=t+t2(min),其中:地面集水时间:t根据现状路面坡度及收水距离计算确定

5、;管渠内雨水流行时间:本次设计为过街涵洞,12(min)按。计;综合径流系数:=0.25;汇水面积(F)分地块计算(hnr)n:管材粗糙系数,钢筋混凝土管取0.014。(1)涵洞水力计算如下表:序号桩号服务面积设计流量过流能力管径坡度流速(ha)(LZs)(LZs)(mm)(%o)(ms)IK0+4074.24535.051277.90800102.442KO+62233.702848.7810673.7118104.193KO+8881.08136.291277.90800102.444K1+1502.95294.763148.510204.015K1+3442.55276.77868.25

6、80051.736K2+2807.76775.382126.78800304.237K2+6404.26395.84868.2580051.738K2+8672.69291.97868.2580051.739K3+3452.08262.48868.2580051.7310K3+777().94118.621574.25I(XX)52.0011K3+9331.63205.69868.25SOO51.732.5涵洞水量校核涵洞断面采用公路所经验公式,50年一遇标准进行校核。公路所经验公式:Qp=KP(m)(汇水面积小于IOknr)其中K一径流模数,查表取值为19.2;F-汇水面积(km2);n面积

7、参数,当FVIkm2,n=1:当IVFVlOkln?时,西南地区n=0.852.2 排水现状本次项目所在区域内存在现状水库、堰塘、鱼塘以及冲沟,水库主要有梁家湾水库、和平水库、金银沟水库、香炉山水库、罗家湾水库,水库出水均沿现状冲沟自上而下。根据资料收集和现场踏勘,公路设计范围内主要为沿线冲沟较多,水库为金银沟水库,出水均沿现状冲沟自上而下。设计范围内总汇水面积约866公顷,大致分为9个汇水分区,每个分区均分散汇入现状水库、鱼塘或冲沟。沿线涵洞的孔跨、孔径主要依据重庆市沙坪坝区暴雨强度公式计算设计流量,结合外业调查资料,考虑方便施工、养护等情况而定。项目区域水系分布2.3 排水边沟本次设计,道

8、路边沟、截排水沟及过街排水暗沟皆有道路专业设计,详见道路相关图纸。2.4 雨水量水力计算(1)基本设计参数根据山地城市室外排水管渠设计标准(DBJ50/T-29&2018).排水管道设计参数如下:表5排水管道最大设计流速表管道材质管道类型最大设计流速(ms)塑胶管道雨水8.0污水6.0金属管道雨、污水10.0钢筋混凝土管道雨、污水5.0(2)计算Q=qF(LZs)暴雨强度(q)采用2017年重庆市沙坪坝区暴雨强度修订公式计算:(Ls104m2)1132(1+0.958IgP)(r+5.408)ow-暴雨重现期:本次设计公路等级为四级,路面排水重现期取5年,涵洞重现期一般取管顶覆土12n,管道d

9、8(X)时,采用国标三级钢筋混凝土柔性企口管。所选材料应为符合国家及省、市有关部门相关标准、规范的合格产品,优先采用具有国家通用标准的管材。3.2 基础钢筋混凝上柔性企口管基础采用满包混凝上加固,详见国标图集06MS201/:埋深10m时的钢筋混凝土管基础由结构专业提供加固保护措施。具体设计详见本次设计大样图。纤维增强聚丙烯(FRPP)加筋管采用砂垫层基础。钢筋险排水管接口形式采用钢丝网水泥砂浆抹带接口。3.3 接口国标三级钢筋混凝土.柔性企口管接口形式采用橡胶圈接口。纤维增强聚丙烯(FRPP)加筋管,管道采用扩口T型橡胶圈连接。3.4 八字墙本次设计,八字进出水口采用C2O混凝土材料,详见国

10、标图集2OS517。八字出水口处,应采取防冲刷设施。3.5 沉砂井本次设计沉砂井雨水沉砂井,适用于道路边坡截水沟接入管道的检查井。3.6 施工4.1 管道放线本工程排水管道及涵洞放线均按检查井坐标表严格放线,如有现场需要调整检查井位置的情况,及时与设计协商解决。4.2 现场复核本工程涵洞进出口雨水上下游必须与现状地形接顺,保证收水、排水顺畅。设计要求校核流量如下表:序号班号本段汇流面积(ha)重现期(年)校核流量(LZs)1K0+4074.2450625.852K0+62228.41503332.243K0+8881.0850159.414K1+1502.9550344.795K1+3442.

11、5550323.746K2+2807.7650906.677K2+6404.2650463.028K2+8672.6950341.519K3+3452.0850307.0210K3+7770.9450138.75HK3+9331.6350240.60经计算,涵洞设计流量均大于按照校核流量。经比较,设计采用暴雨公式计算的数值是安全可靠的。涵洞断面皆可满足过流要求,并留有定富余。3管材、基础及接口3.1管材根据聿庆市建设委员会聿庆市建设领域限制、禁止使用落后技术的通告(2019版)(渝建发201925号)的规定,并遵照高新区城市道路交通设计导则的要求本次设计管材如下:管顶覆土W1.2m的管涵采用国

12、标三级钢筋混凝土柔性企口管,按照1,2m,管道d800时采用纤维增强聚丙烯(FRPP)加筋管。埋深小于6.0m,环刚度SN8(XX)Nm2:埋深6.0m8.0m之间,环刚度SNKXXX)Nm2,埋深在8.0-12.0m之间,环刚度SNN12500Nm2:埋深大于120m,环刚度SNNl6000Nm20管材执行行业标准埋地用纤维增强聚丙烯(FRPP)加筋管材(QB/T4011-2010),所用管道须符合该标准中的要求。雨水管道闭水试验抽检至少按30%进行。4.7沟槽回填管道及构筑物沟槽回填必须在混凝上及砂浆达到80%以上(有特殊要求的,按相关设计图说)设计强度后方可进行。回填要求分层压实、对称均

13、匀回填,密实度不小于90%,具体要求详见本册120混凝上管道基础及钢丝网水泥砂浆抹带接口大样图中所示。在公路范围内,压实度应达到公路路基密实度要求,同时必须符合给水排水管道工程施工及验收规范(GB50268-2008)相关规定。管区(沟槽底至管顶以上LOm范围内)禁止采用推土机等大型机械进行回填。管顶严禁使用重锤夯实。4.8验收工程中间验收和竣工验收必须严格按照国家及重庆市工程管理相关法规、规定程序进行。需要设计单位参加验收的分部工程,应在该分部工程按设计要求完成后,下道工序未进行之前及时通知设计单位。验收前施工单位应事先准备好必须的相关图表等技术资料,并有业主代表、监理、质监及相关部门共同参与进行。5施工质量要求5.1排水管网工程质量全过程管理(1)严格履行基本建设程序。排水管网工程应当依法办理初步设计审批(政府投资类)、施工图审查备案、施工许可(含工程质量安全监督)、竣工(跟踪)测量以及档案移交等建设手续。非单独立项建设的排水管网工程,可与主体工程同步办理相关手续。(2)加强排水管材进场检验。建设单位应当组织对进场排水管材进行验收,重点查验质量证明文件、颜色、外观、尺寸规格等是否满足合同约定和设计图纸的要求,并按国家有关标准、规定进行见证取样检测,合格后方可使用。

展开阅读全文
相关资源
猜你喜欢
相关搜索

当前位置:首页 > 建筑/环境 > 公路与桥梁

copyright@ 2008-2023 1wenmi网站版权所有

经营许可证编号:宁ICP备2022001189号-1

本站为文档C2C交易模式,即用户上传的文档直接被用户下载,本站只是中间服务平台,本站所有文档下载所得的收益归上传人(含作者)所有。第壹文秘仅提供信息存储空间,仅对用户上传内容的表现方式做保护处理,对上载内容本身不做任何修改或编辑。若文档所含内容侵犯了您的版权或隐私,请立即通知第壹文秘网,我们立即给予删除!