锤式破碎机安装方案.docx

上传人:p** 文档编号:750554 上传时间:2024-02-26 格式:DOCX 页数:20 大小:340.71KB
下载 相关 举报
锤式破碎机安装方案.docx_第1页
第1页 / 共20页
锤式破碎机安装方案.docx_第2页
第2页 / 共20页
锤式破碎机安装方案.docx_第3页
第3页 / 共20页
锤式破碎机安装方案.docx_第4页
第4页 / 共20页
锤式破碎机安装方案.docx_第5页
第5页 / 共20页
锤式破碎机安装方案.docx_第6页
第6页 / 共20页
锤式破碎机安装方案.docx_第7页
第7页 / 共20页
锤式破碎机安装方案.docx_第8页
第8页 / 共20页
锤式破碎机安装方案.docx_第9页
第9页 / 共20页
锤式破碎机安装方案.docx_第10页
第10页 / 共20页
亲,该文档总共20页,到这儿已超出免费预览范围,如果喜欢就下载吧!
资源描述

《锤式破碎机安装方案.docx》由会员分享,可在线阅读,更多相关《锤式破碎机安装方案.docx(20页珍藏版)》请在第壹文秘上搜索。

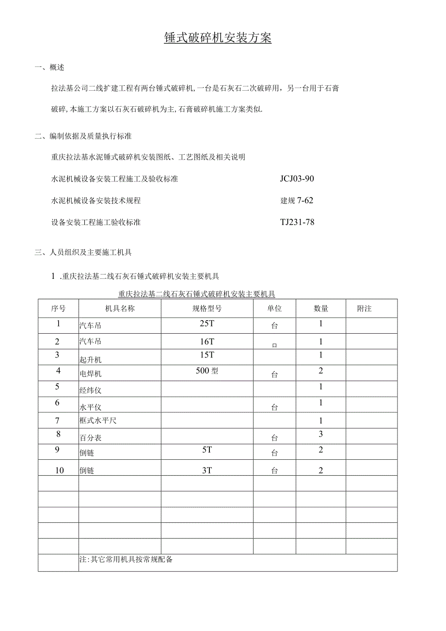
1、锤式破碎机安装方案一、概述拉法基公司二线扩建工程有两台锤式破碎机,一台是石灰石二次破碎用,另一台用于石膏破碎,本施工方案以石灰石破碎机为主,石膏破碎机施工方案类似.二、编制依据及质量执行标准重庆拉法基水泥锤式破碎机安装图纸、工艺图纸及相关说明水泥机械设备安装工程施工及验收标准JCJ03-90水泥机械设备安装技术规程建规7-62设备安装工程施工验收标准TJ231-78三、人员组织及主要施工机具1 .重庆拉法基二线石灰石锤式破碎机安装主要机具重庆拉法基二线石灰石锤式破碎机安装主要机具序号机具名称规格型号单位数量附注1汽车吊25T台12汽车吊16T口13起升机15T14电焊机500型台25经纬仪16

2、水平仪台17框式水平尺18百分表台39倒链5T台210倒链3T台2注:其它常用机具按常规配备2 .人员组织其他二人起重工:一人钳工:2人焊工二人怫工:3人四、锤式破碎机安装进度表详见附表(Project):石灰石锤式破碎机安装进度表五、施工前准备工作1 .把所需机具运至现场,并合同业主对现场进行勘察,对阻碍施工的杂物或土建遗留物进行清理,办理交接手续;2 .会同业主对已安装好的熟料拉链机钢架轨道的直线度和对拉链机的中央线使用经纬仪进行验收,并作纪录;3 .根底验收:会同土建、厂方共同对根底验收,并做好检查记录.验收内容如下:a)根据工艺布置图、安装图、根底图检查根底位置,与土建座标轴线是否符合

3、.b)检查各根底标高与土建给定标高的相对位置,并做好记录(见附表),且在基础侧面预埋沉降标记板上做出标高位置,作为安装与检查根底下沉情况的依据.附表序号检查内容允差实测记录1根底座标位置202根底各不同平面的标高0203根底上平面外形尺寸204凸台上平面外形尺寸-205根底上平面的不水平度每米5全长106根底铅垂面的垂直度每米5全长207预留地脚螺栓孔中央位置10深度+200孔臂垂直度108凸穴尺寸+20六、施工工艺基础划线、打砂浆墩及下机壳就位一安装转子一组装锤头上机壳安装一篦条安装一安装传动装置一试运转七、施工过程1 .锤式破碎机结构:I .锤式破碎机结构简单,检修方便,破碎水平大,是消耗

4、功率低的一种破碎机械;II .锤式破碎机主轴上固定数排锤盘,锤盘圆周上固定销轴,销轴上挂锤头.机壳是由钢板焊成的,分为上机壳与下机壳,上下机壳间加密封垫用螺栓联结.机壳两侧装有轴承座,用双列向心球面滚珠轴承将主轴组装起来.机壳顶部有加料口,下部有出料篦条,篦条两端装入托梁的梯槽中,机壳内装有耐磨铸铁或镒钢衬板,主轴另一端装有弹性联轴节与电机的弹性联轴节直接联接.主轴、锤盘及悬挂锤头,统称为转子,该破碎机转子重约11吨,所以需准备大型吊车配合安装(破碎机见示意图);锤式破碎机示意图1-机壳;2-锤盘;3-主轴;4-联轴节;5-锤头;6-篦子;7-根底1、根底划线、打砂浆墩及下机壳就位i.根底划线

5、经过验收合格的根底,首先划出设备根底的纵横中央线.破碎机在根底上的划线,纵向轴线是以机壳的中央线为基准,横向轴线是以主轴中央线为基准(见图A).先根据安装图纸上标注之机房的纵轴A至锤式破碎机纵向中央线的距离“a,划出锤式破碎机的纵向中央线.再按安装图上尺寸,由机房的横轴线和分别至锤式破碎机横向中央的距离11和k,通过地规画垂直线的方法划出锤式破碎机的横向中央线;按常规将地脚螺栓孔与传动装置及平台支架根底等位置划出检查土建的预留孔洞是否偏差,设备根底尺寸和位置是否符合质量要求.纵向 史央线ii.根底处理、安放垫铁及下壳体就位:采取座浆法,安放垫铁,在地脚螺栓孔两侧各放一组,两组垫铁之间最大距离为

6、700mm,超过时需增加一组垫铁(砂浆墩位置示意图见示意图A).无收缩收缩水泥砂浆堆,养护到规定强度的75%后,在平垫铁上各置一组成对斜垫铁,再将下机壳吊装就位,并进行找正初平.先在前后机壳外侧找出机壳的中央,然后在下机壳横向轴承座上划出安装主轴的两个半圆凹槽中央线.以此机壳中央线及主轴中央线为基准,用线坠对照机壳前后左右划线,边对边调正机壳,使四处划线全部对正根底的墨线.并在机壳上外表,安放框式水平仪,校对机壳上部的水平,进行初平,水平度不超过0.15/1000,穿好地脚螺栓,进行一次灌浆并养护.2、组装转子i.转子轴中部呈方形断面,两端呈圆形断面,方形断面部份安装锤盘.锤盘中央也是方孔,用

7、平键固定在轴上.在锤盘外侧有固定锤盘的两个圆螺母,圆螺母外装有两个球面调心滚柱轴承,另一端装着带有飞轮性能的大皮带轮(示意图BJ.,b 一里ITTT示意图I1-主轴;2-锤盘;3-球面滚柱轴承;4-圆螺母;5-大皮带轮;6-锤头ii.转子组装顺序如下:a)将轴清洗干净,凡有擦毛处,用细油石磨光.用中部削有圆弧硬木垫块放在支架上,将轴两端垫起.用白铁皮卷成圆筒,将轴上的螺纹部份保护起来,以免装锤盘时碰伤螺纹.b)主轴有两个滚动轴承,传动轴端的轴承固定,另一端的轴承可滑动,先将滑动端的圆形螺母拧在轴的螺纹部份.使圆形螺母端面与方轴端的距离为加,其值由下式计算:l=式中:L-全部锤盘轮骰总厚度;I-

8、方轴长度(图C)c)方轴上一般安装14个锤盘,每两个锤盘中间用销轴悬挂锤头,沿圆周共七排重庆拉法基水泥二线扩建工程破碎机安装方案锤头.锤盘由主轴传动侧装在方轴上,锤盘应靠实圆螺母端面,锤盘方孔与方轴的四个面有定位的标记,并且每个锤盘有两个平键(见锤盘安装方位示意图).方孔与方轴的配合为过渡配合,在方轴面上刻有记号,与锤盘轮毂记号一致,即定位标记.两个平键亦在键和轮毂刻有标记,选相同标记进行安装,锤盘安装是按盘上印字1、2、314的顺序进行.锤盘安装方位示意图3为了使锤盘紧靠圆螺母,要用特制的卡紧工具.即用一个套在轴上的圆盘,紧靠圆形螺母端面.圆盘上安装四条M36螺栓,四条螺栓沿锤盘圆周对称地通

9、过盘上装锤销轴孔,拧紧螺母,那么将第一锤盘与圆形螺母卡紧从第二个锤盘开始,那么用螺栓固定在已装锤盘卡紧),卡紧第一个锤盘后,将两个平键涂以二硫化铝,用手锤打进,平键在轴上的位置是交错配置的,即第一个盘与第二个盘的键转180.e)将所有的锤盘及平键都装在方轴上之后,将轴上另一端的圆螺母再拧上,圆螺母外圆周有03.mm孔六个,利用圆孔紧固不能紧固到规定要求.待转子装在机壳内,安装好转动装置之后,利用电动机转子的惯性,切断钢销使圆螺母拧紧.具体做法,是圆螺母一半在机壳外,一半在机壳内.在机壳外的圆螺母沿周长有八个030X5.m圆孔.用强度8.-95kgmm2,030Xl.m钢圆销,插在圆形螺母周边的

10、圆孔内.在机壳的轴承支撑座上,焊接断面50X5.m的方钢,高度80mm,焊接位置应是迎着回转方向一侧.方钢的里边距圆形螺母为2m,圆销插在离方钢最远的圆孔内.接通电源带动电动机,使转子稍微转动即关掉电源;电动机及转子由于惯性继续旋转,直到圆销撞在方钢上,钢销卡住不动,钢销被撞受剪切,变成曲折时,便将圆形螺母进行一次紧固.另换钢销,重复上述操作,继续撞击,直到钢销被方钢撞断为止,这时圆形螺母已紧到规定要求(见圆螺母拧紧示意图).第二个圆螺母以同样方法进行紧固,只是传动端的圆螺母要将电动机的进线倒相,使电动机与转子反转.圆螺母拧紧示意图密封圈SJrf)第二个圆螺母拧紧之后,还要安装圆螺母的平安装置

11、,先用钻头直径为03Om电钻斜钻圆螺母及锤盘,当钻进第一个锤盘深30m,用同钻头直径相同的圆销打进钻孔内.在孔端用04Omm钻头扩孔,深IOm,然后用紧固片塞在扩孔中,用电焊点固(见圆螺母固定示意图);圆螺母一第一个锤盘固定圆钢g)球面滚动轴承安装1)主轴两侧安装球面向心滚动轴承,在传动侧的轴承是固定的,另一侧为可滑动的轴承,即轴承因轴的温度变化,可以在轴承座内作轴向移动.滚柱轴承的外圆与轴承座内孔是滑动配合,而滚柱轴承内圈,那么是通过紧固套固定在轴上.滚柱轴承是重要的机件,要注意保管和清洗,采用液压方法安装.2)需要工具:塞尺、特制液压螺母、特制液压螺母、手动液压油枪、润滑油3)具体操作方法

12、:将滚柱轴承按设计位置装在轴上,先测量自动调心滚柱轴承的径向间隙,并作好记录.在带锥度的紧固套前端的轴纹加密封填料,拧上液压螺母.螺母内部有活塞,活塞外端部紧靠特制的固定圆盘,固定圆盘用螺栓固定在轴端(见示意图D). 在紧固套内用圆盘7支撑,紧固套有内油腔,外端有两个带内螺纹的进油小孔与油腔连接.加压油腔1、2用高压软管与紧固套的进油孔连接,联接时要加密封垫严防漏油.在液压螺母外圆周有带内螺纹的进油孔,用软管联接加压油枪.固定圆盘上钻有两个小孔,注意在安装固定圆盘时,要把小孔对准紧固套进油孔,以便拧入高压软管. 首先操场纵加压油枪1、2,将压力油注入紧固套的油腔内,直至发现连接部渗油为止,然后

13、操纵加压油枪3,将油注入到液压螺母内,推动紧固套向前滑动.同时测量前进距离,该距离数值安装说明已给出. 推进到规定距离后,将1、2加压油枪的旁通阀翻开,使油回到缸中.经过10分钟后,再将加压油枪3的旁通阀翻开,使油回到缸中,再用塞尺测量滚柱与外圈间隙,反复操作,直至到达说明书的要求.上述是可滑动的滚动轴承加压安装方法,在安装固定侧的滚动轴承时,需在轴上增加一套定位套管,顶住液压螺母的活塞,压力油进入后,将紧固套推向前,操作时,要将油腔内的空气放出(见示意图E.定位套管一支撑圆盘f一液压螺母h)转子组装好之后,清洗对开式的铸铁轴承座,安装在下壳体轴承底座的轴承支撑板上.将底座固定螺栓拧紧,然后用

14、框式水平仪精找下机壳的水平度(0.05/1000),拧紧地脚螺栓.将轴承座内清洗干净,轴承座内空间的一半参加润滑脂.传动侧的固定轴承座要固定卡紧.而可滑动的轴承座,应使滚柱轴承在轴承座两侧留有间隙,以便使轴能作微量的伸缩.将转子吊装在轴承座内.3、组装锤头转子安装后,即可进行锤头安装.锤头是安装在两个锤盘之间,锤盘沿圆周均匀布置锤头.两排锤头间距是用定位套筒卡在两个锤盘中间来定位,每排锤头用一根通长的销轴,把锤头悬挂起来,为了预防销轴轴向窜动,在定位套筒上安一个定位的沉头螺钉,来固定销轴(见锤头安装示意图).每个锤盘上的锤头要求质量一致,这样旋转起来的转子才能保持平衡.因此,在安装前要称量锤头重量,使不同重量的锤头分组安装.定位套管一锤头一沉头螺栓一销轴一/I重量较大的锤头和销轴的安装、拆卸,设有专用液压装置与小型电动葫芦,其构造及锤头安装分述如下:锤头安装示意图a)首先将锤盘上的锤头销轴孔转到上方,再将转子固定住,用倒链或是搭设枕木堆加楔木,把主轴大皮带轮卡住,在转子旁侧搭设临时操作平台.b)安装好装卸锤头销轴的液压装置,液压装置是把两个差动油缸装在一个槽钢框架上.安装时,要严格限制两油缸的平行度,油缸内的活塞杆在槽钢架内滑动,两活塞

展开阅读全文
相关资源
猜你喜欢
相关搜索

当前位置:首页 > 办公文档 > 解决方案

copyright@ 2008-2023 1wenmi网站版权所有

经营许可证编号:宁ICP备2022001189号-1

本站为文档C2C交易模式,即用户上传的文档直接被用户下载,本站只是中间服务平台,本站所有文档下载所得的收益归上传人(含作者)所有。第壹文秘仅提供信息存储空间,仅对用户上传内容的表现方式做保护处理,对上载内容本身不做任何修改或编辑。若文档所含内容侵犯了您的版权或隐私,请立即通知第壹文秘网,我们立即给予删除!