隐蔽检查记录 - 电缆.docx

上传人:p** 文档编号:750674 上传时间:2024-02-26 格式:DOCX 页数:1 大小:26.08KB
下载 相关 举报
隐蔽检查记录 - 电缆.docx_第1页
第1页 / 共1页
亲,该文档总共1页,全部预览完了,如果喜欢就下载吧!
资源描述

《隐蔽检查记录 - 电缆.docx》由会员分享,可在线阅读,更多相关《隐蔽检查记录 - 电缆.docx(1页珍藏版)》请在第壹文秘上搜索。

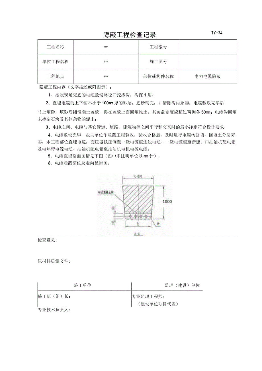
隐蔽工程检查记录工程名称*工程编号单位工程名称*施工图号工程地点*部位或构件名称电力电缆隐蔽TY-34隐蔽工程内容(文字描述或附图示):1、按照现场交底的电缆敷设路径开挖揽沟,沟深1用;2、直埋电缆的上下铺不小于100mm厚的砂层,底砂铺完,并清除沟内杂物,电缆敷设完毕后马上填砂,填砂后铺混凝土盖板,再在盖板上面回填原土,其覆盖宽度应超过两侧各50mm;电缆沟回填未掺杂石块及其他杂物的泥土;3、电缆之间、电缆与其它管道、道路、建筑物等之间平行和交叉时的最小净距符合设计要求;4、电缆敷设完毕,业主单位作隐蔽工程验收,验收合格后,及时进行电缆沟回填,回填土分层夯实;木工程部位直埋电缆:变压器低压侧至一级电源柜进线电缆、一级电源柜至新建井口抽油机配电箱及电热带电源电缆、抽油机配电箱至抽油机电机电源电缆。5、电缆直埋剖面图请见下图(图中未注明单位以mm计):6、电缆隐蔽部位及走向见附图。检查意见:原材料质量文件:施工单位监理(建设)单位施工班(组)长:专业监理工程师:(建设单位项目代表)专业技术负责人:

展开阅读全文
相关资源
猜你喜欢
相关搜索

当前位置:首页 > 建筑/环境 > 建筑资料

copyright@ 2008-2023 1wenmi网站版权所有

经营许可证编号:宁ICP备2022001189号-1

本站为文档C2C交易模式,即用户上传的文档直接被用户下载,本站只是中间服务平台,本站所有文档下载所得的收益归上传人(含作者)所有。第壹文秘仅提供信息存储空间,仅对用户上传内容的表现方式做保护处理,对上载内容本身不做任何修改或编辑。若文档所含内容侵犯了您的版权或隐私,请立即通知第壹文秘网,我们立即给予删除!