起重机械设备检查用表施工升降机.docx

上传人:p** 文档编号:752032 上传时间:2024-02-26 格式:DOCX 页数:2 大小:19.65KB
下载 相关 举报
起重机械设备检查用表施工升降机.docx_第1页
第1页 / 共2页
起重机械设备检查用表施工升降机.docx_第2页
第2页 / 共2页
亲,该文档总共2页,全部预览完了,如果喜欢就下载吧!
资源描述

《起重机械设备检查用表施工升降机.docx》由会员分享,可在线阅读,更多相关《起重机械设备检查用表施工升降机.docx(2页珍藏版)》请在第壹文秘上搜索。

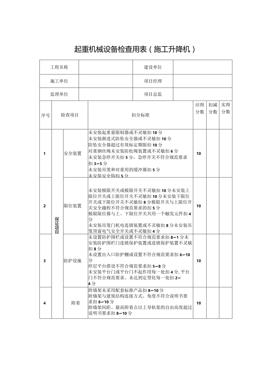
1、起重机械设备检查用表(施工升降机)工程名称建设单位施工单位项目经理监理单位项目总监序号检查项目扣分标准应得分数扣减分数实得分数1保证项目安全装置未安装起重量限制器或不灵敏扣10分未安装渐进式防坠安全器或不灵敏扣10分防坠安全器超过有效标定期限扣10分对重钢丝绳未安装防松绳装置或不灵敏扣6分未安装急停开关扣5分,急停开关不符合规范要求扣35分未安装吊笼和对重用的缓冲器扣5分未安装安全钩扣5分102限位装置未安装极限开关或极限开关不灵敏扣10分未安装上限位开关或上限位开关不灵敏扣10分未安装下限位开关或下限位开关不灵敏扣8分极限开关与上限位开关安全越程不符合规范要求的扣5分极限限位器与上、下限位开

2、关共用一个触发元件扣4分未安装吊笼门机电连锁装置或不灵敏扣8分未安装吊笼顶窗电气安全开关或不灵敏扣4分103防护设施未设置防护围栏或设置不符合规范要求扣81分未安装防护围栏门连锁保护装置或连锁保护装置不灵敏扣8分未设置出入口防护棚或设置不符合规范要求扣610分停层平台搭设不符合规范要求扣58分未安装平台门或平台门不起作用每一处扣4分,平台门不符合规范要求、未达到定型化每一处扣24分104附着附墙架未采用配套标准产品扣810分附墙架与建筑结构连接方式、角度不符合说明书要求扣610分附墙架间距、最高附着点以上导轨架的自由高度超过说明书要求扣810分105钢丝绳、滑轮与对重对重钢丝绳绳数少于2根或未

3、相对独立扣10分钢丝绳磨损、变形、锈蚀达到报废标准扣610分钢丝绳的规格、固定、缠绕不符合说明书及规范要求扣58分滑轮未安装钢丝绳防脱装置或不符合规范要求扣4分对重重量、固定、导轨不符合说明书及规范要求扣610分对重未安装防脱轨保护装置扣5分106保证项目安装、拆卸与验收安装、拆卸单位无资质扣10分未制定安装、拆卸专项方案扣10分,方案无审批或内容不符合规范要求扣58分未履行验收程序或验收表无责任人签字扣58分验收表填写不符合规范要求每一项扣24分特种作业人员未持证上岗扣10分10小计607一般项目导轨架导轨架垂直度不符合规范要求扣710分标准节腐蚀、磨损、开焊、变形超过说明书及规范要求扣7-

4、10分标准节结合面偏差不符合规范要求扣46分齿条结合面偏差不符合规范要求扣46分108基础基础制作、验收不符合说明书及规范要求扣810分特殊基础未编制制作方案及验收扣810分基础未设置排水设施扣4分109电气安全施工升降机与架空线路小于安全距离又未采取防护措施扣10分防护措施不符合要求扣46分电缆使用不符合规范要求扣46分电缆导向架未按规定设置扣4分防雷保护范围以外未设置避雷装置扣10分避雷装置不符合规范要求扣5分1010通信装置未安装楼层联络信号扣10分楼层联络信号不灵敏扣46分10小计40检查项目合计100检查人检查组长注:1.每项最多扣减分数不大于该项应得分数。2.保证项目有两项不得分或总计得分低于60分予以通报。

展开阅读全文
相关资源
猜你喜欢
相关搜索

当前位置:首页 > 汽车/机械/制造 > 特种设备

copyright@ 2008-2023 1wenmi网站版权所有

经营许可证编号:宁ICP备2022001189号-1

本站为文档C2C交易模式,即用户上传的文档直接被用户下载,本站只是中间服务平台,本站所有文档下载所得的收益归上传人(含作者)所有。第壹文秘仅提供信息存储空间,仅对用户上传内容的表现方式做保护处理,对上载内容本身不做任何修改或编辑。若文档所含内容侵犯了您的版权或隐私,请立即通知第壹文秘网,我们立即给予删除!