4#矩形板式桩基础计算书_20151125.docx

上传人:p** 文档编号:752698 上传时间:2024-02-26 格式:DOCX 页数:8 大小:81.04KB
下载 相关 举报
4#矩形板式桩基础计算书_20151125.docx_第1页
第1页 / 共8页
4#矩形板式桩基础计算书_20151125.docx_第2页
第2页 / 共8页
4#矩形板式桩基础计算书_20151125.docx_第3页
第3页 / 共8页
4#矩形板式桩基础计算书_20151125.docx_第4页
第4页 / 共8页
4#矩形板式桩基础计算书_20151125.docx_第5页
第5页 / 共8页
4#矩形板式桩基础计算书_20151125.docx_第6页
第6页 / 共8页
4#矩形板式桩基础计算书_20151125.docx_第7页
第7页 / 共8页
4#矩形板式桩基础计算书_20151125.docx_第8页
第8页 / 共8页
亲,该文档总共8页,全部预览完了,如果喜欢就下载吧!
资源描述

《4#矩形板式桩基础计算书_20151125.docx》由会员分享,可在线阅读,更多相关《4#矩形板式桩基础计算书_20151125.docx(8页珍藏版)》请在第壹文秘上搜索。

1、4矩形板式桩基础计算书计算依据:1、塔式起重机混凝土基础工程技术规程JGJ/T187-20092、混凝土结构设计规范GB50010-20103、建筑桩基技术规范JGJ94-20084、建筑地基基础设计规范GB50007-2011一、塔机属性塔机型号QTZ80(浙江建机)塔机独立状态的最大起吊高度H(Xm)40塔机独立状态的计算高度H(m)43塔身桁架结构方钢管塔身桁架结构宽度B(m)1.6二、塔机荷载1、塔机传递至基础荷载标准值工作状态塔机自重标准值Fkl(kN)509起重荷载标准值Fqk(kN)60竖向荷载标准值Fk(kN)569水平荷载标准值Fvk(kN)31倾覆力矩标准值Mk(kNm)1

2、039非工作状态竖向荷载标准值Fk(kN)509水平荷载标准值Fvk(kN)71倾覆力矩标准值Mk(kNm)16682、塔机传递至基础荷载设计值工作状态塔机自重设计值Fl(kN)1.35Fk1=1.35509=687.15起重荷载设计值FQ(kN)1.35FQk=I.35x60=81竖向荷载设计值F(kN)687.15+81=768.15水平荷载设计值Fv(kN)1.35Fvk=1.3531=41.85倾覆力矩设计值M(kNm)1.35Mk=1.351039=1402.65非工作状态竖向荷载设计值F(kN)1.35Fk=i.355O9=687.15水平荷载设计值FMkN)1.35Fvk=135

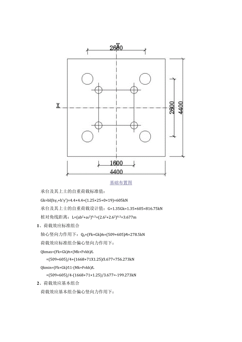
3、71=95.85倾覆力矩设计值MkNm)L35Mk=1.35x1668=2251.8三、桩顶作用效应计算承台布置桩数n4承台高度h(m)1.25承台长l(m)4.4承台宽b(m)4.4承台长向桩心距al(m)2.6承台宽向桩心距ab(m)2.6桩直径d(m)0.5桩间侧阻力折减系数0.5承台参数承台混凝土等级C35承台混凝土臼重yCXkN/n?)25承台上部覆土厚度Mm)0承台上部覆土的重度(kNn?)19承台混凝土保护层厚度(mm)50配置暗梁否承台底标高(m)-1.7基础布置图承台及其上土的自重荷载标准值:Gk=bl(hc+h)=4.44.4(1.2525+019)=605kN承台及其上士

4、的自重荷载设计值:G=1.35Gk=1.35605=816.75kN桩对角线距离:L=(ab2+a2)05=(2.62+2.62)05=3.677m1、荷载效应标准组合轴心竖向力作用下:Qk=(Fk+Gk)n=(509+605)4=278.5kN荷载效应标准组合偏心竖向力作用下:Qkmax=(Fk+Gk)n+(Mk+Fvkh)L=(509+605)/4+(1668+71X1.25)3.677=756.273kNQkmin=(Fk+Gk)11-(Mk+Fvkh)L=(509+605)/4-(1668+711.25)/3.677=-199.273kN2、荷载效应基本组合荷载效应基本组合偏心竖向力作

5、用下:Qmax=(F+G)n+(M+Fvh)L=(687.15+816.75)/4+(2251.8+95.851.25)/3.677=1020.969kNQmi11=(F+G)n-(M+Fvh)L=(687.15+816.75)/4-(2251.8+95.851.25)/3.677=-269.019kN四、桩承载力验算桩参数桩混凝土强度等级C60桩基成桩工艺系数WC0.85桩混凝土自重yz(kN11?)25桩混凝土保护层厚度6(mm)35桩底标高(m)-37桩有效长度h(m)35.3桩配筋自定义桩身承载力设计值否桩混凝土类型预应力混凝土桩身预应力钢筋配筋650129.00地基属性地下水位至地表

6、的距离hz(m)0.5自然地面标高(m)0.23是否考虑承台效应否土名称土层厚度li(m)侧阻力特征值qsia(kPa)端阻力特征值qpa(kPa)抗拔系数承载力特征值fak(kPa)素填土2.6000.6-粘性土11400.3-淤泥1500.4-粘性土0.5900.6-淤泥质土12.6700.6-粉质粘土7.8299000.6-粉质粘土15.2238000.6-1、桩基!盘向抗压承载力计算桩身周长:u=d=3.140.5=1.571m桩端面积:Ap=d24=3.140.524=0.196m2Ra=Uqsiali+qpaAp=0.51.571(0.670+114+15+O.59+12.67+7

7、.829+11.7323)+8000.196=634.358kNQk=278.5kNRil=634.358kNQkmax=756.273kNl.2Ra=l.2634.358=761.23kN满足要求!2、桩基竖向抗拔承载力计算Qkmin=-199.273kN0按荷载效应标准组合计算的桩基拔力:Qk,=199.273kN桩身位于地下水位以下时,位于地下水位以下的桩自重按桩的浮重度计算,桩身的重力标准值:Gp=llAp(z-10)=35.30.196(25-10)=103.967kNRa,=uiqsiali+Gp=.51.571(0.60.670+0.3114+0.415+0.60.59+0.61

8、2.67+0.67.829+0.611.7323)+103.967=386.25kNQk,=l99.273kNRa,=386.25kN满足要求!3、桩身承载力计算纵向预应力钢筋截面面积:Aps=nd24=123.142924=763mm2(1)、轴心受压桩桩身承载力荷载效应基本组合下的桩顶轴向压力设计值:Q=Qmax=1020.969kNcfcAp+0.9fyAs,=(0.85280.196106+0.9(400763.407)10-3=4895.033kNQ=1020.969kNcfAp+0.9fy,As,=4895.033kN满足要求!(2)、轴心受拔桩桩身承载力荷载效应基本组合下的桩顶轴

9、向拉力设计值:Q=-Qmin=269.019kNfpyAps=650763.407103=496.215kNQ=269.019kNyAps=496.215kN满足要求!五、承台计算承台配筋承台底部长向配筋HRB40022(gl60承台底部短向配筋HRB40022(gl60承台顶部长向配筋HRB400018200承台顶部短向配筋HRB400D182001、荷载计算承台有效高度:ho=l250-50-22/2=1189mmM二(QmaX+Qmin)L2=(1020.969+(-269.019)3.6772=1382.443kNmX方向:Mx=MabZL=I382.4432.63.677=977.5

10、35kNmY方向:My=MaiZL=1382.4432.63.677=977.535kNm2、受剪切计算V=Fn+ML=687.154+2251.8/3.677=784.196kN受剪切承载力截面高度影响系数:hs=(800l189),z4=0.906塔吊边缘至角桩内边缘的水平距离:aib=(ab-B-d)2=(2.6-1.6-0.5)2=0.25ma=(a-B-d)2=(2.6-1.6-0.5)2=0.25m剪跨比:b,=aibho=25O1189=0.21,耳又b=0.25;,=aho=25Ol189=0.21,取=0.25;承台剪切系数:Ob=1.75(b+1)=1.75/(0.25+1

11、)=1.4=1.75(+l)=1.75/(0.25+1)=1.4PhSabftbhO=O.906X1.41.571034.41.189=10414.52kNhsaftlho=O.9O61.41.571034.41.189=10414.52kNV=784.196kNmin(hsabftbho,hsaftlho)=lO414.52kN满足要求!3、受冲切计算塔吊对承台底的冲切范围:B+2ho=1.6+21.189=3.978mab=2.6mB+2ho=3.978m,a=2.6mA=10464mm2满足要求!(2)、承台底面短向配筋面积s2=Mx(a2fcbho2)=977.535106(1.031

12、6.7440011892)=0.0092=l-(l-2as2)0-5=1-(1-2O.9)o-5=O.OO9s2=1-22=1-0.009/2=0.995As2=Mx(s2hofyi)=977.535lO6(O.995118936O)=2295mm2最小配筋率:p=max(0.2,45ffyI)=max(0.2,451.57360)=max(0.2,0.196)=0.2%梁底需要西己筋:A2=max(2295,plho)=max(2295,O.OO244OO1189)=10464mm2承台底短向实际配筋:As2,=10834mm2A2=10464mm2满足要求!(3)、承台顶面长向配筋面积承台顶长向实际配筋:As3,=5853mm20.5As,=0.510834=5417mm2满足要求!(4)、承台顶面短向配筋面积承台顶长向实际配筋:As4,=5853mm20.5As2,=0.510834=5417mm2满足要求!(5)、承台竖向连接筋配筋面积承台竖向连接筋为双向10500。六、配筋示意图

展开阅读全文
相关资源
猜你喜欢
相关搜索

当前位置:首页 > 建筑/环境 > 桩基础

copyright@ 2008-2023 1wenmi网站版权所有

经营许可证编号:宁ICP备2022001189号-1

本站为文档C2C交易模式,即用户上传的文档直接被用户下载,本站只是中间服务平台,本站所有文档下载所得的收益归上传人(含作者)所有。第壹文秘仅提供信息存储空间,仅对用户上传内容的表现方式做保护处理,对上载内容本身不做任何修改或编辑。若文档所含内容侵犯了您的版权或隐私,请立即通知第壹文秘网,我们立即给予删除!