CFG桩复合地基处理工程计算书.docx

上传人:p** 文档编号:753315 上传时间:2024-02-26 格式:DOCX 页数:10 大小:43.29KB
下载 相关 举报
CFG桩复合地基处理工程计算书.docx_第1页
第1页 / 共10页
CFG桩复合地基处理工程计算书.docx_第2页
第2页 / 共10页
CFG桩复合地基处理工程计算书.docx_第3页
第3页 / 共10页
CFG桩复合地基处理工程计算书.docx_第4页
第4页 / 共10页
CFG桩复合地基处理工程计算书.docx_第5页
第5页 / 共10页
CFG桩复合地基处理工程计算书.docx_第6页
第6页 / 共10页
CFG桩复合地基处理工程计算书.docx_第7页
第7页 / 共10页
CFG桩复合地基处理工程计算书.docx_第8页
第8页 / 共10页
CFG桩复合地基处理工程计算书.docx_第9页
第9页 / 共10页
CFG桩复合地基处理工程计算书.docx_第10页
第10页 / 共10页
亲,该文档总共10页,全部预览完了,如果喜欢就下载吧!
资源描述

《CFG桩复合地基处理工程计算书.docx》由会员分享,可在线阅读,更多相关《CFG桩复合地基处理工程计算书.docx(10页珍藏版)》请在第壹文秘上搜索。

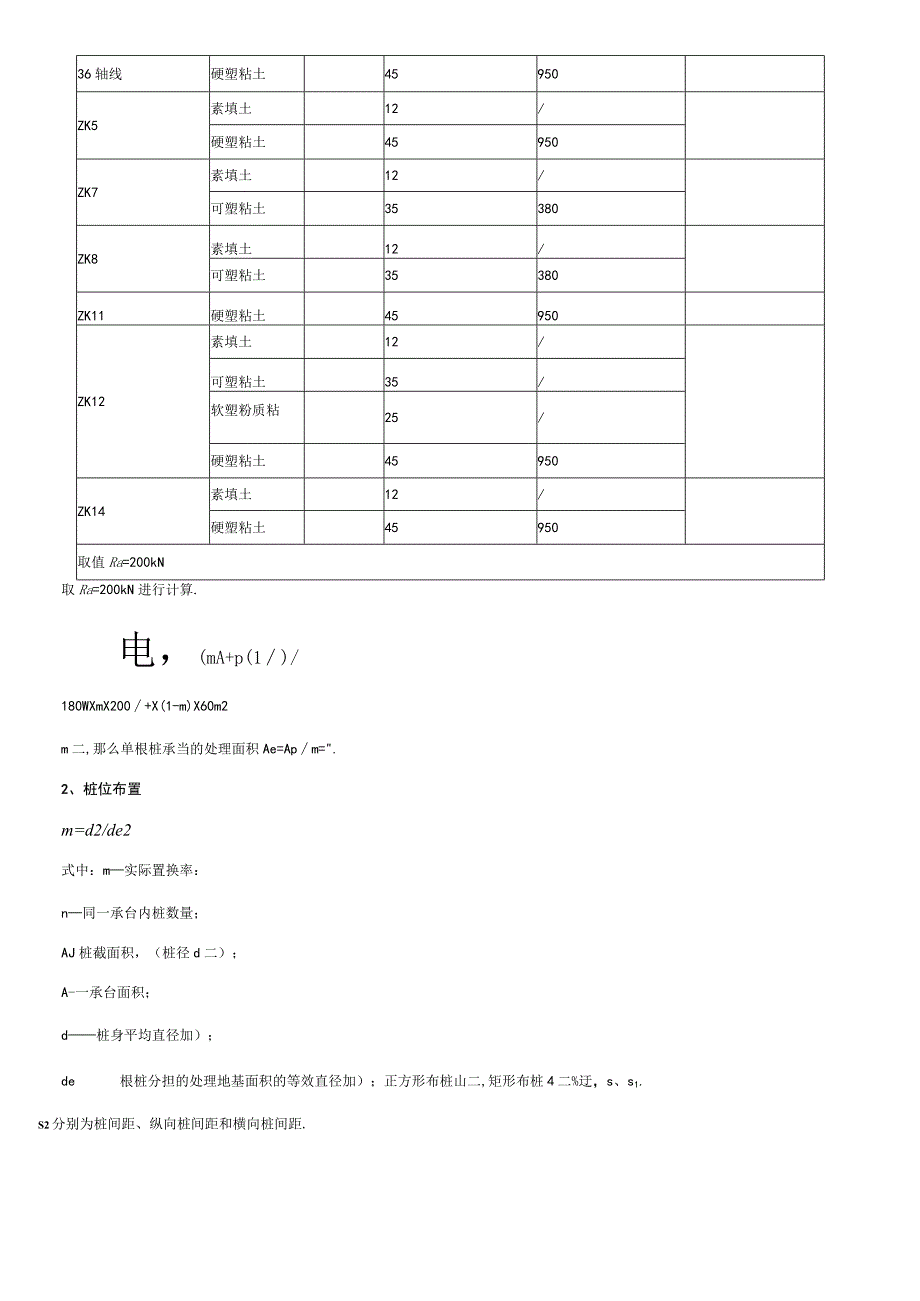
1、计算书:1、面积置换率计算依据?建筑地基处理技术标准?JGJ79-2021JR)_IP(1-mjfskRa=upXqsL,产PqPAp二人m.01式中:fspk一一复合地基承载力特征值,取值为180kPa;入一一单桩承载力发挥系数,取;即一一桩端端阻力发挥系数,取;”面积置换率;Ra一一单桩承载力特征值kN;Ap-一桩截面积,Ap二(桩径d二;0桩间土强度的发挥系数,按标准取;&处理后桩间土承教力特征值,取值60kPa(桩间土按素填土取值);UP桩的周长;qsi一一桩侧土侧阻力特征值;Ii一一第i层土的厚度;V一一桩端端阻力特征值,(以可塑粘土、硬塑粘土、强风化泥质砂岩作为桩端持力层).单桩承

2、载力R/计算和取值表代表性孔指标土层层厚桩侧土侧阻力特征值qsik,1桩端端阻力特征值q(kPa)单桩承载力特征值R(kN)ZK1素填土12/软塑粉质粘土25/硬塑粘土45950ZK3附近23轴线素填土12/可塑粉质粘土30/硬塑粘土45950ZK4附近素填土12/36轴线硬塑粘土45950ZK5素填土12/硬塑粘土45950ZK7素填土12/可塑粘土35380ZK8素填土12/可塑粘土35380ZK11硬塑粘土45950ZK12素填土12/可塑粘土35/软塑粉质粘25/硬塑粘土45950ZK14素填土12/硬塑粘土45950取值Ra=200kN取Ra=200kN进行计算.电,(mA+p(1)

3、/180WXmX200+X(1-m)X60m2m二,那么单根桩承当的处理面积Ae=Apm=.2、桩位布置m=d2/de2式中:m实际置换率:n同一承台内桩数量;AJ桩截面积,(桩径d二);A-一承台面积;d桩身平均直径加);de根桩分担的处理地基面积的等效直径加);正方形布桩山二,矩形布桩4二%迂,s、s1.S2分别为桩间距、纵向桩间距和横向桩间距.楼号序号承台类型承台尺寸(mm)桩位间距(m)桩径一个承台CFG桩根数实际置换率m桩顶标高(+0标高下)1#楼1DJJ-011900x19001100x1100350mm4根(局部2DJJ-022400x2400900x1300350mm6根3DJ

4、J-032700x3200950x1100350mm9根4DJJ-042300x3600850x1300350mm9根5DJJ-0510400x39001100x1100350mm40根6DJJ-063000x41001100x1100350mm12根7DJJ-072500x4000950x1100350mm12根8DJJ-083100x44001150x900350mm15根9DJJ-094300x55001150x950350mm24根10DJJ-102800x43001000x1200350mm12根11DJJ-113000x47001150x1000350mm15根12DJJ-1221

5、00x21001100x1100350mm5根2#楼1DJJ-011900x19001100x1100350mm4根2DJJ-022400x2400900x1300350mm6根3DJJ-032800x28001000x1000350mm9相4DJJ-041300x1300800x800350mm4限5DJJ-0510400x39001100x1100350mm40根6DJJ-063000x41001100x1100350mm12根7DJJ-072500x4000950x1100350mm12根8DJJ-083100x44001150x900350mm15根9DJJ-092300x360085

6、0x1300350mm9根10DJJ-102800x43001000x1200350mm12根11DJJ-112300x5400850x1200350mm15根12DJJ-124300x55001150x950350mm24根13DJJ-132700x3200950x1100350mm9根14DJJ-142300x3600850x1300350mm9眼15DJJ-151900x34001100x900350mm8根以上布班均由足4式中:m实际置换率;加4实际置换率;n同一承台内桩数量;AP桩截面积,(桩径d二);A-一承台面积.根据以上单桩承载力计算可知,按上表桩间距布置CFG桩,有效最短桩长

7、不应小于,才能满足上部荷载的要求,复合地基承载力特征值fspk2200kPa.3、桩体强度选择依据?建筑地基处理技术标准?JGJ79-2021,一入R式中:f一一桩体混合料试块28d立方体抗压强度平均值.f4a入一一单桩承载力发挥系数,取;AJ桩截面积,(桩径d二)Ra一一单桩承载力特征值200CkN);经计算:九二因成桩工艺选用长螺旋中央压灌成桩,应选用C20碎.4、复合地基承载力验算m-nA根据式中:m实际置换率;n同一承台内桩数量;Ap桩截面积,(桩径d二);A-一承台面积;并根据各类型根底CFG桩布桩形式及桩距,经计算,复合地基面积置换率m值均可满足设计要求;2复合地基承载力验算二九m

8、A+P(17)fs*P式中:,山&一复合地基承载力特征值;入一一单桩承载力发挥系数,取;w面积置换率,计算时取实际置换率,见布桩大样图;Ra单桩承载力特征值kN;AP一桩截面积,Ap=(桩径d=0;0一一桩间土强度的发挥系数,按标准取;%k处理后桩间土承载力特征值,取值60kPa(桩间土按素填土取值);复合地基承载力计算结果见下表.复合地基承载力计算结果表楼号根底型号实际面积置换率m单桩承载力特征值RaCkN)按最不利考虑处理后的桩间土承载力特征值f什kPa按最不利考虑单桩承载力发挥系数人桩间土强度发挥系数复合地基承载力特征值fJkPa1#楼DJJ-O160DJJ-O260DJJ-0360DJ

9、J-0460DJJ-0560DJJ-0660DJJ-0760DJJ-0860DJJ-0960DJJ-1O60DJJ-1160DJJ-12602#楼DJJ-O160DJJ-0260DJJ-0360DJJ-0460DJJ-0560DJJ-0660DJJ-0760DJJ-0860DJJ-0960DJJ-1O60DJJ-1160DJJ-1260DJJ-1360DJJ-1460DJJ-1560根据计算结果,其加固后的复合地基承载力特征值均大于180kPa.满足设计要求.5、压缩模量地基处理后的变形计算应按现行的国家标准?建筑地基处理技术标准?JGJ79-2021的有关规定执行,复合地基的压缩模量等于该天

10、然地基压缩模量自倍,按勘察报告提供的桩间土承载力特征值(素填土)f,=60kPa.自二fJf,.九。为处理后的复合地基承载力,自为压缩模量提升系数),各土层处理后的压缩模量详见表6.6、复合地基沉降和变形计算本工程根据场地地质条件和上部结构荷载选取最不利位置进行估算.根据?建筑地基根底设计标准?(GB50007-2021),?建筑地基处理技术标准?(JGJ79-2021)公式:SW=HxEZ产厂Z工一E工AjZe,Z二伙2.50.4m),As:v0.025As:计算变引於ISS式中:S地基最终变形量(mm);S按分层总和法计算出的地基变形量(mm);V,一一沉降经验系数,根据变形计算深度范围内

11、压缩模量的当量值(尺)、基底附加压力按?建筑地基处理技术规N地基变形计算深度范围内所划分的土层数;Po相应于作用的准永久组合时根底底面处的附加压力(kPa);Esi根底底面下底i层土的压缩模量(MPa);Z.、Zt一一根底底面至第i层土、第iT层土底面的距离(m);可、耳7根底底面计算点至第i层土、第iT层土底面范围内平均附加应力系数;E压缩模量当量值;Ai第i层土附加应力系数沿土层厚度的积分值;z一一变形计算深度,应大于复合土层的深度(m),计算深度范围内遇基岩时取至基岩外表;b根底宽度(m):As.在计尊深度范围内,第i层土的计算变形值(m);AS一一在计算深度范围内向上取厚度为Az的土层计算变形值,按?建筑地基根底设计标准?(GB50007-2021)W沉降、相邻柱基沉降差计算表6-1计算工程土层Po(kPa)Zn(m)fax(kPa)f8pk(kPa)压缩模量E(MPa)计算压缩模量值Es(MPa)模量提高系数ZZi*印-Z尸3)Es(MF1#楼5剖面35轴线素填土18060319硬塑粘土190可塑粉质粘120硬塑粘土190硬塑粘土190粉土1101#楼5剖面36轴线素填土18060287硬塑粘土190

展开阅读全文
相关资源
猜你喜欢
相关搜索

当前位置:首页 > 建筑/环境 > 桩基础

copyright@ 2008-2023 1wenmi网站版权所有

经营许可证编号:宁ICP备2022001189号-1

本站为文档C2C交易模式,即用户上传的文档直接被用户下载,本站只是中间服务平台,本站所有文档下载所得的收益归上传人(含作者)所有。第壹文秘仅提供信息存储空间,仅对用户上传内容的表现方式做保护处理,对上载内容本身不做任何修改或编辑。若文档所含内容侵犯了您的版权或隐私,请立即通知第壹文秘网,我们立即给予删除!