led手电筒照明线性恒流驱动芯片推荐SM2123EGL双通道可调光.docx

上传人:p** 文档编号:755166 上传时间:2024-02-26 格式:DOCX 页数:3 大小:73.17KB
下载 相关 举报
led手电筒照明线性恒流驱动芯片推荐SM2123EGL双通道可调光.docx_第1页
第1页 / 共3页
led手电筒照明线性恒流驱动芯片推荐SM2123EGL双通道可调光.docx_第2页
第2页 / 共3页
led手电筒照明线性恒流驱动芯片推荐SM2123EGL双通道可调光.docx_第3页
第3页 / 共3页
亲,该文档总共3页,全部预览完了,如果喜欢就下载吧!
资源描述

《led手电筒照明线性恒流驱动芯片推荐SM2123EGL双通道可调光.docx》由会员分享,可在线阅读,更多相关《led手电筒照明线性恒流驱动芯片推荐SM2123EGL双通道可调光.docx(3页珍藏版)》请在第壹文秘上搜索。

1、led手电筒照明线性恒流驱动芯片推荐:SM2123EGL双通道可调光1.ED手电筒照明线性恒流驱动芯片是一种专门用于LED手电筒的照明系统的关键组件。它采用了线性恒流驱动技术,可以确保LED手电筒在不同电池电压和温度变化下,保持恒定的亮度输出,提高了LED手电筒的稳定性和可靠性。1.ED手电筒照明线性恒流驱动芯片的工作原理是通过对LED的电流进行精确控制,从而实现LED的恒定亮度输出。它具有多种保护功能,包括过温保护、短路保护和过压保护,可以有效地保护LED手电筒和其它元件,延长了产品的使用寿命。此外,LED手电筒照明线性恒流驱动芯片还具有高效能转换特性,可以将电池的电能有效转换为LED的光能

2、,提高了LED手电筒的续航能力。同时,它还可以实现PWM调光功能,根据需要调整LED的亮度,满足不同环境下的照明需求。其中SM2123EGL就是一款高性能的LED手电筒照明线性恒流驱动芯片,具有双通道可调光功能,能够满足各种照明场景的需求。该芯片采用先进的线性恒流驱动技术,能够确保LED的稳定亮度输出,提供稳定且高效的照明效果。该芯片支持宽电压输入范围,能够适应多种不同的供电情况,同时具有过压、过流、过热等多重保护功能,能够有效保护LED和芯片本身,提高了整个手电筒系统的可靠性和安全性。典型应用SM2123EGL还具有双通道可调光功能,用户可以通过外部控制信号对LED的亮度进行精确调节,从而满

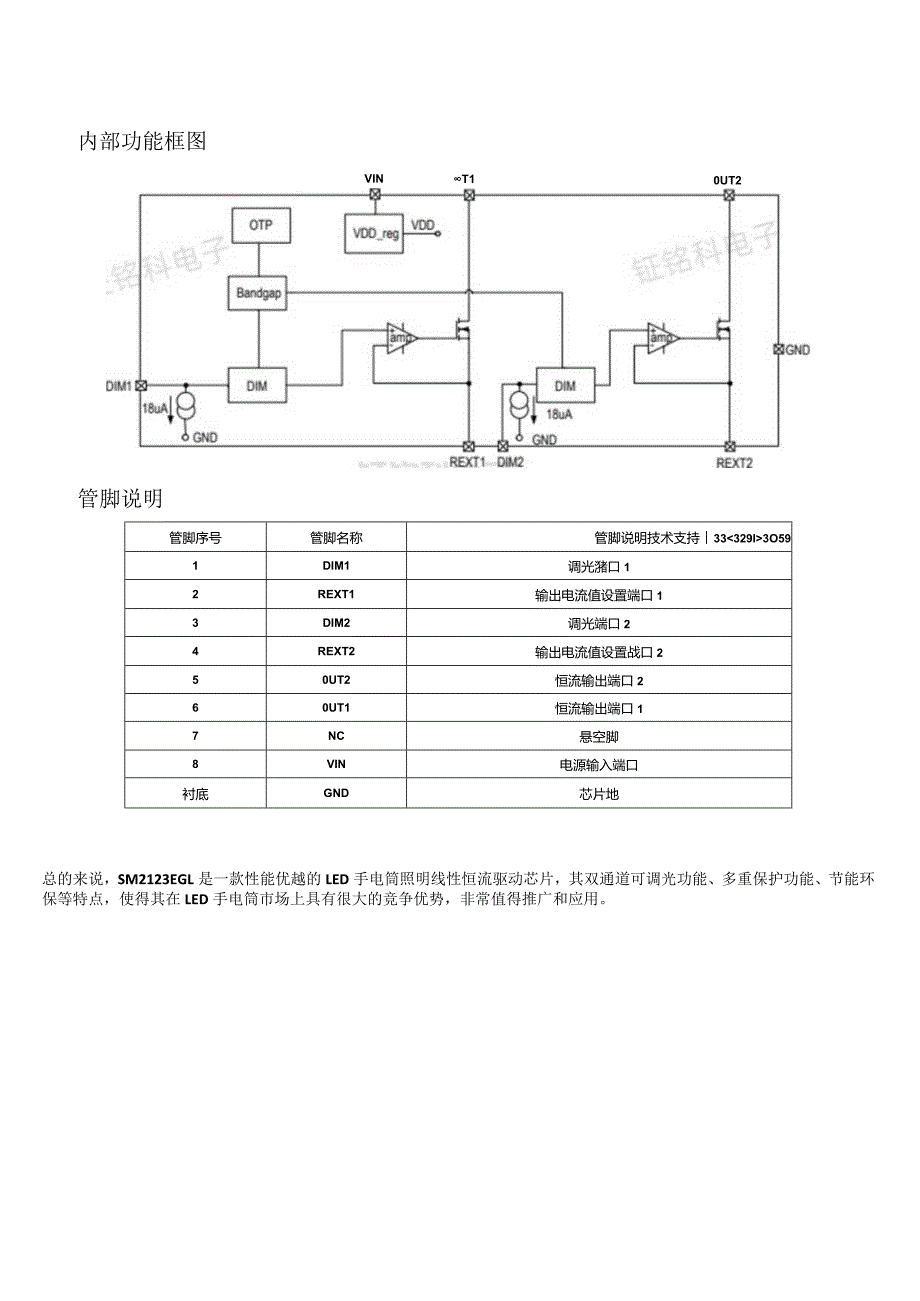
3、足不同环境下的照明需求。这一特性使得手电筒在使用过程中更加灵活多变,能够适应不同的照明场景,提高了用户的使用体验。此外,SM2123EGL芯片在功耗控制方面也表现优异,能够有效降低整个手电简系统的能耗,延长电池寿命,减少更换电池的频率,降低使用成本,具有很高的经济性和环保性。内部功能框图VINT10UT2管脚说明管脚序号管脚名称管脚说明技术支持333O591DIM1调光潴口12REXT1输出电流值设置端口13DIM2调光端口24REXT2输出电流值设置战口250UT2恒流输出端口260UT1恒流输出端口17NC悬空脚8VIN电源输入端口衬底GND芯片地总的来说,SM2123EGL是一款性能优越的LED手电筒照明线性恒流驱动芯片,其双通道可调光功能、多重保护功能、节能环保等特点,使得其在LED手电筒市场上具有很大的竞争优势,非常值得推广和应用。

展开阅读全文
相关资源
猜你喜欢
相关搜索

当前位置:首页 > 通信/电子 > 电子设计

copyright@ 2008-2023 1wenmi网站版权所有

经营许可证编号:宁ICP备2022001189号-1

本站为文档C2C交易模式,即用户上传的文档直接被用户下载,本站只是中间服务平台,本站所有文档下载所得的收益归上传人(含作者)所有。第壹文秘仅提供信息存储空间,仅对用户上传内容的表现方式做保护处理,对上载内容本身不做任何修改或编辑。若文档所含内容侵犯了您的版权或隐私,请立即通知第壹文秘网,我们立即给予删除!