吊顶内管路敷设工程施工工艺.docx

上传人:p** 文档编号:763560 上传时间:2024-02-26 格式:DOCX 页数:15 大小:166.14KB
下载 相关 举报
吊顶内管路敷设工程施工工艺.docx_第1页
第1页 / 共15页
吊顶内管路敷设工程施工工艺.docx_第2页
第2页 / 共15页
吊顶内管路敷设工程施工工艺.docx_第3页
第3页 / 共15页
吊顶内管路敷设工程施工工艺.docx_第4页
第4页 / 共15页
吊顶内管路敷设工程施工工艺.docx_第5页
第5页 / 共15页
吊顶内管路敷设工程施工工艺.docx_第6页
第6页 / 共15页
吊顶内管路敷设工程施工工艺.docx_第7页
第7页 / 共15页
吊顶内管路敷设工程施工工艺.docx_第8页
第8页 / 共15页
吊顶内管路敷设工程施工工艺.docx_第9页
第9页 / 共15页
吊顶内管路敷设工程施工工艺.docx_第10页
第10页 / 共15页
亲,该文档总共15页,到这儿已超出免费预览范围,如果喜欢就下载吧!
资源描述

《吊顶内管路敷设工程施工工艺.docx》由会员分享,可在线阅读,更多相关《吊顶内管路敷设工程施工工艺.docx(15页珍藏版)》请在第壹文秘上搜索。

1、、施工准备(一)作业条件1、结构施工时配合土建,按照设计图纸做好顶板及墙内管路预埋、吊架预埋件的安装工作,顶板及墙内管路甩口位置要准确。2、吊顶内配管应配合吊顶施工进行,项目经理部根据工程进度,合理安排配管与吊顶的施工工序,避免交叉打架现象。(二)材料要求1、钢管:管材壁厚均匀、焊缝均匀,无劈裂、砂眼、棱刺和凹扁现象。除镀锌管外其他管材需预先进行管内外除锈、刷防腐漆,现浇混凝土时,管外可不刷防腐漆.但应除锈。镀锌管或刷过防腐漆的钢管外表层完整无剥落现象,并有出厂合格证。2、管箍:管箍使用通丝管箍,丝扣清晰、不乱扣,镀锌层完整无剥落、无劈裂、两端光滑无毛刺,并有产品合格证。3、锁紧螺母、护口:锁

2、紧螺母(根母)、护口外形完好无损,丝扣清晰并有产品合格证。4、铁制灯头盒、开关盒、接线盒等,金属盒板厚度应符合建筑电气通用图集(92DQ)的要求,镀锌层无剥落,无变形开焊,敲落孔完整无缺,面板安装孔与地线焊接脚齐全,并有出厂合格证、“CCC”认证标志和认证证书复印件。5、面板、盖板的规格、高与宽、安装孔距应与所用盒配套,外形完整无损,板面颜色均匀一致,并有出厂合格证。6、圆钢、扁钢、角钢等材质应符合国家现行标准要求,镀锌层完整无损,并有质量证明文件。7、螺栓、螺丝、胀管螺栓、螺母、垫圈等应使用镀锌件。8、其他材料(如电焊条、防锈漆)无过期变质现象。(三)主要机具1、煨弯器、液压煨弯器、液压开孔

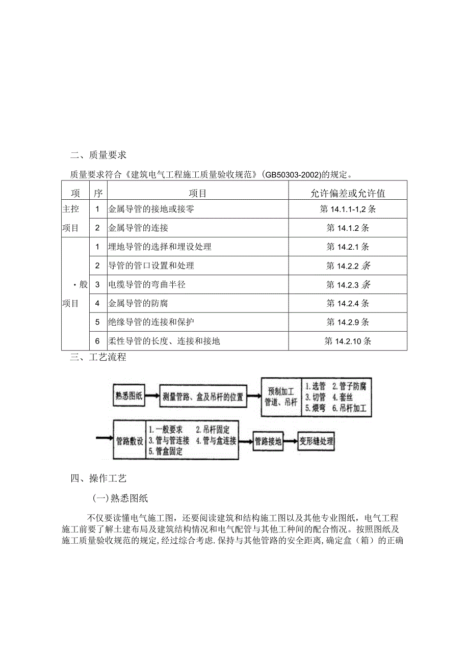
3、器、压力案子、套丝扳、套丝机等。2、手锤、鎏子、钢锯、扁铿、圆铿、半圆铿、活扳子等。3、手电钻、台钻、钻头、工具袋、高凳、电工常用工具等。二、质量要求质量要求符合建筑电气工程施工质量验收规范(GB50303-2002)的规定。项序项目允许偏差或允许值主控项目1金属导管的接地或接零第14.1.1-1,2条2金属导管的连接第14.1.2条般项目1埋地导管的选择和埋设处理第14.2.1条2导管的管口设置和处理第14.2.2条3电缆导管的弯曲半径第14.2.3条4金属导管的防腐第14.2.4条5绝缘导管的连接和保护第14.2.9条6柔性导管的长度、连接和接地第14.2.10条三、工艺流程四、操作工艺(

4、一)熟悉图纸不仅要读懂电气施工图,还要阅读建筑和结构施工图以及其他专业图纸,电气工程施工前要了解土建布局及建筑结构情况和电气配管与其他工种间的配合惰况。按照图纸及施工质量验收规范的规定,经过综合考虑.保持与其他管路的安全距离,确定盒(箱)的正确位置及管路的敷设部位和走向,以及在不同方向进出盒(箱)位置。(二)测量管路、盒及吊杆的位置1、根据电气设计图纸以土建吊顶的水平高程线为基础并与其他专业配合(通风、空调)进行图纸会审,如有相互交叉、打架、距离不符合要求或接线不方便等情况提前制定技术措施,并及时办理洽商。2、管路、盒的测量放线:按照管路横平竖直的原则,沿管路的垂直和水平方向进行顶板、墙壁的弹

5、线定位,注意与其他管路相互间的最小距离。用线坠找正,拉线确定管路距顶板的距离及接线盒的位置,并做好标识。3、吊杆位置的测量:根据吊杆位置的确定原则和管子的终端、转弯中点(两侧)、接线盒两端的距离为150250mm,固定点间距要求均匀,既不能过大,也不能过小,管子中间固定点的最大距离见下表。敷设方式导管种类导管直径152025323240506565以上管卡间最大距离(IiI)支架或沿墙明瓠壁厚2mm刚性钢导管1.52.02.52.53.5壁厚2mm刚性钢导管1.01.52.0刚性绝缘导管1.01.51.52.02.0O5-34、当吊顶有分格块线条时,灯位必须按吊顶块分布均匀,见图5-3o按几何

6、图型组成的灯位应相互对称布置,然后再根据灯位的位置确定配管管潞的最佳敷设部位及走向。(三)预制加工管路、吊杆管子加工:根据设计图纸加工各种管弯及管子套丝。1、选管管子加工前应对管材进行外观检查,管壁应厚度均匀、不扁、不裂,管身不弯曲、不变形。2、管子防腐钢管内如有灰尘、油污或受潮生锈将会造成穿线困难、损伤,降低绝缘层性能,所以在敷设管子前必须对管子内外进行除锈、防腐处理。(1)管子内壁除锈及刷防锈漆:将管子放在架子上,用棉丝、布条或原形钢丝刷两头各绑一根钢丝穿入管内,站在管子两端的人来回拉动管内钢丝带动所绑物,把管内铁锈清除干净,然后清除所绑物上的浮锈或换新的所绑物后,用所绑物多次沾防锈漆,在

7、管内来回拉动,直至使管内壁涂漆均匀到位为止。另一方法是:把钢管在架子上交错倾斜放置,用透明塑料软管将管子串接一体,在最上一层管日处灌入防锈漆,由最下一层管口处自然排出后,管内壁涂漆均匀即可,注意管子倾斜角度不能过大。(2)管外防腐用铁刷除锈后用毛刷沾防锈漆满刷均匀即可。(3)使用镀锌管时,在镀锌层剥落处也应进行防腐处理。3、管子切断常用钢锯、无齿锯进行切管,将需要切断的管子长度量准确,放在钳日内卡牢固。(1)用钢锯切管时,要注意使锯条保持垂直,避免切日处出现马蹄口,推锯时稍加用力使其发生割作用,但用力不要过猛,以免别断锯条;回锯时不加用力,锯稍拾起,尽量减少锯条磨损;当快要切断时,要减慢锯割速

8、度,使管子平稳地锯断,防止锯条发热,要注意经常在锯条口上涂油。(2)(3)用无齿锯切管时,应利用纤维增强砂轮片切割,操作时用力均匀平稳,不能用力过猛,以免过载或砂轮崩裂。(4)管子切断后,断日处应与管轴线垂直,断口处平齐不歪斜,当出现马蹄口后应重新切断,切断管口处用神刀锂平、光滑,无毛刺,管内铁屑除净。4、管子套丝(1)根据管子外径选择相应的扳牙,用套丝扳或套丝机套丝时,先将管子用台钳或龙门压力架钳紧固定,再把绞板套在管端,调整绞扳的活动刻度盘,使扳牙符合需要的距离,用固定螺丝固定,在调整绞扳上的三个支撑脚,使其紧贴管子,防止套丝时出现斜丝。绞扳调好后,手握绞手柄,平稳向里推进,按顺时针方向转

9、动,转动要平稳,太快了不宜带上丝,均匀用力不得过猛,避免偏丝啃丝,随套随浇冷却液。(2)管径20rn及以下时,应分二扳套成;管径在25Tml及以上时分三扳套成。(3)由于钢管丝扣连接的部位不同,管端套丝长度也不相同。用与接线盒、配电箱连接处的套丝长度不小于管外径的L5倍;用在管与管相连接部位时,套丝长度不小于管接头长的1/2加24扣。(4)套完丝扣后,随即清理管口,将套丝端面毛刺处理完,清除渣屑,使管子保持光滑,丝扣不乱不过长,丝扣干净清晰。5、管子弯曲(1)在弯曲钢管时,根据不同的管径,用8#铁丝做好不同的样板,以便在弯曲管子的同时进行对照检查。(2)冷煨法:一般管径在20m及以下时,用手扳

10、煨管器。煨管器应根据管子直径选用,不得以大代小,更不能以小代大。煨管时把煨管器套在管子需要弯曲部位(即弯曲点),用脚踩住管子、扳动煨管器手柄,稍加一定的力,使管子略有弯曲.然后逐点向后移动煨管器,重复前次动作,直至弯曲部位的后端,使管子逐步煨出所需要的弯曲半径和弯曲角度。(3)管径在25mm及以上时,使用液压煨管器,模具应按线管弯曲半径的要求进行选择,即将已画好线的管子放入弯管机模具内,使管子的弯曲点对准弯管机的起弯点,然后拧紧夹具,弯管时当弯曲角度大于所需角度2。时停止,将弯管机退回起弯点,用样板测量弯曲半径和弯曲角度。应注意的是所弯的管外径一定与弯管模具配合贴紧,否则管子会产生凹瘪现象。(

11、4)热煨法:对于直径较大的管子采用热煨法时,煨管前先把管内装满振实炒干的砂子,两端塞紧后.在烘炉上或焦炭火上加热后,放在模具上弯曲。用气焊加热煨管时,先在钢管上划出直线段,再划出加热长度L,先在L部分上预热,再从弯曲点开始,边加热边弯曲,弯曲半径应尽量一致,防止弯曲段表面产生褶皱。因弯曲冷却后角度约回缩2。3。,弯制时要比预定弯曲角度略大2。3。,加热长度L可用简单的公式计算:L=JIdR180=0.0175dR式中:d为弯曲角度R为弯曲半径热煨时要掌握好火候,钢管烧得不红弯不动,烧得过红或者红得不均匀都容易弯瘪。(5)注意弯曲半径不小于管外径的6倍,钢管加工时其弯曲处不应有褶皱、凹穴、折扁和

12、裂缝现象,弯扁程度不大于管外径的10%,弯曲角度不小于90。6、吊杆加工:(1)根据图纸灯具的重量选择吊杆的直径,如设计无要求,一般吊杆的直径不小于8,吊杆应进行防腐处理。(2)根据土建吊顶标高至顶板的距离确定吊杆的截取长度。(3)根据吊杆与顶板的固定方法预制加工吊杆:方法一:吊杆与顶板上的预埋件焊接时,根据吊杆的下料长度,将吊杆的一端弯成90,弯折的长度为50mm,另一端长度根据吊顶的高程确定。方法二:吊杆与顶板用膨胀螺栓(塑料胀管)固定时,吊杆的一端与角钢焊接,角钢型号为L30X3,截取长度为50mm,角钢一面打8的螺栓孔,另一面与吊杆双面施焊,焊接长度为30mmo(四)管路敷设1、一般要

13、求(1)吊顶内管路敷设按设计要求正确选用管材。(2)不能上人的固定封闭吊顶按暗配管敷设。这些部位除灯具自身的接线盒外,不应装设接线盒,由于线路分支等必须加盒时,应留检查孔。吊顶内装设的接线盒必须单独固定,其朝向应便于检修和接线。(3)可上人的吊顶内的配管其管路、走向、支架固定按明配管要求施工。(4)在吊顶内不得使用半硬质塑料管和塑料波纹管。设计如为硬质塑料电线管,要求氧指数必须227机(5)在吊顶内由接线盒引向灯具的灯头线管材质根据管路敷设的材质选用相同材质的保护软管,其保护软管长度在动力工程中不超过0.8m,在照明工程中不超过1.2m(例如目设计为钢管时,选用金属软管;设计为硬质塑料线管时,

14、选用阻燃型塑料波纹管)。(6)吊顶内敷设的管路应有单独的吊杆或支撑装置。(7)吊顶内管路敷设对其周围的易燃物做好防火隔热处理,中间接线盒应加盖板封闭,盖板涂刷与墙壁面或顶棚相同颜色的油漆两遍。(8)吊顶内敷设的管路在进入接线盒时,其内外应装有锁母固定。(9)吊顶内管路敷设应保持与其他专业管线的最小距离:当管路敷设在热水管下面时为0.2m,上面时为0.3u当管路敷设在蒸汽管下面时为0.5m,上面时为1m。当不能符合上列要求时,应采取隔热措施,对有保温措施的蒸汽管,上、下净距均可减少至O.2m。电线管路与其他管路的平行净距不应小于0.1m。当与水管同侧敷设时,宜敷设在水管的上面。(10)管路敷设应

15、尽量减少接线盒,只有在管路较长或有弯曲时(管入盒处弯曲除外)才允许加装接线盒或放大管径。管路水平敷设时接线盒间距应符合下列要求:无弯管路,不超过30m;两个接线盒之间有一个弯时,不超过20m;两个接线盒之间有两个弯时,不超过15m;两个接线盒之间有三个弯时,不超过8m。2、吊杆固定根据吊杆测量的位置进行吊杆的固定:(1)焊接法:在顶板上找出预埋的焊接件,清理干净,将加工好的吊杆与之两面施焊,焊接要饱满、垂直、牢固,焊渣清除后进行防腐处理。(2)塑料胀管法:根据吊杆的位置钻孔,钻塑料胀管孔使用单相串激式冲击电钻,如果使用手电钻时,应使用合金钢钻头。孔径与塑料胀管外径相同,孔深不应小于胀管的长度,钻好孔,放入塑料胀管,用螺丝将加工好的吊杆与之固定(见图5-4)O(3)钻膨胀螺栓套管孔时,当孔径在(M2以上时用电钻钻孔,钻头外径与套管外径相同,钻出的孔径与套管外径的差值不大于1mm,孔深

展开阅读全文
相关资源
猜你喜欢
相关搜索

当前位置:首页 > 建筑/环境 > 施工组织

copyright@ 2008-2023 1wenmi网站版权所有

经营许可证编号:宁ICP备2022001189号-1

本站为文档C2C交易模式,即用户上传的文档直接被用户下载,本站只是中间服务平台,本站所有文档下载所得的收益归上传人(含作者)所有。第壹文秘仅提供信息存储空间,仅对用户上传内容的表现方式做保护处理,对上载内容本身不做任何修改或编辑。若文档所含内容侵犯了您的版权或隐私,请立即通知第壹文秘网,我们立即给予删除!