公司精益项目评选细则.docx

上传人:p** 文档编号:769689 上传时间:2024-02-26 格式:DOCX 页数:1 大小:17.05KB
下载 相关 举报
公司精益项目评选细则.docx_第1页
第1页 / 共1页
亲,该文档总共1页,全部预览完了,如果喜欢就下载吧!
资源描述

《公司精益项目评选细则.docx》由会员分享,可在线阅读,更多相关《公司精益项目评选细则.docx(1页珍藏版)》请在第壹文秘上搜索。

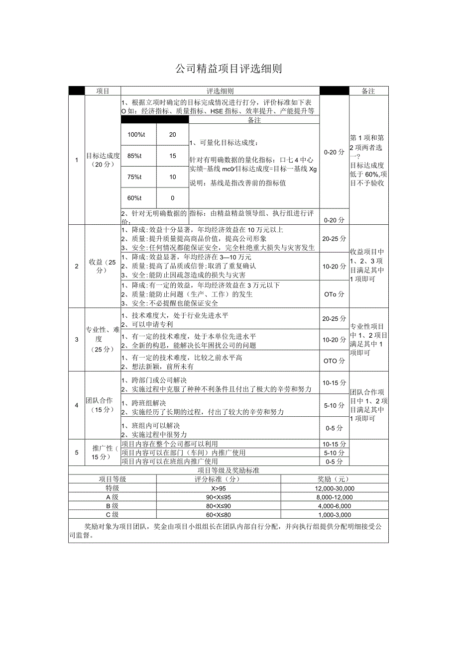
1、公司精益项目评选细则项目评选细则备注1目标达成度(20分)1、根据立项时确定的目标完成情况进行打分,评价标准如下表O如:经济指标、质量指标、HSE指标、效率提升、产能提升等0-20分第1项和第2项两者选一?目标达成度低于60%,项目不予验收备注100%t201、可量化目标达成度:针对有明确数据的量化指标:口七4中心实绩-基线mc0目标达成度=目标一基线Xg说明:基线是指改善前的指标值85%t1575%t1060%t02、针对无明确数据的价:指标:由精益精益领导组、执行组进行评0-20分2收益(25分)1、降成:效益十分显著,年均经济效益在10万元以上2、质量:提升质量提高商品价值,提高公司形象

2、3、安全:任何情况都能保证安全,完全杜绝重大损失与灾害发生20-25分收益项目中1、2、3项目满足其中1项即可1、降成:效益显著,年均经济在310万元2、质量:提高了品质或信誉;取消了重复确认3、安全:能防止因疏忽造成的损失与灾害10-20分1、降成:有一定的效益,年均经济效益在3万元以下2、质量:能防止问题(生产、工作)的发生3、安全:不必提醒也能保证安全OTo分3专业性、难度(25分)1、技术难度大,处于行业先进水平2、可以申请专利20-25分专业性项目中1、2项目满足其中1项即可1、有一定的技术难度,处于本单位先进水平2、全新的构思,能解决长年困扰公司的问题10-20分1、有一定的技术难

3、度,比较之前水平高2、想法新颖,前所未有OTO分4团队合作(15分)1、跨部门或公司解决2、实施过程中克服了种种不利条件且付出了极大的辛劳和努力10-15分团队合作项目中1、2项目满足其中1项即可1、跨班组解决2、实施经历了长期的过程,付出了较大的辛劳和努力5-10分1、班组内可以解决2、实施过程中很努力0-5分5推广性(15分)项目内容在整个公司都可以利用10-15分项目内容可以在部门(车间)内推广使用5-10分项目内容可以在班组内推广使用0-5分项目等级及奖励标准项目等级评分标准(分)奖励(元)特级X9512,000-30,000A级90X958,000-12,000B级80X904,000-6,000C级60X801,000-3,000奖励对象为项目团队,奖金由项目小组组长在团队内部自行分配,并向执行组提供分配明细接受公司监督。

展开阅读全文
相关资源
猜你喜欢
相关搜索

当前位置:首页 > 办公文档 > 规章制度

copyright@ 2008-2023 1wenmi网站版权所有

经营许可证编号:宁ICP备2022001189号-1

本站为文档C2C交易模式,即用户上传的文档直接被用户下载,本站只是中间服务平台,本站所有文档下载所得的收益归上传人(含作者)所有。第壹文秘仅提供信息存储空间,仅对用户上传内容的表现方式做保护处理,对上载内容本身不做任何修改或编辑。若文档所含内容侵犯了您的版权或隐私,请立即通知第壹文秘网,我们立即给予删除!