建筑案例分析题目整理及答案概览.docx

上传人:p** 文档编号:774514 上传时间:2024-02-26 格式:DOCX 页数:28 大小:171.46KB
下载 相关 举报
建筑案例分析题目整理及答案概览.docx_第1页
第1页 / 共28页
建筑案例分析题目整理及答案概览.docx_第2页
第2页 / 共28页
建筑案例分析题目整理及答案概览.docx_第3页
第3页 / 共28页
建筑案例分析题目整理及答案概览.docx_第4页
第4页 / 共28页
建筑案例分析题目整理及答案概览.docx_第5页
第5页 / 共28页
建筑案例分析题目整理及答案概览.docx_第6页
第6页 / 共28页
建筑案例分析题目整理及答案概览.docx_第7页
第7页 / 共28页
建筑案例分析题目整理及答案概览.docx_第8页
第8页 / 共28页
建筑案例分析题目整理及答案概览.docx_第9页
第9页 / 共28页
建筑案例分析题目整理及答案概览.docx_第10页
第10页 / 共28页
亲,该文档总共28页,到这儿已超出免费预览范围,如果喜欢就下载吧!
资源描述

《建筑案例分析题目整理及答案概览.docx》由会员分享,可在线阅读,更多相关《建筑案例分析题目整理及答案概览.docx(28页珍藏版)》请在第壹文秘上搜索。

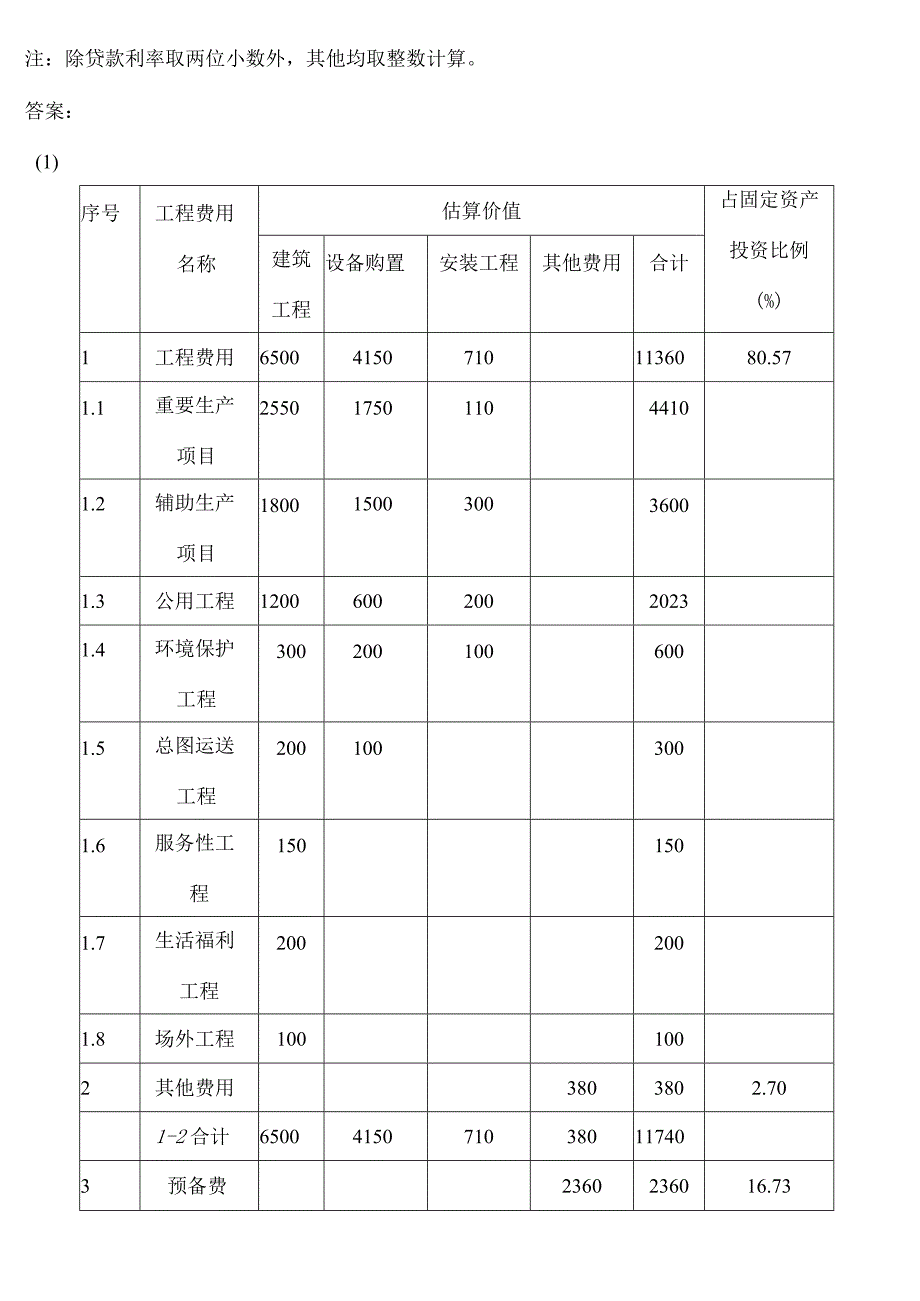
1、P9习题1拟建某工业建设项目,各项费用估计如下:(1)重要生产项目4410万元(其中:建筑工程费2550万元,设备购置费1750万元,安装工程费110万元)(2)辅助生产项目3600万元(其中:建筑工程费1800万元,设备购置费1500万元,安装工程费300万元)(3)公用工程2023万元(其中:建筑工程费1200万元,设备购置费600万元,安装工程费200万元)(4)环境保护工程600万元(其中:建筑工程费300万元,设备购置费200万元,安装工程费100万元)(5)总图运送工程300万元(其中:建筑工程费200万元,设备购置费100万元)(6)服务性工程150万元(7)生活福利工程200万

2、元(8)厂外工程100万元(9)工程建设其他费380万元(10)基本预备费为工程费用与其他工程费用合计的10%(三)建设期内年均投资价格上涨率估计6%(12)建设期为2年,每年建设投资相等,贷款利率11%(每六个月计息一次)问题:将以上的数据填入投资估算表。列式计算基本预备费、涨价预备费、投资方向调整税、实际年贷款利率和建设期贷款利息。完毕建设项目投资估算表。注:除贷款利率取两位小数外,其他均取整数计算。答案:(1)序号工程费用名称估算价值占固定资产投资比例(%)建筑工程设备购置安装工程其他费用合计1工程费用650041507101136080.571.1重要生产项目2550175011044

3、101.2辅助生产项目1800150030036001.3公用工程120060020020231.4环境保护工程3002001006001.5总图运送工程2001003001.6服务性工程1501501.7生活福利工程2002001.8场外工程1001002其他费用3803802.701-2合计65004150710380117403预备费2360236016.733.1基本预备费117411743.2涨价预备费11861186第13合计65004150710274014100占13比例(%)46.1029.435.0419.431004投资方向调整税00第14合计65004150710274

4、0141005建设期贷款利息16381638总计65004150710437815738(2)预备费:基本预备费=11740*10%=1174万元涨价预备费=(11740+1174)/2*(l+6%)1-1)+(11740+1174)2*(1+6%)2-1)=1186万元预备费=I174+1186=2360万元固定资产投资方向调整税二0年实际贷款利率i=(l+rm)m-l=(1+11%2)2-1=11.30%建设期贷款利息:第一年贷款利息=(11740+2360)*0.5*0.5*lL30%=398万元次年贷款利息二(7050+398+7050*0.5)*11.30%=1240万元建设期贷款利

5、息=398+1240=1638万元(3)见1)中表格工程费用占固定资产的比例=11360/(11360+380+2360)=11360/14100=80.57%工程建设其他费占固定资产的比例=380/14100=2.70%预备费占固定资产的比例=2360/14100=16.73%Pll习题3背景资料:1、某拟建工业项目年生产能力为500万吨。与其同类型的!某已建项H年生产能力为300万吨,设备投资额为4000万元,经测算,设备投资肚)综合调价系数为1.2。该已建项目中建筑工程、安装工程及其他费用等占设备投资的比例分别为60%、30%和6%,对应日勺综合调价系数为1.2、1.1、1.05。2、已

6、知拟建项目投资中的4500万元靠建设银行贷款处理,其他为自筹资金。建设期投资安排为:第一年投资额为30%,次年投资额为50%,第三年投资额为20%。建设银行贷款各年的发放比例也为30%、50%、20%O贷款年利率为10%,每六个月计息一次。3、基本预备费按设备购置费、建设工程费、安装工程费和其他费用之和的8%计算;建设期内年平均价格上涨5%。4、固定资产投资方向调整税不计取。5、该拟建项目生产,根据记录资料,该项目年经营成本估算为14000万元,存货资金占用估算为4700万元,所有职工人数为100O人,每人每年工资及福利费估算为9600元,其他费用估算为3500万元,年外购原材料、燃料及动力费

7、为15000万元。各项资金的周转天数:应收账款为30天,现金为15天,应付账款为30天。问题:(1)用生产能力指数法估算拟建项目的设备投资额。已知生产能力指数n=0.8(2)确定固定资产投资中的静态投资估算值。(3)确定拟建项目的投资估算总额。答案:(1)拟建项目日勺设备投资额=4000*(500/300)八0.5*1.2=6196.77万元建筑工程费=6196.77*60%*1.2=4461.67万元安装工程费=6196.77*30%*l.1=2044.93万元其他费用=6196.77*6%*1.05=390.4万元工程费=6196.77+4461.67+2044.93=12703.37万元

8、基本预备费=(12703.37+390.4)*8%=1047.5万元(2)固定资产静态投资估算=工程费+工程建设其他费+基本预备费=12703.37+390.4+1047.5=14141.27万元涨价预备费:第一年=1414L27*30%*(l+5%)八1-1=212.12万元次年=14141.27*50%*(1+5%)2-1=724.74万元第三年二1414L27*20%*(l+5%)人3-l=445.80万元涨价预备费二212.12+724.74+445.80=1382.66万元建设期贷款利息:实际利率=(l+10%2)2-l=10.25%第一年利息=4500*30%*0.5*10.25%

9、=69.188万元次年利息=(4500*30%+69.188+4500*50%*0.5)*10.25%=260.779万元第三年利息=(4500*30%+69.188+4500*50%+260.779+4500*20%*0.5)*10.25%=448.947万元建设期利息=69.188+260.779+448.947=778.91万元固定资产投资=14141.28+1382.66+778.91=16032.85万元(3)流动资产:现金=(0.96*1000+3500)(36015)=185.83万元应收账款二14000(36030)=1166.67万元存货=4700万元流动资产=185.83+

10、1166.67+4700=6052.50万元流动负债:应付账款=15000(36030)=1250万元流动资金=流动资产-流动负债=6052.50-1250=4802.50万元拟建项目的投资估算额=16302.85+4802.50=21105.35万元P23习题一已知:寿命周期23年,其中建设期2年,生产期23年,基准动态回收期为9年,年利率12%,每年两次计息。问题:(1)将表中现金流入,现金流出,净现金流量,合计净现金流量各栏数据填写完整(2)计算折现率,折现系数,折现现金流量和合计折现现金流量(3)计算静态,动态投资回收期(4)根据上述计算成果对该项目日勺可行性作出评价所有现金流量表单位

11、:万元序号项目追毁期生产期123456789101112生产负荷(%)1现金流入21003000300030003000300030003000300028001.1销售收入21003000300030003000300030003000300021001.2回收固定资产余值1.3回收流动资金7002现金流出1200180018652140194019401940194019401940194013652.1固定资产投资120018002.2流动资金5002002.3经营成本12001700170017001700170017001700170012002.4税金165240240240240

12、2402402402401653净现金流量-1200-1800235860106010601060106010601060106014354合计净现金流量-1200-3000-2765-1905-8452151275233533954455551569505折现系数0.890.7920.7050.6270.5580.4970.4420.3940.350.3120.2780.2476折现净现金流量-1068-1425.6165.68539.22591.90526.82468.84417.22371.32330.51294.15354.457合计折现净现金流量-1068-2493.78-2328.10-1788.54-1196.64-669.82-200.98216.24587.56918.071212.21566.7答案:(1)现金流入=销售收入+回收固定资产原值+回收流动资金现金流出二固定资产投资+流动资金+经营成本+销售税金及附加+所得税净现金流量=现金流入一现金流出根据以上公式将成果填入表格(2)折现率=(l+rm) m-1= (1+12%2)折现系数=(1+i) -l第一年=(1 + 12.36%) ,=0.89次年=(1+12.36%) -2=0.7921第三年=(1+12.36%) -3=0.705第四年=(1 + 12.36%) 4=0.6274第

展开阅读全文
相关资源
猜你喜欢
相关搜索

当前位置:首页 > 建筑/环境 > 建筑资料

copyright@ 2008-2023 1wenmi网站版权所有

经营许可证编号:宁ICP备2022001189号-1

本站为文档C2C交易模式,即用户上传的文档直接被用户下载,本站只是中间服务平台,本站所有文档下载所得的收益归上传人(含作者)所有。第壹文秘仅提供信息存储空间,仅对用户上传内容的表现方式做保护处理,对上载内容本身不做任何修改或编辑。若文档所含内容侵犯了您的版权或隐私,请立即通知第壹文秘网,我们立即给予删除!