医院大体积防辐射混凝土施工方案.docx

上传人:p** 文档编号:779092 上传时间:2024-02-26 格式:DOCX 页数:42 大小:380.67KB
下载 相关 举报
医院大体积防辐射混凝土施工方案.docx_第1页
第1页 / 共42页
医院大体积防辐射混凝土施工方案.docx_第2页
第2页 / 共42页
医院大体积防辐射混凝土施工方案.docx_第3页
第3页 / 共42页
医院大体积防辐射混凝土施工方案.docx_第4页
第4页 / 共42页
医院大体积防辐射混凝土施工方案.docx_第5页
第5页 / 共42页
医院大体积防辐射混凝土施工方案.docx_第6页
第6页 / 共42页
医院大体积防辐射混凝土施工方案.docx_第7页
第7页 / 共42页
医院大体积防辐射混凝土施工方案.docx_第8页
第8页 / 共42页
医院大体积防辐射混凝土施工方案.docx_第9页
第9页 / 共42页
医院大体积防辐射混凝土施工方案.docx_第10页
第10页 / 共42页
亲,该文档总共42页,到这儿已超出免费预览范围,如果喜欢就下载吧!
资源描述

《医院大体积防辐射混凝土施工方案.docx》由会员分享,可在线阅读,更多相关《医院大体积防辐射混凝土施工方案.docx(42页珍藏版)》请在第壹文秘上搜索。

1、医院机房模板及重型混凝土施工方案大体积仿辐射混凝土施工方案防辐射混凝土又称屏蔽混凝土、重混凝土或核反应堆混凝土,是核辐射源装置常用的防护材料,能有效屏蔽核辐射。所谓核辐射总则是指射线、B射线、Y射线和中子。由于射线和B射线的穿透力低,厚度小的防护材料可以完全阻挡它们,所以防辐射混凝土要屏蔽的射线主要是Y射线和中子射线1。伽马射线是一种具有很大穿透力的电磁波,在穿过防护材料时会逐渐被吸收。当防辐射混凝土墙体的厚度不变时,抗丫射线的性能与其密度成正比,材料的密度增加。当防辐射混凝土达到一定厚度时,伽马射线可以被完全吸收。通常,防辐射混凝土由重骨料制成。中子射线由高密度的不带电粒子组成。该材料对高能

2、快中子有减速作用,但对低能热中子没有减速作用。为了减弱中子射线,防辐射混凝土不仅要含有重元素,还要含有一定数量的氢原子和水的轻元素。长安医院放射机房为1层框架剪力墙结构,建筑面积约455平方米。本项目治疗室的混凝土墙体和屋顶均采用防辐射混凝土设计,以防辐射。治疗室辐射防护混凝土强度等级为C30,素混凝土容重22500Kgm3,壁厚为0.5叫lm,1.5m.,1.8m,屋面厚度为1.2,0.7米。防辐射混凝土的施工应重点解决原材料的选择、配合比的设计、大体积混凝土的施工等技术问题。4.1防辐射混凝土施工方案4.L1原材料的选择水泥:使用P-042.5级普通硅酸盐水泥。外加剂:使用缓凝减水剂,对新

3、拌混凝土具有良好的坍落度保持性,减水率20%以上,不泌水,可显着改善混凝土的和易性,泵送28天强度可提高25%以上,可延迟水泥水化放热时间,在保证同等条件的前提下,可节约水泥10-20%。骨料:选用粗、中砂,含泥量3%;碎石选用31.5mm上品,最大粒度为连续级配,含泥量1%O由于设计要求抗辐射混凝土的容重22500Kgm3,100Kg每立方混凝土中加入硫酸钢(重晶石)即可满足设计要求。4.1.2防辐射混凝土配合比设计防辐射混凝土的密度越高,屏蔽效果越好。因此,在设计配合比时应优先考虑混凝土的表观密度和密实度,然后再考虑强度和施工工艺。混合比必须满足以下要求:(1)所选骨料的密度要大;(2)混

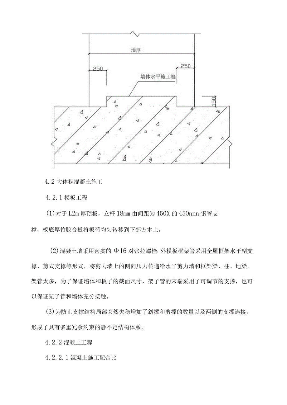
4、凝土中的水泥用量不宜过多。水泥用量过多时,其容重会降低;(3)水灰比控制在0.4-0.5之间;(4)考虑到防辐射混凝土骨料的比重较大,混凝土容易分层。为避免骨料自重引起骨料离析,坍落度不宜过大,混凝土的坍落度应控制在180Co20mm.抗辐射混凝土采用商品泵送混凝土施工。混凝土强度等级C30,坍落度160200mm,砂比35%,混凝土配合比为水泥:砂:卵石:粉煤灰:矿粉:水:UNF-MC型缓凝减水剂二1:2.8:0.6:5.2:0.3:0.12:0.64:0.05,(每立方米混凝土添加重晶石150Kg)施工过程中,测量砂石含水率,及时调整配合比。4.L3施工缝的保留防辐射混凝土施工缝的设置是一

5、个重要环节。为保证混凝土的抗辐射效果,本工程墙体和屋面一次浇筑为一体,不留施工缝。水平施工缝,水平施工缝如下图所示:4.2大体积混凝土施工4.2.1模板工程(1)对于L2m厚顶板,立杆18mm由间距为450X的45Onnn钢管支撑,板底厚竹胶合板将板荷均匀转移到下部方木上。(2)混凝土墙采用密实的16对张拉螺栓;外模板框架管采用全屋框架水平副支撑、剪式支撑等形式,将剪力墙上的侧向压力传递给水平剪力墙和框架梁、柱、地梁。架管太多,为了保证墙体和板子的截面尺寸,架子管的末端采用了可调节的支撑,也可以保证架子管和墙体充分接触。(3)为防止支撑结构局部突然失稳增加了斜撑和剪撑的数量以及两侧的支撑连接,

6、形成了具有多重冗余约束的静不定结构体系。4.2.2混凝土工程4.2.2.1混凝土施工配合比本工程所用C30混凝土的施工配合比材料名称水泥沙结石重晶石粉煤灰水混合物用量kgm325070013001508016011.54.2.2.2.大体积混凝土的热力计算4.2.2.2.1大体积混凝土温度监测4.2.2.2.1.1监测方法和监测设备选用北京建筑学院便携式建筑电子温度计JDC-2。4.2.2.2.1.2监测方法系统采用电感方式,可定期在线监测各测点温度,并跟踪记录。测量数据及其变化趋势以两种方式实时显示。4.2.2.2.1.3测点布置顶板平面上共布置五个点,每个点上下布置三个温度探头,如下图所示

7、。.JC点L,9点L,河迹fB点A点O治疗室顶板混凝土测温点平面布置图a26%点B点B?点B:,点。点1点E O 占R 占E0 点D 点3占八、占八、IT剖面测温点布置图每个厚壁上设置一个测温点,每个点上设置四个测温探头,如下图所示:L8米Q-QOJq7TF点/QUOi/?,/11OooI OOO OOOI Ccc-1.8米厚混凝土墙测温点平面布置图F,点F:点F,点F1点750(900)IT剖面测温点布置图1. 2米厚顶测温点及测温线长度测量点编号测温线长度(m)123一个0.511.5乙0.511.5C0.511.5D0.511.5乙0.511.5总数(量2.557.5评论本项目使用的测温

8、线由北京建筑工程学院提供联系电话:OlO-682830011.8米厚壁测温点及测温线长度测量点编号测温线长度(m)1234F5432总数(量5432评论本项目使用的测温线由北京建筑工程学院提供联系电话:010682830014.2.2.2.L4测温实施方案成立测温团队,进行基础测温,测温前需经过专业培训。测温管安装时位置应准确,并应与钢筋、固定架绝缘。浇注期间每两小时测一次温度,浇注完成后3天内每两小时测一次温度O每四小时4-7天-次每八小时8-14天一次混凝土入模温度每班不低于3次。大气温度每天不少于四次。测温人员要高度重视测温工作,责任心强,工作一丝不苟,严禁偷懒,认真做好测温记录。测温过

9、程中,如发现温度控制超过指标,应做好基点保温,采取加草袋等措施,并及时报告相关人员。内表面温差温控指标表温度含量控温指标评论Tr5CTrTr是模具温度内部温差C25降温速度。C/d1.5温度梯度C/m154.2.2.2.2.大体积混凝土的热力计算:由于大体积混凝土体积大,水化热引起的混凝土内部最高温度与外界气温的差异很大。因为使用的混凝土配合比是在浇筑时得到的,所以本次热力计算中使用的参数是C30混凝土的配合比,以估计混凝土内部温度和表面温度的差值是否在大致25之内,因此决定是否采用其他方法。建设措施。工期定在夏季,20。C考虑日平均气温。4. 2.2.2.2.1混凝土搅拌温度(使用商品混凝土

10、,暂定温度为18)4. 2.2.2.2.2混凝土排放温度:使用现成的混凝土,所以TI=Tc=185. 2.2.2.2.3混凝土浇注温度:Tj=Tc+(Tq-Tc)(A+A2+A3+.An)计算。Tj一混凝土浇注温度(C)Tc一一混凝土搅拌温度CC)Tq平均室外空气温度(C)A1+A2+A3An温度损失系数,取值如下:1)每次混凝土装卸A=O.0322)混凝土运输时A=O,T为运输时间(min),。取0.00423)浇注过程中A=O.003,为浇注时间(Inin)电荷Ai=O.032预计30min混合商业运输A2=0.0030X30=0.090浇注15min:A6=0.003X15=0.045那

11、么A=A1+A2+A3+A4+A5+A6=0.229.Tj=18+(20-18)X0.167=18.36. 2.2.2.2.4混凝土绝热温升混凝土在凝固过程中的水化热温度在3d时最大,因此计算了3d龄期的绝热温升。混凝土浇筑层的厚度是L2m假设结构周围没有散热和热损失,水泥水化的热量完全转化为升温后的温度值。混凝土最终绝热温升与水泥用量、水泥种类、混凝土热性能有关,可计算如下:Tn=InCQcp+mf/50不同脊期混凝土的绝热温升可计算如下:TT=Tn(I-eml)式中:Tn混凝土最终绝热温升();T一龄时混凝土的绝热温升();mC每立方混凝土中的水泥用量(Kg);Q一一每公斤水泥的水化热(K

12、Jkg)这里为334KJ/kg;c一一混凝土的比热,可计算为0.97KJ/kgK;P混凝土密度,取2500(kgm计算混凝土的最大绝热温升:T n-m cQcp+m f/50=250334/0. 97X 2500+80/50=36. 03 计算混凝土厂28d的绝热温升:T = 36. 03 (1-2. 718 -0362 )m每立方混凝土的粉煤灰量(Kg);e常数,为2.718;m混凝土水化热温升系数,随水泥种类和浇注温度而变化,总则为0.3-0.41;T脊周期(d)。计算水化热温升的In值浇注温度()51015202530米0.2950.3180.3400.3620.3840.406T1=3

13、6.03(1-2.718362l)=10.95;当二3时:T3=36.03(1-2.718362x3)=23.85;当T二6时:T6二36.03(1-2.7186)=31.92;当二9时:T9二36.03(1-2.7183629)=34.66eC;当二12时:T12=36.03(1-2.71836212)=35.56C;当=15时:T15=36.03(1-2.718362l5)=35.88;当=18时:T18=36.03(1-2.7186218)=35.99;当=21时:T18=36.03(1-2.718h,36221)=35.99;当=24时:T15=36.03(1-2.718h,36224

14、)=35.99eC;当=27时:T18=36.03(1-2.718-36227)=35.99C;当=30时:T18=36.03(1-2.718h,3623)=35.99C;5. 2,2.2.2.5混凝土内部温度:水泥水化热引起绝热升温后,浇注温度Tj为绝热状态下混凝土的内部温度,可按下式计算:Tr=Tj+TTr一一在绝热状态下,混凝土不同龄期的内部温度(C)。不同龄期水化热冷却系数与铸坯厚度的关系铸块厚度(米)&值(d)369121518二十1.20.420.310.190.110.070.040.03注:W=Tm/Tn;Tm一一混凝土水化热引起的实际温升()O工程实践证明,当散热条件大致相似时,铸块的厚度不同,散热温度也不同,大致符合“散热越薄,散热越快”的规律。散热,越厚散热越慢”。混凝土浇筑体越薄,水化热升温阶段越短,最高温度峰值出现得

展开阅读全文
相关资源
猜你喜欢
相关搜索

当前位置:首页 > 建筑/环境 > 设计及方案

copyright@ 2008-2023 1wenmi网站版权所有

经营许可证编号:宁ICP备2022001189号-1

本站为文档C2C交易模式,即用户上传的文档直接被用户下载,本站只是中间服务平台,本站所有文档下载所得的收益归上传人(含作者)所有。第壹文秘仅提供信息存储空间,仅对用户上传内容的表现方式做保护处理,对上载内容本身不做任何修改或编辑。若文档所含内容侵犯了您的版权或隐私,请立即通知第壹文秘网,我们立即给予删除!