单通道led线性驱动芯片推荐:SM2082EGS.docx

上传人:p** 文档编号:780187 上传时间:2024-02-26 格式:DOCX 页数:2 大小:42KB
下载 相关 举报
单通道led线性驱动芯片推荐:SM2082EGS.docx_第1页
第1页 / 共2页
单通道led线性驱动芯片推荐:SM2082EGS.docx_第2页
第2页 / 共2页
亲,该文档总共2页,全部预览完了,如果喜欢就下载吧!
资源描述

《单通道led线性驱动芯片推荐:SM2082EGS.docx》由会员分享,可在线阅读,更多相关《单通道led线性驱动芯片推荐:SM2082EGS.docx(2页珍藏版)》请在第壹文秘上搜索。

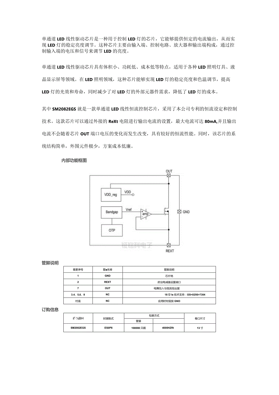
1、单通道LED线性驱动芯片是一种用于控制LED灯的芯片,它能够提供恒定的电流输出,从而实现LED灯的稳定亮度调节。这种芯片主要由输入端、控制电路、放大器和输出端构成,通过控制输入端的电压和信号来调节LED的亮度。单通道LED线性驱动芯片具有体积小、功耗低、成本低等特点,适用于各种LED照明灯具、液晶显示屏等领域。在LED照明领域,这种芯片能够实现LED灯的稳定亮度和色温调节,提高LED灯的光效和寿命,同时减少了对LED灯的外部元器件需求,降低了LED灯的成本。其中SM2082EGS就是一款单通道LED线性恒流控制芯片,采用了本公司专利的恒流设定和控制技术。这款芯片可以通过外接的ReXt电阻进行输

2、出电流的设置,最大电流可达80mA,并且输出电流不会随着芯片OUT端口电压的变化而发生改变,具有较好的恒流性能。同时,该芯片的系统结构简单,外围元件极少,方案成本低廉。内部功能框图管脚说明青更序号管名修管脚说明1GND芯片地2REXT府出电减值设置端口7OUT电舞恰入与恒流怆出届3.4、5,6、8NC18空Ie技术支持:I3S7304村底NC应用时材底按GNO订购信息iBH时装账式包装方式卷口尺寸管装SM2082EGSES0P8100000只厢4000HZflt13寸在如今LED照明行业迅速发展的趋势下,LED线性恒流控制芯片成为了一个重要的组成部分。而SM2082EGS作为一款高性能的LED

3、恒流控制芯片,不仅具备了稳定的输出性能,还拥有了简单的系统结构和低成本的优势,可以满足不同种类LED照明应用的需求。与传统的LED驱动方案相比,SM2082EGS所采用的恒流控制技术能够有效提高LED的亮度一致性和色彩一致性,从而使得LED照明效果更加均匀、自然。此外,由于芯片本身的恒流特性,可以减小LED在工作过程中的功耗波动,延长LED的使用寿命,提高LED产品的可靠性。典型应用备注:上图电源可以是交流电源,也可为直流电源。SM2082EGS作为一款性能优越的LED线性恒流控制芯片,不仅具有稳定可靠的输出性能,还拥有简单的外围元件布局和低成本的优势,适用于各种LED照明应用,并能够为LED照明行业的发展注入新的动力。

展开阅读全文
相关资源
猜你喜欢
相关搜索

当前位置:首页 > 管理/人力资源 > 薪酬管理

copyright@ 2008-2023 1wenmi网站版权所有

经营许可证编号:宁ICP备2022001189号-1

本站为文档C2C交易模式,即用户上传的文档直接被用户下载,本站只是中间服务平台,本站所有文档下载所得的收益归上传人(含作者)所有。第壹文秘仅提供信息存储空间,仅对用户上传内容的表现方式做保护处理,对上载内容本身不做任何修改或编辑。若文档所含内容侵犯了您的版权或隐私,请立即通知第壹文秘网,我们立即给予删除!