技术检查标准表.docx

上传人:p** 文档编号:783446 上传时间:2024-02-26 格式:DOCX 页数:2 大小:25.98KB
下载 相关 举报
技术检查标准表.docx_第1页
第1页 / 共2页
技术检查标准表.docx_第2页
第2页 / 共2页
亲,该文档总共2页,全部预览完了,如果喜欢就下载吧!
资源描述

《技术检查标准表.docx》由会员分享,可在线阅读,更多相关《技术检查标准表.docx(2页珍藏版)》请在第壹文秘上搜索。

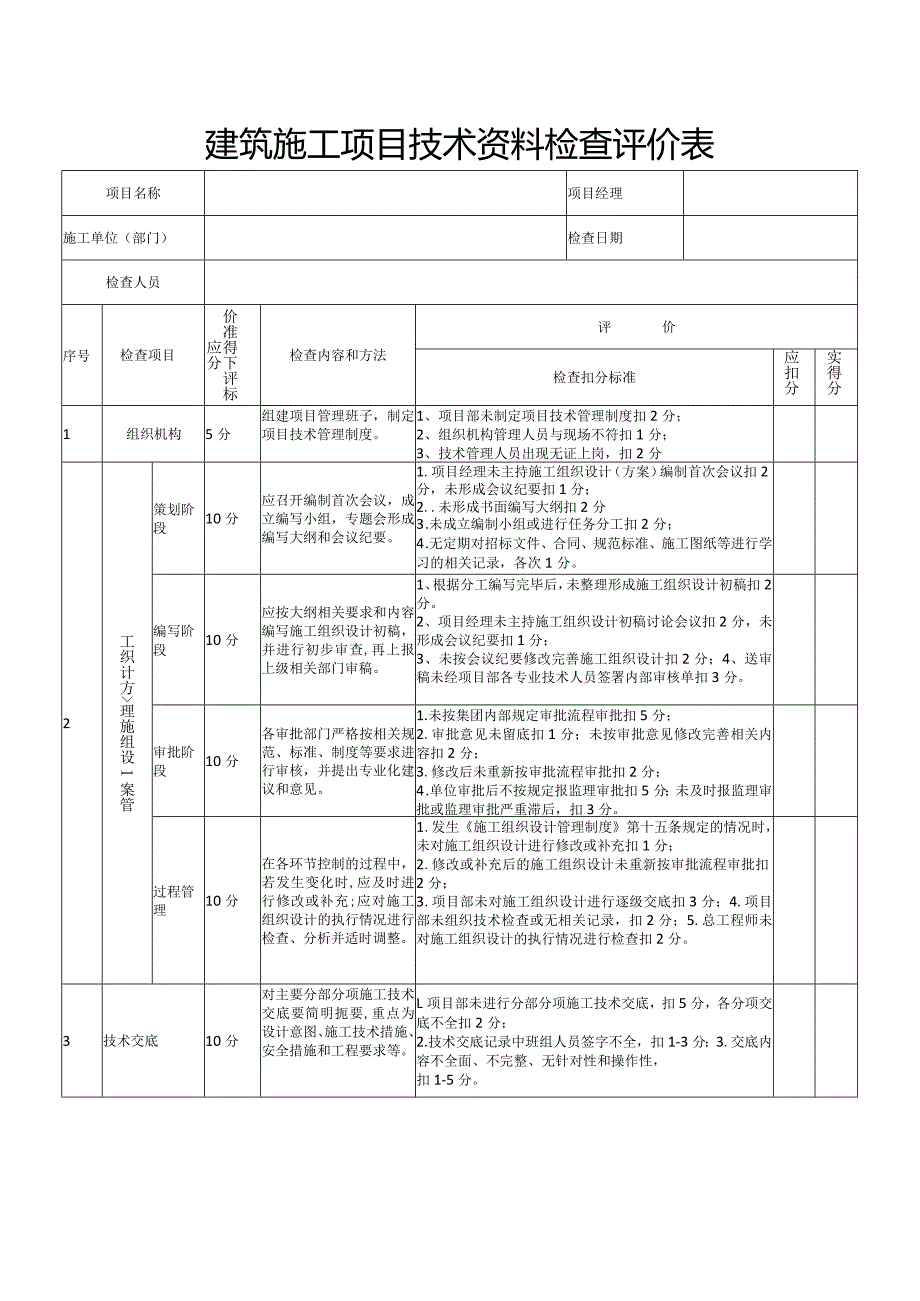
1、建筑施工项目技术资料检查评价表项目名称项目经理施工单位(部门)检查日期检查人员序号检查项目价准得下评标应分检查内容和方法评价检查扣分标准应扣分实得分1组织机构5分组建项目管理班子,制定项目技术管理制度。1、项目部未制定项目技术管理制度扣2分;2、组织机构管理人员与现场不符扣1分;3、技术管理人员出现无证上岗,扣2分2工织计方理施组设1案管策划阶段10分应召开编制首次会议,成立编写小组,专题会形成编写大纲和会议纪要。1.项目经理未主持施工组织设计(方案)编制首次会议扣2分,未形成会议纪要扣1分;2.未形成书面编写大纲扣2分3 .未成立编制小组或进行任务分工扣2分;4 .无定期对招标文件、合同、规

2、范标准、施工图纸等进行学习的相关记录,各次1分。编写阶段10分应按大纲相关要求和内容编写施工组织设计初稿,并进行初步审查,再上报上级相关部门审稿。1、根据分工编写完毕后,未整理形成施工组织设计初稿扣2分。2、项目经理未主持施工组织设计初稿讨论会议扣2分,未形成会议纪要扣1分;3、未按会议纪要修改完善施工组织设计扣2分;4、送审稿未经项目部各专业技术人员签署内部审核单扣3分。审批阶段10分各审批部门严格按相关规范、标准、制度等要求进行审核,并提出专业化建议和意见。1 .未按集团内部规定审批流程审批扣5分;2 .审批意见未留底扣1分;未按审批意见修改完善相关内容扣2分;3 .修改后未重新按审批流程

3、审批扣2分;4 .单位审批后不按规定报监理审批扣5分;未及时报监理审批或监理审批严重滞后,扣3分。过程管理10分在各环节控制的过程中,若发生变化时,应及时进行修改或补充;应对施工组织设计的执行情况进行检查、分析并适时调整。1 .发生施工组织设计管理制度第十五条规定的情况时,未对施工组织设计进行修改或补充扣1分;2 .修改或补充后的施工组织设计未重新按审批流程审批扣2分;3 .项目部未对施工组织设计进行逐级交底扣3分;4.项目部未组织技术检查或无相关记录,扣2分;5.总工程师未对施工组织设计的执行情况进行检查扣2分。3技术交底10分对主要分部分项施工技术交底要简明扼要,重点为设计意图、施工技术措

4、施、安全措施和工程要求等。L项目部未进行分部分项施工技术交底,扣5分,各分项交底不全扣2分;2.技术交底记录中班组人员签字不全,扣1-3分;3.交底内容不全面、不完整、无针对性和操作性,扣1-5分。项目名称项目经理施工单位(部门)检查日期检查人员序号检查项目价准得评标应!检查内容和方法评价检查扣分标准应扣分实得分4试验、检测管理10分应按规定设置养护室、设备室,养护室应按规定设置相关设备;试块、试件按规定编号、记录台账完整齐全;各项试验检验资料手续齐全,并随施工进度及时收集。1 .未设置符合要求的试验室,养护室内设备不符合要求扣1-3分;2 .试块、试件未编号、台账不齐等扣1分:3 .试验、检

5、验资料相关手续未完善扣1-2分;4 .资料未与施工进屐同乐收集齐全扣1-2分;5 .检查时发现提供的试验、检测资料为虚假资料,扣10分。5施工技术标准规范管理5分严格遵守、贯彻国家和地方颁布的技术标准规范要求进行施工,并按规定及时进行更新。1 .项目部未建立技术标准和规范有效目录清单,扣3分;2 .对标准、规范未进行及时更新扣2分。6设计图纸、变更管理10分图纸会审和施工图设计文件修改、变更、洽商,收文发文签字记录完整,及设计图纸会审纪要、变更等交底完整。L设计图纸出图手续不齐全,并且无相关证明文件,扣5分;2 .图纸会审纪要和设计图修改、变更、修改洽商单未签字盖章或无收发签字扣2-3分;3

6、.图纸会审纪要、变更修改单洽商单未进行交底或交底不全扣1-2分。7监视与测量装置管理5分全站仪、水准仪、经纬仪、垂准仪、钢尺、水平尺、检测尺、磅秤等计量检定证书必须齐全完整。1、计量器具、检测设备未建立台账,扣1分;无检定周期汇总表的扣1分;2、脱检、失效的计量器具、检测设备还在使用的,扣13、计量器具、检测设备无检定证书,还在进行使用扣1-2分。8测量管理10分严格按规范做好现场测量定位、测量报验、测量控制点的移交和接收,并及时填报相关测量资料。1、现场未进行基坑监测、沉降观测、垂直度观测,包括施工单位自测和第三方检测,如有一项未记录扣10分2、楼层定位放线和标高观测等相关测量记录,扣12分;3、相关测量记录未进行及时报验,或手续不完善扣1-2分。9技术核定和技术复核5分对重要的和影响技术工作,必须在分部分项工程正式开工前进行复核,避免发生重大偏差。1 .根据项目情况制定技术复核的内容,扣2分;2 .未按规定内容进行技术复核,且无相关记录扣2分;3 .在技术复核中发现问题未下发整改记录,或未整改,扣1分。技术管理得分100分检查人签字:受检项目负责人签字:

展开阅读全文
相关资源
猜你喜欢
相关搜索

当前位置:首页 > 资格/认证考试 > 思科认证

copyright@ 2008-2023 1wenmi网站版权所有

经营许可证编号:宁ICP备2022001189号-1

本站为文档C2C交易模式,即用户上传的文档直接被用户下载,本站只是中间服务平台,本站所有文档下载所得的收益归上传人(含作者)所有。第壹文秘仅提供信息存储空间,仅对用户上传内容的表现方式做保护处理,对上载内容本身不做任何修改或编辑。若文档所含内容侵犯了您的版权或隐私,请立即通知第壹文秘网,我们立即给予删除!