无机结合料稳定材料讲稿.docx

上传人:p** 文档编号:789175 上传时间:2024-03-01 格式:DOCX 页数:8 大小:177.69KB
下载 相关 举报
无机结合料稳定材料讲稿.docx_第1页
第1页 / 共8页
无机结合料稳定材料讲稿.docx_第2页
第2页 / 共8页
无机结合料稳定材料讲稿.docx_第3页
第3页 / 共8页
无机结合料稳定材料讲稿.docx_第4页
第4页 / 共8页
无机结合料稳定材料讲稿.docx_第5页
第5页 / 共8页
无机结合料稳定材料讲稿.docx_第6页
第6页 / 共8页
无机结合料稳定材料讲稿.docx_第7页
第7页 / 共8页
无机结合料稳定材料讲稿.docx_第8页
第8页 / 共8页
亲,该文档总共8页,全部预览完了,如果喜欢就下载吧!
资源描述

《无机结合料稳定材料讲稿.docx》由会员分享,可在线阅读,更多相关《无机结合料稳定材料讲稿.docx(8页珍藏版)》请在第壹文秘上搜索。

1、无机结合料稳定材料讲稿1.概述定义:”在粉碎的或者原先松散的土中掺入一定量的无机结合料(包含水泥、石灰或者工业废渣等)与水,经拌与得到的混合料在压实与养生后,其抗压强度符合规定的要求的材料称之无机结合料稳固材料。以此修筑的路面称之无机结合料稳固路面。特点:无机结合料稳固路面具有稳固性好、抗冻性能好、结构本身自成板体等特点,但其耐磨性差。因此广泛用于修筑路面结构的基层与底基层。(1)具有一定的抗拉强度,且各类材料的抗拉强度有明显的不一致。(2)环境温度对半刚性材料强度有很大的影响;(3)强度与刚度都随龄期增长;(4)刚度较柔性路面大,但比刚性路面小;(5)承载能力与分布荷载能力大于柔性路面;(6

2、)容许弯沉小于柔性路面;(7)容易产生收缩裂缝。种类:粉碎的或者原先松散的土按照土中单个颗粒(指碎石、砾石与砂颗粒)的粒径的大小与构成,将士分成细粒土、中粒土与粗粒土。细粒土:颗粒的最大粒径小于IOmm,且其中大于2mm的颗粒很多于90%。中粒土:颗粒的最大粒径小于30mm,且其中大于20mm的颗粒很多于85%。粗粒土:颗粒的最大粒径小于50mm,且其中大于40mm的颗粒很多于85%。无机结合料稳固材料种类:不一致的士与无机结合料拌与得到不一致的稳固材料。例石灰土、水泥土、水泥砂砾、石灰粉煤灰碎石等。无机结合料稳固材料种类较多,其物理、力学性质各有特点,应根据结构要求,掺加剂与原材料的供应情况

3、及施工条件,进行综合技术、经济比较后确定。使用场合:由于无机结合料稳固材料其刚度介于粒料与水泥混凝土之间,常称此为半刚性材料,以此修筑的基层或者底基层亦称之半刚性基层。2.无机结合料稳固材料的特性无机结合料稳固材料的逛您包含应力应变关系、疲劳特性、收缩特性、温缩特性。2.I无机结合料稳固材料的应力-应变特征设计龄期无机结合料稳固路面的重统皮之一是强度与模量随龄期的增长而不断增长,逐步具有一定的刚性性质。通常规定水泥稳固类材料设计龄期为三个月,石灰或者二灰稳固类材料设计龄期六个月。试验方法:半刚性材料应力应变特征试验方以有顶面法、粘贴法,夹具法与承载板法等。顶面法:直接在试件顶面用千分表测量回弹

4、变形;粘贴法:在柱体壁上两端各1/6高度处粘贴支架,用千分表测量中间2/3柱体的回弹变形;夹具法:在柱体壁上两端各1/6高度处套一箍,在箍上伸出支架,用千分表测量中间2/3柱体的回弹变形;承载板法:用小承载板在试件中间模拟野外测定方法。试验结果说明:顶面法较合理。遹帘圆柱体试件与梁式试件。岚缎内容有抗压强度、抗压回弹模量、劈裂强度与劈裂模量、抗弯拉强度与抗弯拉模量。圆柱体试件:抗压、劈裂试验;梁式试件:抗弯拉试验1细粒土(最大粒径不大于10mm):试模直径*高=50*5Omm2中粒土(最大粒径不大于25mm):试模直径*高=100*1OOmm3粗粒土(最大粒径不大于40mm):试模直径*高=1

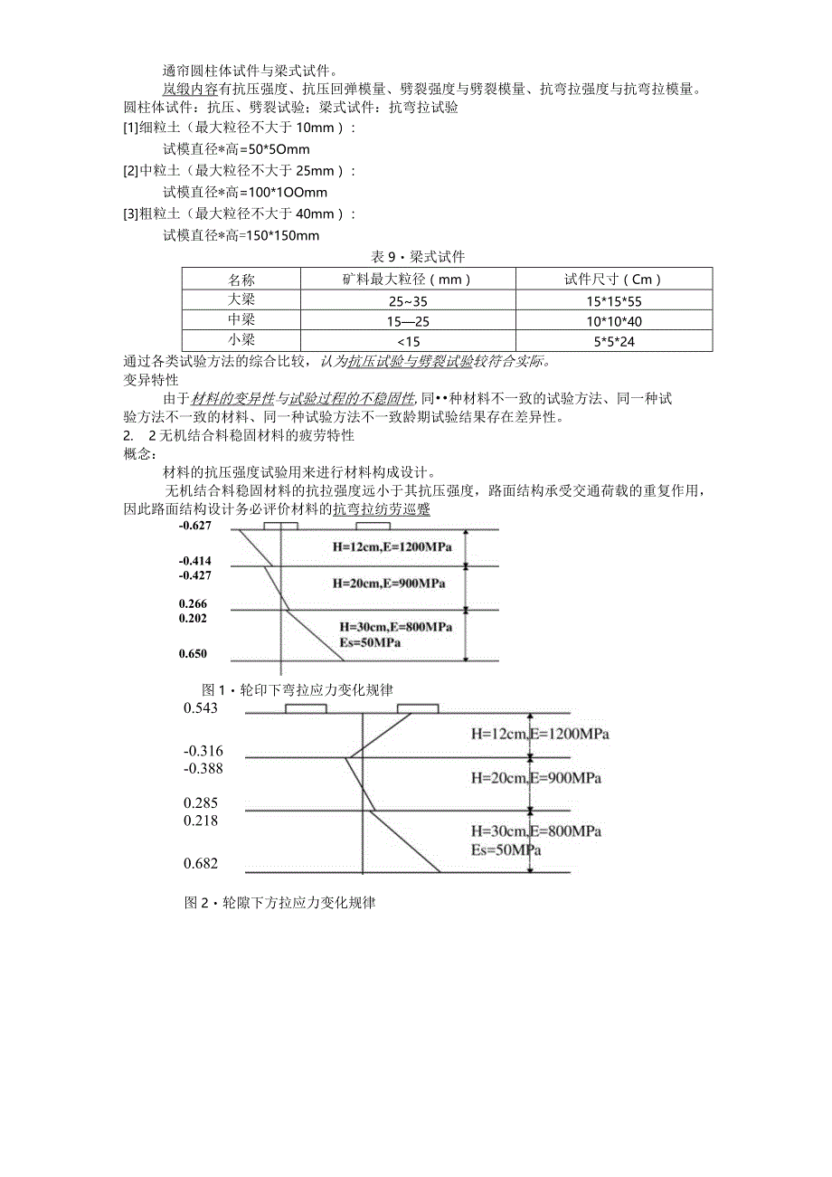
5、50*150mm表9梁式试件名称矿料最大粒径(mm)试件尺寸(Cm)大梁253515*15*55中梁152510*10*40小梁155*5*24通过各类试验方法的综合比较,认为抗压试验与劈裂试验较符合实际。变异特性由于材料的变异性与试验过程的不稳固性,同种材料不一致的试验方法、同一种试验方法不一致的材料、同一种试验方法不一致龄期试验结果存在差异性。2. 2无机结合料稳固材料的疲劳特性概念:材料的抗压强度试验用来进行材料构成设计。无机结合料稳固材料的抗拉强度远小于其抗压强度,路面结构承受交通荷载的重复作用,因此路面结构设计务必评价材料的抗弯拉纺劳巡蹙-0.627-0.414-0.4270.266

6、0.2020.650图1轮印下弯拉应力变化规律0.543-0.316-0.3880.2850.2180.682图2轮隙下方拉应力变化规律由上至下轮隙弯沉Cnl)z(hl=4cm面层模量(MPa)图3面层模量与轮隙弯沉变化规律底基 层底 面弯 拉应力 (Kg/c m2)面层模量(MPa)图5-面层模量与底基层弯应力变化规律试验方法:抗拉强度试验方法有直接抗拉试验、间接抗拉试验与弯拉试验。常用的疲劳试验有弯拉疲劳试验与劈裂疲劳试验。数据处理:无机结合料稳固材料的疲劳寿命要紧取决于点复应力与彼限强度之2贸。rS)试验结果说明:当。J。、于50%,可经受无限次重复加荷次数而不可能疲劳破裂。疲劳性能通常

7、用。J。,与达到破坏时反复作用次数(Nf)所绘所的童也留来说明。试验证明。7。5与N.之间学系通常用双对数疲劳方程(IgNr=a+blg。ro*)及单对数疲劳方程(IgNl=a+b。ro1来表示。影响因素:在一定的应力条件下材料的疲劳寿命与取决于:【1】材料的强度与刚度。强度愈大刚度愈小,其疲劳寿命就愈长。2由于材料的不均性,无机结合料稳固材料的疲劳方程还与材料试验的变异性有关。不一致的存活率(到达疲劳寿命时出现破坏的概率)能得出不一致的疲劳方程。【3】试验方法、试验操作。2.3无机结合料稳固材料的干缩特性原因:无机结合料稳固材料经拌与压实后,由于蒸发与混合料内部发生水化作用,混合料的水份会不

8、断减少。由于水的减少而发生的毛细管作用、吸附作用、分子间力的作用、材料矿物晶体或者凝胶体间层间水的作用与碳化收缩作用等会引起半刚性材料产生体积收缩。指标:描述材料干缩要紧用干缩应变、干缩系数、干缩量、失水量、失水率与平均干缩系数。干缩应变(Cd)是水份缺失引起的试件单位长度的收缩量(X106):平均干缩系数d是某失水量时,试件的干缩应变与试件的失水率之比(X1O6)失水量是试件失去水份的重量(g)。失水率是试件单位重量的失水量()O干缩量是水份缺失时试件的收缩量(10mm)a=1/1ad=d/W式中:AI为含水量缺失AW时,小梁试件的整体收缩量,1为试件的长度。影响因素:无机结合料稳固材料产生

9、的干缩性(最大干缩应变与平均干缩系数)的大小与结合料的类型与剂量、被稳固材料的类别,粒料含量、小于05mm的细颗粒的含量、试件含水量与龄期等有关。1材料品种、含水量与平均干缩系数关系半刚性材料的干缩系数是通过对试件经饱水后,在40恒温环境箱中随着水分的不断蒸发而测得的。(28天龄期)含水量() (石灰土)图615225 3 35含水: (%)石灰粉煤灰I40l2el8e6040W 平均干缩系数*10250含水量()灰土砂砾(55%)含水量()二灰砂砾(55%)图92粒料含量与平均干缩系数关系图103龄期与平均干缩系数关系龄期平均干缩系数灰土砂砾二灰砂砾水泥砂砾1264.3099.077124.

10、3249.2534.1281103041.1329.49095.2635.7027.018090.0132.2034.54制件含水量与干缩应变的关系含水量增加1%,干缩应变增加23.580.1%51细料含量与干缩应变的关系6无机结合料剂量对干缩结果的影响水泥剂量从5%增加到6%与7%,干缩系数增加20%与30%O总结要紧影响因素:C13细料含量;E23无机结合料剂量;K32含水量;M暴露时间。同一类半刚性材料干缩量的大小次序为:稳固细粒稳固粒料稳固粒料;对稳固细粒土,三类半刚性材料的干缩量的大小次序为:石灰稳固土水泥或者水泥石灰石灰粉煤灰土;对稳固粒料土,三类半刚性材料的干缩量的大小次序为:石

11、灰稳固类水泥稳固类石灰粉煤灰稳固类;比如二灰(石灰+粉煤灰):碎石=15:5(重量比)与二灰(石灰+粉煤灰):碎石=20:80时,7天龄期的最大干缩应变与平均干缩系数为233X10、273X10与65X1055106o2.4半刚性材料的温度收缩特性定义:半刚性材料是由固相(构成其空间骨架的原材料的颗粒与其间的胶结构)、液相(存在于固相表面与空隙中的水与水溶液)与气相(存在于空隙中的气体)构成。半刚性材料的外观胀缩性是三相在降温过程中相互作用,使半刚性材料产生体积收缩,即为温度收缩。概念:温度应变J是温度变化引起的试件单位长度的变化量(X10g);平均温度收缩系数%是某温度时,试件的温度应变与试

12、件的温度变化之比(X1o6/)通常气相大部分与大气贯穿,在综合效应中影响较小,能够忽略,原材料中砂粒以上颗粒的温度收缩系数较小;粉粒下列的颗粒温度收缩性较大。影响因素:1封山状态下的温缩试验直逊睡_保持含水量不变。试验状态:饱水:最佳含水量;半风干状态(1/2最佳含水量);风干状态(1/5最佳含水量)。结论:(I)对烘干的试件,温度收缩系数随龄期的增大而增大,初期较大,后期较慢,但各类材料差别不大。(2)含水量对温度收缩系数影响极大,饱水;风干状态最小,约在最佳含水量最大。(3)温度收缩的不利状态是:接近最佳含水量与0-10C温度区间。2自由状态下的温缩试验说明随着粒料含量的增加干缩+温度收缩

13、系数减少。4评价方法抗裂系数我征半刚性材料关于温度或者湿度变化时不致开裂的承受能力。关于温缩抗裂:二灰砂砾石灰粉煤灰灰土砂砾水泥砂粒石灰土关于干缩抗裂:石灰粉燥灰二灰砂砾水泥砂粒灰土砂砾石灰土2.5半刚性材料收缩机理分析温度收缩机理半刚性材料是由固相(构成其空间骨架结构的原材料的颗粒与其间的胶结构)、液相(存在与固相表面与空隙中的水与水溶液)与气相(存在与空隙中的气体)构成。因此半刚性材料的外观胀缩性是由其基本体的固相、气相与液相的不一致温度收缩性的综合效应结果O、通常气相与大气相通,在综合效应中影响较小。半刚性材料的外观胀缩性是由固相、液相胀缩与两者的综合作用构成。干燥收缩机理干燥收缩时半刚

14、性材料因内部含水量变化而引起的体积收缩现象。干燥收缩的基本原理是由于水分蒸发而发生的“毛细管张力作用”、“吸附水及分子间力作用”,“矿物晶体或者胶凝体的层间水作用”;“炭化脱水作用”而引起的整体的宏观体积的变化。三.半刚性路面面层1 .概述半刚性路面是介于柔性路面与刚性路面之间的特殊路面形式,它最早出现于法国。早在1954年,法国就研制成功了“灌水泥浆开级配沥青混凝土路面施工法”(SalaiaCimPaoement),并在科涅克(CognaC)机场跑道上作为耐热用的道面进行了的试验铺装。七十年代初,英国、美国,苏前联等国,也相继对这一课题进行了研究。英国是在摊铺后的开级配沥青碎石路面空隙中灌入树脂一水泥灰浆。前苏联则把水泥砂浆作为第二结合料加入沥青混凝土中进行了拌与压实,结果证明能提高这种材料的温度稳固性。科威特的H.R.Guirguis的研究说明,用水泥与置后的集料铺筑的沥青路面的强度与稳固性大大提高,路面泛油与抗水性能也有相当大的改善。美国切夫隆研究公司的R.J.SCHMIDT与L.E.SANTUCCI为提高乳化沥青的早期强度,在混合料中加入1.3%的波特兰水泥,结果发现,在空气中养生一天后,材料的回弹模量比未加水泥的增加了大约五倍,养生60天后,回弹模量仍比未加水泥的度件提高两倍。但掺加水泥后材料的疲劳性能有所降低。R.W.Head对冷拌

展开阅读全文
相关资源
猜你喜欢
相关搜索

当前位置:首页 > 高等教育 > 大学课件

copyright@ 2008-2023 1wenmi网站版权所有

经营许可证编号:宁ICP备2022001189号-1

本站为文档C2C交易模式,即用户上传的文档直接被用户下载,本站只是中间服务平台,本站所有文档下载所得的收益归上传人(含作者)所有。第壹文秘仅提供信息存储空间,仅对用户上传内容的表现方式做保护处理,对上载内容本身不做任何修改或编辑。若文档所含内容侵犯了您的版权或隐私,请立即通知第壹文秘网,我们立即给予删除!