沟槽式连接管道工程技术方案.docx

上传人:p** 文档编号:790668 上传时间:2024-03-01 格式:DOCX 页数:3 大小:22.31KB
下载 相关 举报
沟槽式连接管道工程技术方案.docx_第1页
第1页 / 共3页
沟槽式连接管道工程技术方案.docx_第2页
第2页 / 共3页
沟槽式连接管道工程技术方案.docx_第3页
第3页 / 共3页
亲,该文档总共3页,全部预览完了,如果喜欢就下载吧!
资源描述

《沟槽式连接管道工程技术方案.docx》由会员分享,可在线阅读,更多相关《沟槽式连接管道工程技术方案.docx(3页珍藏版)》请在第壹文秘上搜索。

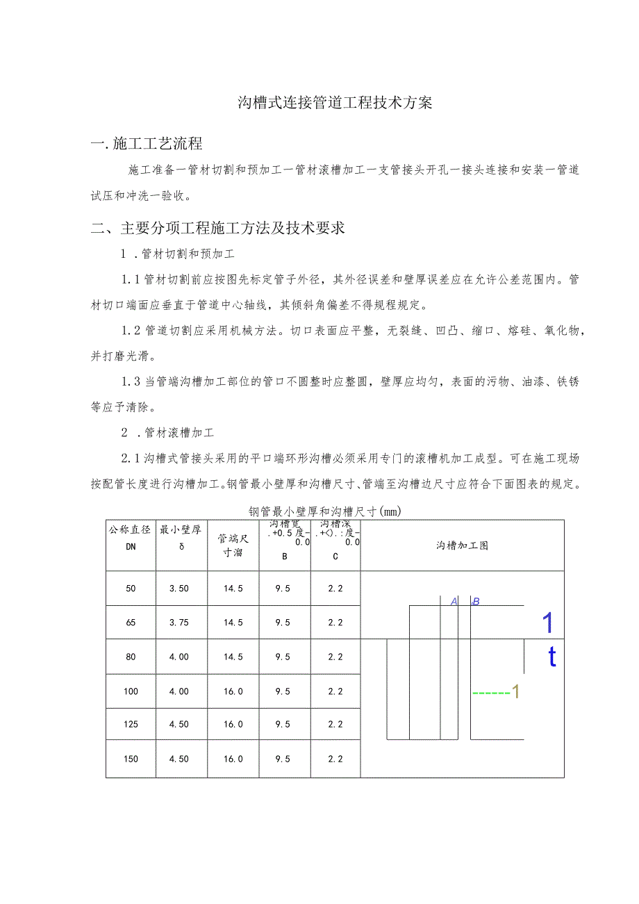
1、沟槽式连接管道工程技术方案一.施工工艺流程施工准备一管材切割和预加工一管材滚槽加工一支管接头开孔一接头连接和安装一管道试压和冲洗一验收。二、主要分项工程施工方法及技术要求1 .管材切割和预加工1.1 管材切割前应按图先标定管子外径,其外径误差和壁厚误差应在允许公差范围内。管材切口端面应垂直于管道中心轴线,其倾斜角偏差不得规程规定。1.2 管道切割应采用机械方法。切口表面应平整,无裂缝、凹凸、缩口、熔硅、氧化物,并打磨光滑。1.3 当管端沟槽加工部位的管口不圆整时应整圆,壁厚应均匀,表面的污物、油漆、铁锈等应予清除。2 .管材滚槽加工2.1 沟槽式管接头采用的平口端环形沟槽必须采用专门的滚槽机加

2、工成型。可在施工现场按配管长度进行沟槽加工。钢管最小壁厚和沟槽尺寸、管端至沟槽边尺寸应符合下面图表的规定。钢管最小壁厚和沟槽尺寸(mm)公称直径DN最小壁厚管端尺寸溜沟槽宽.+0.5度-0.0B沟槽深.+).:度-0.0C沟槽加工图503.5014.59.52.2AlB653.7514.59.52.21804.0014.59.52.2t1004.0016.09.52.211254.5016.09.52.21504.5016.09.52.22006.0019.013.02.53 .支管接头开孔3.1 在管道上开孔应按下列步滕进行:1将开孔机固定在管道预定开孔的部位,开孔的中心线和钻头中心线必须对

3、准管道中轴线;2启动电机转动钻头,转动手轮使钻头缓慢向下钻孔,并适时适量地向钻头添加润滑剂直至钻头在管道上钻完孔洞;3开孔完毕后,摇回手轮使开孔机的钻头复位,撤除开孔机后,清除开孔部位的钻落金属和残渣,并将孔洞打磨光滑。3.2 开孔直径应不小于支管外径。4 .接头连接和安装4.1 沟槽式管道系统中直管管段宜采用刚性接头,在管段上每45个连续的刚性接头间,应设置1个挠性接头。4.2 直管与管件连接宜采用刚性接头,对有温度补偿功能的弯管、折线形管道,应在其产生角变位的管段上采用挠性接头。4.3 3埋地管道宜采用挠性接头。室外埋地管道进墙管外侧第一个接头必须采用挠性接头。且挠性接头离外墙面距离不宜大

4、于300mm。4.4 接头不得埋设在承重的墙体、梁、板、柱内,接头与结构外壁的净距不得小于20Ommo4.5 机械三通连接时,应检查机械三通与孔洞的间隙,各部位应均匀,然后再紧固到位;机械三通开孔间距不应小于500rnm,机械四通开孔间距不应小于1000三;机械三通、机械四通连接时支管的口径应满足下表的规定。采用支管接头(机械三通、机械四通)时支管最大允许管径(mm)主管直径DN506580100125150200支管直径DN机械三通2540406580100100机械四通一324050651001004.6喷淋配水干管(立管)与配水管(水平管)连接,应采用沟槽式管件,不应采用机械三通。4.7

5、 埋地的沟槽式管件的螺栓、螺帽应做防腐处理。水泵房内的埋地管道连接应采用挠性接头。5 .支(吊)架安装5.1 支(吊)架的型式、材质、加工尺寸和制造质量等应符合国家现行有关标准的规定,并按设计要求安装牢固,位置正确。5.2 支(吊)架的安装应按下列规定进行控制:1立管支架:当楼层高度不大于5m时,每层必须安装1个;当楼层高大于5m时,每层不少于2个。当立管上无支管接出时,支架安装高度宜距地面1.21.6mo2横管吊架(托架):每一直线管段必须设置1个;直线管段上2个吊架(托架)间的距离不得大于下表的规定。横管吊(托)架允许间距(m)公称直径DN506580100125150200接头型号刚性接头3.03.653.654.254.255.155.75挠性接头3.63.603.604.24.204.204.805.3 横管吊架(托架)应设置在接头(刚性接头、挠性接头、支管接头)两侧和三通、四通、弯头、异径管等管件上下游连接接头的两侧。吊架(托架)与接头的净间距不宜小于15Omm和大于30Ommo5.4 在管道系统中,应在下列位置固定支架(吊架)1进水立管的底部;2立管接出支管的三通、四通、弯头的部位;3立管因自由长度较长而需要支承立管重量的部位;4横管接出支管与支管接头、三通、四通、弯头等管件连接的部位;5高温管道设置补偿器,需要控制管道伸缩的部位。

展开阅读全文
相关资源
猜你喜欢
相关搜索

当前位置:首页 > 建筑/环境 > 设计及方案

copyright@ 2008-2023 1wenmi网站版权所有

经营许可证编号:宁ICP备2022001189号-1

本站为文档C2C交易模式,即用户上传的文档直接被用户下载,本站只是中间服务平台,本站所有文档下载所得的收益归上传人(含作者)所有。第壹文秘仅提供信息存储空间,仅对用户上传内容的表现方式做保护处理,对上载内容本身不做任何修改或编辑。若文档所含内容侵犯了您的版权或隐私,请立即通知第壹文秘网,我们立即给予删除!