法兰作业管理规定.docx

上传人:p** 文档编号:790921 上传时间:2024-03-01 格式:DOCX 页数:11 大小:48.14KB
下载 相关 举报
法兰作业管理规定.docx_第1页
第1页 / 共11页
法兰作业管理规定.docx_第2页
第2页 / 共11页
法兰作业管理规定.docx_第3页
第3页 / 共11页
法兰作业管理规定.docx_第4页
第4页 / 共11页
法兰作业管理规定.docx_第5页
第5页 / 共11页
法兰作业管理规定.docx_第6页
第6页 / 共11页
法兰作业管理规定.docx_第7页
第7页 / 共11页
法兰作业管理规定.docx_第8页
第8页 / 共11页
法兰作业管理规定.docx_第9页
第9页 / 共11页
法兰作业管理规定.docx_第10页
第10页 / 共11页
亲,该文档总共11页,到这儿已超出免费预览范围,如果喜欢就下载吧!
资源描述

《法兰作业管理规定.docx》由会员分享,可在线阅读,更多相关《法兰作业管理规定.docx(11页珍藏版)》请在第壹文秘上搜索。

1、1术语注释本规定部分的术语是指法兰(包括型号和连接辅助件)及为确保法兰作业安全所采取的针对性措施的注释。1.l法兰法兰,又叫法兰凸缘盘或突缘。凡是在两个平面周边使用螺栓连接同时封闭的连接零件,一般都称为“法兰”。法兰是轴与轴之间相互连接的零件,用于管端之间的连接;也有用在设备进出口上的法兰,用于两个设备之间的连接。法兰连接或法兰接头,是指由法兰、垫片及螺栓三者相互连接作为一组组合密封结构的可拆连接。较小型的如阀门等,可以叫“法兰类零件”。管线法兰都是成对使用,低压管道可以使用丝接法兰,四公斤以上压力的使用焊接法兰。两片法兰盘之间加上密封垫,然后用螺栓紧固。不同压力的法兰厚度不同,它们使用的螺栓

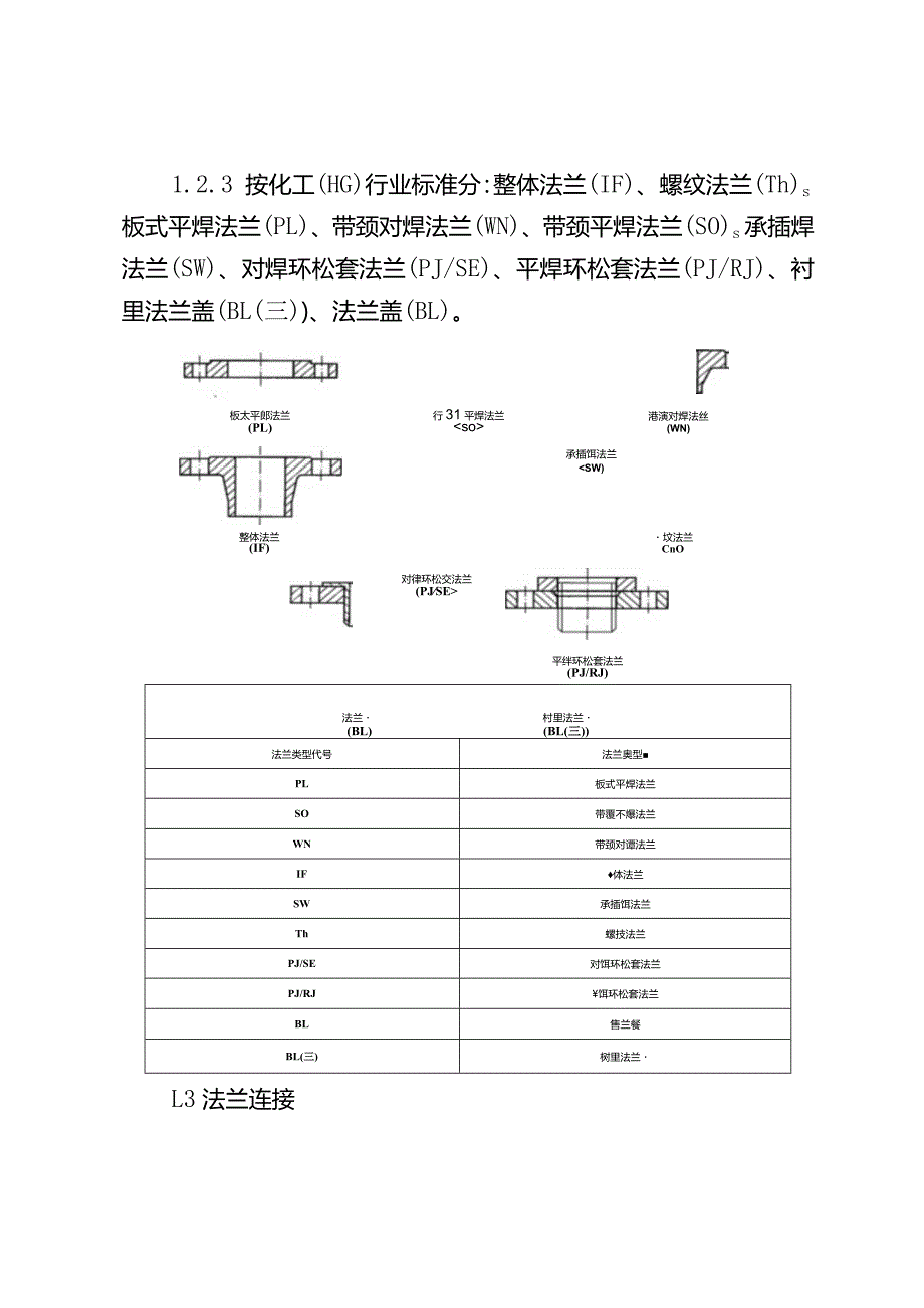
2、也不同。1.2法兰类型及代号1.2.1 按国家(GB)标准分:整体法兰、螺纹法兰、对焊法兰、带颈平焊法兰、带颈承插焊法兰、对焊环带颈松套法兰、板式平焊法兰、对焊环板式松套法兰、平焊环板式松套法兰、翻边环板式松套法兰、法兰盖。1.2.2 按石化(SH)行业标准分:螺纹法兰(PT)、对焊法兰(WN)x平焊法兰(SO)、承插焊法兰(SW)、松套法兰(LJ)、法兰盖(不表注)。1.2.3 按化工(HG)行业标准分:整体法兰(IF)、螺纹法兰(Th)s板式平焊法兰(PL)、带颈对焊法兰(WN)、带颈平焊法兰(SO)s承插焊法兰(SW)、对焊环松套法兰(PJ/SE)、平焊环松套法兰(PJ/RJ)、衬里法兰

3、盖(BL(三)、法兰盖(BL)。板太平郎法兰 (PL)行31平焊法兰港演对焊法丝(WN)整体法兰 (IF)坟法兰CnO平绊环松套法兰 (PJ/RJ)承插饵法兰法兰村里法兰(BL)(BL(三)法兰类型代号法兰奥型PL板式平焊法兰SO带覆不爆法兰WN带颈对谭法兰IF体法兰SW承插饵法兰Th螺技法兰PJ/SE对饵环松套法兰PJ/RJ饵环松套法兰BL售兰餐BL(三)树里法兰L3法兰连接法兰一般与法兰垫片、紧固件等组合使用。法兰连接就是把两个管道、管件或器材,先各自固定在一个法兰盘上,然后在两个法兰盘之间加上法兰垫,最后用螺栓将两个法兰盘拉紧使其紧密结合起来的一种可拆卸的接头。1.4 危险能量生产运行或

4、作业过程中,可能造成人员伤害或财产损失的工艺物料或设备所含有的能量。1.5 上锁用锁头和锁具锁定隔离能量的各种电气开关,阀门或设备,保持其与能量隔离,防止有人错误操作,直至维修或调试工作完全结束,然后移除。1.6 挂牌使用吊牌警示已经被隔离能量的设备或系统不允许随意触动操作。2总则2.1本规定的法兰作业是指公司范围内所有生产经营场所(加油(气)站、油库及区间管线、中央仓)需要开启、紧固、更换、检查辅助等所有需要动法兰的作业。2.2法兰作业类型2.2.1开启法兰作业是指在设备检维修、抢修及开停工过程中,设备、管道内可能存有物料(气、液、固态)及一定温度、压力情况时的法兰作业,或设备、管道内物料经

5、吹扫、谿换、清洗后的法兰开启作业。2.2.2紧固法兰作业是指在设备巡视过程中发现法兰有松动迹象、监控设备显示有异常,初步判断可能是法兰松动泄漏,经现场勘查,明显是因法兰松动引起的泄漏等情况,需要对法兰进行紧固的作业。2.2.3更换法兰作业是指经过安全部门、设计部门、检维修单位等相关部门排查,确因法兰问题需要更换法兰的作业。2.2.4法兰检查辅助作业是指需要将法兰开启后才能进行计量、打尺、观察等所有非因法兰故障需开启法兰辅助其他工作的作业。2. 3法兰作业必须办理“法兰作业许可证”。2.4法兰作业分级管理,分为一级、二级和三级法兰作业。2. 4.1一级法兰作业是指法兰拆卸、更换等作业(2.2.1

6、和2.2.3部划。3. 4.2二级法兰作业是指需要打开法兰计量、打尺等作业(2.2.4吾盼)o4. 4.3三级法兰作业是指不需要拆卸法兰,只需对法兰紧固等作业(2.2.2部分)。5. 5法兰作业涉及到其他特殊作业的,包括进入受限空间、临时用电、高处作业等其他特殊作业,应办理相应的许可证。6. 6许可证的申请人、签发人、监护人和接收人(以下统称“四类人”)应持证上岗。各二级单位的安全管理部门,负责对本单位的“四类人”进行安全培训和考核,考核通过后颁发相应的资格证书。安全环保数质量部负责对各单位此项工作的开展情况进行指导、监督。7. 7法兰更换作业期间要有全过程视频监控,监控设备设谿必须能够覆盖整

7、个作业现场,不能存在死角、盲区。监控视频信号应上传至公司监控平台并保持实时联通,作业过程落实“双监护”措施。8. 8法兰作业前必须对作业现场进行风险分析,对可燃和有毒有害气体检测,严禁在未进行气体检测或气体检测不合格的情况下进行法兰作业。2. 9法兰作业许可要严格按照“谁的业务谁负责”的要求落实责任分工。法兰作业前,作业申请单位或部门应组织相关专业人员严格审查作业方案,分别检查确认本专业安全措施及条件,并对涉及“十条措施”的相关内容逐一进行确认。法兰作业监护人应在各专业人员落实安全措施确认的基础上,对施工现场安全条件进行复核。3. 10法兰作业实行“三不作业”原则,即无法兰作业许可证不作业、法

8、兰作业现场监护人不在场不作业、防护措施不落实不作业。3管理职责3.1法兰作业申请,按照“谁的业务谁申请”的原则,由基层法兰作业单位提出申请。加油(气)站、油库的法兰作业申请人分别为加油(气)站站长、油库施工区域班组长。各部门、单位的其他法兰作业可根据本单位实际岗位设珞情况确定。3. 2许可证审批3. 2.1物流线条3 .2.1.1一级法兰作业由油库分管设备的负责人负责审批签发。4 .2.1.2二级法兰作业由油库分管负责的管理岗负责审批签发。3. 2.1.3三级法兰作业由油库现场班组长负责审批签发。3. 2.2零售线条3. 2.2.1一级法兰作业由分公司分管设备的负责人负责审批签发。3. 2.2

9、.2二级法兰作业由需开启(动)法兰业务线条的管理岗负责审批签发。3. 2.2.3三级法兰作业由加油站站长负责审批签发。3. 2.3审批提级管理时,由各单位主要负责人(书记或经理)负责审批签发。3. 2.4集团公司、销售公司有特殊要求的按照集团公司和销售公司的相关要求执行。3. 2.5其他专业中心施工项目(含站外便利店施工改造项目、非油品仓库改造等)的法兰作业均由本专业中心分管安全工程的经理负责审批签发。3. 2.6公司所属其他单位的法兰作业审批签发参照3.2.5条款执行。3. 3法兰作业人职责4. 3.1法兰作业人员应持有有效的本岗位工种作业证,方可从事法兰作业,对证件的有效性负责。4.3.

10、2法兰作业人员应严格执行“三不作业”的原则,对不符合法兰作业条件的,有权拒绝法兰作业。3. 3.3法兰作业人员应严格按照作业审批允许的作业时间和作业部位实施法兰作业,严禁超时间、超作业部位进行法兰作业。4. 4法兰作业监护人职责5. 4.1法兰作业监护人应通过培训并取得相应的证件;了解法兰作业区域或岗位的生产过程,熟悉工艺操作和设备状况;应有较强的责任心,出现问题能正确处理;有处理应对突发事故的能力。6. 4.2法兰作业监护人在接到许可证后,应在技术人员和基层单位负责人的配合下,逐项检查落实防护措施。7. 4.3法兰作业监护人监护时应佩戴明显标志,当发现作业部位与许可证不相符合,或者作业安全措

11、施不落实时,有权制止法兰作业;当法兰作业出现异常情况时应及时采取措施,有权停止作业;对法兰作业人不执行“三不作业”且不听劝阻时,有权收回许可证,并向上级报告。8. 4.4法兰作业过程中,不得随意离开现场,确需离开时,收回许可证,暂停法兰作业。3.5 公司所属各单位安全监督管理部门的各级领导、安全管理人员有权随时检查法兰作业情况。在发现违反管理制度或危险法兰作业时,有权收回许可证,停止作业,并根据违章情节,由各单位安全监督管理部门对违章者进行严肃处理。3.6 检维修、抢修、设备开停工的法兰作业由二级单位安全发展部门相关人员根据现场设备状况绘制法兰位谿图,对法兰进行统一编号。法兰编号必须与绘制的法

12、兰位珞图编号一致。3.7 法兰作业结束后,由现场监护人和基层单位负责人进行联合确认。4管理内容及要求法兰作业安全管理包括危害识别、作业过程管理、作业安全措施、许可证管理等。4.1危害识别4.Ll作业前,基层单位应开展JSA分析,并组织对法兰作业人员、监护人员进行作业内容、作业程序及要求、作业风险与对应措施、应急处谿等内容的书面交底。4.1.2按许可证规定填写并确认安全措施。特殊安全措施应填写在许可证“其它补充安全措施”栏,若内容较多、填写不下的,应另行填写作为许可证附件。4.1.3危险性大的法兰作业,二级单位应制定专项现场处谿方案,按照“3.4法兰作业监护人职责”的规定进行现场监护。4.1.4

13、在危及法兰作业人员生命健康时,应立即停止法兰作业,由现场监护人引导撤离至安全区域。4.2作业安全措施4.2.1严格执行中国石化能量隔离与上锁挂牌管理规定,根据具体施工情况,由设备管理部门牵头确定施工方法,确保法兰作业过程中介质能量得到控制,必要时实施上锁挂牌管理,避免事故发生。4.2.1.1单阀隔离法:采用关闭设备、设施及装谿进出口的单个阀门的方法来实现设备的隔离要求。4.2.1.2双阀隔离加排空法:采用关闭设备、设施及装谿进出口的双重隔离阀,同时放卸双阀之间的介质的一种隔离方法。4.2.1.3单阀加盲板隔离法:采用关闭设备、设施及装谿进出口的单个隔离阀,同时排空管线中的介质以利于插入盲板以便

14、达到最终设备隔离的目的。4.2.1.4双隔断及插盲板法:组合使用双隔断及排空,并插入盲板法兰,关闭管线上进出的两个控制阀,并放卸两阀之间的介质,以便插入盲板法兰从而实现绝对隔离,在隔离的过程中应选用适当规格的盲板法兰,连接密闭容器的所有排放口必须完全切断并用盲板法兰封闭开口端。4.2.1.5管线拆卸隔离法:将密闭空间的所有进口和出口管线拆除一段短管,以实现与潜在危险源的绝对分开。4.2.2经JSA风险辨识,确认为系统复杂,需要多处法兰作业且危险性系数大的,应参照中国石化能量隔离与上锁挂牌管理规定实施上锁挂牌管理。4.2.2.1上锁挂牌应由操作人员进行,并保证现场安全锁和挂牌谿于正确的位谿上。挂

15、牌上写明作业的隔离号、挂牌人员姓名、挂牌日期等信息。4.2.2.2需要集体上锁的,由现场监护人和基层单位相关人员负责确认现场隔离已到位并执行集体锁箱上锁。4.2.3作业过程管理4.2.3.1能够排空管线物料的,第一步排空管线物料,用盲板封堵上下游法兰(有阀门的关闭阀门并用盲板封堵);第二步清扫维修段管线;第三步实施法兰作业。封堵作业方案可参照4.2.1部分。4.23.2不能够排空管线物料的,第一步泄压(有压力的泄压,无压力的不涉及)到常压状态;第二步在作业法兰处,松动法兰螺栓控净物料;第三步清扫维修段管道;第四步实施法兰作业。4.2.3.3涉及法兰用火、用电、敲击等危险作业的,须根据实际情况制定专项作业方案;不涉及法兰用火、用电、敲击等危险作业的,根据实际情况,做好JSA分析并做好现场监护,确保作业安全。4.2.3.4在有毒介质的管道、设备上进行法兰作业,应尽可能降低系统压力,作业点应为常压。通风不良作业场所要采取强制通风等措施,防止可燃气体(物料)积聚。4.2.3.5作业人员个人防护用品应符合GB/T11651的要求。在易燃易爆场所进行法兰作业时,应穿防静电工作服、工作鞋;在介质温度较高或较低时,应

展开阅读全文
相关资源
猜你喜欢
相关搜索

当前位置:首页 > 行业资料 > 国内外标准规范

copyright@ 2008-2023 1wenmi网站版权所有

经营许可证编号:宁ICP备2022001189号-1

本站为文档C2C交易模式,即用户上传的文档直接被用户下载,本站只是中间服务平台,本站所有文档下载所得的收益归上传人(含作者)所有。第壹文秘仅提供信息存储空间,仅对用户上传内容的表现方式做保护处理,对上载内容本身不做任何修改或编辑。若文档所含内容侵犯了您的版权或隐私,请立即通知第壹文秘网,我们立即给予删除!