某市滨海大道污水干线工程施工组织设计.docx

上传人:p** 文档编号:797512 上传时间:2024-03-01 格式:DOCX 页数:37 大小:259.44KB
下载 相关 举报
某市滨海大道污水干线工程施工组织设计.docx_第1页
第1页 / 共37页
某市滨海大道污水干线工程施工组织设计.docx_第2页
第2页 / 共37页
某市滨海大道污水干线工程施工组织设计.docx_第3页
第3页 / 共37页
某市滨海大道污水干线工程施工组织设计.docx_第4页
第4页 / 共37页
某市滨海大道污水干线工程施工组织设计.docx_第5页
第5页 / 共37页
某市滨海大道污水干线工程施工组织设计.docx_第6页
第6页 / 共37页
某市滨海大道污水干线工程施工组织设计.docx_第7页
第7页 / 共37页
某市滨海大道污水干线工程施工组织设计.docx_第8页
第8页 / 共37页
某市滨海大道污水干线工程施工组织设计.docx_第9页
第9页 / 共37页
某市滨海大道污水干线工程施工组织设计.docx_第10页
第10页 / 共37页
亲,该文档总共37页,到这儿已超出免费预览范围,如果喜欢就下载吧!
资源描述

《某市滨海大道污水干线工程施工组织设计.docx》由会员分享,可在线阅读,更多相关《某市滨海大道污水干线工程施工组织设计.docx(37页珍藏版)》请在第壹文秘上搜索。

1、某市滨海大道污水干线工程施工组织设计第一章沉井施工组织设计1一、工程概况1二、要紧实物工程量1三、施工方案2四、劳动力使用计划12五、机械设备使用计划13第二章顶管施工组织设计14一、工程概况14二、工法选择14三、顶进设备及附属设施的安装16四、顶管用管材18五、顶管出洞20六、顶管掘进21七、中继间接力22八、顶管注浆24九、测量纠偏26十、机头对接26十一、劳动力使用计划27十二、要紧机械设备使用计划28第三章支线管道施工组织设计29一、检查井施工29二、干线的水平贯穿施工32三、支线管道32四、检查井及支线管道的施工设备39第四章施工总平面布置图39第五章施工进度计划表41第六章施工组

2、织管理机构42第七章质量保证措施43一、质量保证措施43二、质量保证体系43第八章安全保证措施44一、安全保证措施44二、安全保证体系44第一章沉井施工组织设计一、工程概况滨海大道顶管工程共有工作井两座,分别位于管线的两端,上游工作并在龙昆路邻近,外形尺寸为IOloOmnIXlO704mm8100mm;下游工作并在长堤路口,外形尺寸为I(HoOnnnXlO74OnmIX895Onm1。上游工作井井位处的地质情况如下:层土为杂填土,层厚约1.5m,为块石、建筑垃圾及杂填物;层土为淤泥、淤泥质粘土,厚度约3.5m;层土为淤泥质粉质粘土、淤泥质粘土,层厚约6.1m,下列为层土、层土等。沉井下沉过程中

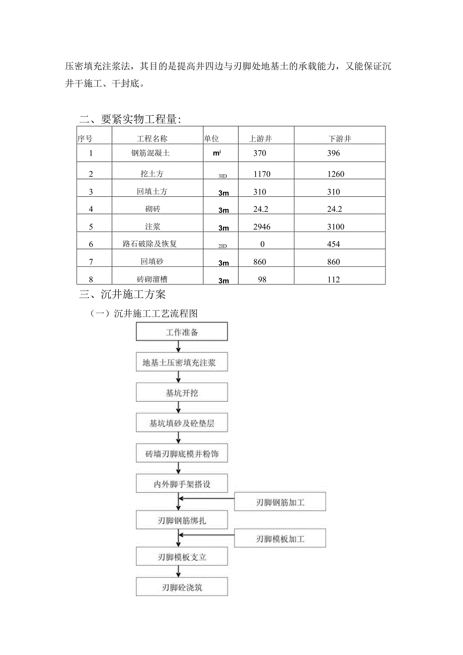
3、将穿过层土、层土,最后刃脚踏面座落于第层土中。下游工作井井位处的地质情况如下:表层为路面;层为中细砂填土,层厚约5.1m;层为淤泥、淤泥质粘土,层厚约4.7m;下列为层土、1层土、层土等。沉井在下沉过程中将穿过路面与层土,最后其刃脚踏面座落在第层土中。由于井位处的地质情况较差,距离水源又近,为保证沉井在下沉过程中的安全,在两座沉井位置处应进行地基处理以改良土质。具体方法为压密填充注浆法,其目的是提高井四边与刃脚处地基土的承载能力,又能保证沉井干施工、干封底。二、要紧实物工程量:序号工程名称单位上游井下游井1钢筋混凝土mi3703962挖土方3ID117012603回填土方3m3103104砌砖

4、3m24.224.25注浆3m294631006路石破除及恢复2ID04547回填砂3m8608608砖砌溜槽3m98112三、沉井施工方案(一)沉井施工工艺流程图(二)沉井制作1、准备工作包含场地平整、大小临时设施、设备、周转材料进场等。2、地基土压密填充注浆由于沉井所处位置土的含水量较高,承载力较小,且属于粘性土,渗透系数较小,不适合使用井点降水,故使用我局已广泛使用过的地基土压密填充注浆方式来达到隔断地下水提高土体承载力与沉井干施工、干封底的目的。地基土压密填充注浆范围如下图:I-I剖面图注浆平面图3、基坑开挖、填砂、混凝土垫层浇筑:为保证沉井制作均匀下沉,应先将沉井范围的障碍物与表层土

5、挖出。根据沉井施工有关规范与现场实际情况,基坑开挖深度按2m考虑。基坑开挖的高宽比不超过1.2及保证不小于0.8m的工作宽度(如下图所示)。因此,基坑开挖范围应比沉井外径大2.4m左右。同时应在坑周布置23个集水井及时排除坑内积水。为保证制作沉井的地基具有足够的承载力,开挖基坑底部若遇松软的土质,务必予以清除,用砂或者砂土回填、整平、夯实。以防止在沉井制作过程中发生不均匀沉降,造成井壁开裂。基坑开挖使用反铲挖土机进行,并辅助人工整平。基坑形成后立即以粗砂分层回填夯实,层厚20cm,辅以洒水,用平板振动器或者蛙夯密实,以保证填砂的承载力。现场使用如下方法检测密实度:用直径16圆钢1.95m长,下

6、端举高0.5m后。垂直自由下落,若贯入度W7.0cm,即为密实,否则应继续密实,直到满足要求。碎垫层宽度、厚度及填砂厚度、宽度计算如下:(1)碎垫层宽度、厚度计算:碎垫层宽度:b=b1+2h式中E为踏面宽度,等于25cm。h为垫层厚度(cm)根据式G。=Rsb得h=(GoRs-bl)2式中Go为井体第一次碎(按刃脚踏面以上4m高计)浇筑后单位长度上的重量,等于5.87tmRS为填砂的同意承载力,取值为10t112计算可知:h=(5.8610-0.45)2=0.07m=7cm代入式中得:b=59cm取b=60cm(2)、填砂厚度、宽度计算:(如下图所示)混凝土垫层、砂垫层计算模式图根据图四垫层受

7、力可得Go=P(hs+b)hs=G0/P-b式中:P为地基土的同意承载力,取值为6tn代入式中得:hs=5.876-O.60-O.39m=39cm施工时考虑取hs=50cmo填砂底宽B=2hs+b=20.5+0.65=1.65m施工时考虑取1.8In4、模板设计下列游工作井为例,该井总制作高度8.95m,下沉深度约10m,考虑分两层浇筑,第一次浇筑高度4.0m,校方量约120m3,第二次浇筑到顶面标高,高度4.95m,校方量约146/。模板使用钢框竹胶板大模板拼装而成,井壁四角使用木模板面层钉5mm厚竹胶板(或者白铁皮)。模板横带2中48600,竖带28600,(1)模板受力计算:根据规范,碎

8、入模时模板受侧压力为:P=8+24KV015+Pl上式中:K一温度校正系数,查表得值1.53Pl一倾倒砂产生的水平动压力查表得值6KNm2V一硅浇筑速度(mh)考虑使用商品混凝土,每小时碎供应量约为30m3h,井每延米高砂方量30.8m3m(则有:V=0.97mhP=50.17KNm2(2)模板验算:横带验算:横带外径1=4.8Cnb内径中2=4.Ocm1=2(,1+42)/64=2(4.8,-4.01)/64=26.97CmL=0.6m按五跨连续梁计算。横带承受60Cnl宽均布荷载的作用。如图五所示:q=50.170.6=30.lknm二O.301kncmQ=0.301KNCM600*5=3

9、000按最不利荷载计算,查表得:Mmax-KmQL2二0.119X0.301602=128.95Cmmax=Mmax/W=128.95/26.97*(4.8/2)=11.47=15.5KN/cm2因此强度满足要求。fMax=5QL7384EI4=0.089cmf=L250=0.24cm因此横带设计是合理的,可靠的。竖带计算:竖带28承受横带248脚手管传递的集中力,按抗剪进行验算,8断面积A=10.24cm2,28的最大间距为60cm,承受最大作用力:Nmax=30.1X0.6=18.064KN剪应力T=Nmax/(2A)=18.06/(210.24)=0.88KN/cm218.06KNo5、

10、钢筋绑扎及混凝土浇筑:钢筋集中加工,分二期绑扎,首期绑扎高度为4.5m,碎浇筑后再绑扎二期钢筋到顶。绑扎前,首先搭好内外脚手架,在碎垫层及内外脚手架之连杆上准确测放出钢筋骨架边线,根据操纵线绑扎钢筋。碎浇筑使用商品混凝土,泵车泵送入模。碎入模应注意对称布料并及时振捣,使上、下层碎结合成一体,振捣器应插入下层碎5cm左右,要防止漏振、欠振及过振现象发生。第二次浇筑与第一次浇筑方式相同。施工缝使用凹型槽处理。第二次混凝土浇筑前用同标号的混凝土砂浆浇筑一层后再浇筑混凝土。由于交通与天气炎热,选在夜间进行浇筑,浇筑前应先洒水湿润后再浇筑碎,浇筑后的碎应经常注意洒水养护,防止干裂。6、沉井预制容许偏差操

11、纵值:长、宽:15mm对角线:1%井壁厚度:15ITml(三)沉井下沉1、下沉系数及稳固系数计算:根据设计说明,按排水下沉计算,列表如下:立项目工作并备注井体自重G(t)600按上游工作井计算。刃脚端承力R156.3端面积(2X10.74+2X10.1)X0.25;按15t?计算井周摩阻力T1(t)506.4表面积2X(10.1+10.74)8.1=337.6m2;按1.5t/隆计算下沉系数K11.18Kl=G/Tf稳固系数也0.90K2=G/(R+Tf)经计算,沉井下沉系数与稳固系数均满足规范要求。2、垫层混凝土的凿除:垫层碎凿除时要求均匀对称,以减少不均沉降,并要求速度要快,为此使用风镐同

12、时对称进行,同时垫层凿除后,及时在踏面下回填砂。3、沉井下沉测量监测要求:(1)在凿除碎垫层前,须在井顶及井壁上画出沉井的纵、横中线。中线按井壁四等分求得,并互相垂直,中线用于沉井垂直度与位移的监测。同时在井周围及路面作好沉降观测点。(2)在沉井四角,从刃脚踏面算起,画上相同的标尺,标尺用于监测下沉量,每次监测均需测量。(3)凿除佐垫层要加强垂直度、下沉量测量,发现倾斜立即报告纠正。(4)沉井初沉时,每班至少作两次全面监测(中线位移、垂直度、下沉量、地面沉陷量),每开挖一层土均应作一次下沉量、垂直度测量。(5)正常下沉时,视下沉速度每工班测12次。(6)发现倾斜严重、快速下沉等特殊现象时,在纠

13、偏过程中要随时监测。(7)沉井沉至设计标高后,封底往常每24小时监测一次。4、沉井下沉容许偏差:沉井下沉完毕后,标高、位移、倾斜度的同意偏差值如下:(1)刃脚平均高:10OnInI(2)刃脚底面高差:两角距离L10m,L/100;L10m,100mmo(3)水平位移:100mm以内(4)垂直度:1/100以内。(5)刃脚平面轴线:100nnn以内。5、挖土下沉:沉井初沉是沉井下沉中最关键的工序,如今四壁无磨擦力,沉井全靠砂堤承担,下沉系数很大,沉井又未入土,重心高,四壁无土体约束导向,开挖稍不均匀,就可能倾斜、移位。刃脚下砂堤与砂垫层要分层均匀开挖,每层厚度20cm,开挖要在刃脚下沿全面进行,

14、砂堤及砂垫层一经挖除,沉井立即下沉入土。挖出的砂与土立即用汽车运走,以免占用过多的场地影响交通。使用人工在井内挖土,装入2/土斗中,用25t汽车吊垂直运输,直接卸入运土汽车上。6、沉井下沉过程中几种问题的纠正:(1)倾斜处理:沉井下沉完毕,要求倾斜在1/100以内,为达到这一目的,沉井下沉过程中要求操纵在1/150l/200之间,超过1/150就要纠偏。纠偏方向就是在倾斜的相反方向井壁多挖土或者在井壁外侧射水冲刷予以纠正,但纠偏过程中要加强监测。另一方面,挖土下沉要均匀进行,尽量避免倾斜发生,严格操纵倾斜度在1/150之内。(2)水平位移过大的处理:沉井下沉完毕,要求水平位移100mm,水平位移过大就要纠偏,纠偏方向如下图所示。沉井下沉水平位移纠偏示意图通过(a)(b)C)几个循环,即

展开阅读全文
相关资源
猜你喜欢
相关搜索

当前位置:首页 > 建筑/环境 > 施工组织

copyright@ 2008-2023 1wenmi网站版权所有

经营许可证编号:宁ICP备2022001189号-1

本站为文档C2C交易模式,即用户上传的文档直接被用户下载,本站只是中间服务平台,本站所有文档下载所得的收益归上传人(含作者)所有。第壹文秘仅提供信息存储空间,仅对用户上传内容的表现方式做保护处理,对上载内容本身不做任何修改或编辑。若文档所含内容侵犯了您的版权或隐私,请立即通知第壹文秘网,我们立即给予删除!