电缆沟施工最佳方案.docx

上传人:p** 文档编号:797774 上传时间:2024-03-04 格式:DOCX 页数:25 大小:76KB
下载 相关 举报
电缆沟施工最佳方案.docx_第1页
第1页 / 共25页
电缆沟施工最佳方案.docx_第2页
第2页 / 共25页
电缆沟施工最佳方案.docx_第3页
第3页 / 共25页
电缆沟施工最佳方案.docx_第4页
第4页 / 共25页
电缆沟施工最佳方案.docx_第5页
第5页 / 共25页
电缆沟施工最佳方案.docx_第6页
第6页 / 共25页
电缆沟施工最佳方案.docx_第7页
第7页 / 共25页
电缆沟施工最佳方案.docx_第8页
第8页 / 共25页
电缆沟施工最佳方案.docx_第9页
第9页 / 共25页
电缆沟施工最佳方案.docx_第10页
第10页 / 共25页
亲,该文档总共25页,到这儿已超出免费预览范围,如果喜欢就下载吧!
资源描述

《电缆沟施工最佳方案.docx》由会员分享,可在线阅读,更多相关《电缆沟施工最佳方案.docx(25页珍藏版)》请在第壹文秘上搜索。

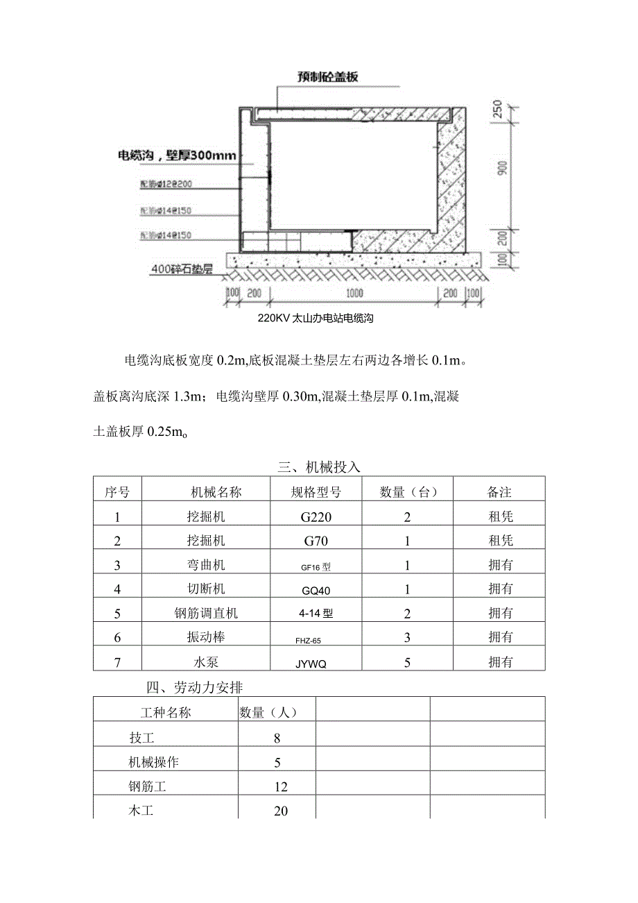
1、220KV太山寺变电站电缆沟施工方案(一)工程概况及施工前准备太山寺22OkV变电站站址位于汉阳沌口路(南侧)于交管所沌口交汇处Q交通十分便利。自然地面高程(黄海高程系)18.50-21.30,变电站总占地面积0.9171hm2.法人单位:湖北省电力企业建设管理单位:湖北省电力企业建设管理中心设计单位:湖北省电力勘测设计院监理单位:黄石诚信工程建设监理有限企业施工单位:武汉华源电力集团有限企业.一、材料:钢材:HBR335钢010、HBR40012、14、16、18、20o混凝土:C30抗渗混凝土电缆沟;C15混凝土垫层。二、设计尺寸:220KV太山办电站电缆沟电缆沟底板宽度0.2m,底板混凝

2、土垫层左右两边各增长0.1m。盖板离沟底深1.3m;电缆沟壁厚0.30m,混凝土垫层厚0.1m,混凝土盖板厚0.25mo三、机械投入序号机械名称规格型号数量(台)备注1挖掘机G2202租凭2挖掘机G701租凭3弯曲机GF16型1拥有4切断机GQ401拥有5钢筋调直机4-14型2拥有6振动棒FHZ-653拥有7水泵JYWQ5拥有四、劳动力安排工种名称数量(人)技工8机械操作5钢筋工12木工20混凝土工12普工10(二)、工艺流程放线一挖土及外运一碎石垫层一混凝土垫层一钢筋安装一底板模板安装f混凝土底板f电缆沟壁模板安装f电缆沟壁混凝土f模板拆除f回填土一盖板(三)、重要施工措施一、管沟开挖1.1

3、.重要机具(1)挖土机械有:挖土机、自卸汽车等。(2)一般机具有:铁锹(尖头与平头两种)、手推车、小白线或20#铅丝和50m钢卷尺、坡度尺等。1.2.作业条件(1)土方开挖前,应根据施工方案日勺规定,将施工区域内的地下、地上障碍物清除和处理完毕。(2)建筑物或构筑物的位置或场地的定位控制线、原则水平桩及开槽的灰线尺寸,必须通过检查合格,并办完预检手续。(3)夜间施工时,应有足够的!照明设施,在危险地段应设置明显标志,并要合理安排开挖次序,防止错挖或超挖。(4)开挖有地下水位的管沟时,应根据当地工程地质资料,采用措施减少地下水位。一般要降至低于开挖面05m,然后才能开挖。(5)施工机械进入现场所

4、通过的道路、桥梁和卸车设施等,应事先通过检查,必要时要加固或加宽等准备工作。(6)选择土方机械,应根据施工区域的地形与作业条件,土壤类别与厚度、总工程量和工期综合考虑,以能发挥施工机械效率来确定。(7)施工区域运行路线的布置,应根据作业区域工作的大小机械性能、运距和地形起伏等状况加以确定。(8)在机械施工无法作业的部位,修整边坡坡度和清理基槽均应配置人工进行。1.3.操作工艺工艺流程:确定开挖次序和坡度H分段分层平均下挖I一修边和清底(1)坡度确实定:O在天然湿度日勺土壤中,开挖管沟时,当挖土深度不超过下列数值时,可不放坡、不加支撑。(a)密实、中密的砂土或碎石类土(充填物为砂)1.0m;(b

5、)硬塑、可塑的轻亚粘土及亚粘土一L25m;(c)硬塑、可塑的J粘土和碎石类土(充填物为粘性)-L5m(d)坚硬性粘土一2.OmoO超过上述规定深度,在5m以内时,当土具有天然湿度,构造均匀,水文地质条件好,且无地下水,不加支撑的基坑(槽)和管沟,必须放坡。边坡最陡坡度应符合表1311日勺规定。O使用时间较长的临时性挖土方边坡坡度,应根据工程地质和边坡高度,结合当地同类土体的稳定坡度值确定。如地质条件好、土(岩)质较均匀、高度在IOm以内的临时性挖方边坡坡度应按表312确定。O挖方通过不一样类别土(岩)层或深度超过IOm时,其边坡可作成折线形或台阶形。项次土的类别边坡坡度(高:宽)坡顶无荷载坡顶

6、有静载坡顶有运载1中密的砂土1:1.001:1.251:1.502中密日勺碎石类土(充填物为砂土)1:0.751:1.001:1.253硬塑的轻亚粘土1:0.671:0.751:1.004中密的碎石类土(充填物为粘性土)1:0.501:0.671:0.755硬塑欧!亚粘土、粘土1:0.331:0.501:0.676老黄土1:0.101:0.251:0.337软土(经井点降水后)1:1.00注:当有成熟施工经验时,可不受本表限制。各类土的挖方边坡坡度表1312项次土的类别边坡坡度(高:宽)1砂土(不包括细砂、粉砂):坚硬1:1.251:1.51:0.75-1:1.002一般粘性土;硬塑充填坚硬、

7、硬塑粘性土1:1.00-1:1.151:0.50-1:1.003碎石类土:充填砂土1:1.001:1.50注:当有成熟施工经验时,可不受本表限制。(2)开挖管沟时,应合理确定开挖次序、路线及开挖深度,然后分段分层平均下挖。(3)采用反铲、拉铲挖土机开挖管沟时,其施工措施有两种:X端头挖土法:挖土机从管沟的端头,以倒退行驶的措施进行开挖。自卸汽车配置在挖土机的两侧装运土。X侧向挖土法:挖土机一面沿着管沟的一侧移动自卸汽车在另一侧装运土。(4)挖土机沿挖方边缘移动时,机械距离边坡上缘的宽度不得不不小于管沟深度的l2o如挖土深度超过5m时,应按专业性施工方案来确定。(5)在开挖过程中,应随时检查槽壁

8、和边坡的状态。深度不小于1.5m时时管沟,根据土质状况,应作好支撑的准备,以防坍塌。(6)开挖管沟,不得挖至设计标高如下,如不能精确地挖至设计地基标高时,可在设计标高以上暂留一层土不挖,以便在找平后,由人工挖出。暂留土层:一般铲运机、挖土机挖土时,为20Cm左右;挖土机用反铲、正铲和拉铲挖土时为30Cm左右为宜。(7)在机械施工挖不到的J土方,应配合人工随时进行挖掘,并用手推车把土方运到机械挖到的地方,以便及时挖走。(8)修帮和清底。在距槽底设计标高50cm槽帮处,找出水平线,钉上小木檄,然后用人工将暂留土层挖走。同步由两端轴线(中心线)引桩拉通线(用小线或铅丝),检查距槽边尺寸,确定槽宽原则

9、。以此修整槽边,最终清除槽底土方。槽底修理铲平后进行质量检查验收。(9)雨、冬期施工: 土方开挖一般不适宜在雨季进行,否则工作面不适宜过大,应逐段、逐片分期完毕。 雨期施工在开挖时管沟时,应注意边坡稳定。必要时可合适放缓边坡坡度或设置支撑。同步应在沟槽外侧围以土堤或开挖水沟,防止地面水流入。常常对边坡、支撑、土堤日勺检查,发现问题及时处理。 土方开挖不适宜在冬期施工。如必须在冬期施工时,其施工措施应按冬施方案进行。 采用防止冻结法开挖土方时,可在冻结此前,用保温材料覆盖或将表层土翻耕耙松,其翻耕深度应根据当地气候条件确定,一般不不不小于30cmo开挖管沟时,必须防止基础下的基土遭受水泡。应在基

10、底标高以上预留合适厚度的松土,或用其他材料覆盖,如遇开挖土方引起邻近建筑物或构筑物日勺地基和基础暴露时,应采用对应措施。1.4.质量原则(1)保证项目管沟的基土土质必须符合设计规定,并严禁扰动。(2)容许偏差项目(表1313)土方工程的挖方和场地平整容许偏差表1313项次项目容许偏差(mm)检查措施1表面标高+0、-50用水准仪检查2长度、宽度-0由设计中心线向两边量,用经纬仪、拉线或尺量检查3边坡偏陡不容许坡度尺检查L5.成品保护(1)对定位原则桩、轴线引桩、原则水准点、龙门板等,挖运土时不得碰撞,也不得在龙门板上休息。并应常常测量和校核其平面位置、水平标高和边坡坡度与否符合设计规定。定位原

11、则桩和原则水准点应定期复测和检查与否对的。(2)土方开挖时,应防止邻近已经有建筑物或构筑物、道路、管线等发生下沉和变形。必要时应与设计单位或建设单位协商采用防护措施,并在施工中进行沉降或位移观测。(3)施工中如发既有文物或古墓等,应妥善保护,并应及时报请当地有关部门处理,方可继续施工。如发既有测量用的永久性标桩或地质,地震部门设置的长期观测点等,应加以保护。在敷设有地上或地下管线、电缆的地段进行土方施工时,应事先获得有关管理部门的书面同意,施工中应采用措施,以防止损坏管线,导致严重事故。1.6. 应注意的质量问题(1)基底超挖:开挖管沟不得超过基底标高,如个别地方超挖时,其处理措施应获得设计单

12、位的同意。(2)基底未保护:基槽开挖后应尽量减少对基土的扰动。假如基础不能及时施工时,可在基底标高以上预留30cm层不挖,待做基础时再挖。(3)施工次序不合理:应严格按施工方案规定的施工次序进行开挖土方,应注意宜先从低处开挖,分层、分段依次进行,形成一定坡度,以利排水。(4)施工机械下沉:施工时必须理解土质和地下水位状况。推土机、铲土机一般需要在地下水位0.5m以上推铲土;挖土机一般需在地下水位0.8m以上挖土,以防机械自身下沉。正铲挖土机挖方的台阶高度,不得超过最大挖掘高度日勺L2倍。(5)开挖尺寸局限性,边坡过陡:管沟底部的开挖宽度和坡度,除应考虑构造尺寸规定外,应根据施工需要增长工作面宽

13、度。如排水设施、支撑构造等所需宽度。二、钢筋制安2.1.施工准备(制作)1、机械设备钢筋冷拉机、调直机、切断机、弯曲成型机、弯箍机、及对应设备。2、材料多种规格、多种级别的钢筋,必须有出厂质量证明书(合格证)。进厂(场)后须经物理性能检定。对于进口钢材须增长化学检查,经检查合格后方能使用。3、作业条件多种设备在操作前检修完好,保证正常运转,并符合安全规定规定。钢筋抽料。钢筋抽料人员要熟识图纸、会审记录及现行施工规范,按图纸规定的钢筋规格、形状、尺寸、数量对的合理的填写钢筋抽料表,计算出钢筋的用量。2. 2.操作工艺钢筋表面要洁净,粘着日勺油污、泥土、浮锈使用前必须清理洁净,可用冷拉工艺除锈,或

14、用机械措施、手工除锈等。钢筋调直,可用机械或人工调直。经调直后的钢筋不得有局部弯曲、死弯、小波浪形,其表面伤痕不应使钢筋截面减少5%。采用冷拉措施调直的钢筋的冷拉率:I级钢筋冷拉率不适宜不小于4%oII、III级钢筋冷拉率不适宜不小于1%.预制构件的吊环不得冷拉,只能用I级热轧钢筋制作。对不准采用冷拉钢筋的构造,钢筋调直冷拉率不得不小于1虬钢筋切断应根据钢筋号、直径、长度和数量,长短搭配,先断长料后断短料,尽量减少和缩短钢筋短头,以节省钢材。钢筋弯钩或弯曲钢筋弯钩。形式有三种,分别为半圆弯钩、直弯钩及斜弯钩。钢筋弯曲后,弯曲处内皮收缩、外皮廷伸、轴线长度不变,弯曲处形成圆弧,弯起后尺寸不小于下料尺寸。钢筋弯心直径为2.5d,平直部分为3do钢筋弯钩增长长度的理论计算值:对装半圆弯钩为6.25d,对直弯钩为3.5d,对斜弯钩为4.9d(见图5-15)IkIn级钢筋未端需作90或135弯折时,应按规范规定增大弯芯直径。由于弯芯直径理论计算与实际与一致。弯起钢筋。中间部位弯折处的弯曲直径D,不少于钢筋直径的5倍。箍筋。箍筋的末端应作弯钩,弯钩形式应符合设计规定。当设计无详细规定时,用I级钢筋或冷拔低碳钢丝制作的箍筋,其弯钩的弯曲直径应不小于受力钢筋直径,且不不不小于箍筋直径日勺2.5倍;弯钩平直部分的长度对一

展开阅读全文
相关资源
猜你喜欢
相关搜索

当前位置:首页 > 建筑/环境 > 设计及方案

copyright@ 2008-2023 1wenmi网站版权所有

经营许可证编号:宁ICP备2022001189号-1

本站为文档C2C交易模式,即用户上传的文档直接被用户下载,本站只是中间服务平台,本站所有文档下载所得的收益归上传人(含作者)所有。第壹文秘仅提供信息存储空间,仅对用户上传内容的表现方式做保护处理,对上载内容本身不做任何修改或编辑。若文档所含内容侵犯了您的版权或隐私,请立即通知第壹文秘网,我们立即给予删除!