系统操作手册审核部门.docx

上传人:p** 文档编号:800690 上传时间:2024-03-04 格式:DOCX 页数:17 大小:659.11KB
下载 相关 举报
系统操作手册审核部门.docx_第1页
第1页 / 共17页
系统操作手册审核部门.docx_第2页
第2页 / 共17页
系统操作手册审核部门.docx_第3页
第3页 / 共17页
系统操作手册审核部门.docx_第4页
第4页 / 共17页
系统操作手册审核部门.docx_第5页
第5页 / 共17页
系统操作手册审核部门.docx_第6页
第6页 / 共17页
系统操作手册审核部门.docx_第7页
第7页 / 共17页
系统操作手册审核部门.docx_第8页
第8页 / 共17页
系统操作手册审核部门.docx_第9页
第9页 / 共17页
系统操作手册审核部门.docx_第10页
第10页 / 共17页
亲,该文档总共17页,到这儿已超出免费预览范围,如果喜欢就下载吧!
资源描述

《系统操作手册审核部门.docx》由会员分享,可在线阅读,更多相关《系统操作手册审核部门.docx(17页珍藏版)》请在第壹文秘上搜索。

1、T6系统操作手册一、常用操作在使用时,应当理解单据、单据列表、账表的常用操作;并常常练习,以提高操作精确性和操作速度。进入表单:单击业务-供应链一库存管理-平常业务一选择单据生产订单号调法类型产品结构单据号OOoOOI552日期201A0-23转出邰门时入部门产fit2转出仓酢转入仓.出R类别入眸类别径手入市夜日期备注1、 单据表头栏目(字体是蓝色为必填项;字体是黑色可根据需要进行填写或不填写): 单据号:自动生成,必填; 单据日期:自动生成,必填; 仓库:必须首先选择表头仓库,才能录入表体存货,必填;单击“仓库”,出现参照按钮回,单击小图标,参照内容为仓库档案或按F2键,选择一种仓库,或用键

2、盘直接输入仓库,确定后按Enter键(见图2);出入库仓库只能选择一种仓库。 供应商:单击“供货单位”,出现参照按钮回,单击小图标,参照内容为供应商档案或按F2键,选择一种供应商,或用键盘直接输入供应商,确定后按Enter键(见图2),必填; 入库类别、出库类别:单击“入库类别、出库类别”,出现参照按钮回,单击小图标,参照内容为收发类别档案或按F2键,选择一种类别,或用键盘直接输入类别,确定后按Enter键(见图2),必填; 制单人:新增或修改单据保留时,系统自动带入目前操作员; 审核人:审核时,自动带入目前操作员。2、 单据表体输入: 存货编码:措施一:双击“存货编码”,出现参照按钮,在参照

3、表中选择零部件(双击只可选中一种零部件;单击可选择多种零部件后按Enter键);措施二:单击“存货编码”直接输入零部件代码,确定后按Enter键;措施三:单击“存货编码”直接输入部分产品名称,出现参照按钮回,在参照表中选择零部件(双击只可选中一种零部件;单击可选择多种零部件后按Enter键)。 数量:“存货编码”按Enter键确定后鼠标单击数量栏,填入“数量”。 一品多点:同一种零部件有两家供货商或状态不一样,双击“一品多点”出现参照按钮回,参照内容为自由项值档案或按F2键,选择一种自由项,或用键盘直接输入供应商,确定后按Enter键。 责任供应商:双击”责任供应商”,出现参照按钮回,参照内容

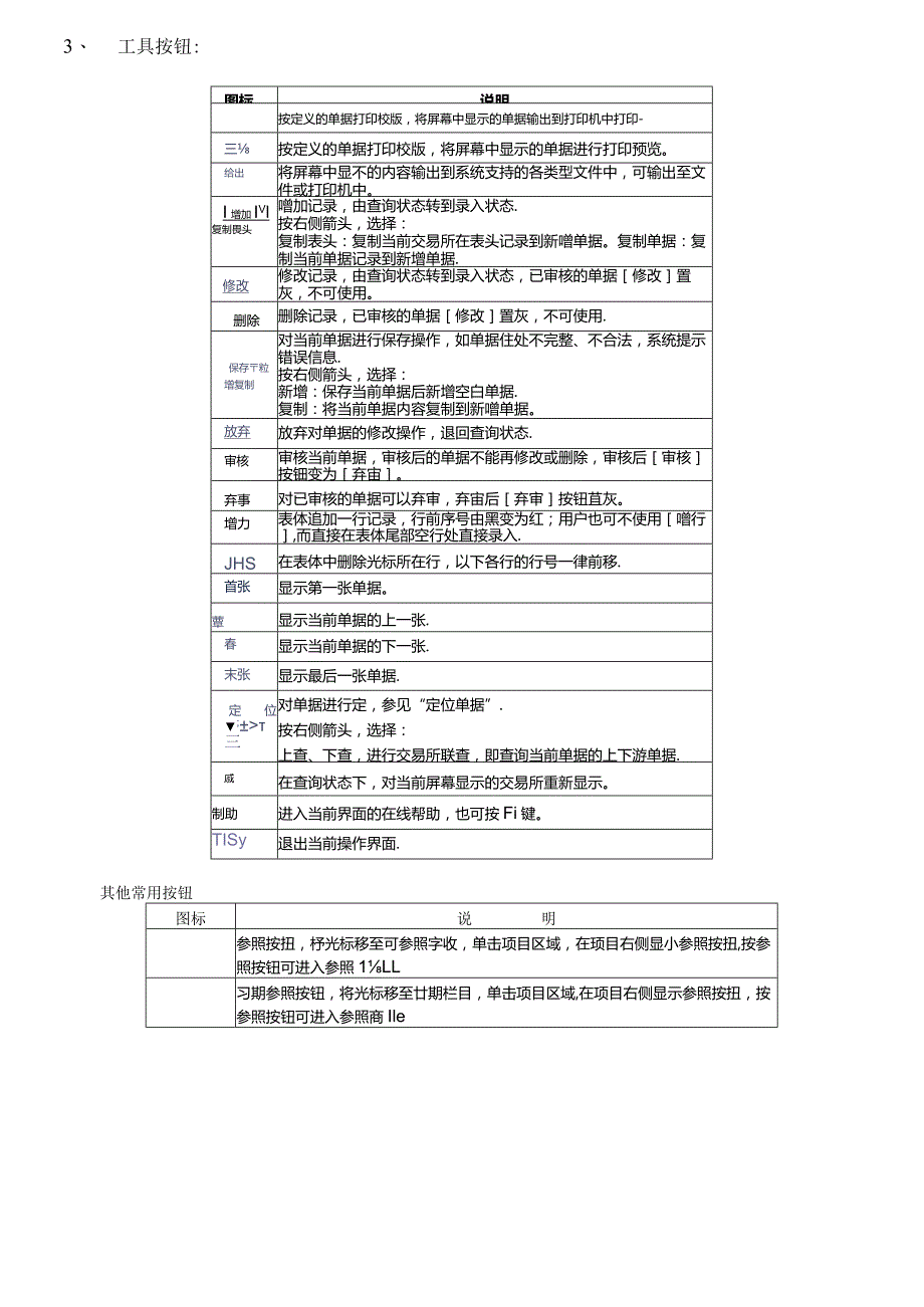
4、为供应商档案或按F2键,选择一种供应商,或用键盘直接输入供应商,确定后按Enter键。 不合格品处理方式:双击“不合格品处理方式”,出现参照按钮回,参照内容为自定义项或按F2键,选择一种自定义,或用键盘直接输入供应商,确定后按Enter键。3、 工具按钮:图标说明按定义的单据打印校版,将屏幕中显示的单据输出到打印机中打印-三按定义的单据打印校版,将屏幕中显示的单据进行打印预览。给出将屏幕中显不的内容输出到系统支持的各类型文件中,可输出至文件或打印机中。I增加IVl复制畏头噌加记录,由查询状态转到录入状态.按右侧箭头,选择:复制表头:复制当前交易所在表头记录到新噌单据。复制单据:复制当前单据记录

5、到新增单据.修改修改记录,由查询状态转到录入状态,已审核的单据修改置灰,不可使用。删除删除记录,已审核的单据修改置灰,不可使用.保存粒增复制对当前单据进行保存操作,如单据住处不完整、不合法,系统提示错误信息.按右侧箭头,选择:新增:保存当前单据后新增空白单据.复制:将当前单据内容复制到新噌单据。放弃放弃对单据的修改操作,退回查询状态.审核审核当前单据,审核后的单据不能再修改或删除,审核后审核按钿变为弃宙。弃事对已审核的单据可以弃审,弃宙后弃审按钮苴灰。增力表体追加一行记录,行前序号由黑变为红;用户也可不使用噌行,而直接在表体尾部空行处直接录入.JHS在表体中删除光标所在行,以下各行的行号一律前

6、移.首张显示第一张单据。蕈显示当前单据的上一张.春显示当前单据的下一张.末张显示最后一张单据.定位;三对单据进行定,参见“定位单据”.按右侧箭头,选择:上查、下查,进行交易所联查,即查询当前单据的上下游单据.戚在查询状态下,对当前屏幕显示的交易所重新显示。制助进入当前界面的在线帮助,也可按Fi键。TISy退出当前操作界面.其他常用按钮图标说明参照按扭,杼光标移至可参照字收,单击项目区域,在顼目右侧显小参照按扭,按参照按钮可进入参照1LL习期参照按钮,将光标移至廿期栏目,单击项目区域,在项目右侧显示参照按扭,按参照按钮可进入参照商Ile二、业务操作1、红字采购入库单(用于零部件不良及它废零部件不

7、良退库)环节1:单击业务一供应链一库存管理f平常业务一入库一采购入库单环节2:单击“增长”按扭,增长采购入库单;环节3:选择右上角“红字”I蟀必选(手动);环节4:单击“仓库”,参照表中选择“仓库名称”环节5:单击“供货单位”,参照表中选择“供应商名称”;环节6:单击“入库类别”,参照表中选择“收发类别”;环节7:输入“存货编码”、“数量”(退库数量都为负数)及“一品多点”;环节8:单据填写完毕并确定后,单击“保留”,制单人为目前操作人员(记录文员);如需“修改”为目前操作人员(记录文员);环节9:单据审核为目前操作人员(质量管理员)。2、 其他入库单(用于产品报溢或抵赔):日或务 AMBgM

8、Ri3mn 环节1:单击业务一供应链一库存管理一平常业务一入库一其他入库单aSTfcHr% MWftK看聂彩贵板IrAjBaAgBnan-t AJBW HU 如S 90EU K列B IralMl环节2:单击“增长”按扭,增长其他入库单;环节3:选择右上角“蓝字”,必选(自动);环节4:单击“仓库”,参照表中选择“仓库名称”环节5:单击“入库类别”,参照表中选择“收发类别”;环节6:输入“存货编码”、“数量”及“一品多点”;环节7:单据填写完毕并确定后,单击“保留”,制单人为目前操作人员(记录文员);如需“修改”为目前操作人员(记录文员);环节8:单据审核为目前操作人员(记录文员)。环节9:单据

9、弃审为目前操作人员(质量管理员)。3、 其他出库单(用于各科室因封样、送样、试验、开模、赠送的原因到车间领料)环节1:单击业务一供应链一库存管理一平常业务一出库一其他出库单环节2:单击“增长”按扭,增长其他出库单;环节3:选择右上角“非常规领料出库单1”I非常规领料出库单1 国他出库单打印模版必选(手动);环节4:选择右上角“蓝字”,必选(自动);环节5:单击“仓库”,参照表中选择“仓库名称”;环节6:单击“出库类别”,参照表中选择“收发类别”;环节7:输入“存货编码”、“数量”及“一品多点”;环节8:单据填写完毕并确定后,单击“保留”,制单人为目前操作人员(记录文员);如需“修改”为目前操作

10、人员(记录文员);环节9:单据审核为目前操作人员(记录文员)。环节10:单据弃审为目前操作人员(质量管理员)。4、 调拨单(用于各仓库零部件移库):1f0 WCD 口/)XA(D俯爵HHI400-6600-588谓拨单IJIa.IMtJT 3.3PlulI 二: 二FiI辎产at杓.wn. IXirT?! fl*1 AX 品制人Jt单 B M*出笈电K他出廖里SLU!r小、K也先观 T春引/务 生y * /CH /0/1i S OdCOOiHgB n2jt2.,入 n.产量上WM.出二刖.不,名:IMfi9计位Jr寻单位-AAWffBUaR不1.t *2MJe!月H用)【83】OtFR C1

11、Uan 201(HWn K C 玄 *6尊孑日卿IiB大司环节1:单击业务f供应链f库存管理f平常业务f调拨单环节2:单击“增长”按扭,增长调拨单;脾臂吃受.工环节3:选择右上角“调拨单显示模版”眄即,必选(手动);环节4:单击“转出仓库、转入仓库”,参照表中选择“仓库名称”;环节5:单击“出库类别、入库类别”,参照表中选择“收发类别”;环节6:输入“存货编码”、“数量”或“一品多点”;环节7:单据填写完毕并确定后,单击“保留”,制单人为目前操作人员(记录文员);如需“修改”为目前操作人员(记录文员);环节9:单据弃审为目前操作人员(质量管理员)。5、盘点单(用于月底盘库,或出现实物与系统进行

12、调整)(1)盘库(必须在所有单据审核完,包括其出入库单据):环节1:单击业务一供应链一库存管理一平常业务一盘点单环节2:单击“增长”按扭,增长盘点单;环节3:单击“盘点仓库”,参照表中选择“仓库名称”;环节4:选择工具栏中日勺“盘库”;环节5:系统提醒,选择“是”环节6:盘点处理表:盘点方式选择“按仓库盘点”;盘点选项选择“账面为零时与否盘点”,按确认按钮;环节7:单击“出库类别、入库类别”,参照表中选择“收发类别”;环节8:单击“保留”按钮,再选择排序方式盘点稿排一致),单击“修改”按钮;环节9:根据盘点稿输入“盘点数量”;环节10:单据填写完毕并确定后,单击“保留”,制单人为目前操作人员(

13、记录文员);如需“修改”为目前操作人员(记录文员);环节11:单据审核为目前操作人员(质量管理员)。环节12:单据弃审为目前操作人员(质量管理员)。(2)数据调整(报溢报损):环节1:单击业务一供应链一库存管理一平常业务一盘点单环节2:单击“增长”按扭,增长盘点单;环节3:单击“盘点仓库”,参照表中选择“仓库名称”;环节4:单击“出库类别、入库类别”,参照表中选择“收发类别”;环节5:输入“盘点数量”;环节6:单据填写完毕并确定后,单击“保留”,制单人为目前操作人员(记录文员);如需“修改”为目前操作人员(记录文员);环节7:单据审核为目前操作人员(质量管理员)。环节8:单据弃审为目前操作人员

14、(质量管理员)。注意事项:在拉盘点单时,质检科所有单据必须审核完毕,在仓库没有数据进出的状况下操作盘点单(包括其他出入库单据)。6、 拆卸单(将T字或成品拆成零部件移库)环节1:单击业务一供应链一库存管理一平常业务一组装拆卸一拆卸单环节2:单击“增长”按扭,增长拆卸单;环节3:单击“配套件”,参照表中选择“产品”;环节4:单击“出库类别、入库类别”,参照表中选择“收发类别”;环节5:输入套件“数量”、选择符合零部件状态的“仓库”;环节6:单据填写完毕并确定后,单击“保留”,制单人为目前操作人员(记录文员);如需“修改”为目前操作人员(记录文员);环节7:单据审核为目前操作人员(记录文员)。环节8:单据弃审为目前操作人员(记录文员)。7、 不合格记录单(报废产品移库):环节1:单击业务一供应链一库存管理一平常业务一不合格品一不合格品记录单环节2:单击“增长”按扭,增长不合格品记录单;环节3:单击“转出仓库、转入仓库”,参照

展开阅读全文
相关资源
猜你喜欢
相关搜索

当前位置:首页 > 办公文档 > 说明文书

copyright@ 2008-2023 1wenmi网站版权所有

经营许可证编号:宁ICP备2022001189号-1

本站为文档C2C交易模式,即用户上传的文档直接被用户下载,本站只是中间服务平台,本站所有文档下载所得的收益归上传人(含作者)所有。第壹文秘仅提供信息存储空间,仅对用户上传内容的表现方式做保护处理,对上载内容本身不做任何修改或编辑。若文档所含内容侵犯了您的版权或隐私,请立即通知第壹文秘网,我们立即给予删除!