表116清水混凝土模板制作检验批质量验收记录.docx

上传人:p** 文档编号:803790 上传时间:2024-03-04 格式:DOCX 页数:2 大小:16.70KB
下载 相关 举报
表116清水混凝土模板制作检验批质量验收记录.docx_第1页
第1页 / 共2页
表116清水混凝土模板制作检验批质量验收记录.docx_第2页
第2页 / 共2页
亲,该文档总共2页,全部预览完了,如果喜欢就下载吧!
资源描述

《表116清水混凝土模板制作检验批质量验收记录.docx》由会员分享,可在线阅读,更多相关《表116清水混凝土模板制作检验批质量验收记录.docx(2页珍藏版)》请在第壹文秘上搜索。

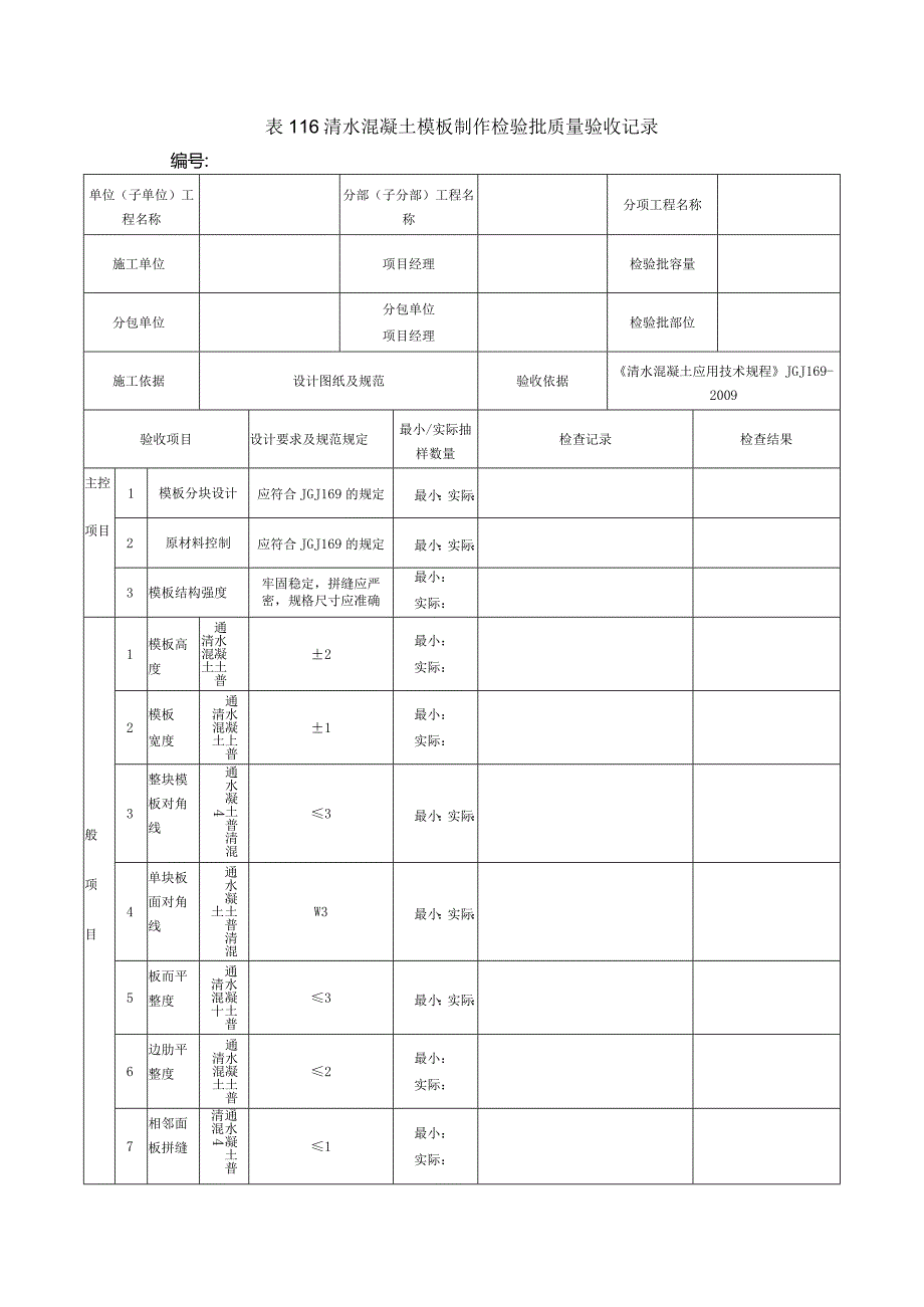
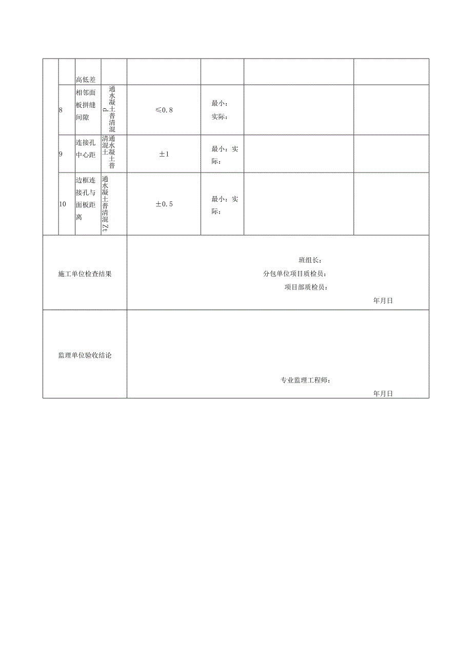
表116清水混凝土模板制作检验批质量验收记录编号:单位(子单位)工程名称分部(子分部)工程名称分项工程名称施工单位项目经理检验批容量分包单位分包单位项目经理检验批部位施工依据设计图纸及规范验收依据清水混凝土应用技术规程JGJ169-2009验收项目设计要求及规范规定最小/实际抽样数量检查记录检查结果主控项目1模板分块设计应符合JGJ169的规定最小:实际:2原材料控制应符合JGJ169的规定最小:实际:3模板结构强度牢固稳定,拼缝应严密,规格尺寸应准确最小:实际:般项目1模板高度通水凝土普清混土2最小:实际:2模板宽度通水凝上普清混土1最小:实际:3整块模板对角线通水凝土普清混43最小:实际:4单块板面对角线通水凝土普清混土W3最小:实际:5板而平整度通水凝土普清混十3最小:实际:6边肋平整度通水凝土普清混土2最小:实际:7相邻面板拼缝通水凝土普清混41最小:实际:高低差8相邻面板拼缝间隙通水凝土普清混d0.8最小:实际:9连接孔中心距通水凝土普清混土1最小:实际:10边框连接孔与面板距离通水凝土普清混Zt0.5最小:实际:施工单位检查结果班组长:分包单位项目质检员:项目部质检员:年月日监理单位验收结论专业监理工程师:年月日

展开阅读全文
相关资源
猜你喜欢
相关搜索

当前位置:首页 > 办公文档 > 统计图表

copyright@ 2008-2023 1wenmi网站版权所有

经营许可证编号:宁ICP备2022001189号-1

本站为文档C2C交易模式,即用户上传的文档直接被用户下载,本站只是中间服务平台,本站所有文档下载所得的收益归上传人(含作者)所有。第壹文秘仅提供信息存储空间,仅对用户上传内容的表现方式做保护处理,对上载内容本身不做任何修改或编辑。若文档所含内容侵犯了您的版权或隐私,请立即通知第壹文秘网,我们立即给予删除!