边坡力学参数取值.docx

上传人:p** 文档编号:806820 上传时间:2024-03-08 格式:DOCX 页数:4 大小:20.30KB
下载 相关 举报
边坡力学参数取值.docx_第1页
第1页 / 共4页
边坡力学参数取值.docx_第2页
第2页 / 共4页
边坡力学参数取值.docx_第3页
第3页 / 共4页
边坡力学参数取值.docx_第4页
第4页 / 共4页
亲,该文档总共4页,全部预览完了,如果喜欢就下载吧!
资源描述

《边坡力学参数取值.docx》由会员分享,可在线阅读,更多相关《边坡力学参数取值.docx(4页珍藏版)》请在第壹文秘上搜索。

1、边坡力学参数取值1.岩体结构面抗剪强度指标的试验应符合现行国家标准工程岩体试验方法标准GB/T50266的有关规定。当无条件进行试验时,结构面的抗剪强度指标标准值在初步设计时可按表4.3.1并结合类似工程经验确定。表4.3.1结构面抗剪强度指标标准值结构面类型结构面结合程度内摩摩角9(。)黏聚力C(MPa)硬性结构面1结合好350.132结合一般35270.130093结合差27-180.09005软弱结构面4结合很差18120.050.025结合极差(泥化层)120.02注:1除第1项和第5项外,结构面两壁岩性为极软岩、软岩时取较低值;2取值时应考虑结构面的贯通程度;3结构面浸水时取较低值;

2、4临时性边坡可取高值;5已考虑结构面的时间效应;6未考虑结构面参数在施工期和运行期受其他因素影响发生的变化,当判定为不利因素时,可进行适当折减。2、岩体结构面的结合程度可按表4.3.2确定。表4.3.2结构面的结合程度结合程度结合状况起伏粗栈程度结构面张开度(mm)充填状况岩体状况结合良好铁硅钙质胶结起伏粗糙3胶结硬岩或较软岩结合一般铁硅钙质胶结起伏粗糙35胶结硬岩或较软岩铁硅钙质胶结起伏粗糙3胶结软岩分离起伏粗糙3无充填时)无充填或岩块、岩屑充填硬岩或较软岩结合差分离起伏粗糙3干净无充熄软岩:分离平直光滑3无充填时)无充填或岩块、岩屑充填各种岩层分离平宜光滑岩块、岩屑夹泥或附泥膜各种岩层结合

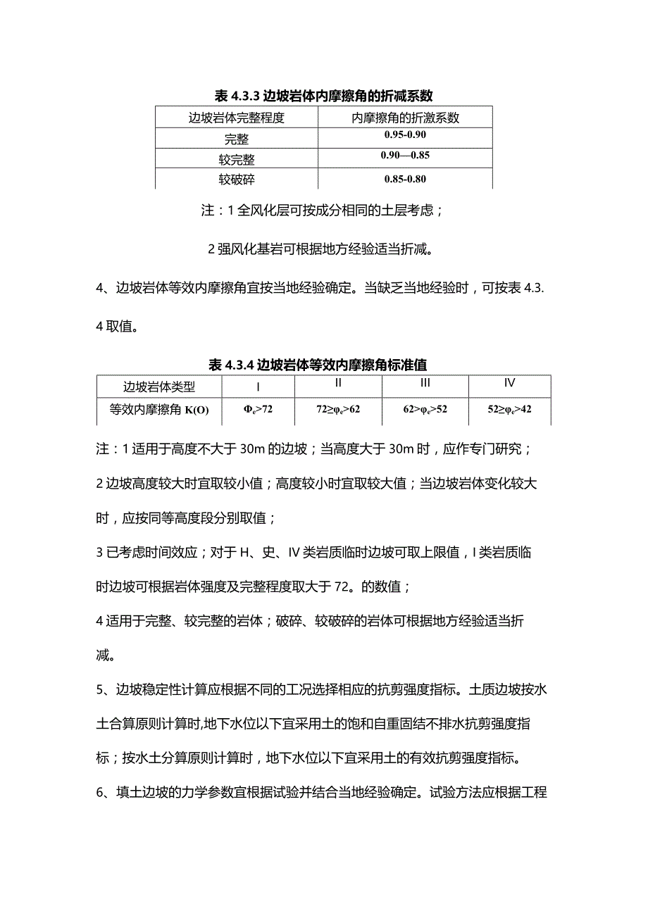
3、很差分离平宣光潘、略有起伏泥质或泥夹岩屑充填各种岩层分离平直很光滑3无充填各种岩层结合极差结合极差泥化夹层各种岩层注:1起伏度:当Ra1%,平直;当1%VRa2%时,略有起伏;当2%7272e6262e5252e42注:1适用于高度不大于30m的边坡;当高度大于30m时,应作专门研究;2边坡高度较大时宜取较小值;高度较小时宜取较大值;当边坡岩体变化较大时,应按同等高度段分别取值;3已考虑时间效应;对于H、史、IV类岩质临时边坡可取上限值,I类岩质临时边坡可根据岩体强度及完整程度取大于72。的数值;4适用于完整、较完整的岩体;破碎、较破碎的岩体可根据地方经验适当折减。5、边坡稳定性计算应根据不同

4、的工况选择相应的抗剪强度指标。土质边坡按水土合算原则计算时,地下水位以下宜采用土的饱和自重固结不排水抗剪强度指标;按水土分算原则计算时,地下水位以下宜采用土的有效抗剪强度指标。6、填土边坡的力学参数宜根据试验并结合当地经验确定。试验方法应根据工程要求、填料的性质和施工质量等确定,试验条件应尽可能接近实际状况。7、土质边坡抗剪强度试验方法的选择应符合下列规定:1根据坡体内的含水状态选择天然或颜口状态的抗剪强度试验方法;2用于土质边坡,在计算土压力和抗倾覆计算时,对黏土、粉质黏土宜选择直剪固结快剪或三轴固结不排水剪,对粉土、砂土和碎石土宜选择有效应力强度指标;3用于土质边坡计算整体稳定、局部稳定和抗滑稳定性时,对一般的黏性土、砂土和碎石土,按第2款相同的试验方法,但对颜口软黏性土,宜选择直剪快剪、三轴不固结不排水试验或十字板剪切试验。

展开阅读全文
相关资源
猜你喜欢
相关搜索

当前位置:首页 > 高等教育 > 工学

copyright@ 2008-2023 1wenmi网站版权所有

经营许可证编号:宁ICP备2022001189号-1

本站为文档C2C交易模式,即用户上传的文档直接被用户下载,本站只是中间服务平台,本站所有文档下载所得的收益归上传人(含作者)所有。第壹文秘仅提供信息存储空间,仅对用户上传内容的表现方式做保护处理,对上载内容本身不做任何修改或编辑。若文档所含内容侵犯了您的版权或隐私,请立即通知第壹文秘网,我们立即给予删除!