过路顶管施工设计方案.docx

上传人:p** 文档编号:806884 上传时间:2024-03-08 格式:DOCX 页数:18 大小:65.34KB
下载 相关 举报
过路顶管施工设计方案.docx_第1页
第1页 / 共18页
过路顶管施工设计方案.docx_第2页
第2页 / 共18页
过路顶管施工设计方案.docx_第3页
第3页 / 共18页
过路顶管施工设计方案.docx_第4页
第4页 / 共18页
过路顶管施工设计方案.docx_第5页
第5页 / 共18页
过路顶管施工设计方案.docx_第6页
第6页 / 共18页
过路顶管施工设计方案.docx_第7页
第7页 / 共18页
过路顶管施工设计方案.docx_第8页
第8页 / 共18页
过路顶管施工设计方案.docx_第9页
第9页 / 共18页
过路顶管施工设计方案.docx_第10页
第10页 / 共18页
亲,该文档总共18页,到这儿已超出免费预览范围,如果喜欢就下载吧!
资源描述

《过路顶管施工设计方案.docx》由会员分享,可在线阅读,更多相关《过路顶管施工设计方案.docx(18页珍藏版)》请在第壹文秘上搜索。

1、顶管施工方案工程名称:鸡西市三供一业维修改造工程一期(第一批)城子河区供水管网工程施工建设单位:鸡西哈达水务设计单位:鸡西市华兴建设工程设计监理单位:鸡西市神龙建设监理施工单位:黑龙江省龙泰建筑安装工程有限责任公司编制日期:2018年3月11日过路顶管专项施工方案一、工程概况工程名称:鸡西市三供一业维修改造工程一期(第一批)城子河区供水管网工程施工建设单位:鸡西哈达水务设计单位:鸡西市华兴建设工程设计监理单位:鸡西市神龙建设监理施工单位:黑龙江省龙泰建筑安装工程有限责任公司建设地点:鸡西市质量等级:合格鸡西市“三供一业供水管道工程,位于鸡西市城子河供电局一城山矿、二太堡一正阳、正阳一东海矿之间

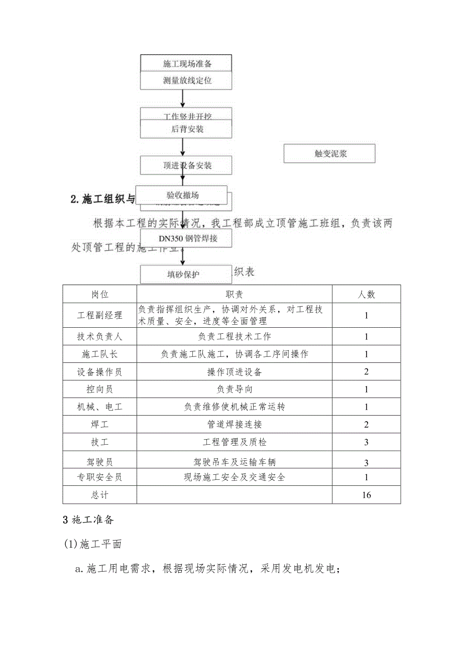
2、,本工程供水管道铺设总长约27.5km,其中城子河供电局一城山矿主管道1944m,二太堡-正阳主管道6072m,正阳一东海矿主管道18978m。全线多处过道需要水平定向钻施工。二、编制依据1、?给排水管道工程施工及验收标准?(GB50268-2008);2、?现场设备、工业管道焊接工程施工及验收标准?(GB50236-2011);3、招标文件;4、施工图纸;5、顶管施工标准、施工技术规程、质量评定标准。三、施工组织部署1.工程工艺流程本工程顶管时保温管外套DN800钢筋舲管,钢管与硅管道之间用中粗砂填充。施工工艺流程如下:岗位职责人数工程副经理负责指挥组织生产,协调对外关系,对工程技术质量、安

3、全,进度等全面管理1技术负责人负责工程技术工作1施工队长负责施工队施工,协调各工序间操作1设备操作员操作顶进设备2控向员负责导向1机械、电工负责维修使机械正常运转1焊工管道焊接连接2技工工程管理及质检3驾驶员驾驶吊车及运输车辆3专职安全员现场施工安全及交通安全1总计163施工准备(1)施工平面a.施工用电需求,根据现场实际情况,采用发电机发电;b.施工用水、生活用水根据现场情况就近取水;c.临时排污:由于施工场地位于梨树区,施工污水、泥浆采用专用运输车运到指定地点排放。材料准备1 .钢筋混凝土成品管材:本工程采用钢筋混凝土企口管,其品种、规格、外观质量、强度等级必须符合设计要求,并具有出厂合格

4、证及试验报告单。2 .橡胶垫应符合设计要求,具有出厂合格证Q设备准备1 .主要设备:顶镐、液压油泵、卷扬机、滑轮、压浆泵等。2 .辅助设备:吊管架、工作平台、棚架、触变泥浆设备、横铁、立铁、顶铁、导轨、测量仪器等。3 .工具:铁锹、水平尺、钢尺、锤球、小线、出土小车等。(4)进度方案本工程过路非开挖采暖管道敷设顶管工程工期为每处12天。具体安排见施工进度方案表:顶管施工进度方案表日期工程1-34-67-910-12测量、定位、放线工作井及后背施工设备安装材料进场校管道顶进钢管安装验收退场方案实施的保证措施:a.根据工程量及地质情况,配备足够数量施工机械,人力,以保证工期按方案完成;b.进场后调

5、试好机械,备足备件,对施工设备全面维护和保养,降低现场设备故障率;c.合理、科学的组织施工方案。d.加强控制质量关,及时解决现场发生的问题,检查每道工序。e.应用IS09002质量体系、压力管道安装保证体系控制施工质量,最大限度提高一次合格率。f.设备和材料的运输,均提前查明路线,保证配合工程进度的需求。g.及时收听天气预报,提前做好异常天气的施工措施,随时调整施工部署,尽量减少天气对施工进度带来的影响。四、施工组织部署1 .测量放线(1)应依据设计图纸进展测量放线,做好测量所需各项数据内业的收集、计算、复核工作。(2)对原交桩进展复核测量,原测桩有遗失或变位时,应补桩校正。(3)测定管道中心

6、线时,应在起点、终点、平面折点、竖向折点及其他控制点测设中心桩,并应在工作坑外适当位置设置栓桩。(4)测定中心桩时,应用测距仪或钢尺测量桩的水平距离。2 .工作竖井开挖(1)顶管工作竖井位置的选定,应符合以下要求:a.一般宜选在设计图中管道的检查井室位置。b.工作坑处应便于设备、材料运输及下管、出土、排水,并具备有少量堆放管材及暂存土的场地。c.单向顶进,顶管段两端条件相近时,工作坑宜选在管线下游。d.工作竖井距铁路路基、公路路基较近时,必须保证足够的安全距离或有采取加固措施的条件。e.工作竖井应选择在地下管线较少部位。(2)顶管工作竖井的开挖断面,应根据检查井尺寸、工作面宽度、现场环境、土质

7、、挖深、地下水位及支撑材料规格、管径、管长、顶管机具设备规格、顶力、下管及出土方法等条件确定。(3)工作竖井的支撑应根据开挖断面、挖深、土质条件、地下水状况及总顶力等进展施工设计,确定支撑形式,且符合以下要求:a.工作竖井支撑宜形成封闭式框架,矩形工作竖井四角应设斜撑。b.支护应根据场地环境采用钢木支护、喷锚混凝土支护等方法。c.有地下水时,根据管道埋深、土质类型、地下水深,采用轻型井点或管井降水方法。(4)工作竖井应有足够的工作面,竖井底尺寸应按下式计算:底宽B=D12S2C(1-7)底长L=Ll+L2L3L4+L5(1-8)式中:B一工作竖井底宽(m);1.一工作竖井底长(m);S一一管两

8、侧操作宽度(m),每侧1.6m;C撑板厚度(m),一般采用0.2m;Dl管外径(m);1.l一一管子顶进后,尾部压在导轨上的最小长度,顶钢筋混凝土管取0.6m;机械挖土、挤压出土及管前使用其他工具管时,工具管长度如大于上述铺轨长度的要求,Ll应取工具管长度;L2管节长度(m);L3出土工作间长度,根据出土工具而定,宜为1.0m-1.8m;L4液压油缸长度(m);L5后背所占工作竖井长度,包括横木、立铁、横铁,取0.85m。工作竖井深度应符合下式:Hl=hl+h2h3(l-9)H2=hl+h2(无根基及垫层时)式中:Hl顶进竖井地面至竖井底的深度(m);hl一一承受竖井地面至竖井底的深度(m);

9、h2管道外缘底部至导轨底面的高度(m);h3根基及其垫层的厚度,不应小于该处井室的根基及垫层厚度(m)o(5)顶管工作竖井及设备允许偏差见下表。(6)工作竖井内的布置:一般工作竖井内的布置参见以以下列图。3 .后背安装(1)核算后背受力宽度,应根据需要的总顶力,使土壁单位宽度内受力不大于土壤的总被动土压力。后背每米宽度上土壤的总被动土压力(kN/m2)可按下式计算:P=I/2Yh2tan2(45o+2)+2Chtan(45o+2)(1-10)式中:P总被动土压力;Y土壤的重度(kN/m3);h一天然土壁后背的高度(m);一一土壤的内摩擦角(。);C土壤的粘聚力(kN/m2)。后背长度可采用下式

10、核算:L=4P/B+La(1-11)式中:L后背长度(m);P顶管需要的总顶力(kN);B后背受力宽度(m);1.a附加安全长度(m),砂土可取2;亚砂土可取1;粘土取0。(2)采用原土作后背时,后背墙的安装应符合以下要求:a.后背土壁应铲修平整,并使壁面与管道顶进方向垂直。b.后背墙宜采用方木、型钢、钢板等组装,组装后的后背墙应有足够的强度和刚度,其埋深应低于工作坑底,不小于0.5m。c.后背土体壁面应与后背墙紧贴,孔隙应用砂石料填塞密实。d.根据后背施工设计安装后背,紧贴土体的后背材料,如型钢、预制后背、方木等应横放,在其前面放置立铁,立铁前放置横铁。(3)当无原土作后背时,应采用构造简单

11、、稳定可靠、就地取材、撤除方便的人工后背墙;利用已完成顶进的管段作后背时,顶力中心宜与已完工管道中心重合,顶力应小于已顶完管道的抗顶力,后背钢板与管口间应垫缓冲材料,保护管口不受损伤。4 .设备安装(1)导轨安装应符合以下要求:a.导轨应选用钢质材料制作,宜根据管材质量选配钢轨作导轨。b.应在检验合格的根基上安装枕铁或枕木,在检验合格的枕铁或枕木上安装导轨。c.当工作竖井底有水、土质松软、管径较大时,应浇筑水泥混凝土根基,将枕铁或枕木埋设于混凝土中。宜结合管道根基设计,确定混凝土面的高程及宽度,水泥混凝土根基的宽度宜比管径大400mm,厚度可采用200mm300mm,混凝土根基顶面应低于枕铁或

12、枕木面IOnIm20mm。d.当工作竖井底无水,土质坚实,可挖土槽埋设枕铁或枕木。枕铁或枕木长度宜采用2m3m,宜比导轨外缘两边各长出20OnIm300mm,其埋设间距可根据管重、顶力和土质选取40Onlnl80OnImoe.枕铁宜用型钢制成,并附有固定导轨的特制螺栓,枕铁应直顺、平整;采用枕木时,截面不小于15OnImX150mm。f.两根导轨应顺直,两根导轨的内距按下式计算:式中:AO两导轨中距(mm);A一两导轨上部的净距(mm);a导轨的上顶宽度(mm);D管外径(mm);h导轨高度(mm);e管外底距枕铁(枕木)面的距离(一般为10mm25mm)o(2)导轨及枕铁安装质量应符合以下规

13、定:a.枕铁或枕木的安装高程宜低于管外底高程IOnlm20mm,间距均匀,其铺装纵坡应与管道纵坡一致。b.两根导轨应直顺、平行、等高,导轨安装结实,其纵坡与管道设计坡度一致。C.导轨高差允许偏差2mm,导轨内距允许偏差为2mm;中心线允许偏差为3mm,顶面高程允许偏差为OmnI3mm0(3)工作平台安装应符合以下要求:a.应在顶管工作坑开挖与支护完成后进展。b.工作平台承重主梁应根据静载、活载及其他附加荷载计算选用,主梁两端伸出工作坑壁外不得小于1.2m。C,平台口的长度和宽度各大于管节长度及管外壁O.8mod.根据起吊设备能力及吊重核算起重架;支搭于工作平台上的起重架宜与防雨、雪棚架结合成一

14、体,并安装结实。e.工作坑上的平台孔口必须安装护栏,上下人处设置结实的爬梯。(4)顶铁安装应符合以下要求:a.应有足够的刚度,无歪斜扭曲现象,顶铁上宜有锁定装置,顶铁单块旋转时应能保持稳定。b.顶铁宜采用铸铁成型或型钢焊接成型。C,顶铁放置在管道两侧,且顶铁中心线应与管道中心线平行、对称直顺;顶铁与导轨和顶铁之间的接触面不得有泥土、油污。d.更换顶铁时,应先使用长度大的顶铁,以减少顶铁连接数量;顶铁的允许连接长度,应根据顶铁的截面尺寸确定。当采用顶铁截面为200mm300mm时,单行顺向使用的长度不得大于1.5m;双行使用的长度不得大于2.5m,且应在中间加横向顶铁相连。e.顶铁与管口之间应采用缓冲材料衬垫。在顶力作用下,管节承压面应力接近其设计顶镐压力强度时,应采用U形或环形顶铁等措施,减少管节承压面应力。(5)顶进设备安装a.安装前应对高压油泵、液压油缸、液压管路控制系统、顶铁和压力表标定等进展检查,设备完好,方可安装。b.应根据顶管竖井的施工设计,安装高压油泵、管路及控制系统。油泵宜设置在液压油缸附近;油管应直顺、转角少;油泵应与液压油缸相匹配,并应有备用油泵。C.液压油缸的油路应并联,每台液压油缸应有进油、退油的控制系统。d.液压油缸的着力中心宜位于管子总高的1/4左右处,且不小于组装后背高度的1/3。e.使用一台液压油缸时,其平面

展开阅读全文
相关资源
猜你喜欢
相关搜索

当前位置:首页 > 建筑/环境 > 设计及方案

copyright@ 2008-2023 1wenmi网站版权所有

经营许可证编号:宁ICP备2022001189号-1

本站为文档C2C交易模式,即用户上传的文档直接被用户下载,本站只是中间服务平台,本站所有文档下载所得的收益归上传人(含作者)所有。第壹文秘仅提供信息存储空间,仅对用户上传内容的表现方式做保护处理,对上载内容本身不做任何修改或编辑。若文档所含内容侵犯了您的版权或隐私,请立即通知第壹文秘网,我们立即给予删除!