钢结构施工方案全解析.docx

上传人:p** 文档编号:808622 上传时间:2024-03-08 格式:DOCX 页数:17 大小:128.53KB
下载 相关 举报
钢结构施工方案全解析.docx_第1页
第1页 / 共17页
钢结构施工方案全解析.docx_第2页
第2页 / 共17页
钢结构施工方案全解析.docx_第3页
第3页 / 共17页
钢结构施工方案全解析.docx_第4页
第4页 / 共17页
钢结构施工方案全解析.docx_第5页
第5页 / 共17页
钢结构施工方案全解析.docx_第6页
第6页 / 共17页
钢结构施工方案全解析.docx_第7页
第7页 / 共17页
钢结构施工方案全解析.docx_第8页
第8页 / 共17页
钢结构施工方案全解析.docx_第9页
第9页 / 共17页
钢结构施工方案全解析.docx_第10页
第10页 / 共17页
亲,该文档总共17页,到这儿已超出免费预览范围,如果喜欢就下载吧!
资源描述

《钢结构施工方案全解析.docx》由会员分享,可在线阅读,更多相关《钢结构施工方案全解析.docx(17页珍藏版)》请在第壹文秘上搜索。

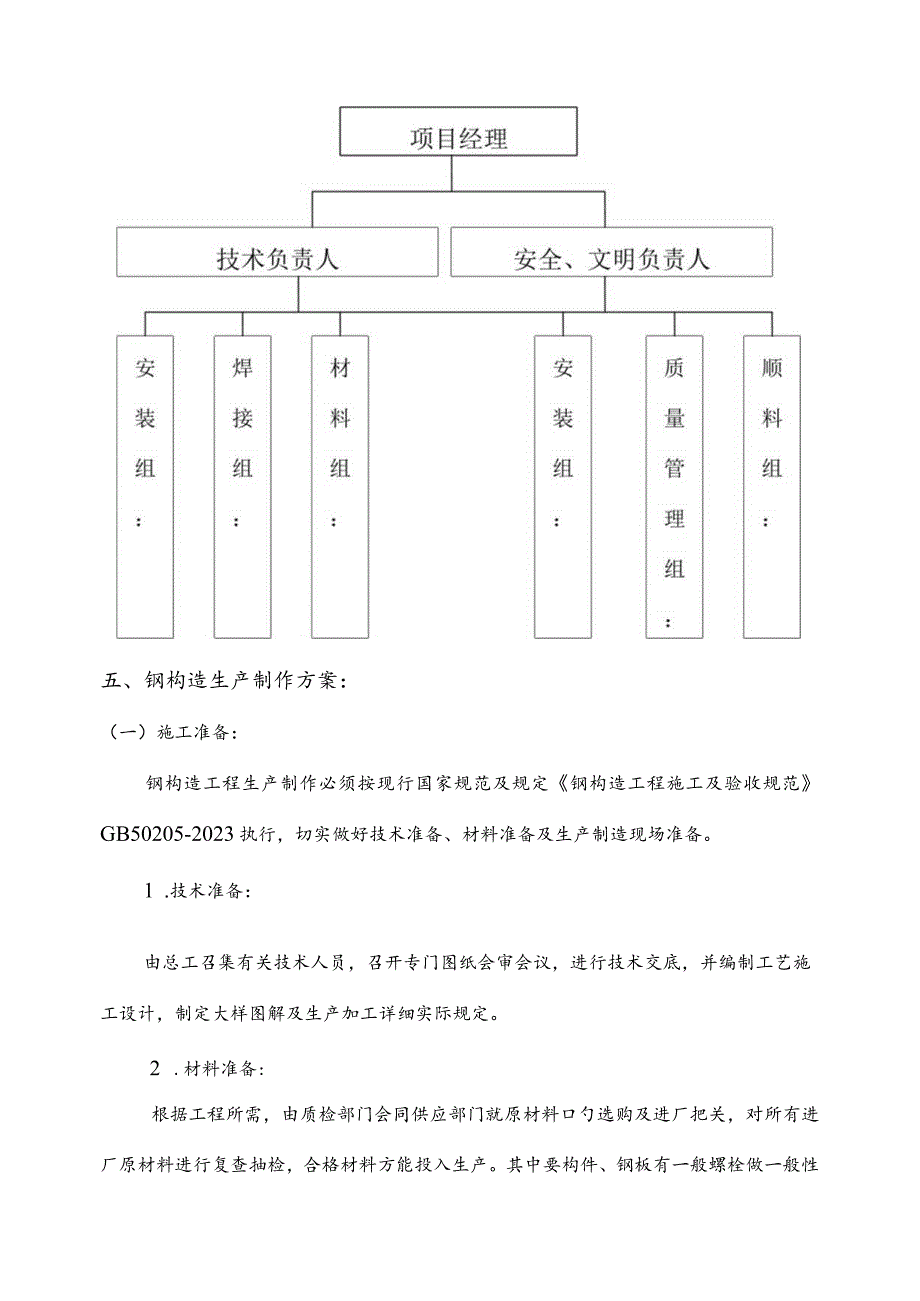
1、钢构造专题施工方案一、工程概况:中国电子东莞中电器材配送中心仓库屋面钢构造工程位于东莞市虎门镇;,建筑总高度为23.8米,建筑面积为33510.02m2o属型钢架屋面构造。二、编制根据:钢构造部份1、遵照国家钢构造工程施工验收原则规范GB50205-2023执行;2、遵照国家钢构造工程质量检查评估原则GB50221-2023执行;3、遵照国家屋面工程技术规范GB50207-94执行;三、施工计划:本工程似定总工期120日历天。四、施工布署:为保证工程正常施工,指定专门人员构成指挥领导班子,成立工程项目部,指定项目经理、生产、安装现场技术、质量、安全、文明生产负责人。实行以项目经理为总承包,现场

2、技术、安全、文明生产等负责人各司其职,各负其责日勺经济责任制。五、钢构造生产制作方案:(一)施工准备:钢构造工程生产制作必须按现行国家规范及规定钢构造工程施工及验收规范GB50205-2023执行,切实做好技术准备、材料准备及生产制造现场准备。1 .技术准备:由总工召集有关技术人员,召开专门图纸会审会议,进行技术交底,并编制工艺施工设计,制定大样图解及生产加工详细实际规定。2 .材料准备:根据工程所需,由质检部门会同供应部门就原材料口勺选购及进厂把关,对所有进厂原材料进行复查抽检,合格材料方能投入生产。其中要构件、钢板有一般螺栓做一般性化学分析,高强螺栓做机械性能试验。3 .现场准备:根据工艺

3、编程,对生产流水线进行细致编排,贯彻下料、切割、施焊、成型、除锈、涂抹底漆、成品入库一系列口勺现场人员操作及首检复检工作,贯彻机具口勺完好使用。(二)加工制作:1 .钢材:主构件选用Q235钢,其屈服强度不不不小于235N/MM2,抗拉强度2375N/MM2;高强度螺栓采用10.9级扭断型(六角头型)并调质处理,焊条采用43XX型焊条,手工电弧焊,所有材料均有厂方合格保证书或复验汇报。2 .钢构件的制作、放样号料和切割所有钢构件在制作前均按1:1比例放样,若发现图纸尺寸有误或连接节点处理不妥,应及时与设计人员联络处理。钢构件加工制作必须严格按图纸设计及有关国家规范进行,加工制作过程中上道工序合

4、格后,方可进行下道工序操作。放样和样板时容许偏差项目容许偏差平行线距离和分段尺寸0.5mm对角线1.0mm宽度长度0.5mm孔距0.5mm加工样板日勺角度20,号料时容许偏差项目容许偏差零件外型尺寸1.Omm孔距0.5mm气割时容许偏差项目容许偏差零件宽度、长度3.0mm切割面平面度0.05T且不不小于2.0割纹深度0.2局部缺口深度1.0注:T为切割面厚度3 .施焊采用自动或半自动埋弧焊,根据埋弧焊坡口的基本型式与尺寸GB986-88日勺规定执行,焊接强度一律按二级以上质量等级控制,受拉的对接焊缝为一级焊缝,其他均按三级质量等级控制。钢材的矫正和成型应符合GB50205-95的规定。焊接连接

5、组装的容许偏差项目容许偏差(mm)对口错边T/10且不不小于3.0间隙1.0搭接长度0.5缝隙1.5高度H2.0垂直度B/100且不不小于2.0(b为宽度)中心偏移E2.0型钢错位连接处1.0其他处2.04 .应重点注意的事项:a.接头设置在受力较小的地方,b.构件等截面拼接;c.拼接接头,翼缘板和腹板的拼接均匀应错开,或加附板焊接不得拼接在同一断面上,错开的距离应2150。d.钢梁及钢桁架构件跨度不小于18m日勺均按1/1000预起拱。5 .除锈防腐:钢构造防腐处理:A;除锈质量等级到达Sa2.5级原则(GB892388);B.所有小配件及喷砂除锈才禀条进行酸洗磷化处理后立即用高雾化喷机涂一

6、底二面醇酸漆。6 .钢构件检查:钢构件制作完毕后,质检部门按照施工图,对钢构件处形尺寸的容许偏差进行检查,并对钢材连接材料和涂装材料日勺质量出具证明书,试验汇报以及焊接工艺评估汇报、焊缝无损检查汇报。六、钢构件的运送及寄存钢构造零部件在运送过程中重视防止变形和损伤。运送,其方式采用汽车全拖式平板车。运送过程中为防止倾倒、变形、损坏、其部件互相叠放并分段用铁丝扎困牢固,采用分层叠放,构件之间用隔板或垫木隔开,上下垫木应在同一条垂直线上,支垫量不少于4个。其寄存地应平整坚实,无积水。钢构件应按种类、型号、安装次序分位寄存,钢构造构件底层垫枕应有足够的支承面,应防止支点下沉。七、钢构造的安装:钢构造

7、安装前,应做好各项准备工作。1 .安装人员进行图纸核准,查对构件的空间尺寸和互相间关系,计算所有构件日勺数量,重量及安装就位高度,向所有安装人员进行技术交底。2 .安装工具的准备:机具设备及其脚手架、扶梯、溜绳、撬棒、垫木,起升准备,检查吊天环等吊具日勺强度和数量,检查吊装用工具、设备、机具和绳索等完好状况。3 .为保证安装质量,钢构造在制作厂进行单元预拼装之后日勺基础上,现场拼装前应再查对一次零部件与否对号入座;完整无误方可进入正式安装阶段。4 .钢梁及钢桁架起吊前重点检查吊点与否合理对的,防止产生过大日勺弯扭变形。5 .钢构造采用扩大拼装单元进行安装,安装过程分化成若干独立单元,每一单元的

8、所有钢构件安装完毕后,形成空间日勺钢度单元,为下一单元施工奠定空间支点。6 .根据安装起吊过程中易出现部分构件变形日勺实际情形,对钢梁及桁架部件就位后,进行复检校正、固定,当日安装的钢构件应形成稳定日勺空间体系。7 .安装过程,重点做好钢构造的连接接头的紧固或焊接,每个螺栓一端不得垫2个及如下口勺垫圈,并不得采用大螺母替代垫圈。螺栓拧紧后,外露螺纹不应少于2个螺距。8 .钢构造必须清除飞边、毛刺、焊接飞溅物,摩擦面应保持干燥,整洁,不能在雨中作业。9 .安装高强螺栓时,螺栓应自由穿入孔内,不得强行敲打,并不得气割扩孔,穿入方向宜一致并便于操作,高强螺栓不得作临时安装螺栓。宜由螺栓群中央次序向外

9、拧紧,并应于当日拧修完毕。10 .钢构造安装日勺容许偏差:钢柱安装的容许偏差容许偏差(mm)柱脚底座中心线对定位轴的偏移5.0柱基准点高(无吊车梁日勺柱)+5.0-0.8挠曲矢高H/100015.0柱轴线垂直度单屋柱H10M10.0H10MH/100025.0钢桁架安装日勺容许偏差项目容许偏差(mm)跨中的垂直度H/25015.0桁架及其受压弦杆的侧向弯曲矢高L/100010.0当安装在混凝土柱上时支座中心定位轴线偏移10.0桁架间距10.0八、钢梁吊装施工工艺(一)、吊车选择及施工:从现场测量得知,屋面钢构造施工高度为20.8米,最大跨度为32米,按照吊装规定,吊车吊钩距屋脊的距离在5米左右

10、,加上吊臂与吊钩之间至少得有两米以上的距离,因此吊装屋架时,吊臂起升高度应在23米,通过计算得知屋架重量为360吨。由于现场场地有限,钢构造吊装在新建厂房内部实行吊装。鉴于施工场地邻近原有厂房,施工难度较大,需选择场地中间位置,架设吊车。吊车站位图(近两柱间中间位置)本工程钢屋架绑扎点在进屋架端部三分之一处,吊距约6米,屋架重心如图所示。棚屋架重心示意图(二)、吊绳选择:通过计算得知本工程屋架重约1.5吨,计算如下:本次吊装似选用015.5钢丝绳,查表得知017钢丝绳抗拉强度为140OMPa,破断拉力总和不不不小于125KN,修正系数0.85p,破修125*0.85=106KN;通过受力分析:

11、Y=F1C0S45o=0Y=F1C0S45o+F2C0S45o解得:F1=F2=10.6KN因此安全系数为:10610.6=10.完全符合安全系数610的规定。(三)、吊装工具吊索选择见前吊绳计算,查表得知,本次吊装卸甲应选用4.1号卸扣。吊装作业所需工具有:活动扳手4把、吊索4把、撬棍4条、钢丝绳2条、卸扣4只、牵引绳2条、汽车起重机一台。(四)吊装次序:钢屋架T系梁T支撑T模条T拉条T隅撑T板材。依次由A轴向P或由P轴向A进行。吊车起吊位置各跨分别在34轴和89轴,地面经扎实处理后可以满足吊装规定。由于屋架跨度较大,为防止屋架在吊装过程中因自重而变形,因此还应在屋架两钢梁中部之间绑一14号

12、H型钢,为防止吊绳在起吊过程中滑动,绳扣应扣至钢梁上才禀托根部位置;屋架在吊升过程中易大幅摇动,因此在屋架两端部位还应系上牵引绳,这样不仅可以防止大幅摆动,还便于屋架就位。1吊升前的位置:2吊升过程中的位置3-对位(就位)后位置钢梁的起吊示意简图(N口.4-E)屋架就位;当屋架吊升到安装部位(舲柱顶)上空0.5米高度时,在缓慢下降,到靠近近预埋螺栓时,拉动牵引绳使钢梁上的安装孔对准预埋螺诠后,再下降屋架直至屋架支撑与柱牛腿上,然后及时拧上固定螺帽,待钢梁校正后拧紧螺帽,钢梁就位及固定应搭设操作平台,平台用门型钢管脚手架搭设,临边用短脚手架作临边防护栏。地锚的设置采用在地面成一定角度打入022螺

13、丝钢作为固定,然后在钢筋与钢梁之间拉一缆风绳,作为临时固定,待下一根屋架安装好后,并与之安装好连系梁后方可拆除吊车进退场路线按吊装路线,当同一跨屋架吊装完毕后,依原吊装路线退场,吊车起吊布置如图所示。起吊布置图九、钢构造的涂装,施工质量保证措施:1 .工程钢构造防锈质量等级为Sa(GB8923-88),钢构件涂底漆二度后,再喷涂防火材料,防火涂料采用超薄型,雨蓬钢梁耐火极限1.5小时,此项由甲方决定与否取用防火涂料2 .涂装材料、稀释剂和固化剂等口勺品种、型号和质量规定必须符合设计规定和国家现行有关技术规范。检查进厂涂装材料质量证明书复验汇报。3 .涂装工程施工前,对所有钢构件进行检查,将所有

14、钢构件的毛刺、铁锈、油污及附着物清除洁净,使钢材表面露出银灰色,钢材表面除锈应符合设计规定和国家现行有关原则的规定。4 .涂装涂刷应均匀,色泽一致,无皱皮,流附和气泡,附着良好,分包线清晰、整洁。5 .涂层应颜色均匀,轮廓清晰,粘结牢固,无粉化松散和浮浆,乳突已剔除。十、安全生产及文明施工保证措施:Io坚决执行有关安全生产日勺文献和告知,加强安全施工教育,提高安装人员安全生产口勺责任性。按照新的“安监规范”执行多种施工配置;2 .参与本工程施工的全体人员,都要熟悉并严格执行本工程日勺安全操作规程,按照施工工艺日勺规定精心操作。3 .现场设专职安全员、工地负责人、队长、施工员、质量员、安全员,在

15、安装前要对施工平台及施工现场进行全面检查,验收合格后方可。4 .安装前,应对全体人员进行详细的安全技术交底,参与安装的人员要明确分工,运用班前会、不结合并结合现场详细状况,提出保证安全施工的技术措施。5 .安装人员要穿戴必要日勺防护用品,严禁穿皮鞋登高,随身带工具要合理安放佩带,防止脱落伤人。6 .参与安装日勺各专业工种,必须服从现场统一指挥,安全技术负责人在发既有违章作业时,要及时劝阻,对劝阻不听继续违章操作者,应立即停止其工作。7 .夜间施工要有足够口勺照明灯具,操作平台铺设照明电线要保证安全。8 .脚手平台要搭设牢固,符合质量、技术安全规定,施工中要定期检查脚手架平台曰勺稳固状况。9 .构件起吊时,吊索必须绑扎牢固,绳扣必须在吊钩内锁牢,严禁用板手钩挂

展开阅读全文
相关资源
猜你喜欢
相关搜索

当前位置:首页 > 建筑/环境 > 设计及方案

copyright@ 2008-2023 1wenmi网站版权所有

经营许可证编号:宁ICP备2022001189号-1

本站为文档C2C交易模式,即用户上传的文档直接被用户下载,本站只是中间服务平台,本站所有文档下载所得的收益归上传人(含作者)所有。第壹文秘仅提供信息存储空间,仅对用户上传内容的表现方式做保护处理,对上载内容本身不做任何修改或编辑。若文档所含内容侵犯了您的版权或隐私,请立即通知第壹文秘网,我们立即给予删除!