门式钢管脚手架施工安全专项方案.docx

上传人:p** 文档编号:809159 上传时间:2024-03-08 格式:DOCX 页数:25 大小:153.20KB
下载 相关 举报
门式钢管脚手架施工安全专项方案.docx_第1页
第1页 / 共25页
门式钢管脚手架施工安全专项方案.docx_第2页
第2页 / 共25页
门式钢管脚手架施工安全专项方案.docx_第3页
第3页 / 共25页
门式钢管脚手架施工安全专项方案.docx_第4页
第4页 / 共25页
门式钢管脚手架施工安全专项方案.docx_第5页
第5页 / 共25页
门式钢管脚手架施工安全专项方案.docx_第6页
第6页 / 共25页
门式钢管脚手架施工安全专项方案.docx_第7页
第7页 / 共25页
门式钢管脚手架施工安全专项方案.docx_第8页
第8页 / 共25页
门式钢管脚手架施工安全专项方案.docx_第9页
第9页 / 共25页
门式钢管脚手架施工安全专项方案.docx_第10页
第10页 / 共25页
亲,该文档总共25页,到这儿已超出免费预览范围,如果喜欢就下载吧!
资源描述

《门式钢管脚手架施工安全专项方案.docx》由会员分享,可在线阅读,更多相关《门式钢管脚手架施工安全专项方案.docx(25页珍藏版)》请在第壹文秘上搜索。

1、XX大厦外墙装饰工程门式钢管脚手架安全专题施工方案XX大厦外墙装饰工程门式钢管脚手架安全专题施工方案(按专家论证审查汇报修订)(签名/盖章)日期编制人:审批:某建设集团有限企业年月日1工程概况(1)XX大厦外墙装饰工程,该工程15层,建筑物总高度为48.1m。要对原墙面铲除,进行亮化妆饰。(2)本工程的地基土质为砂夹石回填扎实土,脚手架搭设在30OnIm义50mm的通长木垫板上,脚手架采用门式钢管脚手架。(3)脚手架搭设场地平整坚实,排水很好。(4)本市是雷区,施工期间也许会有雷雨大风,工地用电均采用地下管道输送。2重要编制根据H建筑施工门式钢管脚手架安全技术规范(JGJ128-2023);2

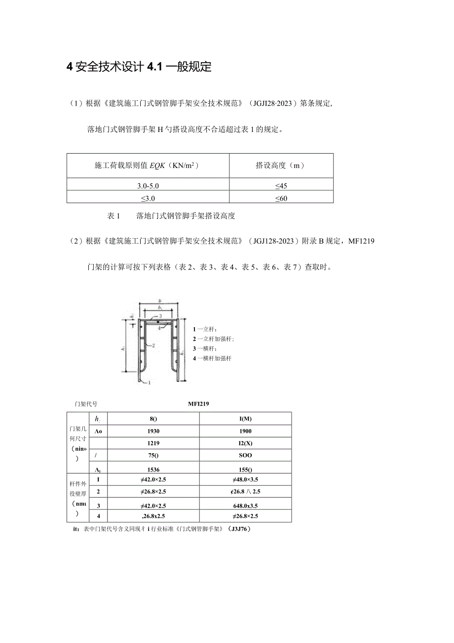
2、钢管脚手架扣件(GB15831-1995);3钢板冲压扣件(JG3061-1999);4直缝电焊钢管(GB/T13793);5低压流体输送用焊接钢管(GB/T3092);6建筑施工安全检查原则(JGJ59-99);7建筑施工高处作业安全技术规范(JGJ80-91)o3危险源与有关措施详见实例中第3条危险源与有关措施的有关内容。4安全技术设计4.1一般规定(1)根据建筑施工门式钢管脚手架安全技术规范(JGJI282023)第条规定,落地门式钢管脚手架H勺搭设高度不合适超过表1的规定。施工荷载原则值EQK(KN/m2)搭设高度(m)3.0-5.0453.060表1落地门式钢管脚手架搭设高度(2)根

3、据建筑施工门式钢管脚手架安全技术规范(JGJ128-2023)附录B规定,MF1219门架的计算可按下列表格(表2、表3、表4、表5、表6、表7)查取时。1一立杆;2一立杆加强杆;3一横杆;4一横杆加强杆门架几何尺寸(nin)h:8()I(M)o193019001219I2(X)/75()SOOl1536155()杆件外役壁厚(nm)I42.02.548.03.5226.82.526.8八2.5342.02.5648.0x3.54,26.8x2.526.82.5门架代号MFI219it:表中门架代号含义同现彳i行业标准门式钢管脚手架(J3J76)表2MF1219的门架几何尺寸及杆件规格扣件规格

4、及重规格重B(kN/个)直角扣件JK4848、JK4843、JK43430.0135旋转扣件JK4848.JK4843.JK43430.0145表3扣件规格及重量门式脚手架用钢管截面几何特性钢管外径(nun)壁.厚(mm)践面积(cnr)截面惯性始(cm4)放而抵抗矩(cnr,)截面回转半径(Cm)48.03.54.X912.195.081.5842.72.43.046.192.9()1.4342.02.53.106.OX2.831.4034.02.22.202.791.641.1327.21.9151.j1.220.890.9026.S2.51.911.421.060.86表4门式脚手架用钢

5、管截面几何特性一幅门架的稳定承载力设计值门架代号MEI219门架高度同(mm)19301900立杆加强杆高度/,I(nn)15361550立杆换算假面向转半径,(Cm)1.5251.652寸杆长细比久H45n14813545H60m154140立杆稔定系数3H45m0.3160.37145H60m0.2940.349钢材强度设计值/(NZnmr)205205门架稳定承载力H45m40.16(4.)0)74.38(7.59)设计值kN(tf)45m60m37.37(3.81)69.97(7.14)表5板门架口勺稳定承载力设计值典型的门架、配件重(kN)名称单位代号垂趾(kN)门架棍MH2190.

6、2241,1架相MEI2170.205交叉支撑副(18120.040水平架福H18100.165脚手板块Pl8050.184-连接棒个J2200.006锁臂副L70.0085固定底座个FSl(X)0.010可调底座个AS4000.035可谓托座个U4(X)0.045梯型架槁LF12120.133窄型架幅NF6170.122承托架楹IJF6I70.209梯子副SI8I90.272注:表中门架配件的代号同现行行业标准门式钢管脚手架(JGJ76)。表6经典的门架、配件重量轴心受压构件的稳定系数(p(Q235钢)A012345678901.0000.9970.9950.992().9890.9870.

7、9840.9810.979().976IO0.9740.9710.9680.9660.9630.9600.9580.9550.9520.9492()0.947().9440.9410.9380.9360.9330.9300.92745m时,水平架应每步一设;不管脚手架多高,均应在脚手架的转角处、端部及间断处的一种跨距范围内每步一队设;3)平架在其设置层面内应持续设置;4)当因施工需要,临时局部拆除脚手架内侧交叉支撑时,应在拆除交叉支撑的门架上方及下方设置水平架;5)水平架可由挂扣式脚手板或门架两侧设置H勺水平加固杆替代。6)底步门架H勺立杆下端应设置固定底座或可调底座。加固杆(1)剪刀撑设置应符合下列规定:1)脚手架高度超过2

展开阅读全文
相关资源
猜你喜欢
相关搜索

当前位置:首页 > 建筑/环境 > 设计及方案

copyright@ 2008-2023 1wenmi网站版权所有

经营许可证编号:宁ICP备2022001189号-1

本站为文档C2C交易模式,即用户上传的文档直接被用户下载,本站只是中间服务平台,本站所有文档下载所得的收益归上传人(含作者)所有。第壹文秘仅提供信息存储空间,仅对用户上传内容的表现方式做保护处理,对上载内容本身不做任何修改或编辑。若文档所含内容侵犯了您的版权或隐私,请立即通知第壹文秘网,我们立即给予删除!