阀门检修工艺设计规范流程.docx

上传人:p** 文档编号:809205 上传时间:2024-03-08 格式:DOCX 页数:18 大小:101.17KB
下载 相关 举报
阀门检修工艺设计规范流程.docx_第1页
第1页 / 共18页
阀门检修工艺设计规范流程.docx_第2页
第2页 / 共18页
阀门检修工艺设计规范流程.docx_第3页
第3页 / 共18页
阀门检修工艺设计规范流程.docx_第4页
第4页 / 共18页
阀门检修工艺设计规范流程.docx_第5页
第5页 / 共18页
阀门检修工艺设计规范流程.docx_第6页
第6页 / 共18页
阀门检修工艺设计规范流程.docx_第7页
第7页 / 共18页
阀门检修工艺设计规范流程.docx_第8页
第8页 / 共18页
阀门检修工艺设计规范流程.docx_第9页
第9页 / 共18页
阀门检修工艺设计规范流程.docx_第10页
第10页 / 共18页
亲,该文档总共18页,到这儿已超出免费预览范围,如果喜欢就下载吧!
资源描述

《阀门检修工艺设计规范流程.docx》由会员分享,可在线阅读,更多相关《阀门检修工艺设计规范流程.docx(18页珍藏版)》请在第壹文秘上搜索。

1、目录阀门维修工艺规范1一、范围一2.引用标准1三、概述1四、设备参数35 .维护46 .维护周期47、保养项目48 .维护程序和质量标准59 .维修记录610 .审判记录7阀门维修工艺规范1 .范围本规程规定了托克托发电公司阀门的阀门周期、标准维修项目、施工步骤和工艺质量标准,并附有托克托发电公司阀门维修工作中与维修有关的一些知识。2 .参考标准以下文件对于本文件的应用是必不可少的。对于注明日期的引用,只有注明日期的版本适用于本文件。对于未注明日期的引用文件,最新版本(包括所有修改)适用于本文件。QCDT-ITKTPC10702462012锅炉阀门技术标准DL/T5312016电站高温高压阀门

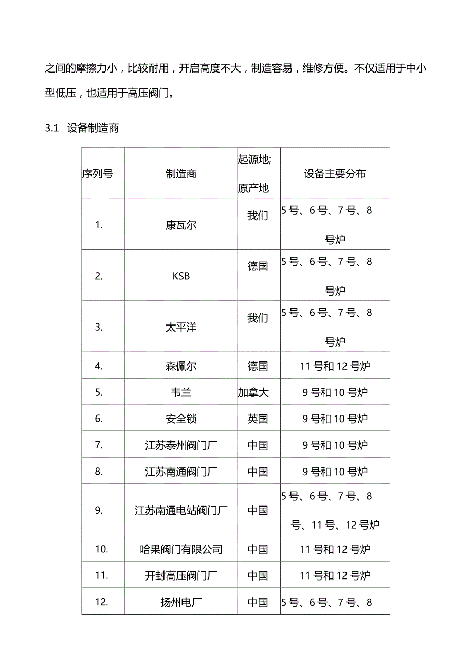
2、技术条件DL/T8382003发电企业设备维修导则3 .概述阀门是流体管道的控制装置。其基本功能是接通或切断管道中介质的流动,改变介质的流动,改变介质的流向,调节介质的压力和流量,保护设备的正常运行。在管线中。阀门在发电厂的系统中起着重要的控制作用。其中,阀门是应用最广泛的一种。之所以流行,是因为启闭过程中密封面之间的摩擦力小,比较耐用,开启高度不大,制造容易,维修方便。不仅适用于中小型低压,也适用于高压阀门。3.1 设备制造商序列号制造商起源地;原产地设备主要分布1.康瓦尔我们5号、6号、7号、8号炉2.KSB德国5号、6号、7号、8号炉3.太平洋我们5号、6号、7号、8号炉4.森佩尔德国1

3、1号和12号炉5.韦兰加拿大9号和10号炉6.安全锁英国9号和10号炉7.江苏泰州阀门厂中国9号和10号炉8.江苏南通阀门厂中国9号和10号炉9.江苏南通电站阀门厂中国5号、6号、7号、8号、11号、12号炉10.哈果阀门有限公司中国11号和12号炉11.开封高压阀门厂中国11号和12号炉12.扬州电厂中国5号、6号、7号、8号、9号、10号炉13.盐城阀门厂中国5号、6号、7号、8号炉14.双恒阀门集团有限公司中国9号和10号炉表1拓电公司阀门设备厂家3.2 设备原理阀门属于截止阀类型,是用来切断或连接管道中介质流动的装置。阀门的阀杆轴线与阀座密封面垂直,通过带动阀芯的上下运动将其截断。阀门

4、一旦处于开启状态,其阀座与阀瓣密封面之间不再有接触,具有非常可靠的切断作用,因此其密封面机械磨损较小。翻板相对容易维修或更换密封元件,无需将整个阀门从管道上拆下,非常适用于阀门与管道焊接在一起的场合。通过阀门的介质总则从阀门下部引入,称为正装;从阀瓣上部引入称为反向安装。安装时,阀门开启省力,关闭省力。反装时,阀门关紧,打开费力,填料受压。阀门总则按照正规的安装要求进行安装。截止阀:主要用于切断或接通介质流动。包括闸阀、截止阀、隔膜阀、旋塞阀、球阀、蝶阀等。3.3 设备结构图1阀门结构部件名称(2)角形阀:弯头处,流动阻力小。(3)直流阀:阀体与阀杆成45 ,流 动阻力小,压降也小, 便于检修

5、和更换。(4 )针形阀:阀瓣为锥形针形,阀杆通 常用细螺纹以取得微量调 节。图2阀门结构阀门结构:阀门总则用于DN450C时,阀门参数应为PN140570C,阀体应采用合金材料。当介质温度低于450时,阀体可用碳钢材料制成,其温度和压力应根据不同的介质压力和温度来选择,以满足要求。一级锅炉阀门的公称通径总则为DN65、DN50、DN40、DN32、DN20、DNlOo除DNlo为手动外,其余两个也可配电动装置组成电动阀。4 .设备参数阀门的基本参数包括公称通径、公称压力和使用介质,是阀门设计和选型不可缺少的因素。1)公称直径公称通径是指阀门与管道连接处通道的公称通径,以DN表示。它代表阀门规格

6、的尺寸,是阀门最重要的尺寸参数。为便于设计、制造、选型和安装,我国以国家标准的形式确定了公称通径系列。公称通径值应符合国家标准管道及管道附件公称通径(GBlo47-70),见下表:3610152025324050658010012515017520022525030035040045050060070080090010001200140016001800200022002400260028003000表2阀门公称通径系列(mm)公称直径的单位是毫米,有些国家采用英制,单位是英寸。它们之间的转换关系如下:1英寸二25.4毫米2)公称压力公称压力是指阀门的公称压力,是阀门在基准温度下的最大内容工作

7、压力。公称压力用PN表示,代表阀门的承压能力,是阀门最重要的性能参数。阀门公称压力值应符合国家标准管道及管道附件公称压力和实验压力(GBlo48-70),见下表:12.54610162540641001602002503204005006408001000表3阀门公称压力系列(kg力/cm2)公称压力采用公制单位,有些国家使用英制单位。公制压力单位是kgfcm2英制压力单位是Ibinch2。它们之间的转换关系如下:1公斤力/cm2=0.1MPa1kgf/cm2=14.223lbin21磅/英寸2:0.0703千克力/平方厘米5.维护5.1阀门日常维护要求序列维护周期维护内容维修标准1日常维护(

8、周二、周五检查)阀体及附件、阀门开关指示灯、阀门号牌的清洗必须保持清晰可见检查每个连接处的支架和螺栓没有松动的螺栓法兰连接处的外露阀杆螺纹建议使用符合保护要求的机械油,并加装保护罩进行保护。检查阀门填料压盖、注油孔、注油孔螺母、螺塞、膨胀节、阀盖与阀体连接处、阀法兰是否泄漏。同时要注意整个阀体的防腐。无泄漏,无生锈检查异常阀门、新修阀门、新更换阀门、新增阀门(检查内外泄漏、开机后检查阀门、清洗循环)正常使用无泄漏2四分之添加油脂润滑传动部件打开排污口,阀体排出污水没有污垢5.2阀门常见故障及处理方法(见附件1)6 .维护周期阀门的大修和小修与配套锅炉同时进行,出现故障时也进行维修。7 .保养项

9、目检查零件标准评论包装1、 填料接口的角度为45。,填料接口的每两个相邻环应错开90。-120。填料进入填料室的长度应适当,不得有间隙或重叠。2、 较链螺栓拧紧后,压板应保持平整,阀杆、压盖和填料室之间的间隙应均匀。3、 压入填料室的填料压盖应为其高度尺寸的1/3,最小不得小于3mmo4、 较链螺栓,螺母灵活,不会卡住,螺纹部分不会打滑或折断,可以用手将螺母旋入螺栓底部。滑阀座1、 阀瓣和阀座的盖板不得有可见的凹坑、凹槽,整圈应光亮,表面粗糙度应在0.8m以下。2、 阀瓣的锥面密封面应与阀座保持锥度一致,阀瓣的接触面最好在锥面的中间。3、 检查服务阀芯。如果阀芯有缺陷,用车床将阀芯外侧夹紧,确

10、保同心度在0025mm以内。阀盖K阀体应无裂纹、起泡、严重腐蚀等缺陷。2、 阀体进出水管路通畅,无杂物。阀体与阀盖之间的连接螺纹保持完好,可轻松旋入螺纹底部。3、 填料函内壁、填料压盖和座圈清洁。4、 阀盖与自密封垫片的接合面光滑、清洁。干L阀杆的曲率不应超过0.1mm,椭圆度不应超过0.02-0.05mmo2、 阀杆螺母梯形螺纹应完好无损,磨损不应大于原牙厚的1/3o3、 阀杆表面腐蚀坑深度W030mm0椭圆度不应超过0.1-0.2mm,表面有腐蚀,磨损深度不应超过0.1-0.2mmo阀杆螺纹与螺纹套配合完好、灵活。开关检查K阀门在开关的全行程中无卡阻和虚行程。2、手动摇动应轻而自由,不卡不

11、涩。8 .维护程序和质量标准8.1阀门拆卸保养项目维护过程质量标准准备1、 搭建脚手架,拆除绝缘材料,清除杂物;2、 在维修现场铺设用于零件放置的工作垫,铺设工作垫,并准备维修围栏。3、 确认工单措施,落实工单安全措施,风险点分析和控制措施。4、 检查阀门密封元件及备件是否与原设备型号一致。1、 栅板的防坠落部位覆盖有塑料布或橡胶等防坠落措施。2、 工作台下方必须铺设塑料板,工作台上的区域必须明确。3、 工作负责人和操作人员共同确认措施的完备性和落实情况,操作所采取的措施必须与工作票上的隔离措施一致;工作人员熟悉并签署声明,并交底安全技术C4、必须确认与原设备型号一致,压力、温度、材质与原设备

12、一致方可使用。阀门解体1、 卸下阀盖螺钉,标记位置,然后卸下阀盖。2、 拆下手轮螺母,拆下手轮。3、 卸下填料函螺母以退出填料压盖并从填料函中清除填料。4、 用平铲将阀盖与门体密封面的垫片拆下。5、 拧下阀杆并拆下门芯。K标记必须清晰。2、注意包装圈数。阀门检查、清洁和维护1、 检查阀芯密封面与阀体密封圈的接触情况,用木棍轻敲门体,密封面不得松动,否则应更换阀门。2、 清洁并检查门杆表面。应光滑无深沟和严重腐蚀。用纱布把门杆擦亮,1、 阀体应无裂纹、起泡、严重腐蚀等缺陷。2、 阀杆的曲率不应超过1/1000,椭圆度不应超过0.10.2mm,门杆表面应光滑且有腐蚀,麻点深度不应超过可以看到金属光

13、泽。3、 检查密封结合面,如果有凹槽和凹坑,用打磨的方法将其消除。4、 检查螺母的磨损情况,螺纹与门杆完全配合,无框架松动或过紧现象。5、 清洁门体检查。6、 清洁法兰结合面,制作新垫片,清洁螺栓,涂黑铅粉。7、 清洁填料函和填料压盖,并用砂布擦亮填料压盖。8、 拆下螺纹套筒。O.Imrno灵活的。无破损螺纹磨损,不超过螺纹宽度的1/5o3、 螺纹螺母和螺纹按钮齐全,磨损量不超过螺纹宽度的1/4o4、 螺纹铜套的磨损不应大于原齿厚的1/3o阀瓣、阀座密封面研磨1、 阀盘需要从门杆上拆下。如果有点焊,则必须用磨床对焊缝进行打磨,并用车床进行车削和抛光。2、 研磨阀座时,需要使用合适的研磨盘进行研

14、磨。打磨后密封面平整光滑,无腐蚀坑痕和伤痕。两个封面结合得很好。进行密封组合测试,连接75%以o当密封面缺陷深度超过0.3mm时,需要进行修复和车削。如果确定需要磨床打磨,则需要先用400或600砂纸进行中磨,再用800或800。1000目砂纸进行细磨,并检查打磨是否脱落研磨过程中的任何时间。3、研磨阀座时,研磨机需要固定牢固,不能晃动。研磨时,先选慢磨,抛光时选快。研磨过程中,随时检查研磨盘与阀门内壁是否有摩擦,防止研磨跑偏。阀门总成1、 将螺纹套筒安装到阀盖支架上的轴承座中。2、 将阀芯安装在阀杆上,使其可以自由移动,但锁紧螺母不能松动。3、 将阀杆插入填料函,套1、填料接口的角度为45。,填料接口的每两个相邻

展开阅读全文
相关资源
猜你喜欢
相关搜索

当前位置:首页 > 汽车/机械/制造 > 制造加工工艺

copyright@ 2008-2023 1wenmi网站版权所有

经营许可证编号:宁ICP备2022001189号-1

本站为文档C2C交易模式,即用户上传的文档直接被用户下载,本站只是中间服务平台,本站所有文档下载所得的收益归上传人(含作者)所有。第壹文秘仅提供信息存储空间,仅对用户上传内容的表现方式做保护处理,对上载内容本身不做任何修改或编辑。若文档所含内容侵犯了您的版权或隐私,请立即通知第壹文秘网,我们立即给予删除!