预应力CFRP板新型曲面夹持锚有限元分析.docx

上传人:p** 文档编号:810804 上传时间:2024-03-08 格式:DOCX 页数:9 大小:172.71KB
下载 相关 举报
预应力CFRP板新型曲面夹持锚有限元分析.docx_第1页
第1页 / 共9页
预应力CFRP板新型曲面夹持锚有限元分析.docx_第2页
第2页 / 共9页
预应力CFRP板新型曲面夹持锚有限元分析.docx_第3页
第3页 / 共9页
预应力CFRP板新型曲面夹持锚有限元分析.docx_第4页
第4页 / 共9页
预应力CFRP板新型曲面夹持锚有限元分析.docx_第5页
第5页 / 共9页
预应力CFRP板新型曲面夹持锚有限元分析.docx_第6页
第6页 / 共9页
预应力CFRP板新型曲面夹持锚有限元分析.docx_第7页
第7页 / 共9页
预应力CFRP板新型曲面夹持锚有限元分析.docx_第8页
第8页 / 共9页
预应力CFRP板新型曲面夹持锚有限元分析.docx_第9页
第9页 / 共9页
亲,该文档总共9页,全部预览完了,如果喜欢就下载吧!
资源描述

《预应力CFRP板新型曲面夹持锚有限元分析.docx》由会员分享,可在线阅读,更多相关《预应力CFRP板新型曲面夹持锚有限元分析.docx(9页珍藏版)》请在第壹文秘上搜索。

1、随着各种民用建筑的兴建,一些桥梁、房屋、码头等老建筑在结构变形、混凝土开裂、钢筋锈蚀等耐久性问题,以及爆炸、火灾等外部因素引起的问题越来越多。而这些结构的拆除和重建对经济也是一个挑战。因此,提出了利用碳纤维增强聚合物(CFRP)板加固旧设施。CFRP板具有极高的抗拉强度和良好的耐腐蚀性,可在提高结构承载能力方面发挥重要的作用。然而CFRP板通常具有较低的抗剪强度,一般剪切强度只有抗拉强度的2%、3%,容易发生剪切和断裂。因此,有必要寻找合理的锚固措施,降低锚具端部应力集中程度。对一种新型曲面锚具进行数值模型研究,通过数值模型分析该锚具的受力特点,得出相应结论,为同领域研究或施工应用提供参考。1

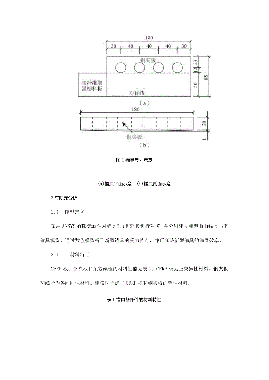
2、新型锚的尺寸结合吴志平等平锚试验参数,并考虑ACl440.IR-03FRP筋加固混凝土结构的设置与施工指南和GB/T14370-2015预应力筋用锚具、夹具和连接器的规定,确定了锚具的一般尺寸。锚具初始设置为长度180mm、宽170mm、厚20mm。锚具的曲面尺寸是锚具的创新之处。这些螺栓最初是从名义直径为20mm的六角形螺栓中选取。锚具的具体尺寸如图1所示,其中螺栓孔直径为22mm,1为CFRP板压缩量的一半。图1锚具尺寸示意(a)锚具平面示意;(b)锚具剖面示意2有限元分析2.1 模型建立采用ANSYS有限元软件对锚具和CFRP板进行建模,并分别建立新型曲面锚具与平锚具模型。通过数值模型得

3、到新型锚具的受力特点,并研究该新型锚具的锚固效率。2.1.1 材料特性CFRP板、钢夹板和预紧螺栓的材料性能见表1。CFRP板为正交异性材料,钢夹板和螺栓为各向同性材料。建模时考虑了CFRP板和钢夹板的弹性材料。表1锚具各部件的材料特性CFRP板钢夹板预紧螺栓材料CFRPQ345BSCM435合金(M12.9)极限抗拉强度/MPa24005001200屈服强度/MPa3451080纵向弹性模量/MPa160000210000210000横向弹性模量/MPa9300泊松比0.20.320.3纵向剪切模量/MPa55008100081000横向剪切模量MPa3275层间剪切强度/MPa50N/AN

4、/A极限伸长率/%1.5992.1.2元素选择及几何模型建立钢夹板采用SOLIDI85实体单元建模,较好地反映了钢夹板刚度较大、压缩性较小的特点。采用SOLlD45实体单元对CFRP板进行建模。SOLID45能反映正交各向异性材料的特性。SOLID185和SoLlD45均为8节点固体单元。2. 1.3网格网格划分的目的是将几何模型转化为有限元模型。程序的计算是基于有限元模型的节点和单元,因此这是一个重要的过程。单元划分的方式和大小决定了模型计算的正确性和准确性。一般情况下,ANSYS软件提供了自由啮合和映射啮合两种方式。由于存在一个空心锚具区域,且结构相对规整,因此采用“扫”的方式对锚具进行网

5、格划分,这是一种先进的映射网格划分技术,一般将单元划分为六面体单元。综合考虑计算时间和计算精度,选取单元数为31310的4mm4mm网格尺寸作为模型的最佳单元尺寸02.1.4约束:和加载锚具分两个阶段进行研究,研究锚固效率和应力分布,分别为预紧阶段和张拉阶段。因此,边界约束和加载也分为两个阶段。为了便于模型计算,模型只计算了1/2部分,模型及有限元如图2所示。在预紧阶段,约束CFRP板底部的竖向位移,对钢夹板施加一个螺栓预紧力,具体见表2。在张拉阶段,约束CFRP板的纵向位移,对钢夹板施加均布拉应力。图2模型示意(a)几何建模;(b)有限元建模表2合理预紧力与CFRP板压缩量的关系CFRP板压

6、缩量nm钢夹板曲率半径mm螺栓1-1(l-2)kN螺栓2-1(2-2)kN螺栓3-1(3-2)kN螺栓4-1(4-2)kN0.3225312133.04188.75188.75133.043计算结果分析3. 1CFRP板的应力分布CFRP板是一种脆性材料,抗剪和抗弯性能较差。在有限元模型中不仅要考察锚具的锚固效率,还要考察C即板的纵向拉应力、竖向压应力和剪应力,以确定是否存在应力集中的问题。该新型锚具在合理预紧力作用下CFRP板的应力分布如图3、图5所示。-273.297-241.903-210.509-179.115-147.721-116.327-84.9327-53.5386-22.14

7、469.249481711314 IS图3预紧阶段CFRP板的竖向压应力示意1-30.0927292.457615.006937.5551260.1I1582.651905.2I2227.75S2550.3图4受拉阶段CFRP板的拉应力示意2872.85I2.34436-1.8311711311418S=-1.31563-0.801268-0.2869040.2274590.7418231.2561911.77055115_11_12162.2S491图5新型锚预紧阶段CFRP板的竖向剪应力示意图3为CFRP板在预紧阶段的竖向压应力变化情况。从应力分布形式可以看出,钢夹板锚固区纵向压应力中部最

8、大,端部最小,最大压应力为273MPa这与钢夹板的纵向曲率半径有关。沿横向压应力为两端压应力最大,中间压应力最小,是由于螺栓布置在两侧,侧向压应力分布不均匀所致。图4反映了CFRP板在受拉阶段的纵向拉应力变化情况。从拉应力端开始,CFRP板的拉应力沿纵向依次降低,最大应力分布在锚具锚固区域外,使锚固区内CFRP板受力更均匀,且不存在应力集中的问题,很好地解决了平面锚端部易造成CFRP板应力集中等问题。图5为新型曲面锚具在预紧作用下CFRP板的竖向剪应力情况。从应力分布形式可以看出,钢夹板纵向两端部在锚固区最大,其余区域应力较小,最大剪应力为2.34MPa0平面锚具在预紧阶段下CFRP板的竖向剪

9、应力如图6所示。-12.7747-9.62388图6平板锚预紧阶段CFRP板的竖向剪应力由图6可以看出,沿纵向受拉荷载端锚固区剪应力发生突变,最大剪应力为15.58MPa对比图5和图6可以看出,该新型锚具的竖向剪应力仅为平板锚具的15%,有效地避免了应力集中的问题,充分解决了CFRP板不能抗剪的弊端,也再次证明了该新型曲面锚具使CFRP板受力更加均匀,避免产生较大剪应力的完美特性。3.2各部件的位移变化拉力阶段的位移分布如图7所示。从图7(a)可以看出,CFRP板的最大位移为2.58mm,位移沿CFRP板逐渐分布。从图7(b)可以看出,钢夹板最大位移为2.61mm,位移沿钢夹板逐渐分布。滑动距

10、离为钢板与CFRP板位移之差为O.03mmo由此可以判断,所施加预紧力及碳板压缩量满足要求,并证明该新型锚具具有更高效、稳固的锚固作用。拉伸负荷.287518-2.01263-1.72511-1.43759-2.58766-2.30015-1.15007-0.862555-0.5750371-2.61978-2.60439-2.58899-2.5736-2.5582-2.54281-2.52741B-2.51202-2.49662-2.48123图7拉力阶段的位移分布示意(a)CFRP板位移;(b)钢夹板位移4结论利用有限元分析这种基于摩擦的新型曲面夹紧锚具,主要结论如下。(1)新型曲面锚具完美地解决了平面锚具容易应力集中的问题,使锚固区内CFRP板受力更均匀。(2)与平锚相比,该新型锚具可使端部竖向剪应力降低85%左右,避免产生较大的剪应力,并有效解决了CFRP板抗剪性能差的弊端。同时也再次证明了该新型曲面锚具使CFRP板受力更均匀、更安全合理。(3)新型锚具可实现CFRP板至少100%的锚固效率,并保证0.03mm的小滑移,具有更高效且稳固的锚固作用。

展开阅读全文
相关资源
猜你喜欢
相关搜索

当前位置:首页 > 论文 > 毕业论文

copyright@ 2008-2023 1wenmi网站版权所有

经营许可证编号:宁ICP备2022001189号-1

本站为文档C2C交易模式,即用户上传的文档直接被用户下载,本站只是中间服务平台,本站所有文档下载所得的收益归上传人(含作者)所有。第壹文秘仅提供信息存储空间,仅对用户上传内容的表现方式做保护处理,对上载内容本身不做任何修改或编辑。若文档所含内容侵犯了您的版权或隐私,请立即通知第壹文秘网,我们立即给予删除!