公司安全生产事故车辆自燃事故现场处置方案.docx

上传人:p** 文档编号:81337 上传时间:2022-12-20 格式:DOCX 页数:2 大小:16.81KB
下载 相关 举报
公司安全生产事故车辆自燃事故现场处置方案.docx_第1页
第1页 / 共2页
公司安全生产事故车辆自燃事故现场处置方案.docx_第2页
第2页 / 共2页
亲,该文档总共2页,全部预览完了,如果喜欢就下载吧!
资源描述

《公司安全生产事故车辆自燃事故现场处置方案.docx》由会员分享,可在线阅读,更多相关《公司安全生产事故车辆自燃事故现场处置方案.docx(2页珍藏版)》请在第壹文秘上搜索。

1、公司安全生产事故车辆自燃事故现场处置方案1.开展自救:车辆自燃时应立即按以下原则进行自救:1)立即指挥乘客立刻离开车辆;2)在初起火时,迅速使用灭火器灭火;3)关闭油路、气路和电路总阀,呼救路人、其他车辆驾驶员协助扑救;4)估计火灾难以成功扑救,应及时报警,协助乘客、路人疏散,引导救火车到现场。2.现场救援指挥部总指挥根据接到的事故信息,立刻对救援人员进行部署、调配,车辆自燃救援小组组长立刻落实救援力量,赶赴事故现场开展救援工作,及时勘察事故现场迅速制定工作措施,协助公安消防部门对事发现场实施交通管制,及时、妥善地做好死、伤人员救援工作,尽快消除险情,预防和制止各种破坏活动,最大限度地减少事故

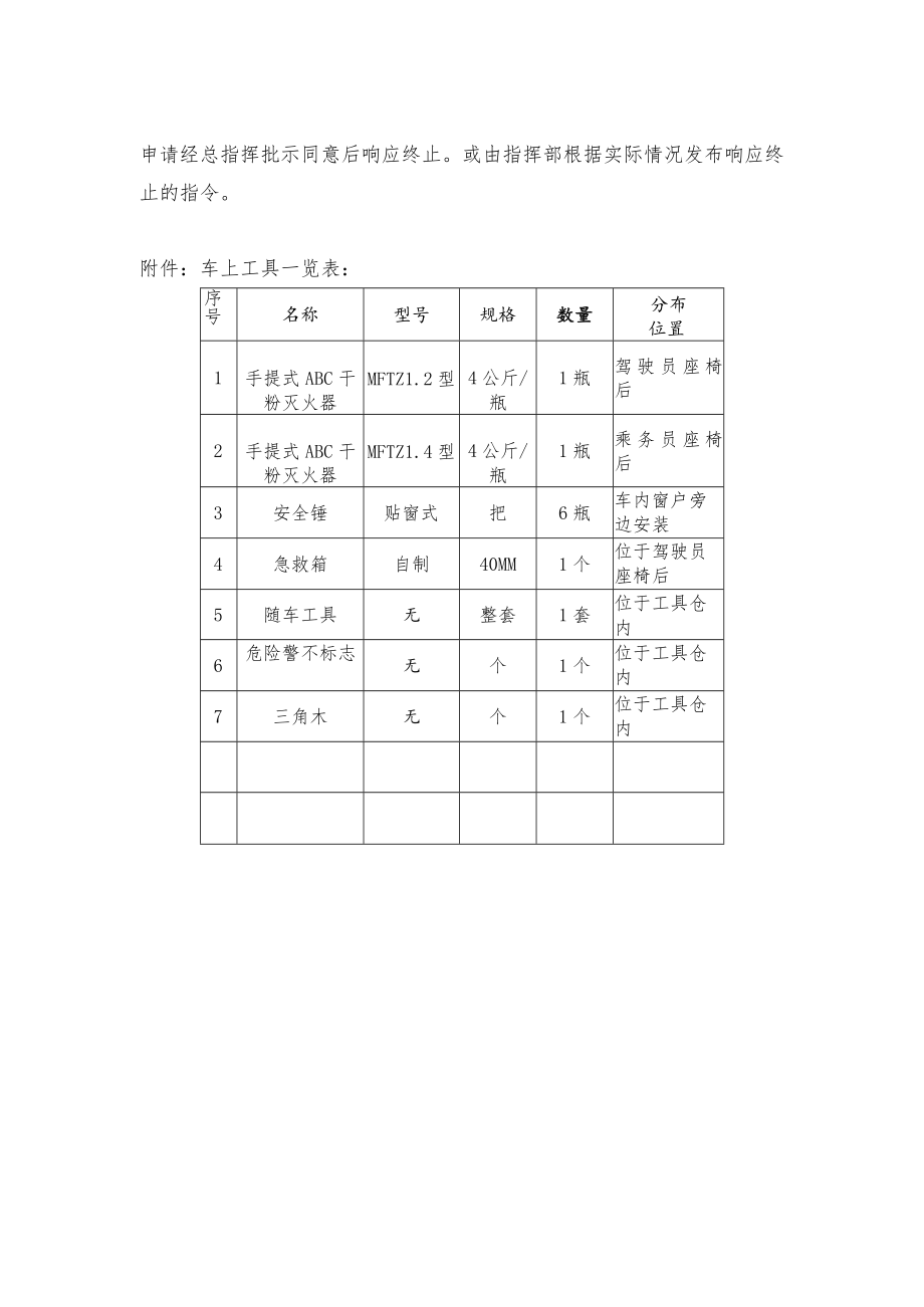
2、人员的生命和财产损失。后勤支援小组组长根据现场情况调配资源进行支援配合。、调集一切可利用的交通运输工具,保证应急救援人员、物资、装备的优先运输。救援小组应及时向指挥部领导汇报事故现场情况,提出可行性建议,服从指挥部总指挥的统一指挥,并配合相关部门做好后续处理工作。如现场情况复杂、需要现场指挥的,救援小组组长可向指挥部总指挥提出建议,由指挥部总指挥到现场指挥。由指挥部成员赶赴现场,做好稳定司机情绪,做好现场秩序维护、疏散现场围观人群工作,积极与各方沟通,根据事件起因组织开展调查,制定调解措施,引导新闻媒体做好正面宣传等工作。指挥部根据事故情况,到事故现场进行指挥。在事故得到控制后,由交通事故救援小组组长向指挥部总指挥提出申请经总指挥批示同意后响应终止。或由指挥部根据实际情况发布响应终止的指令。附件:车上工具一览表:序号名称型号规格数量分布位置1手提式ABC干粉灭火器MFTZ1.2型4公斤/瓶1瓶驾驶员座椅后2手提式ABC干粉灭火器MFTZ1.4型4公斤/瓶1瓶乘务员座椅后3安全锤贴窗式把6瓶车内窗户旁边安装4急救箱自制40MM1个位于驾驶员座椅后5随车工具无整套1套位于工具仓内6危险警不标志无个1个位于工具仓内7三角木无个1个位于工具仓内

展开阅读全文
相关资源
猜你喜欢
相关搜索

当前位置:首页 > 行业资料 > 公共安全/安全评价

copyright@ 2008-2023 1wenmi网站版权所有

经营许可证编号:宁ICP备2022001189号-1

本站为文档C2C交易模式,即用户上传的文档直接被用户下载,本站只是中间服务平台,本站所有文档下载所得的收益归上传人(含作者)所有。第壹文秘仅提供信息存储空间,仅对用户上传内容的表现方式做保护处理,对上载内容本身不做任何修改或编辑。若文档所含内容侵犯了您的版权或隐私,请立即通知第壹文秘网,我们立即给予删除!