K浙江省绿色建筑设计表.docx

上传人:p** 文档编号:813662 上传时间:2024-03-12 格式:DOCX 页数:14 大小:31.22KB
下载 相关 举报
K浙江省绿色建筑设计表.docx_第1页
第1页 / 共14页
K浙江省绿色建筑设计表.docx_第2页
第2页 / 共14页
K浙江省绿色建筑设计表.docx_第3页
第3页 / 共14页
K浙江省绿色建筑设计表.docx_第4页
第4页 / 共14页
K浙江省绿色建筑设计表.docx_第5页
第5页 / 共14页
K浙江省绿色建筑设计表.docx_第6页
第6页 / 共14页
K浙江省绿色建筑设计表.docx_第7页
第7页 / 共14页
K浙江省绿色建筑设计表.docx_第8页
第8页 / 共14页
K浙江省绿色建筑设计表.docx_第9页
第9页 / 共14页
K浙江省绿色建筑设计表.docx_第10页
第10页 / 共14页
亲,该文档总共14页,到这儿已超出免费预览范围,如果喜欢就下载吧!
资源描述

《K浙江省绿色建筑设计表.docx》由会员分享,可在线阅读,更多相关《K浙江省绿色建筑设计表.docx(14页珍藏版)》请在第壹文秘上搜索。

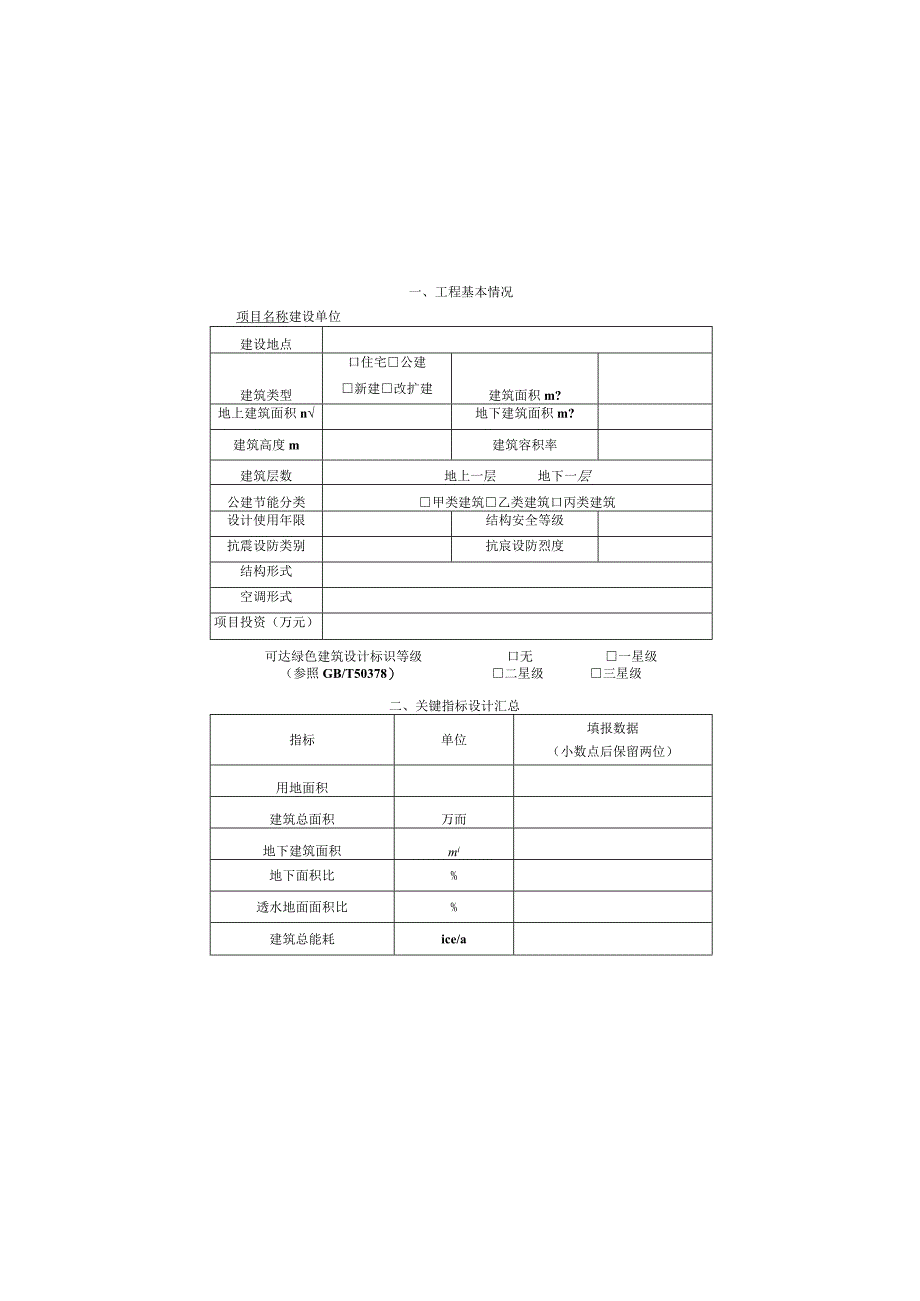
1、附录K浙江省绿色建筑设计表K.0.1施工图设计应填写浙江省绿色建筑设计表,见表KOI。表 K.0.1项目编号:浙江省绿色建筑设计表项目名称建设单位(盖章)设计单位(盖章)设计负责项目设计项目校对项目审核填表时间浙江省住房和城乡建设厅制二。一六年五月一、工程基本情况项目名称建设单位建设地点建筑类型口住宅公建新建改扩建建筑面积m?地上建筑面积n地下建筑面积m?建筑高度m建筑容积率建筑层数地上一层地下一层公建节能分类甲类建筑乙类建筑口丙类建筑设计使用年限结构安全等级抗震设防类别抗宸设防烈度结构形式空调形式项目投资(万元)可达绿色建筑设计标识等级口无一星级(参照GB/T50378)二星级三星级二、关键

2、指标设计汇总指标单位填报数据(小数点后保留两位)用地面积建筑总面积万而地下建筑面积mi地下面积比%透水地面面积比%建筑总能耗ice/a单位面积能耗kWhm2a节能率%非传统水量M3Za用水总量M非传统水源利用率%建筑材料总重量t可再循环材料重量t可再循环材料利用率%可再利用材料重量t可再利用材料使用率%绿地率%可再生能源总量tce/a可再生能源使用比例%可再生能源产生的热水量M3Za建筑生活热水量M3Za可再生能源产生的热水比例%可再生能源发电量ZikWhZa建筑用电量万kWh/a可再生能源产生发电比例%主要能耗品种电能设计总耗量(kWh)燃气种类燃气设计总耗量(Nm3)燃油种类燃油设计总耗量

3、(t)及耗能量燃煤种类燃煤设计总耗量(I)热力种类热力设计总耗量(t)年能耗设计总量(tee)单位面积能耗设计指标(tce(m2.a)建筑分项能耗耗能系统设计年耗能量(tee)分项能耗占总能耗百分比暖通空调系统照明、插座生活热水系统生活给水系统厨房炊事系统电梯等运输系统其他其它指标说明:三、工程概况(工程性质、工程投资、用地面积、建筑面积、结构形式、开发与建设周期、解决的主要技术问题等情况)四、绿色建筑设计内容简介色建筑设计策划项目定位:建设目标:设计方案概述:技术策略:前期调研:其它:场地规划及选址情况:场地资源利用情况:总用地指标:周边公共服务设施:平面设计出入口公共交通:室外环境(声、热

4、、光、风J场地雨水规划方案:景观绿化等:透水地面:既有建筑利用:地下空间利用:其它:建筑设计被动节能设计策略:适宜的建筑朝向和体形:无障碍设计:可再生能源与建筑一体化:空间合理利用:日照和天然采光:自然通风:围护结构:(居住建筑和公共建筑围护结构节能设计应按现行国家或地方标准填写相关表格)室内环境:室内空气质量:建筑工业化及部品化:延长建筑寿命:其它:结构设计与建筑材料建筑结构体系节材策略:预拌混凝土使用:高性能混凝土及高强度钢筋使用:建筑废弃物回收利用:可再循环可再利用材料的使用:十.建装修一体化设计施工:再生骨料建材使用:其它:暖通空调设计属地化室内设计参数:冷热负荷分析计算:空调冷热源:

5、输配系统(供回水系统等J末端系统:通风换气系统:自动控制系统:其它:水系统规划设计:节水措施:给水排水设计非传统水源利用:绿化灌溉:其它:建筑电气设计供配电系统:照明:电气设备节能措施:建筑设备监控系统:能耗监测系统:其它:可再生能源利用汇总可再生能源种类应用规模Im?理论年节煤能力(tee)太阳能光热太阳能光伏太阳能光诱导土壤源热泵地表水水源热泵(含淡水、海水)空气能热泵热水系统风力发电生物质能利用其它说明余热废热利用及其他能源新利用汇总余热废热利用及其他新能源种类应用规模(11理论年节煤能力(ICe)排风能量热回收冷凝热回收热电及其他工艺余热废热室外免费能源技术天然采光技术其它说明五、设计创新点、推广价值和综合效益分析项目创新点项目推广价值综合效益分析六、补充设计说明情况

展开阅读全文
相关资源
猜你喜欢
相关搜索

当前位置:首页 > 建筑/环境 > 绿化工程

copyright@ 2008-2023 1wenmi网站版权所有

经营许可证编号:宁ICP备2022001189号-1

本站为文档C2C交易模式,即用户上传的文档直接被用户下载,本站只是中间服务平台,本站所有文档下载所得的收益归上传人(含作者)所有。第壹文秘仅提供信息存储空间,仅对用户上传内容的表现方式做保护处理,对上载内容本身不做任何修改或编辑。若文档所含内容侵犯了您的版权或隐私,请立即通知第壹文秘网,我们立即给予删除!