单层厂房结构课程设计.docx

上传人:p** 文档编号:815297 上传时间:2024-03-12 格式:DOCX 页数:38 大小:423.88KB
下载 相关 举报
单层厂房结构课程设计.docx_第1页
第1页 / 共38页
单层厂房结构课程设计.docx_第2页
第2页 / 共38页
单层厂房结构课程设计.docx_第3页
第3页 / 共38页
单层厂房结构课程设计.docx_第4页
第4页 / 共38页
单层厂房结构课程设计.docx_第5页
第5页 / 共38页
单层厂房结构课程设计.docx_第6页
第6页 / 共38页
单层厂房结构课程设计.docx_第7页
第7页 / 共38页
单层厂房结构课程设计.docx_第8页
第8页 / 共38页
单层厂房结构课程设计.docx_第9页
第9页 / 共38页
单层厂房结构课程设计.docx_第10页
第10页 / 共38页
亲,该文档总共38页,到这儿已超出免费预览范围,如果喜欢就下载吧!
资源描述

《单层厂房结构课程设计.docx》由会员分享,可在线阅读,更多相关《单层厂房结构课程设计.docx(38页珍藏版)》请在第壹文秘上搜索。

1、单层厂房结构课程设计一、设计题目杭州市郊区XXX厂装配车间。Oo O 先21000240#240二、设计资料1 .该车间抗震设防烈度为6度。2 .该车间为单跨车间:跨度21m,柱距6m,总长156m;中间设一道伸缩缝,柱顶标高12.00m,轨顶标高9.6OnlO考虑基础顶面为-0.5u3 .车间跨内设有2台150/5OkN中级工作制吊车,其参数见下表。表2.11吊车参数(大连起重机厂)起重量kN桥跨1.k/m最大轮压Px/kN小车重Q1kN轮距K/m大车宽B/m额定起重量P/kN吊车总重Q/kN150/5019.516060.74.45.61502544 .根据工程地质勘探报告,可选编号的层土

2、为持力层(粉质粘土),其深度距地表面加左右,厚度约在58m,承载力修正后的特征值fa=140kNm2,常年平均地下水稳定在地面下3m处。5 .屋面:三毡四油防水层上铺小石子(自重标准值:0.4kNm2);20mm厚水泥混合砂浆找平层(自重标准值:20kN112);IOomm厚水泥珍珠岩制品保温层(自重标准值:4kNm2);预应力混凝土大型屋面板。另:屋面均布荷载标准值为0.5kNA,6 .墙体:24Onlm厚清水墙(自重标准值:5.19kNm2),每柱距内均有钢窗(或门)(自重标准值:0.45kNm2),钢窗宽2.4u7 .标准构件选用:(1)预应力混凝土大型屋面板采用G410(一)标准图集,

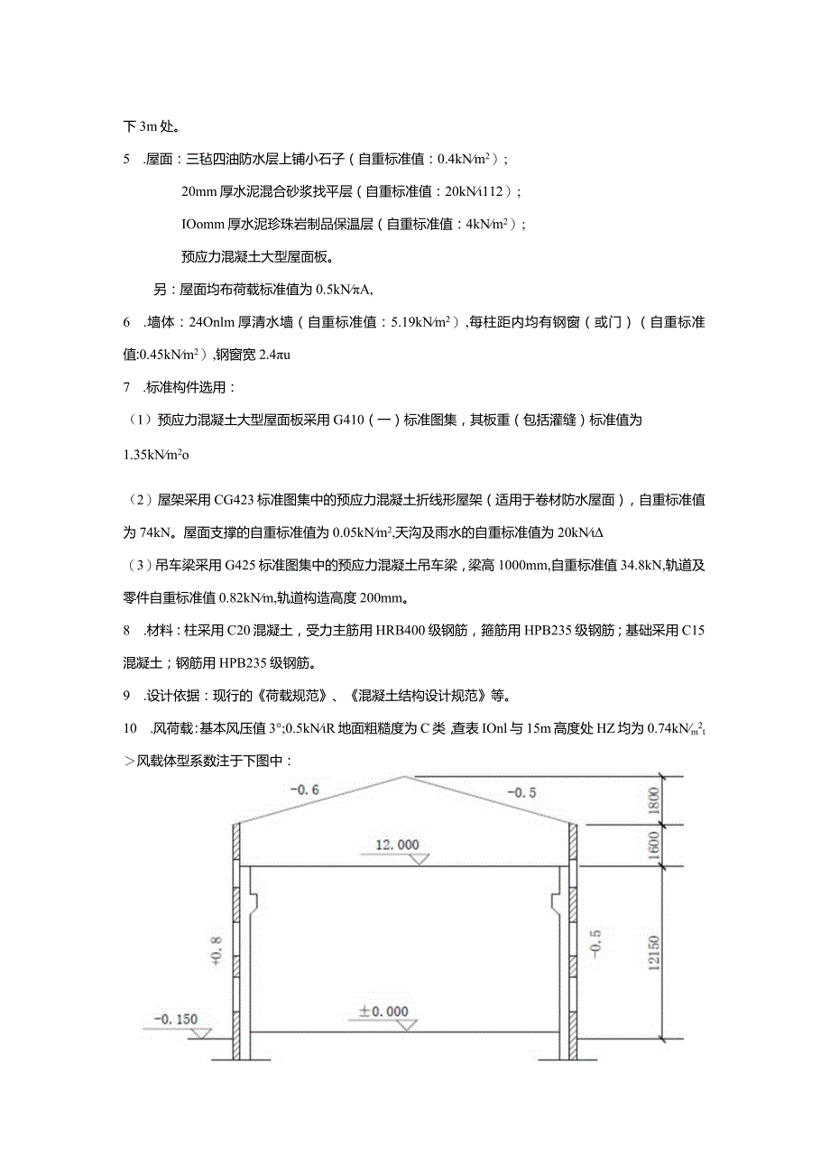
3、其板重(包括灌缝)标准值为1.35kNm2o(2)屋架采用CG423标准图集中的预应力混凝土折线形屋架(适用于卷材防水屋面),自重标准值为74kN。屋面支撑的自重标准值为0.05kNm2,天沟及雨水的自重标准值为20kN(3)吊车梁采用G425标准图集中的预应力混凝土吊车梁,梁高1000mm,自重标准值34.8kN,轨道及零件自重标准值0.82kNm,轨道构造高度200mm。8 .材料:柱采用C20混凝土,受力主筋用HRB400级钢筋,箍筋用HPB235级钢筋;基础采用C15混凝土;钢筋用HPB235级钢筋。9 .设计依据:现行的荷载规范、混凝土结构设计规范等。10 .风荷载:基本风压值3;0

4、.5kNR地面粗糙度为C类,查表IOnl与15m高度处HZ均为0.74kNm2t风载体型系数注于下图中:三、柱截面选定和排架计算简图1 .柱截面尺寸的确定(1) 根据建筑剖面,考虑基础顶面为-o.5m,并参考附表6、附表7,确定各柱截面尺寸为:A轴:上柱(矩形):bh=4(X)zw4(X)ww:下柱(工字形):bhhf=400加900mmX150mn;B轴:上柱(矩形):bh=400mm400mm:下柱(工字形):bhhf=400w?900a11w150ww;(2) 各柱的截面惯性矩为:A轴柱:上柱【/口=2.13l()9zw4,下柱,2a=19.54x109/;B轴柱:上柱B=213l9zm

5、,下柱右8=19.54XIO加M4。2 .计算简图凡=12-(-0.5)=12.5(m)H1=12-9.6+0.2+1=3.6(m)四、荷载计算以下荷载计算均为标准值。1 .永久荷载(恒载)(1) A/B轴柱承受的恒载:由屋盖传下的Gla :三毡四油小石子防水20mm厚水泥混合砂浆找平IOOmm厚水泥珍珠岩制品保温屋面板自重(包括港屋盖支撑系统自重屋架自重屋檐天沟及雨水0.4x6x212 = 25.2GW)20 0.02 6212 = 25.2( kN) 40.16212 = 25.2()1.35x6x212 = 85.05(ZN)0.05x6x21 + 2 = 3.15WV)742 = 37

6、OW)2(KkN)Ga=220.8ZN如右图所示,Ga对上柱中心线的偏心距:elA=200-150=50(m?)G2a=34.8+0.82x6=39.72(雨)A轴柱顶荷载位置图如下图所示,C2.对下柱中心线的偏心距:Ga=750-等=300(%)S400中15050ft付300A轴柱承受的荷载简图柱自重:包括上柱重与下柱重。上柱重:GAI=O.4X0.4X3.6X25=14.4()W)GA上对下柱中心线的偏心距900%=250()22下柱重GA下=47AkN(具体计算略)(2)恒载作用下的计算简图如下图所示G1=G3=Gxa=220.8%NM1=一3=6葭,.=220.8x0.05=11.0

7、4(左NMG2=G4=G2+GaI=39.7214.4=54.12(%N)M2=-M4=(Gm+Gaj.)e-G2ae2A=(220.814.4)0.25-39.720.3=46.88(ZN/m)恒载计算简图2 .屋面活载屋面均布活载标准值为0.5kN11并通过屋架支点传给柱:21A轴柱顶:Q1=0.56-=31.5(JWV)2活载作用下的计算简图如下图所示。M5=-M1=QGa=31.5X0.05=1.58(ANw)M6=-M8=Q1Q=31.5x0.25=7.88(ZN/m)屋面活载计算简图3 .吊车荷载(1)吊车竖向荷载:二台150/5OkN吊车,位置如右图所示。匕ax=3%h=0.5(

8、254150)-160=42KV = 160(l0.4 + 4.8 + 1.6) = 341.3ZNOmin= OMP42-三-=341.3-=89.6kN支座反力影响线匕ax160计算简图如下图所示。当DmaX在4柱有:M9=OmaXSa=341.3x0.3=102.394NM10=DminSa=89.6X0.3=26.88女N当DmaX在8柱,吊车竖向荷载与RnaX在/柱时对称。吊车竖向荷载计算简图(2)吊车水平荷载每个轮子= 5.27 kN(Q+0)_0.1x(150+60.7)T527T=DmIX=341.3=11.24kN)3Xm3xP160计算简图如下图所示。吊车水平荷载计算简图4

9、 .风荷载基本风压o=O.5kNm2,风载体型系数4如设计资料图中所示。高度变化系数二(地面粗糙度为C类)的计算:由柱顶离地面(即室外地坪)的高度12+0.15=12.15()查表可得4=0.74屋面平均高度为12.1515,412= 13.85(7W)查表可得z2=0.74(1)左风(一):柱顶集中力:Fw=60.740.5(1.60.8-1.80.6+1.80.5+1.60.5)=4.22(M)均布荷载:q=6X0.74X0.8X0.5=1.78(AN/in)%=6X0.74X0.5X0.5=Lll(MIm)(2)右风):由于结构对称,所以在右风作用下的风荷载与左风作用时左右对称。风荷载作

10、用计算简图如下图所示。风荷载计算简图五、内力分析(剪力分配法计算)1 .剪力分配系数n=-=-=0.288H212.5柱号=2LI2c。=一1+231义出=-EJzC。1司=1Y-乙认力柱4=2.13x109H”I2a19.541092.51IO9H2319.542.50Ee0.58柱N=2=0ii12a19.541092.51IO9H2319.542.50,Ec0.52 .恒载作用下的内力(1)恒载作用计算简图如下图所示。4=0.288,H2=12.5wo柱号M/Mmk*2MR=CJkNH2力柱M1=11.040.112.101.858柱M3=-11.040.112.10-1.85柱号MIk

11、Nmr_3I-A22端T)MR=C3ZkN%力柱M2=46.880.111.154.318柱M4=-46.880.111.15-4.31(2)各柱较支座反力R:/1柱较支座反力RA=L85+4.31=6.16(利)3柱较支座反力RB=-1.85-4.31=-6.16()W)R=R+Rb=66-66=0(3)各柱顶剪力的计算Va=R-Ra=0.50-6.16=-6.16(jW)()=%-=-050+6.16=6.16(WV)(-)(4)M(AN?)图见下图。(6)剪力图略。3 .屋面活载作用下的内力:(1) 计算简图如下图所示。2=0.288,”2=125%柱号MlkNm几=人I2,n-R=-C

12、lZkNH2力柱M5=1.580.112.100.278柱M7=-1.580.112.10-0.27柱号MlkNmr_3I-A22I+喂T)MR=CikN24柱M6=7.880.111.150.728柱%=-7.880.111.15-0.72(2)各柱较支座反力R:力柱较支座反力&=0.27+0.72=0.99(三)6柱较支座反力Rli=-0.27-0.72=-().99(iW)R=RA+(=0.990.99=0(3) 各柱顶剪力:匕=R-Ra=0.50-0.99=-0.99()W)()%=%R-&=-0.5x0+0.99=0.99(M)(-)(4) M(0Vm)图见下图。1.58(5) N图

13、、V图略。1.584.吊车竖向荷载作用下的内力(1)当DmaX作用在4轴柱时计算简图如下图所示。2=0.288,4=12.5加。柱号MIkNm=2LI2r_31-,2,+-1)R=-CiZkNH2力柱M9=-102.390.111.15-9.428柱M10=26.880.111.152.47各柱顶剪力的计算:R=RA+Rli=-9.42+2.47=-6.95W)Va=UaR-Ra=-0.5x6.95+9.42=5.95(一)Vb=liR-Rfi=-0.56.95-2.47=-5.95(jW)() M(雨m)图见下图。 N图、V图略。(2)当DmaX作用在8轴柱时,由于结构左右对称,其内力图与OmM作用在4轴柱时左右对称。5 .吊车水平荷载作用下的内力计算简图如下图所示。2=0.288,y=36TO=O.2.3.6柱号TZkNI22-2.1z+5+O,1R=TGkNG21+a31力柱11.240.110

展开阅读全文
相关资源
猜你喜欢
相关搜索

当前位置:首页 > 办公文档 > 课程设计

copyright@ 2008-2023 1wenmi网站版权所有

经营许可证编号:宁ICP备2022001189号-1

本站为文档C2C交易模式,即用户上传的文档直接被用户下载,本站只是中间服务平台,本站所有文档下载所得的收益归上传人(含作者)所有。第壹文秘仅提供信息存储空间,仅对用户上传内容的表现方式做保护处理,对上载内容本身不做任何修改或编辑。若文档所含内容侵犯了您的版权或隐私,请立即通知第壹文秘网,我们立即给予删除!