2.5x2.5支护井计算书.docx

上传人:p** 文档编号:824618 上传时间:2024-03-15 格式:DOCX 页数:7 大小:52.91KB
下载 相关 举报
2.5x2.5支护井计算书.docx_第1页
第1页 / 共7页
2.5x2.5支护井计算书.docx_第2页
第2页 / 共7页
2.5x2.5支护井计算书.docx_第3页
第3页 / 共7页
2.5x2.5支护井计算书.docx_第4页
第4页 / 共7页
2.5x2.5支护井计算书.docx_第5页
第5页 / 共7页
2.5x2.5支护井计算书.docx_第6页
第6页 / 共7页
2.5x2.5支护井计算书.docx_第7页
第7页 / 共7页
亲,该文档总共7页,全部预览完了,如果喜欢就下载吧!
资源描述

《2.5x2.5支护井计算书.docx》由会员分享,可在线阅读,更多相关《2.5x2.5支护井计算书.docx(7页珍藏版)》请在第壹文秘上搜索。

1、三、25x2.5支护井计算书本工程支护井基坑最大深度约6米,为封闭矩形钢筋混凝土结构,采用逆作法进行施工对基坑土体进行支护。计算条件一、支护井净空尺AxB=2.5mx2.5m(内部设检查井),采用C30混凝土进行浇筑;二、荷载计算:支护井基坑最大深度约6米,施工过程中应做好地下水相关监测工作,若施工时遇有地下水,应采取必要的降水措施,将地下水位降至基坑以下不小于05m处,并采取措施,防止其他水源进入基坑,后续按岩土体天然指标计算。由于暂无地勘报告,按土层容重为20.5kNm内摩擦角4=30进行土压力计算;地面堆载q=10kNn,邻近道路车辆荷载=30kNr2,该工作井逆作法分段现浇碎护壁时,受

2、力最大处位于井底部,现取工作井最下部一截1米高度作为计算单元进行荷载计算。(a)主动土压力系数Ku=ta112(45-30/2)=0.3333;(b)地面堆载和邻近道路车辆荷载二者取大值,则q=30kNm2,(c)接收井护壁最大侧向主动土压力P=rhK+qKn=20.5x6x0.3333+30x0.3333=51kN/m2,综上,接收井护壁的最大侧压力P偏安全的按60kN进行后续计算。三、本构筑物混凝土强度等级为C30,考虑混凝土达到强度设计值需要一定的龄期,设计要求混凝土中应添加早强剂,要求5天后强度于设计强度的70%,达到该要求后方可拆模进行下一节护壁的开挖,考虑龄期影响后续按C15强度进

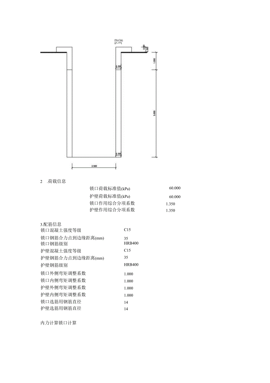
3、行计算。四、按混凝土护壁进行计算配筋原始条件:1 .尺寸信息孔洞形状矩形内径尺寸L(In)2.500内径尺寸B(In)2.500是否存在护壁锁口长度Ll(m)1.000护壁长度L2(m)5.000锁口厚bl(m)0.300护壁厚b2(m)0.300锁口顶端细部尺寸al(m)0.300锁口顶端细部尺寸a2(m)0.600锁口顶端细部尺寸hl(m)0.001锁口顶端细部尺寸h2(m)0.3009LII0-600I2 .荷载信息锁口荷载标准值(kPa)60.000护壁荷载标准值(kPa)60.000锁口作用综合分项系数1.350护壁作用综合分项系数1.3503.配筋信息锁口混凝土强度等级C15锁口钢

4、筋合力点到边缘距离(mm)35锁口钢筋级别HRB400护壁混凝土强度等级C15护壁钢筋合力点到边缘距离(mm)35护壁钢筋级别HRB400锁口外侧弯矩调整系数1.000锁口内侧弯矩调整系数1.000护壁外侧弯矩调整系数1.000护壁内侧弯矩调整系数1.000锁口选筋用钢筋直径14护壁选筋用钢筋直径14内力计算锁口计算6(6ooo60000TTrrHmI39200Jk_TTTTT_IOFrOfW*Nm)0*婀*N)锁口最大弯矩=39.200kNm护壁计算60.000TnrnnwTn日6aooo/-39.2IFN9.6C0F二三三。二二二三Klx护壁最大弯矩=39.200kN-m混凝土抗剪计算锁口

5、锁口厚度:h=0.300(m)剪力最大值:VW=84.000(kN)锁口作用综合分项系数:k=1.350剪力设计值:V=113.400(kN)V=0.7flbho=0.70.910X1000.000X265.000=168805.OOO(N)=168.805(kN)混凝土抗剪满足要求护壁护壁厚度:h=0.300(m)剪力最大值:VW=84.000(kN)护壁作用综合分项系数:k=1.350剪力设计值:V=113.400(kN)V=0.7flbho=0.70.910X1000.000X265.000=168805.OOO(N)=168.805(kN)混凝土抗剪满足要求配筋计算锁口配筋取单位宽度(

6、b=1000mm)计算锁口截面厚度h=300(mm)支座弯矩最大值:MnaXl=39.200(kNm)跨中弯矩最大值:MeaX2=19.600(kNm)锁口作用综合分项系数:L=1.350外侧弯矩调整系数:k1=1.000外侧弯矩设计值:M=ksk.M,jll=52.920(kNm)内侧弯矩调整系数:k2=1.000内侧弯矩设计值:M=kk2Mz=26.460(kNm)外侧钢筋计算面积:Asl=600(un2)内侧钢筋计算面积:As2=600(mm?)护壁配筋取单位宽度(b=100Onun)计算锁口截面厚度h=300(mm)支座弯矩最大值:乩ax=39.200(kNm)跨中弯矩最大值:比涵=19.600(kNm)护壁综合分项系数:k=1.350外侧弯矩调整系数:k1=1.000外侧弯矩设计值:M=k=52.920(kNm)内侧弯矩调整系数:k2=1.000内侧弯矩设计值:M=ksk2Mnai2=26.460(kNm)外侧钢筋计算面积:Asl=600(Inm2)内侧钢筋计算面积:As2=600(mm)

展开阅读全文
相关资源
猜你喜欢
相关搜索

当前位置:首页 > 建筑/环境 > 设计及方案

copyright@ 2008-2023 1wenmi网站版权所有

经营许可证编号:宁ICP备2022001189号-1

本站为文档C2C交易模式,即用户上传的文档直接被用户下载,本站只是中间服务平台,本站所有文档下载所得的收益归上传人(含作者)所有。第壹文秘仅提供信息存储空间,仅对用户上传内容的表现方式做保护处理,对上载内容本身不做任何修改或编辑。若文档所含内容侵犯了您的版权或隐私,请立即通知第壹文秘网,我们立即给予删除!