《汽油发动机控制系统故障诊断》工作单.docx

上传人:p** 文档编号:825399 上传时间:2024-03-15 格式:DOCX 页数:40 大小:209.50KB
下载 相关 举报
《汽油发动机控制系统故障诊断》工作单.docx_第1页
第1页 / 共40页
《汽油发动机控制系统故障诊断》工作单.docx_第2页
第2页 / 共40页
《汽油发动机控制系统故障诊断》工作单.docx_第3页
第3页 / 共40页
《汽油发动机控制系统故障诊断》工作单.docx_第4页
第4页 / 共40页
《汽油发动机控制系统故障诊断》工作单.docx_第5页
第5页 / 共40页
《汽油发动机控制系统故障诊断》工作单.docx_第6页
第6页 / 共40页
《汽油发动机控制系统故障诊断》工作单.docx_第7页
第7页 / 共40页
《汽油发动机控制系统故障诊断》工作单.docx_第8页
第8页 / 共40页
《汽油发动机控制系统故障诊断》工作单.docx_第9页
第9页 / 共40页
《汽油发动机控制系统故障诊断》工作单.docx_第10页
第10页 / 共40页
亲,该文档总共40页,到这儿已超出免费预览范围,如果喜欢就下载吧!
资源描述

《《汽油发动机控制系统故障诊断》工作单.docx》由会员分享,可在线阅读,更多相关《《汽油发动机控制系统故障诊断》工作单.docx(40页珍藏版)》请在第壹文秘上搜索。

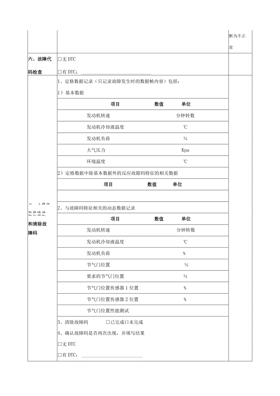
1、发动机控制系统故障诊断工作单节气门位置传感器班级姓名评价指导教师故障描述发动机故障灯常亮项目作业记录内容备注一、安全防护安装:车轮挡块、尾气排放管、内外防护等。检查变速器挡位(自动变速器位于P挡,手动变速器位于空挡),手制动拉起。口完成口未完成二、车辆信息整车型号:车辆识别代码:发动机型号:三、常规检查工作检查发动机冷却液位、制动液位、机油等。口正常口异常四、仪器连接测量蓄电池电压:V口正常口不正常连接汽车电脑诊断仪:口完成口未完成五、故障现象确认确认故障症状并记录症状现象(根据不同故障范围,进行功能检测,并填写检测结果)发动机故障灯MIL口正常口不正常 发动机启动及运转状况口正常口不正常 其

2、他(如果有)口正常口不正常IG-ON能亮,启动后熄灭为正常启动不顺畅/不能一次启动/运转不稳定/怠速高等只要有问题即应判断为不正常六、故障代无DTC码检查有DTC:1、定格数据记录(只记录故障发生时的数据帧内容)包括:1)基本数据项目数值单位发动机转速分钟转数发动机冷却液温度发动机负荷大气压力Kpa环境温度2)定格数据中除基本数据外的反应故隙码特征的相关数据项目数值单位七、止佛供2、与故障码特征相关的动态数据记录取热堆冲取奴循加和清除故项目数值单位障码发动机转速分钟转数发动机冷却液温度发动机负荷%节气门位置要求的节气门位置节气门位置传感器1位置%节气门位置传感器2位置%节气门位置性能测试3、清

3、除故障码已完成口未完成4、确认故障码是否再次出现,并填写结果无DTC有DTC:八、电路认知根据故障码查找维修手册,画出相关电路图,并标注端子号和导线类型九、电路测量1、将点火开关置于“OFF”位置,断开Q38节气门体处的线束连接器。完成口未完成2、测试低电平参考电压电路端子C和搭铁之间的电检测搭铁线的导通性阻:口正常口不正常3、将点火开关置于“ON”位置,测试5伏参考电压电路端子E、号电路端子D和传感器2信号电路端子F分别对地的电压:传感器1信检测供电线、2号信号线的导通性和绝缘性:以及1号信号线是否与供电线短路线路范围测量结果判断结果Q38/E一搭铁口正常口不正常Q38/D一搭铁口正常口不正

4、常Q38/F一搭铁正常口不正常检测1号信号线的导通性与绝缘性4、在节气门位置传感器1信号电路端子D和5伏参考电压电路端子E之间安装一条带3安培保险丝的跨接线。口完成口未完成5、将点火开关置于“ON(打开)”位置,确认故障诊断仪的节气门位置传感器的电压参数O口正常口不正常6、对被怀疑的线路进行电路测试:验证被怀疑的线路故障线路范围档位选择测量结果判断结果正常口不正常正常口不正常口正常口不正常十、元件检测量电位计的电阻C-E:C-D:C-F:测十一、故障部位确认和排除根据上述的所有检测结果,确定故隙内容并注明:1、 确定的故障是:2、 故障点的排除处理说明:更换口维修口调整十二、现场恢复已完成口未

5、完成发动机控制系统故障诊断工作单排气凸轮轴位置传感器班级姓名评价指导教师故障描述发动机故障灯常亮项目作业记录内容备注一、安全防护安装:车轮挡块、尾气排放管、内外防护等。检查变速器挡位(自动变速器位于P挡,手动变速器位于空挡),手制动拉起。完成未完成二、车辆信息整车型号:车辆识别代码:发动机型号:三、常规检查工作检查发动机冷却液位、制动液位、机油等。正常口异常四、仪器连接测量蓄电池电压:V口正常不正常连接汽车电脑诊断仪:完成口未完成五、故障现象确认确认故障症状并记录症状现象(根据不同故障范围,进行功能检测,并填写检测结果)发动机故障灯MlL口正常口不正常 发动机启动及运转状况正常口不正常 其他(

6、如果有)口正常口不正常IG-ON能亮,启动后熄灭为正常启动不顺畅/不能一次启动/运转不稳定/怠速高等只要有问题即应判断为不正常六、故障代码检查无DTC有DTC:七、正确读取数据流和清除故障码1、定格数据记录(只记录故障发生时的数据帧内容)包括:1)基本数据项目数值单位发动机转速分钟转数发动机冷却液温度发动机负荷%大气压力Kpa环境温度2)定格数据中除基本数据外的反应故障码特征的相关数据项目数值单位2、与故障码特征相关的动态数据记录项目数值单位发动机转速分钟转数发动机冷却液温度传感器进气凸轮轴位置指令%排气凸轮轴位置指令%需要进气凸轮轴位置0进气凸轮轴位置O3、清除故障码已完成口未完成4、确认故

7、障码是否再次出现,并填写结果口无DTC口有DTC:八、电路认知根据故障码查找维修手册,画出相关电路图,并标注端子号和导线类型1、将点火开关置于“OFF”位置,断开B23E排气凸轮轴位置传感器的线束连检测搭铁接器。线的导通九、电路完成未完成性2、测试低电平参考电压电路端子2和搭铁之间的电检测供电测量阻:线、信号正常不正常线的导通3、将点火开关置于“ON”位置,测试5伏参考电压电路端子1、信号电路端性和绝缘子3对地的空载电压:性线路范围测量结果判断结果B23E/1一搭铁正常不正常B23E/3一搭铁正常口不正常4、对被怀疑的线路进行电路测试:线路范围档位选择测量结果判断结果口正常口不正常口正常口不正

8、常口正常口不正常十、元件示波器正表笔连接点:每格电压:每格时间:iBG,*II*9*w*wi1一一 ,.*.,* 4IL4检测(示波)A示波器负表笔连接部位:,4Mie*fl14*e+Btili.一fI1;(i十一、故根据上述的所有检测结果,确定故障内容并注明:障部位确1、 确定的故障是:认和排除2、故障点的排除处理说明:口更换口维修口调整十二、现已完成口未完成场恢复班级姓名评指导教师发动机控制系统故障诊断工作单氧传感器故障描述发动机故障灯常亮项目作业记录内容备注一、安全防护安装,车轮挡块、尾气排放管、内外防护等。检查变速器挡位(自动变速器位于P挡,手动变速器位于空挡),手制动拉起。完成未完成

9、二、车辆信息整车型号:车辆识别代码:发动机型号:三、常规检查工作检查发动机冷却液位、制动液位、机油等。正常口异常四、仪器连接测量蓄电池电压:V口正常口不正常连接汽车电脑诊断仪:口完成口未完成五、故障现象确认确认故障症状并记录症状现象(根据不同故障范围,进行功能检测,并填写检测结果) 发动机故障灯MlL口正常口不正常 发动机启动及运转状况口正常口不正常 其他(如果有)口正常口不正常IG-ON能亮,启动后熄灭为正常启动不顺畅/不能一次启动/运转不稳定/怠速高等只要有问题即应判断为不正常六、故障代码检查无DTC有DTC:1、1)定格数据记录(只记录故障发生时的数据帧内容)包括:基本数据项目数值单位发

10、动机转速分钟转数发动机冷却液温度发动机负荷%大气压力Kpa环境温度七、正确2)定格数据中除基本数据外的反应故隙码特征的相关数据读取数据项目数值单位流和清除空气燃油故障码短期燃油修正2、与故障码特征相关的动态数据记录项目数值单位发动机转速分钟转数发动机冷却液温度传感器加热型氧传感器1电压V加热型氧传感器1加热器控制电路电压过高测试状态加热型氧传感器1加热器控制电路电压过低测试状态加热型氧传感器1加热器控制电路开路测试状态加热型氧传感器1加热器指令空气燃油短期燃油修正长期燃油修正3、清除故障码已完成未完成4、确认故障码是否再次出现,并填写结果无DTC口有DTC:八、电路认知根据故障码查找维修手册,画出相关电路图,并标注端子号和导线类型九、电路测量1、点火开关置于OFF位置,断开相应B52A加热型氧传感器上的线束连接器。口完成口未完成2、测试低电平参考电压电路端子3和搭铁之间的电阻Q口正常口不正常3、点火开关置于ON位置,测试信号电路端子4和搭铁之间的电压V口正常口不正常检测搭铁线的导通性检测信号线的导通性和绝缘性检测供电线的导通4、在点火电压电路端子1和搭铁之间

展开阅读全文
相关资源
猜你喜欢
相关搜索

当前位置:首页 > 高等教育 > 大学课件

copyright@ 2008-2023 1wenmi网站版权所有

经营许可证编号:宁ICP备2022001189号-1

本站为文档C2C交易模式,即用户上传的文档直接被用户下载,本站只是中间服务平台,本站所有文档下载所得的收益归上传人(含作者)所有。第壹文秘仅提供信息存储空间,仅对用户上传内容的表现方式做保护处理,对上载内容本身不做任何修改或编辑。若文档所含内容侵犯了您的版权或隐私,请立即通知第壹文秘网,我们立即给予删除!