厅及厨房的防火检查要点和处置方法.docx

上传人:p** 文档编号:83403 上传时间:2022-12-20 格式:DOCX 页数:2 大小:14.66KB
下载 相关 举报
厅及厨房的防火检查要点和处置方法.docx_第1页
第1页 / 共2页
厅及厨房的防火检查要点和处置方法.docx_第2页
第2页 / 共2页
亲,该文档总共2页,全部预览完了,如果喜欢就下载吧!
资源描述

《厅及厨房的防火检查要点和处置方法.docx》由会员分享,可在线阅读,更多相关《厅及厨房的防火检查要点和处置方法.docx(2页珍藏版)》请在第壹文秘上搜索。

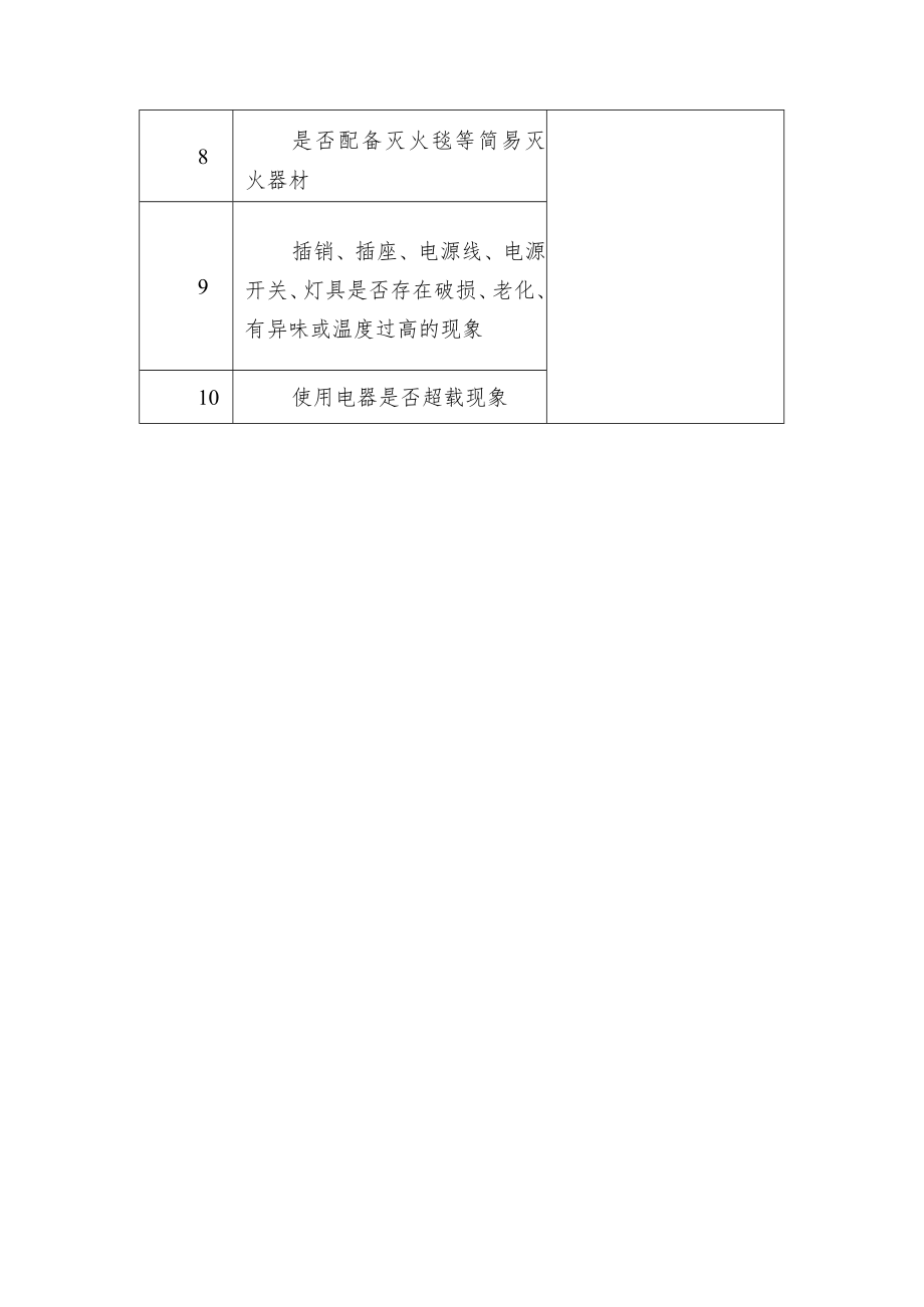
厅及厨房的防火检查要点和处置方法餐厅和厨房是集中用火部位,要严防燃气泄漏,要严格遵守安全操作规程,特别是在加工油炸食品时,要专人看管,同时配备必要的灭火器材和灭火毯等。此外,要定时清洗烟道。餐厅及厨房的防火检查要点和处置方法序号检查判定要点处置方法1点锅后炉灶是否有人看守填写检查记录表,告知危害,协助当场改正2油炸食品时,锅内的油是否超过2/33通道是否有物品码放、是否被封堵4灭火器是否摆放在明显位置、是否被覆盖、遮挡、挪做他用5防火疏散门是否灵敏有效填写检查记录表,告知危害,上报有关领导,制定限期改正措施6燃气阀门是否被遮挡、封堵,是否能正常开启、关闭7烟道内的油垢是否过多8是否配备灭火毯等简易灭火器材9插销、插座、电源线、电源开关、灯具是否存在破损、老化、有异味或温度过高的现象10使用电器是否超载现象

展开阅读全文
相关资源
猜你喜欢
相关搜索

当前位置:首页 > 建筑/环境 > 防火建筑

copyright@ 2008-2023 1wenmi网站版权所有

经营许可证编号:宁ICP备2022001189号-1

本站为文档C2C交易模式,即用户上传的文档直接被用户下载,本站只是中间服务平台,本站所有文档下载所得的收益归上传人(含作者)所有。第壹文秘仅提供信息存储空间,仅对用户上传内容的表现方式做保护处理,对上载内容本身不做任何修改或编辑。若文档所含内容侵犯了您的版权或隐私,请立即通知第壹文秘网,我们立即给予删除!