消防重点部位情况(2023年XX工业机修厂).docx

上传人:p** 文档编号:836863 上传时间:2024-03-15 格式:DOCX 页数:1 大小:14.09KB
下载 相关 举报
消防重点部位情况(2023年XX工业机修厂).docx_第1页
第1页 / 共1页
亲,该文档总共1页,全部预览完了,如果喜欢就下载吧!
资源描述

《消防重点部位情况(2023年XX工业机修厂).docx》由会员分享,可在线阅读,更多相关《消防重点部位情况(2023年XX工业机修厂).docx(1页珍藏版)》请在第壹文秘上搜索。

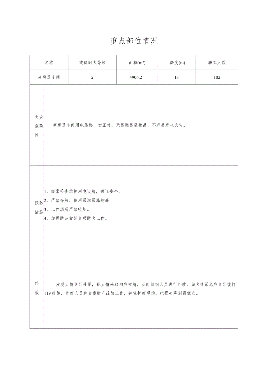
重点部位情况名称建筑耐火等级面积(m2)高度(m)职工人数库房及车间24906.2113102火灾危险性库房及车间用电线路一切正常,无易燃易爆物品,不容易发生火灾。预防措施1、经常检查维护用电设施,保证安全。2、严禁存放、使用易燃易爆物品。3、工作场所严禁吸烟。4、加强防范做好各项防火工作。扑救发现火情立即处置,视火情采取相应措施,及时组织人员进行扑救,如火情紧急应立即拨打119报警,作好人员和贵重财产疏散工作,并保护好现场,把损失降到最低点。

展开阅读全文
相关资源
猜你喜欢
相关搜索

当前位置:首页 > 管理/人力资源 > 绩效管理

copyright@ 2008-2023 1wenmi网站版权所有

经营许可证编号:宁ICP备2022001189号-1

本站为文档C2C交易模式,即用户上传的文档直接被用户下载,本站只是中间服务平台,本站所有文档下载所得的收益归上传人(含作者)所有。第壹文秘仅提供信息存储空间,仅对用户上传内容的表现方式做保护处理,对上载内容本身不做任何修改或编辑。若文档所含内容侵犯了您的版权或隐私,请立即通知第壹文秘网,我们立即给予删除!