采购清单及报价技术要求.docx

上传人:p** 文档编号:841566 上传时间:2024-03-15 格式:DOCX 页数:1 大小:17.26KB
下载 相关 举报
采购清单及报价技术要求.docx_第1页
第1页 / 共1页
亲,该文档总共1页,全部预览完了,如果喜欢就下载吧!
资源描述

《采购清单及报价技术要求.docx》由会员分享,可在线阅读,更多相关《采购清单及报价技术要求.docx(1页珍藏版)》请在第壹文秘上搜索。

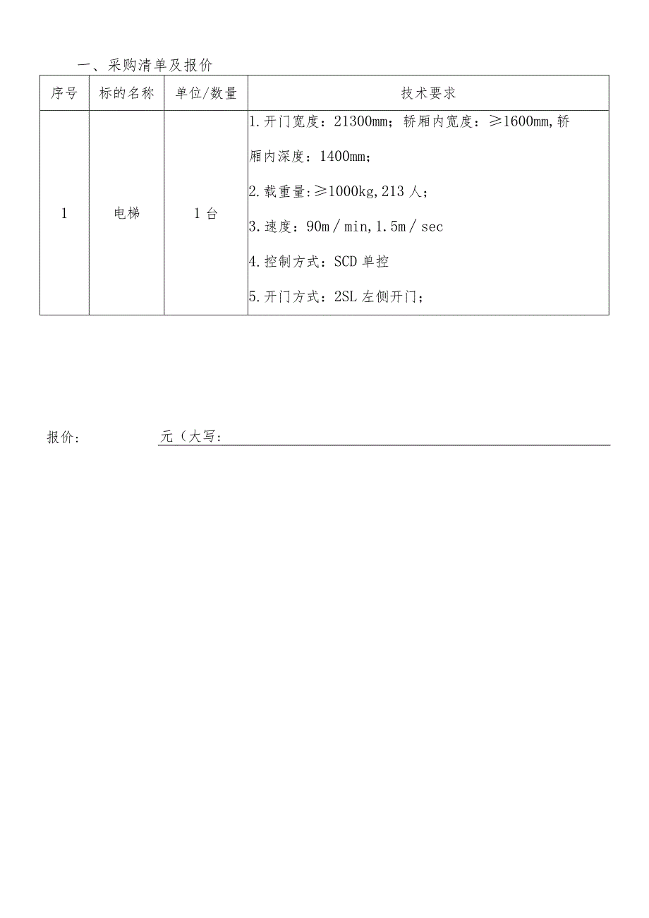
一、采购清单及报价序号标的名称单位/数量技术要求1电梯1台1.开门宽度:21300mm;轿厢内宽度:1600mm,轿厢内深度:1400mm;2.载重量:1000kg,213人;3 .速度:90mmin,1.5msec4 .控制方式:SCD单控5 .开门方式:2SL左侧开门;报价:元(大写:

展开阅读全文
相关资源
猜你喜欢
相关搜索

当前位置:首页 > 建筑/环境 > 招标文件

copyright@ 2008-2023 1wenmi网站版权所有

经营许可证编号:宁ICP备2022001189号-1

本站为文档C2C交易模式,即用户上传的文档直接被用户下载,本站只是中间服务平台,本站所有文档下载所得的收益归上传人(含作者)所有。第壹文秘仅提供信息存储空间,仅对用户上传内容的表现方式做保护处理,对上载内容本身不做任何修改或编辑。若文档所含内容侵犯了您的版权或隐私,请立即通知第壹文秘网,我们立即给予删除!