表6.8 电气接地电阻测试记录0.docx

上传人:p** 文档编号:841868 上传时间:2024-03-15 格式:DOCX 页数:1 大小:16.24KB
下载 相关 举报
表6.8 电气接地电阻测试记录0.docx_第1页
第1页 / 共1页
亲,该文档总共1页,全部预览完了,如果喜欢就下载吧!
资源描述

《表6.8 电气接地电阻测试记录0.docx》由会员分享,可在线阅读,更多相关《表6.8 电气接地电阻测试记录0.docx(1页珍藏版)》请在第壹文秘上搜索。

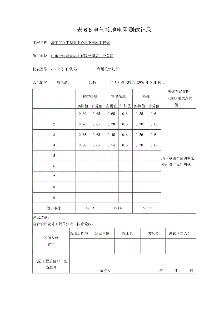
表6.8电气接地电阻测试记录工程名称:济宁市百丰商贸中心地下车库工程式施工单位:山东宁建建设集团有限公司第二分公司仪表型号:ZC29B引下形式:利用柱钢筋引下天气情况:晴气温:10T8(C)测试时间:2007年5月16日保护接地重复接地接地测试布置简图(注明测试点位置)实测值计算值实测值计算值实测值计算值10.600.650.650.60.550.6地下室四个角的框架柱内引下线的测试20.700.650.700.60.700.630.650.650.450.60.560.640.580.650.540.60.700.656789设计要求111测试结论:符合设计及施工规范要求,同意验收。参加人员签字监理工程师建设单位施工员质检员测试(二人)人防工程质监部门验核意见验核人:年月日

展开阅读全文
相关资源
猜你喜欢
相关搜索

当前位置:首页 > 通信/电子 > 电子电气自动化

copyright@ 2008-2023 1wenmi网站版权所有

经营许可证编号:宁ICP备2022001189号-1

本站为文档C2C交易模式,即用户上传的文档直接被用户下载,本站只是中间服务平台,本站所有文档下载所得的收益归上传人(含作者)所有。第壹文秘仅提供信息存储空间,仅对用户上传内容的表现方式做保护处理,对上载内容本身不做任何修改或编辑。若文档所含内容侵犯了您的版权或隐私,请立即通知第壹文秘网,我们立即给予删除!