建筑工程泥浆护壁回转钻孔灌注桩工程.docx

上传人:p** 文档编号:847765 上传时间:2024-03-16 格式:DOCX 页数:6 大小:38.38KB
下载 相关 举报
建筑工程泥浆护壁回转钻孔灌注桩工程.docx_第1页
第1页 / 共6页
建筑工程泥浆护壁回转钻孔灌注桩工程.docx_第2页
第2页 / 共6页
建筑工程泥浆护壁回转钻孔灌注桩工程.docx_第3页
第3页 / 共6页
建筑工程泥浆护壁回转钻孔灌注桩工程.docx_第4页
第4页 / 共6页
建筑工程泥浆护壁回转钻孔灌注桩工程.docx_第5页
第5页 / 共6页
建筑工程泥浆护壁回转钻孔灌注桩工程.docx_第6页
第6页 / 共6页
亲,该文档总共6页,全部预览完了,如果喜欢就下载吧!
资源描述

《建筑工程泥浆护壁回转钻孔灌注桩工程.docx》由会员分享,可在线阅读,更多相关《建筑工程泥浆护壁回转钻孔灌注桩工程.docx(6页珍藏版)》请在第壹文秘上搜索。

1、工程名称交底部位共页第页交底内容:一、施工准备(一)作业条件1、地上、地下障碍物都处理完毕,达到“三通一平”。施工用的临时设施准备就绪。2、场地标高一般为承台梁的上皮标高,并已经过夯实或碾压。3、制作好钢筋笼。4、根据放出的轴线及桩位点,抄上水平标高木撅,井经过验收签字。5、选择和确定钻孔机的进出路线和钻孔顺序,制定施工方案。6、正式施工前要做成孔试验,数量不少于2根。(二)材料要求1、水泥:根据设计要求确定水泥品种、强度等级。2、砂:中砂或粗砂,含泥量不大于5机3、石子:粒径为0.53.2CnI的卵石或碎石,含泥量不大于2%。4、水:使用自来水或不含有害物质的洁净水。5、粘土:可就地选择塑性

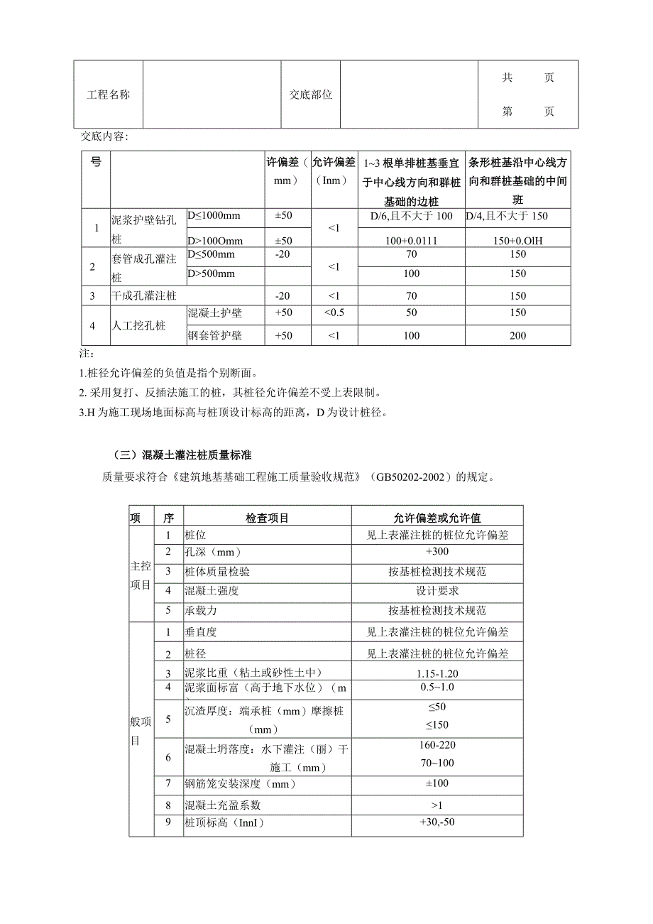
2、指数Ip217的粘土。6、外加早强剂通过试验确定。7、钢筋:钢筋的品种、级别或规格必须符合设计要求,有产品合格证、出厂捡验报告和进场复验报告。(三)施工机具回旋钻孔机、翻斗车或手推车、混凝土导管、套管、水泵、水箱、泥浆池、混凝土搅拌机、平尖头铁锹、胶皮管、插人式振捣棒、线坠等。二、质量要求(一)混凝土灌注桩钢筋笼质量检验标准质量要求符合建筑地基基础工程施工质量验收规范(GB50202-2002)的规定。项序检查项目允许偏差或允许值(硒)主控项目1主筋间距+102多节桩锚固钢筋位置100一般项目1钢筋材质检验设计要求2箍筋间距+203直径10(二)混凝土灌注桩的桩位偏差灌注桩的桩位偏差必须符合下

3、表规定。桩顶标高至少要比设计标高高出0.5m。每浇注50m3必须有I组试件,小于50m3的桩每根桩必须有1组试件。成孔方法桩径允垂直度桩位允许偏差值(的)工程名称交底部位共页第页交底内容:号许偏差(mm)允许偏差(Inm)13根单排桩基垂宜于中心线方向和群桩基础的边桩条形桩基沿中心线方向和群桩基础的中间班1泥浆护壁钻孔桩D1000mm50100Omm50100+0.0111150+0.OlH2套管成孔灌注桩D500mm-20500mm1001503干成孔灌注桩-201701504人工挖孔桩混凝土护壁+500.550150钢套管护壁+5019桩顶标高(InnI)+30,-50共页工程名称交底部位

4、第页交底内容:三、工艺流程钻孔机就位一钻孔一注泥浆一下套管一继续钻孔一排渣一清孔一吊放钢筋笼一射水清底一浇筑混凝土f拔出导管f插桩顶钢筋。四、操作工艺(一) 泥浆的制备和处理1、除能自行造浆的土层外,泥浆制备要选用高塑性粘土或膨润土。拌制泥浆要根据施工机械、工艺及穿越土层进行配合比设计。2、泥浆护壁要符合下列规定(1) 施工期间护筒内的泥浆面要高出地下水位LOm以上,在受水位涨落影响时,泥浆面要高出最高水位1.5m以上。(2) 在清孔过程中,要不断置换泥浆,直至浇筑混凝土。(3) 浇筑混凝土前,孔底50Omm以内的泥浆比重要小于1.25;含砂率W8%;粘度28s。(4) 在易产生泥浆渗漏的土层

5、中要采取维持孔壁稳定的措施。3、废弃的泥浆、渣要按环境保护的有关规定处理。(二) 钻孔机就位钻孔机就位时,必须保持平稳,不发生倾斜、位移,为准确控制钻孔深度,要在机架上或机管上作出控制的标尺,以便在施工中进行观测、记录。(三) 钻孔及注泥浆调直机架挺杆,对好桩位(用对位圈),开动机器钻进,出土,达到一定深度(视土质和地下水情况)钻孔,孔内注入事先调制好的泥浆,然后继续进钻。(四) 下套管(护筒)1、钻孔深度达到5m左右时,提钻下套管。2、套管内径应大于钻头Ioonin1。3、套管位置要埋设正确和稳定,套管与孔壁之间要用粘土填实,套管中心与桩孔中心线偏差不大于50mmo4、套管埋设深度:在粘性土

6、中不小于1m,在砂土中不小于1.5m,并要保持孔内泥浆面高出地下InI以上。(五) 继续钻孔防止表层土受振动坍塌,钻孔时不要让泥浆水位下降,当钻至持力层后,设计无特殊要求时,可继续钻深Im左右,作为插入深度。在施工过程中经常测定泥浆相对密度。工程名称交底部位共页第页交底内容:(六) 孔底清理及排渣1、在粘土和粉质粘土中成孔时,可注入清水,以原土造浆护壁。排渣泥浆的相对密度控制在L1L202、在砂土和较厚的夹砂层中成孔时,泥浆相对密度要控制在L1L3;在穿过砂夹卵石层或容易坍孔的土层中成孔时,泥浆的相对密度要控制在1.31.503、吊放钢筋笼:钢筋笼放前要绑好砂浆垫块;吊放时要对准孔位,吊宜扶稳

7、,缓慢下沉,钢筋笼放到设计位置时,要立即固定,防止上浮。(七) 射水清底在钢筋笼内插入混凝土导管(管内有射水装置),通过软管与高压泵连接,开动泵水即射出。射水后孔底的沉渣即悬浮于泥浆之中。(八)浇筑混凝土停止射水后,要立即浇筑混凝土,随着混凝土不断增高,孔内沉渣将浮在混凝土上面,并同泥浆一同排回贮浆槽内。1、水下浇筑混凝土要连续施工,导管底端埋入混凝土的深度为081.3m,导管的第一节底管长度24m。2、混凝土的配制(1) 配合比经试验室试配确定,试配强度比设计强度提高10%15%;(2) 水灰比不宜大于0.6;(3) 有良好的和易性,在规定的浇筑期内,坍落度为160220nm;在浇筑初期,为

8、使导管下端形成混凝土堆,坍落度宜为140160mm;(4) 水泥用量一般为350400kg113,砂率一般为45%50%(5) 拔出导管混凝土浇筑到桩顶时,要及时拔出导管。但混凝土的上顶标高一定要符合设计及规范要求。(+)插桩顶锅筋桩顶上的插筋一定要保持垂直插入,有足够锚固长度和保护层,防止插偏和插斜。(十一)试块留置同一配合比的试块,每班不得少于1组。每根灌注桩不得少于1组。(十二)冬、雨期施工1、不宜在冬期进行。2、雨天施工现场必须有排水措施,严防地面雨水流人桩孔内。要防止桩机移动,以免造成桩孔歪斜等情况。五、成品保护1、钢筋笼在制作、运输和安装过程中,要采取措施防止变形。吊入桩孔内,要牢

9、固确定其位置,防止上浮。2、灌注桩施工完毕进行基础开挖时,要制定合理的施工顺序和技术措施,防止桩的位移和倾斜。并要检查每根桩的纵横位置偏差。3、在钻孔机安装,钢筋笼运输及混凝土浇筑时,均要注意保护好现场的轴线桩,高程桩,并经常予以核校。工程名称交底部位共页第页交底内容:4、桩头外留的主筋插铁要妥善保护,不得任意弯折或压断。5、桩头的混凝土强度没有达到5MPa时,不得碾压,以防桩头损坏。六、要注意的质量问题1、泥浆护壁成孔时,发生斜孔、弯孔、缩孔和塌孔或沿套管周围冒浆以及地面沉陷等情况,要停止钻进。经采取措施后,方可继续施工。2、钻进速度,要根据土层情况、孔径、孔深、供水或供浆量的大小、钻机负荷以及成孔质量等具体情况确定。3、水下混凝土面平均上升速度不小于0.251113h浇筑前,导管中要设置球、塞等物隔水,浇筑时,导管插入混凝土的深度不小于Inu4、施工中要经常测定泥浆密度,并定期测定粘度、含砂率和胶体率。泥浆粘度1822,含砂率不大于4%8%,胶体率不小于90%o5、清孔过程中,必须及时补给足够的泥浆,井保持浆面稳定。6、钢筋笼变形:钢筋笼在堆放、运输、起吊、入孔等过程中,必须加强对操作工人的技术交底,严格执行加固的技术措施。7、混凝土浇到接近桩顶时,随时测量顶部标高,以免过多截桩或补桩。技术负责人:交底人:接交人:

展开阅读全文
相关资源
猜你喜欢
相关搜索

当前位置:首页 > 建筑/环境 > 桩基础

copyright@ 2008-2023 1wenmi网站版权所有

经营许可证编号:宁ICP备2022001189号-1

本站为文档C2C交易模式,即用户上传的文档直接被用户下载,本站只是中间服务平台,本站所有文档下载所得的收益归上传人(含作者)所有。第壹文秘仅提供信息存储空间,仅对用户上传内容的表现方式做保护处理,对上载内容本身不做任何修改或编辑。若文档所含内容侵犯了您的版权或隐私,请立即通知第壹文秘网,我们立即给予删除!