机械安全检查表格.docx

上传人:p** 文档编号:851412 上传时间:2024-03-22 格式:DOCX 页数:2 大小:15.53KB
下载 相关 举报
机械安全检查表格.docx_第1页
第1页 / 共2页
机械安全检查表格.docx_第2页
第2页 / 共2页
亲,该文档总共2页,全部预览完了,如果喜欢就下载吧!
资源描述

《机械安全检查表格.docx》由会员分享,可在线阅读,更多相关《机械安全检查表格.docx(2页珍藏版)》请在第壹文秘上搜索。

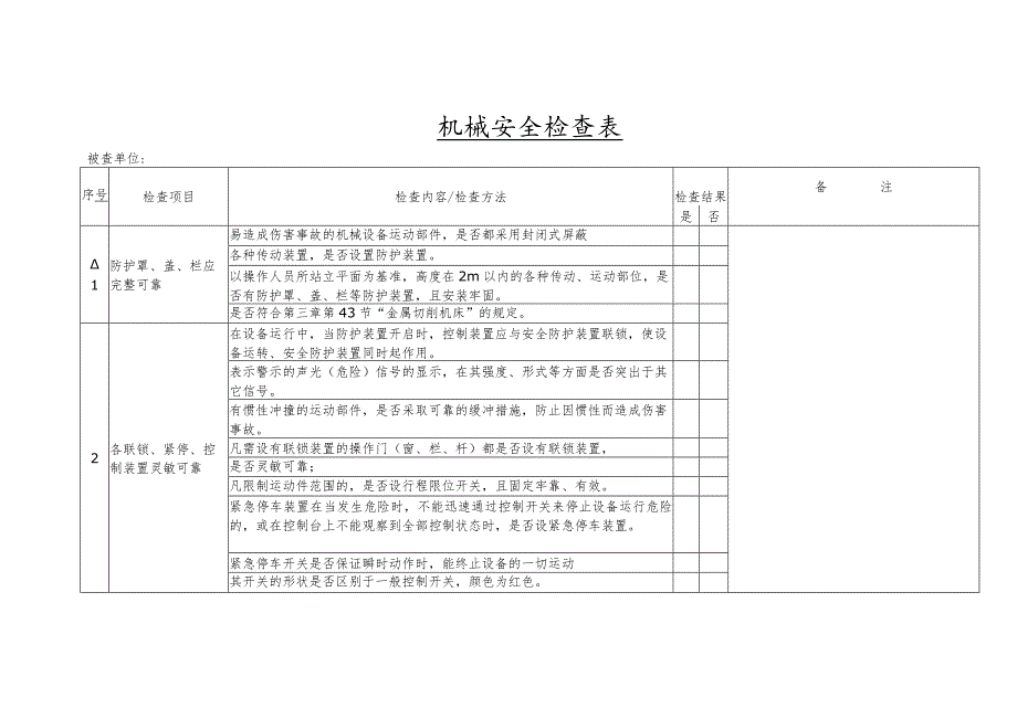
1、机械安全检查表被查单位:序号检查项目检查内容/检查方法检查结果备注是否1防护罩、盖、栏应完整可靠易造成伤害事故的机械设备运动部件,是否都采用封闭式屏蔽各种传动装置,是否设置防护装置。以操作人员所站立平面为基准,高度在2m以内的各种传动、运动部位,是否有防护罩、盖、栏等防护装置,且安装牢固。是否符合第三章第43节“金属切削机床”的规定。2各联锁、紧停、控制装置灵敏可靠在设备运行中,当防护装置开启时,控制装置应与安全防护装置联锁,使设备运转、安全防护装置同时起作用。表示警示的声光(危险)信号的显示,在其强度、形式等方面是否突出于其它信号。有惯性冲撞的运动部件,是否采取可靠的缓冲措施,防止因惯性而造

2、成伤害事故。凡需设有联锁装置的操作门(窗、栏、杆)都是否设有联锁装置,是否灵敏可靠;凡限制运动件范围的,是否设行程限位开关,且固定牢靠、有效。紧急停车装置在当发生危险时,不能迅速通过控制开关来停止设备运行危险的,或在控制台上不能观察到全部控制状态时,是否设紧急停车装置。紧急停车开关是否保证瞬时动作时,能终止设备的一切运动其开关的形状是否区别于一般控制开关,颜色为红色。对需设紧急停车装置的设备,是否在每个操作位置和需要的地方,都要有紧急停车装置,并便于操作,灵敏可靠。3局部照明应为安全电压是否符合第三章第43节“金属切削机床”的要求。4PE等电器完好可靠是否符合第三章第43节“金属切削机床”的要求。5梯台符合要求设备上附有的梯子、检修平台等是否符合第三章第24节”工业梯台(走台、平台厂的有关要求。

展开阅读全文
相关资源
猜你喜欢
相关搜索

当前位置:首页 > 办公文档 > 统计图表

copyright@ 2008-2023 1wenmi网站版权所有

经营许可证编号:宁ICP备2022001189号-1

本站为文档C2C交易模式,即用户上传的文档直接被用户下载,本站只是中间服务平台,本站所有文档下载所得的收益归上传人(含作者)所有。第壹文秘仅提供信息存储空间,仅对用户上传内容的表现方式做保护处理,对上载内容本身不做任何修改或编辑。若文档所含内容侵犯了您的版权或隐私,请立即通知第壹文秘网,我们立即给予删除!