附件1:水利工程建设项目生产安全重大事故隐患清单指南(2023年版).docx

上传人:p** 文档编号:858002 上传时间:2024-03-22 格式:DOCX 页数:3 大小:20.17KB
下载 相关 举报
附件1:水利工程建设项目生产安全重大事故隐患清单指南(2023年版).docx_第1页
第1页 / 共3页
附件1:水利工程建设项目生产安全重大事故隐患清单指南(2023年版).docx_第2页
第2页 / 共3页
附件1:水利工程建设项目生产安全重大事故隐患清单指南(2023年版).docx_第3页
第3页 / 共3页
亲,该文档总共3页,全部预览完了,如果喜欢就下载吧!
资源描述

《附件1:水利工程建设项目生产安全重大事故隐患清单指南(2023年版).docx》由会员分享,可在线阅读,更多相关《附件1:水利工程建设项目生产安全重大事故隐患清单指南(2023年版).docx(3页珍藏版)》请在第壹文秘上搜索。

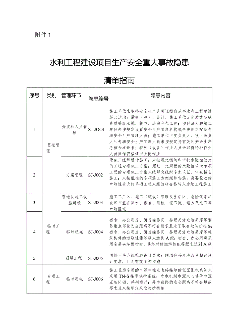
1、附件1水利工程建设项目生产安全重大事故隐患清单指南序号类别管理环节隐患编号隐患内容1基础管理资质和人员管理SJ-JOOl施工单位未取得安全生产许可证擅自从事水利工程建设经营活动;勘察(测)、设计、施工单位无资质或超越资质等级承揽、转包、违法分包工程;项目法人和施工单位未按规定设置安全生产管理机构或未按规定配备专职安全生产管理人员;施工单位主要负责人、项目负责人和专职安全生产管理人员未按规定持有效的安全生产考核合格证书;特种(设备)作业人员未取得特种作业人员操作资格证书上岗作业2方案管理SJ-J002无施工组织设计施工;未按规定编制和审批危险性较大的工程专项施工方案;超过一定规模的危险性较大单项

2、工程的专项施工方案未按规定组织专家论证、审查擅自施工;未按批准的专项施工方案组织实施;需要验收的危险性较大的单项工程未经验收合格转入后续工程施工3临时工程营地及施工设施建设SJ-J003施工工厂区、施工(建设)管理及生活区、危险化学品仓库布置在洪水、雪崩、滑坡、泥石流、塌方及危石等危险区域4临时设施SJ-J004宿舍、办公用房、厨房操作间、易燃易爆危险品库等消防重点部位安全距离不符合要求且未采取有效防护措施;宿舍、办公用房、厨房操作间、易燃易爆危险品库等建筑构件的燃烧性能等级未达到A级;宿舍、办公用房采用金属夹芯板材时,其芯材的燃烧性能等级未达到A级5围堰工程SJ-J005围堰不符合规范和设计

3、要求;围堰位移及渗流量超过设计要求,且无有效管控措施6专项工程临时用电SJ-J006施工现场专用的电源中性点直接接地的低压配电系统未采用TN-S接零保护系统;发电机组电源未与其他电源互相闭锁,并列运行;外电线路的安全距离不符合规范要求且未按规定采取防护措施序号类别管理环节隐患编号隐患内容7脚手架SJ-J007达到或超过一定规模的作业脚手架和支撑脚手架的立杆基础承载力不符合专项施工方案的要求,且已有明显沉降;立杆采用搭接(作业脚手架顶步距除外);未按专项施工方案设置连墙件8模板工程SJ-J008爬模、滑模和翻模施工脱模或混凝土承重模板拆除时,混凝土强度未达到规定值9危险物品SJ-J009运输、使

4、用、保管和处置易燃易爆、雷管炸药等危险物品不符合安全要求10起重吊装与运输SJ-JOlO起重机械未按规定经有相应资质的单位安装(拆除)或未经有相应资质的检验检测机构检验合格后投入使用;起重机械未配备荷载、变幅等指示装置和荷载、力矩、高度、行程等限位、限制及连锁装置;同一作业区两台及以上起重设备运行未制定防碰撞方案,且存在碰撞可能;隧洞竖(斜)井或沉井、人工挖孔桩井载人(货)提升机械未设置安全装置或安全装置不灵敏11起重吊装与运输SJ-JOll大中型水利水电工程金属结构施工采用临时钢梁、龙门架、天锚起吊闸门、钢管前,未对其结构和吊点进行设计计算、履行审批审查验收手续,未进行相应的负荷试验;闸门、

5、钢管上的吊耳板、焊缝未经检查检测和强度验算投入使用12高边坡、深基坑SJ-J012断层、裂隙、破碎带等不良地质构造的高边坡,未按设计要求及时采取支护措施或未经验收合格即进行下一梯段施工;深基坑土方开挖放坡坡度不满足其稳定性要求且未采取加固措施13隧洞施工SJ-JO13未按规定要求进行超前地质预报和监控测量;勘察设计与实际地质条件严重不符时,未进行动态勘察设计;监控测量数据异常变化,未采取措施处置;地下水丰富地段隧洞施工作业面带水施工无相应措施或控制措施失效时继续施工;矿山法施工仰拱一次开挖长度不符合方案要求、未及时封闭成环;矿山法施工仰拱、初期支护、二次衬砌与掌子面的距离不符合规范、设计或专项

6、施工方案要求;矿山法施工未及时处理拱架背后脱空、二衬拱顶脱空问题;盾构施工盾尾密封失效仍冒险作业;盾构施工未按规定带压开仓检查换刀序号类别管理环节隐患编号隐患内容14隧洞施工SJ-J014无爆破设计或未按爆破设计作业;无统一的爆破信号和爆破指挥,起爆前未进行安全条件确认;爆破后未进行检查确认,或未排险立即施工;隧洞施工运输车辆未定期检查,超重运输或使用货运车辆运送人员;未按规定设置应急通讯和报警系统;高瓦斯隧洞或瓦斯突出隧洞未按设计或方案进行揭煤防突,各开挖工作面未设置独立通风;高瓦斯或瓦斯突出的隧洞工程场所作业未使用防爆电器;洞室施工过程中,未对洞内有毒有害气体进行检测、监测;有毒有害气体达

7、到或超过规定标准时未采取有效措施;隧洞内动火作业未按要求履行作业许可审批手续并安排专人监护15设备安装SJ-JO15蜗壳、机坑里衬安装时,搭设的施工平台(组装)未经检查验收即投入使用;在机坑中进行电焊、气割作业(如水机室、定子组装、上下机架组装)时,未设置隔离防护平台或铺设防火布,现场未配备消防器材16水上作业SJ-J016未按规定设置必要的安全作业区或警戒区;水上作业施工船舶施工安全工作条件不符合船舶使用说明书和设备状况,未停止施工;挖泥船的实际工作条件大于SL172014表5.7.9中所列数值,未停止施工17其他防洪度汛SJ-JO17有度汛要求的建设项目未按规定制定度汛方案和超标准洪水应急预案;工程进度不满足度汛要求时未制定和采取相应措施;位于自然地面或河水位以下的隧洞进出口未按施工期防洪标准设置围堰或预留岩坎18液氨制冷SJ-JO18氨压机车间控制盘柜与氨压机未分开隔离布置;未设置、配备固定式氨气报警仪和便携式氨气检测仪;未设置应急疏散通道并明确标识19安全防护SJ-J019排架、井架、施工电梯、大坝廊道、隧洞等出入口和上部有施工作业的通道,未按规定设置防护棚20设备检修SJ-J020混凝土(水泥土、水泥稳定土)拌合机进筒(罐、斗)检修、TBM及盾构设备刀盘检维修时未切断电源或开关箱未上锁且无人监管

展开阅读全文
相关资源
猜你喜欢
相关搜索

当前位置:首页 > 建筑/环境 > 水利工程

copyright@ 2008-2023 1wenmi网站版权所有

经营许可证编号:宁ICP备2022001189号-1

本站为文档C2C交易模式,即用户上传的文档直接被用户下载,本站只是中间服务平台,本站所有文档下载所得的收益归上传人(含作者)所有。第壹文秘仅提供信息存储空间,仅对用户上传内容的表现方式做保护处理,对上载内容本身不做任何修改或编辑。若文档所含内容侵犯了您的版权或隐私,请立即通知第壹文秘网,我们立即给予删除!