高速公路互通立交改建工程安全文明施工措施.docx

上传人:p** 文档编号:858758 上传时间:2024-03-22 格式:DOCX 页数:12 大小:101.66KB
下载 相关 举报
高速公路互通立交改建工程安全文明施工措施.docx_第1页
第1页 / 共12页
高速公路互通立交改建工程安全文明施工措施.docx_第2页
第2页 / 共12页
高速公路互通立交改建工程安全文明施工措施.docx_第3页
第3页 / 共12页
高速公路互通立交改建工程安全文明施工措施.docx_第4页
第4页 / 共12页
高速公路互通立交改建工程安全文明施工措施.docx_第5页
第5页 / 共12页
高速公路互通立交改建工程安全文明施工措施.docx_第6页
第6页 / 共12页
高速公路互通立交改建工程安全文明施工措施.docx_第7页
第7页 / 共12页
高速公路互通立交改建工程安全文明施工措施.docx_第8页
第8页 / 共12页
高速公路互通立交改建工程安全文明施工措施.docx_第9页
第9页 / 共12页
高速公路互通立交改建工程安全文明施工措施.docx_第10页
第10页 / 共12页
亲,该文档总共12页,到这儿已超出免费预览范围,如果喜欢就下载吧!
资源描述

《高速公路互通立交改建工程安全文明施工措施.docx》由会员分享,可在线阅读,更多相关《高速公路互通立交改建工程安全文明施工措施.docx(12页珍藏版)》请在第壹文秘上搜索。

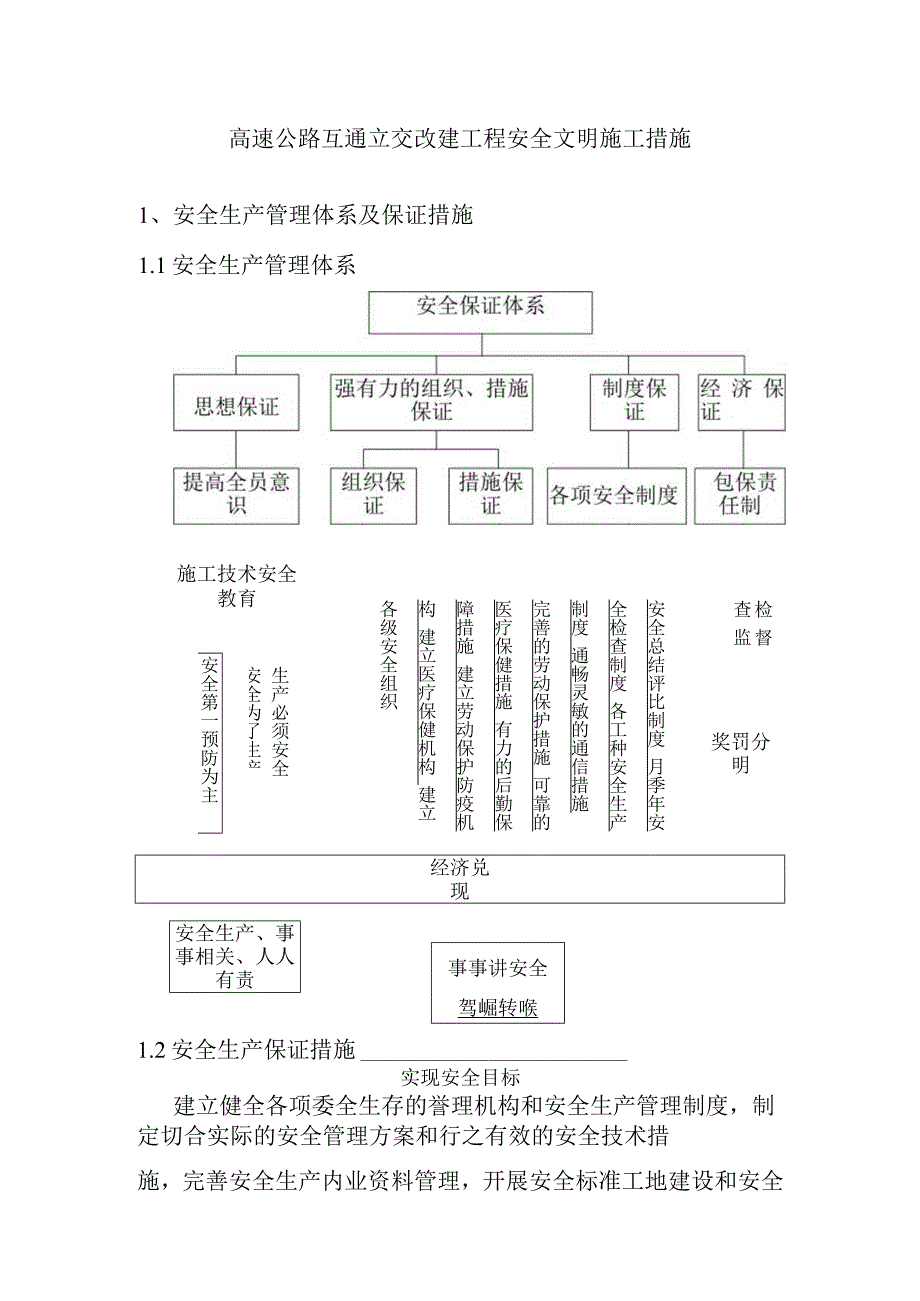
1、高速公路互通立交改建工程安全文明施工措施1、安全生产管理体系及保证措施1.1安全生产管理体系检 督查 监奖罚分明安全总结评比制度 月季年安全检查制度 各工种安全生产制度 通畅灵敏的通信措施 完善的劳动保护措施 可靠的医疗保健措施 有力的后勤保障措施 建立劳动保护防疫机构 建立医疗保健机构 建立各级安全组织施工技术安全教育生产必须安全安全为了生产安全第一预防为主经济兑现安全生产、事事相关、人人有责事事讲安全驾崛转喉1.2安全生产保证措施实现安全目标建立健全各项委全生存的誉理机构和安全生产管理制度,制定切合实际的安全管理方案和行之有效的安全技术措施,完善安全生产内业资料管理,开展安全标准工地建设和

2、安全生产检查活动。1.2.1安全教育保证措施加强安全教育工作,开工前组织干部职工认真学习国家有关安全生产的法律法规和施工安全技术规程,特殊作业人员持证上岗。1.2.2做好安全交底工程开工前,工程项目负责人向参加施工的各类人员认真进行安全技术措施交底。1.2.3安全生产检查措施工程开工前,项目安全负责人召集有关人员对施工组织设计的安全措施进行审核、修改。由项目安全领导小组会同相关部门,对即将开工的项目进行全面检查验收。安检工程师、安全员日常巡回安全检查使用事故易发点检查表进行检查。针对施工现场的重大危险源,项目部专职安全员负责对施工现场的特种作业安全、现场的施工技术安全进行检查,设备管理人员负责

3、对现场大中型设备的使用运转、维修进行检查。1.2.4危险性较大工程的安全技术方案的编制审批开工前制定好安全生产保证计划,编制安全技术措施,经有关部门批准,报安全监理审核,建立施工组织设计和重大方案的论证制度,确保施工方案的安全可靠。对于安全重点防范工程,结合现场和实际情况,单独编制安全技术方案。1 .2.5交通安全管理措施加强对机动车司机的培训和教育,牢固树立“安全第一”的思想。严格定期对机械设备进行检修保养,不得带故障上路行驶。在施工场地出入口设置规范、醒目的交通标志,夜间开启洞外灯光示警标志。1. 2.6高空作业安全管理措施高空作业处应有牢靠的立足处,必须视具体情况配置安全网,栏杆等安全设

4、施以防止工人、工具或物体、材料坠落。高空作业人员必须正确配带安全用具,并且连接牢靠稳固。L2.7用电安全管理措施保证做好现场管理及安全用电工作。制定安全用电规程规章,现场用电由专人负责。1.2.8防火、防水安全措施施工现场和生活区做好防火工作,现场按规定配备灭火器、消防砂箱、水池等完好有效,消防设施和器材,并定期更新保证完整好用。组成业余消防队,定期培训,保证所有施工人员掌握消防设备使用法。雨季成立防汛小组,设专人值班,加强与气象部门的联系,制定防洪预案,备足防汛材料,避免人员及财产损失。2、文明施工保证体系及保证措施项目部文明施工领导小组法制法规教育特殊工种教育.专业教育普及教育文明环保部小

5、组项目部每 月检查队每半月一次检查检查 员工班每 周一次 检杳针对特殊工种制定强有力防 按国家和地方及相关部门法 制科学合理方案将施工驾 严格按设计要求施工 一上级部门日常检查2. 2文明施工措施2. 2.1制定责任明确操作性强的管理制度施工前制定文明施工管理细则和各工序作业规程,标准工作程序。由现场监理工程师批准后,严格遵照执行。开工前做好详细的实施性施工组织设计,合理进行平面布置,现场统一规划管理,统一设置各类公告、标志等标牌,达到文明施工的目的。2. 2.2施工现场场地管理措施开工前完成施工现场平面布置图的设计,施工中按平面布置图实施,现场内所有设施按图定位。根据工程进展,适时对施工现场

6、进行整理和整顿,或进行必要的调整。根据施工现场实际需要和环境保护的要求,采取隔离网或隔离围墙等措施围蔽施工。2. 2.3临时设施管理措施临时设施建设按照标准化建设管理办法有关要求,按标准化进行施工场地规划、驻地建设、拌和场和工地试验室建设,并通过业主组织的专项验收。2 .2.4施工秩序管理措施工程项目开工前,项目经理部根据施工承包合同的要求及在投标时的承诺,编制实施性施工组织设计,经监理部门批准后认真组织实施,重大变更需征得建设单位、设计与监理同意。工程开工实行开工报告制度,项目开工前,提出开工报告,经相关部门批准后执行,各分部工程开工前,向驻地监理提出开工申请,批准后执行。各分项工程开工,实

7、行内部审核制度。3 .2.5施工队伍管理措施加强职工管理,进行法制教育,积极宣传各项有关法律法规,并经常掌握职工思想动态,定期组织学习,树立职工热爱本职工作思想,确保不发生影响社会治安案件。4 .2.6车辆、机械文明施工管理制度编制车辆与机械设备文明驾驶守则,制定各种车辆、机械的操作规程,加强车辆与机械的维修与保养,提高完好率,保证出勤率。3、交通导行3.1 主线施工交通导行本标段HWK18+135主线桥、HWK18+353.693主线桥为高速主线路改桥,桥梁施工遵循“半幅施工、半幅通车”的原则。在施工半幅时,对另半幅路基进行施工临时防护,防护方案采用钢管桩,路基横向采用两排,净距15cm。墩

8、台采用隔墩开挖施工。3.1.1 在施工时为了保证给道路使用者和施工工人提供最大的安全保护,扩建工程的交通控制区,即施工作业控制区应设置警示区一-前渐变区一-缓冲区一-作业区-后渐变区一-终止区六个区段。3.1.2 施工区内设施布设:施工区安全设施的布设应按道路交通标志和标线(GB576899)的有关规定执行。其中限速标志的设置,应报交警部门审批确定。3.1.3 警示区。作用:提示前方道路施工,使行车者注意交通变化情况,以便及时采取措施。警示区设置长度不少于1600mo在该区段前,应设立施工预告标志,用于通告道路的交通阻断、绕行情况,使司机有时间调整其行车速度。施工预告标志采用固定方式设置在行车

9、方向右侧醒目的地方。警示区内每隔一定距离应设置有关标志,第一个警告标志到下一个标志的间距不得超过300mo警示区内统一设置“前方施工”标志、“禁止超车”标志、“前方车道变窄”标志、“禁止通行”标志、“导向”标志及“限制速度”标志等。3.1.4 前渐变区。作用:起导流作用,引导车辆改变行驶方向,变换车道。3.1.5 该区长度设置不少于100瞑当车辆行驶至前渐变区时,行车速度应小于30km/ho在前渐变区前应设置“禁止驶入”标志,并利用锥形交通标志隔离。若需在夜间施工,应在该区起点处安装一个黄色频闪警视信号灯。3.1.6 1.5缓冲区。作用:引导车流有序行进,减少意外情况造成的损失。3.1.7 缓

10、冲区的长度应大于100米,缓冲区内不准停放器具、车辆、材料,禁止工作人员停留,以避免由于车辆失控出现的事故。3.1.8 1.6作业区。作用:作业区是施工人员活动和工作的地方,在车道与作业区之间必须设置隔离装置,作业区还应为工程车辆提供安全的进出口。根据施工作业的需要设置作业区长度,每段施工长度不应大于2km。在该区域内全程用隔离墩与通行车道进行隔离o安全设施设置在下坡等危险路段需进一步加强,并需派专人指挥交通和维护交通标志。夜间施工应在作业区内设置照明灯。一般禁止在夜晚、雨、雾等不良天气施工。3.L7后渐变区。作用:起导流作用,引导车辆改变行驶方向,变换车道,进入正常的行驶车道。该区域长度设置

11、不低于30m,车辆驶过施工区后,应利用锥形交通标志设置后渐变区,引导车辆进入正常车道。3.L8终止区。作用:表示施工区的结束和施工限制的解除,位于施工区的末端。终止区的设置长度大于30mo终止区的末端应设置解除限速标志。3.L9施工安全设施的布设3.1.9.1施工区标志:用于桥梁、互通立交、路基、路面等各分项工程施工过程中占用车道、封闭道路、借道行驶等。施工区标志根据规范及实际需要,按组进行设置,重复使用。3L92临时隔离设施临时隔离设施包括:临时隔离栅、隔离墩、锥形路标等。在路基等施工时,在老路肩上设置临时隔离栅,临时隔离栅之间保持连接,形成整体,有效防止非法进入。在桥梁原路侧混凝土护栏拆除

12、、拼接施工过程中,应设置水泥隔离墩,进行隔离防护。锥形路标配合施工标志使用,或作为简易隔离设施单独使用。各类标志,均应符合公路交通安全设施标准(GB5768-1999)的规范要求,并具有夜间反光功能。其中隔离墩须有红白相间反光标记;锥型交通标必须采取内部填充或压砂袋圈等方法防止倒伏,严禁用豉头、石块等有棱角物体压制,以免引发交通事故;警示标志牌除支架底部采用铸铁支座外,可视情况采取压沙袋等方法防止倒伏。施工现场的标志要有专人负责,必要时要采用信号或旗手管制指挥交通,严禁因施工标志摆放不规范而引发交通事故。当两公里路段内安排两处或以上施工现场时,可按一处施工现场布设标志。3.1.9.3作业控制区

13、内设置交通标志的位置应符合下列规定:应将交通标志设在公路右侧路肩上和作业区边界的左侧。禁令标志:禁止通行标志设在上游过度区的前方;禁止超车标志设在禁止超车路段的起点处,解除禁止超车标志设在禁止超车路段的终点处,限制速度标志,设在限制车速路段的起点,标志牌上标明所限制的速度;解除限制速度标志设在限制车速路段的终点处。警告标志:前方施工标志设在警示区的起点处;前方车道变窄标志应设在车道变窄处前方至少200米处;双向通行标志应设在双向通行路段前至少300米处。指示标志:前方绕行标志设在需要绕行的车辆进出处前至少200米处起点处;直行和单向行驶标志,应设在需要直行、转弯和单向行驶路段前方200米处。施

14、工现场安全布控临时交通安全防护设施摆放完成后,首先自检,合格报监理、项目业主及交警部门联合验收,经验收合格后,施工材料、设备方可进场。验收程序:施工单位自检一一监理单位验收一一交通组织管理部联合验收。施工期间,现场安全设施、标志和警示牌未经施工负责人同意,不得擅自拆动。3.L10施工现场的交通安全管理注意因素3.1.10.1施工现场应设专职交通协管员,负责维护现场交通秩序,协管员应在作业控制区的两端路外或桥下等较安全的地段进行休息、观察、巡视。交通协管员应经过培训,掌握交通法规应具备能快速、有效地指挥交通,应付突发的交通情况的能力。3.1.10.2协管员要时刻注意现场封闭设施的完好性,发现问题

15、要及时纠正,要保证设施、标志清洁,易于辨认,并始终处于正确工作状态。注意因通行车辆刮、碰标志可能导致指向错误或无法正确辨认,应避免非施工作业车辆误入作业控制区。3.1.10.3应设立专职安全员负责监督现场的安全管理,督促作业人员不能随意走出作业控制区,现场专职安全员应服从交警部门对现场作业秩序和安全组织措施的监督管理,做好施工路段交通组织保障的管理和维护工作,使施工段所设置的作业控制区安全始终处于良好、有效状态,并积极协助交警部门处理路面突发事件。3.1.10.4全体施工人员上岗前应进行施工安全教育,从思想上重视施工安全;施工人员应身着黄色反光背心作业;注重安全作业,不在作业区外,特别是越过交通安全设施外的未封闭道路上流动。3.L10.5施工机械、车辆(如吊车、铳刨机、钻机等)在施工区内应按规定地点有序停放,进出施工区域时应服从专职交通协管员管理,不得擅自进出;采取有效措施避免施工机械及车辆的任何一部位伸入未封闭道路。3.1.10.6当施工路段出现交通事故或交通严重阻塞时,要及时通知交警部门,服从交警指挥,共同疏导交通,注意防止非施工车辆进入施工封闭区。3.2、匝道施工交通导行EK0+674.5匝道

展开阅读全文
相关资源
猜你喜欢
相关搜索

当前位置:首页 > 建筑/环境 > 施工组织

copyright@ 2008-2023 1wenmi网站版权所有

经营许可证编号:宁ICP备2022001189号-1

本站为文档C2C交易模式,即用户上传的文档直接被用户下载,本站只是中间服务平台,本站所有文档下载所得的收益归上传人(含作者)所有。第壹文秘仅提供信息存储空间,仅对用户上传内容的表现方式做保护处理,对上载内容本身不做任何修改或编辑。若文档所含内容侵犯了您的版权或隐私,请立即通知第壹文秘网,我们立即给予删除!